Evaluation of Sustainable Slope Stability with Anti-Slide Piles Using an Integrated AHP-VIKOR Methodology
Abstract
1. Introduction
2. Materials and Methods
2.1. Multi-Criteria Decision Making (MCDM)
2.1.1. AHP
2.1.2. VIKOR
- If A2 is not satisfied: P1 and P2 alternatives;
- If A1 is not satisfied: the inequality is expressed as follows, considering the P1, P2, ……, PM alternatives:
3. The Use of AHP-VIKOR Methods and Decision-Making Criteria for Sustainable Anti-Slide Pile Selection
3.1. The Use of Multi-Criteria Decision-Making in Sustainability-Oriented Geotechnical Engineering Problems
3.1.1. Anti-Slide Pile Appraisal Criteria
Slope Stability (C1)
Anti-Slide Pile Capacity (C2)
Sustainability (C3)
Ease of Construction (C4)
Cost (C5)
3.2. An Integrated AHP and VIKOR Method
3.2.1. The General Description of the Integrated Method
3.2.2. The Integrated Process for the Weights
3.3. Case Study
3.3.1. The Weights of Criteria
3.3.2. The Weights of Sub-Criteria
3.3.3. The Composite Results for Alternatives
4. Discussion
Sensitivity Analysis
5. Conclusions
Author Contributions
Funding
Institutional Review Board Statement
Informed Consent Statement
Data Availability Statement
Conflicts of Interest
Appendix A
| Criteria A | Extremely more important | Intermediates value | Very strongly important DÜZEYDE | Intermediates value | Strongly more important | Intermediates value | Weakly important | Intermediates value | Equally important | Intermediates value | Weakly important | Intermediates value | Strongly more important | Intermediates value | Very strongly important DÜZEYDE | Intermediates value | Extremely more important | Criteria B |
| pairwise comparison questionnaire with AHP scale of relative importance [20] | ||||||||||||||||||
| 9 | 8 | 7 | 6 | 5 | 4 | 3 | 2 | 1 | 2 | 3 | 4 | 5 | 6 | 7 | 8 | 9 | ||
| (C1) | (C2) | |||||||||||||||||
| (C1) | (C3) | |||||||||||||||||
| (C1) | (C4) | |||||||||||||||||
| (C1) | (C5) | |||||||||||||||||
| (C2) | (C3) | |||||||||||||||||
| (C2) | (C4) | |||||||||||||||||
| (C2) | (C5) | |||||||||||||||||
| (C3) | (C4) | |||||||||||||||||
| (C3) | (C5) | |||||||||||||||||
References
- Pons, O.; De la Fuente, A.; Aguado, A. The use of MIVES as a sustainability assessment MCDM method for architecture and civil engineering applications. Sustainability 2016, 8, 460. [Google Scholar] [CrossRef]
- Turskis, Z.; Daniūnas, A.; Zavadskas, E.K.; Medzvieckas, J. Multicriteria evaluation of building foundation alternatives. Comput. Aided Civ. Infrastruct. Eng. 2016, 31, 717–729. [Google Scholar] [CrossRef]
- Sandanayake, M.; Zhang, G.; Setunge, S. Environmental emissions at foundation construction stage of buildings–Two case studies. Build. Environ. 2016, 95, 189–198. [Google Scholar] [CrossRef]
- Kabir, G.; Sadiq, R.; Tesfamariam, S. A review of multi-criteria decision-making methods for infrastructure management. Struct. Infrastruct. Eng. 2014, 10, 1176–1210. [Google Scholar] [CrossRef]
- Kolios, A.J.; Rodriguez-Tsouroukdissian, A.; Salonitis, K. Multi-criteria decision analysis of offshore wind turbines support structures under stochastic inputs. Ships Offshore Struct. 2016, 11, 38–49. [Google Scholar]
- Bagočius, V.; Zavadskas, E.K.; Turskis, Z. Multi-person selection of the best wind turbine based on the multi-criteria integrated additive-multiplicative utility function. J. Civ. Eng. Manag. 2014, 20, 590–599. [Google Scholar] [CrossRef]
- Zavadskas, E.K.; Sušinskas, S.; Daniūnas, A.; Turskis, Z.; Sivilevičius, H. Multiple criteria selection of pile-column construction technology. J. Civ. Eng. Manag. 2012, 18, 834–842. [Google Scholar] [CrossRef]
- Sušinskas, S.; Zavadskas, E.K.; Turskis, Z. Multiple criteria assessment of pile-columns alternatives. Balt. J. Road Bridge Eng. 2011, 6, 145–152. [Google Scholar] [CrossRef]
- Lozano-Minguez, E.; Kolios, A.J.; Brennan, F.P. (Multi-criteria assessment of offshore wind turbine support structures. Renew. Energy 2011, 36, 2831–2837. [Google Scholar] [CrossRef]
- Kolios, A.; Collu, M.; Chahardehi, A.; Brennan, F.P.; Patel, M.H. A Multi-Criteria Decision Making Method to Compare Support Structures for Offshore Wind Turbines; EWEC: Warsaw, Poland, 2010; pp. 4778–4787. [Google Scholar]
- Basari, E.; Eski, Ö.; Turan, M.E.; Uzun Araz, Ö. Selection of Pile Foundation Systems: An Integrated Multi-Criteria Decision Making. Dicle Univ. Mühendis. Fak. Mühendis. Derg. 2020, 12, 133–145. [Google Scholar]
- Josa, I.; Tošić, N.; Marinković, S.; de la Fuente, A.; Aguado, A. Sustainability-oriented multi-criteria analysis of different continuous flight auger piles. Sustainability 2021, 13, 7552. [Google Scholar] [CrossRef]
- Pons, O.; Casanovas-Rubio, M.D.M.; Armengou, J.; De la Fuente, A. Sustainability-driven decision-making model: Case study of fiber-reinforced concrete foundation piles. J. Constr. Eng. Manag. 2021, 147, 04021116. [Google Scholar]
- Heidarie Golafzani, S.; Eslami, A.; Jamshidi Chenari, R.; Hamed Saghaian, M. Optimized selection of axial pile bearing capacity predictive methods based on multi-criteria decision-making (MCDM) models and database approach. Soft Comput. 2022, 26, 5865–5881. [Google Scholar] [CrossRef]
- Muñoz-Medina, B.; Ordóñez, J.; Romana, M.G.; Lara-Galera, A. Typology Selection of Retaining Walls Based on Multicriteria Decision-Making Methods. Appl. Sci. 2021, 11, 1457. [Google Scholar] [CrossRef]
- Adhikari, I.; Baral, A.; Zahed, E.; Abediniangerabi, B.; Shahandashti, M. Early-stage multi-criteria decision support system for recommending slope repair methods. Civ. Eng. Environ. Syst. 2021, 38, 127–144. [Google Scholar] [CrossRef]
- Balasbaneh, A.T.; Marsono, A.K.B. Applying multi-criteria decision-making on alternatives for earth-retaining walls: LCA, LCC, and S-LCA. Int. J. Life Cycle Assess. 2020, 25, 2140–2153. [Google Scholar]
- Dachowski, R.; Gałek, K. Selection of the best method for underpinning foundations using the PROMETHEE II method. Sustainability 2020, 12, 5373. [Google Scholar] [CrossRef]
- De la Fuente, A.; Armengou, J.; Pons, O.; Aguado, A. Multi-criteria decision-making model for assessing the sustainability index of wind-turbine support systems: Application to a new precast concrete alternative. J. Civ. Eng. Manag. 2017, 23, 194–203. [Google Scholar]
- Tuskan, Y. Geoteknik Mühendisliğinde Bilgi Tabanlı Yaklaşımlar: Bir Karar Destek Sistemi Uygulaması/Knowledge-Based Approaches in Geotechnical Engineering: A Decision Support System Application. Ph.D. Thesis, Manisa Celal Bayar University, Manisa, Turkey, 2023. [Google Scholar]
- Vassilev, V.; Genova, K.; Vassileva, M. A brief survey of multicriteria decision making methods and software systems. Cybern. Inf. Technol. 2005, 5, 3–13. [Google Scholar]
- Mahmoudi, A.; Sadeghi, M.; Naeni, L.M. Blockchain and supply chain finance for sustainable construction industry: Ensemble ranking using Ordinal Priority Approach. Oper. Manag. Res. 2023, 16, 1–24. [Google Scholar]
- Mahmoudi, A.; Abbasi, M.; Yuan, J.; Li, L. Large-scale group decision-making (LSGDM) for performance measurement of healthcare construction projects: Ordinal Priority Approach. Appl. Intell. 2022, 52, 13781–13802. [Google Scholar]
- Mahmoudi, A.; Abbasi, M.; Deng, X. Evaluating the performance of the suppliers using hybrid DEA-OPA model: A sustainable development perspective. Group Decis. Negot. 2022, 31, 335–362. [Google Scholar] [CrossRef]
- Ataei, Y.; Mahmoudi, A.; Feylizadeh, M.R.; Li, D.F. Ordinal priority approach (OPA) in multiple attribute decision-making. Appl. Soft Comput. 2020, 86, 105893. [Google Scholar] [CrossRef]
- Saaty, T.L. How to Make a Decision: The Analytic Hierarchy Process. Eur. J. Oper. Res. 1990, 48, 9–26. [Google Scholar] [CrossRef]
- Opricovic, S.; Tzeng, G.H. Compromise solution by MCDM methods: A comparative analysis of VIKOR and TOPSIS. Eur. J. Oper. Res. 2004, 156, 445–455. [Google Scholar] [CrossRef]
- Brinkgreve, R.B.J.; Kumarswamy, S.; Swolfs, W.M.; Waterman, D.; Chesaru, A.; Bonnier, P.G. PLAXIS 2016; Plaxis B.V.: Delft, The Netherlands, 2016. [Google Scholar]
- Brown, M.T.; Buranakarn, V. Emergy indices and ratios for sustainable material cycles and recycle options. Resour. Conserv. Recycl. 2003, 38, 1–22. [Google Scholar]
- Pulselli, R.M.; Simoncini, E.; Pulselli, F.M.; Bastianoni, S. Emergy analysis of building manufacturing. maintenance and use: Em-building indices to evaluate housing sustainability. Energy Build. 2007, 39, 620–628. [Google Scholar] [CrossRef]
- Odum, H.T.; Brown, M.T.; Brandt-Williams, S. Handbook of emergy evaluation. Cent. Environ. Policy 2000, 1, 45. [Google Scholar]
- Hammond, G.; Jones, C. Inventory of Carbon & Energy: ICE; Bath: Sustainable Energy Research Team; Department of Mechanical Engineering. University of Bath: Bath, UK, 2008; Volume 5. [Google Scholar]
- Szargut, J.; Morris, D.R.; Steward, F.R. Exergy Analysis of THERMAL. Chemical. and Metallurgical Processes; Hemisphere: New York, NY, USA, 1987. [Google Scholar]
- NREL Database for LCA of Cement and Steel Manufacturing. Available online: https://www.nrel.gov/lci/ (accessed on 10 November 2010).
- ReCipe Database. 2016. Available online: https://www.rivm.nl/en/life-cycle-assessment-lca/recipe (accessed on 10 November 2022).
- Yüksek Fen Kurulu Yayını. Yılı İnşaat ve Tesisat Birim Fiyatları Kitabı. Çevre ve Şehircilik Bakanlığı; Yüksek Fen Kurulu Yayını: Ankara, Turkey, 2022. Available online: https://www.csb.gov.tr/2022-yili-insaat-ve-tesisat-birim-fiyatlari-kitabi-haber-267071 (accessed on 10 November 2022).
- Melón, M.G.; Beltran, P.A.; Cruz, M.C.G. An AHP-based evaluation procedure for Innovative Educational Projects: A face-to-face vs. computer-mediated case study. Omega, 2008; 36, 754–765. [Google Scholar]
- García-Melón, M.; Ferrís-Oñate, J.; Aznar-Bellver, J.; Aragonés-Beltrán, P.; Poveda-Bautista, R. Farmland appraisal based on the analytic network process. J. Glob. Optim. 2008, 42, 143–155. [Google Scholar] [CrossRef]
- Okada, H.; Styles, S.W.; Grismer, M.E. Application of the Analytic Hierarchy Process to irrigation project improvement: Part I. Impacts of irrigation project internal processes on crop yields. Agric. Water Manag. 2008, 95, 199–204. [Google Scholar] [CrossRef]
- Triantaphyllou, E. Multi-Criteria Decision-Making Methods: A Comparative Study; Springer: Boston, MA, USA, 2000; pp. 5–21. [Google Scholar]








| Scale | Definition | Explanation |
|---|---|---|
| 1 | Equally Important | C1 and C2 hold equal significance. |
| 3 | Weakly Important | C1 surpasses C2 slightly in prominence. |
| 5 | Strongly Important | C1 significantly outweighs C2 in prominence. |
| 7 | Very Strongly Important | C1 holds a very strong advantage in prominence over C2. |
| 9 | Extremely Important | C1 holds an extreme advantage in prominence over C2. |
| 2, 4, 6, 8 | Intermediate Values | Intermediate degrees of significance. |
| n | 1 | 2 | 3 | 4 | 5 | 6 | 7 | 8 | 9 | 10 |
|---|---|---|---|---|---|---|---|---|---|---|
| RI | 0.0 | 0.0 | 0.52 | 0.89 | 1.11 | 1.25 | 1.35 | 1.40 | 1.45 | 1.49 |
| Age Range of Participants | ||
|---|---|---|
| Average Age of Participants | Min Age of Participants | Max Age of Participants |
| 43.3 | 35 | 54 |
| Education Properties of Participants | ||
| Number | % | |
| Bachelor’s Degree | 6 | 18.75 |
| Master’s Degree | 17 | 53.13 |
| Doctorate | 9 | 28.12 |
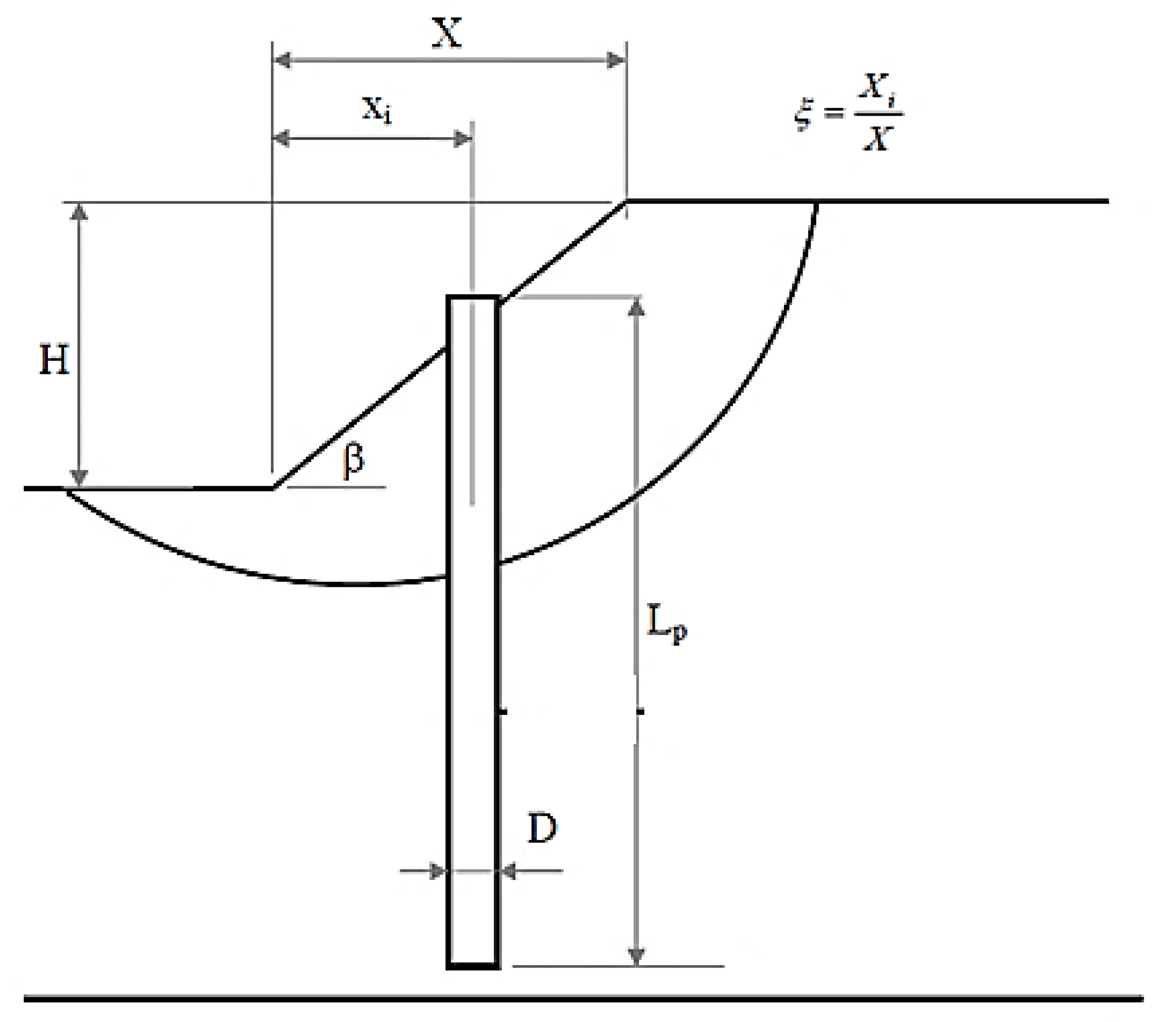
| Anti-Slide Pile Parameters | Parameter Range |
|---|---|
| Pile Diameter (D, m) | 1.0–1.2–1.5–2.0 |
| Pile Spacing/Pile Diameter (s/D) | 1.5–2.0–2.5–3.0 |
| Pile Location Ratio (ξ) | 0.1–0.2–0.3–0.4–0.5–0.6–0.7 |
| Criteria | ||||||||
|---|---|---|---|---|---|---|---|---|
| Alternative | (C1) | (C2) | (C31) | (C32) | (C33) | (C41) | (C42) | (C5) |
| (A1) | 0.9090 | 0.6041 | 0.0313 | 0.2016 | 0.7351 | 0.1873 | 0.7356 | 0.1240 |
| (A2) | 0.9090 | 0.6286 | 0.0308 | 0.1204 | 0.8364 | 0.1475 | 0.6543 | 0.0960 |
| (A3) | 0.3367 | 0.0894 | 0.1994 | 0.2341 | 0.8352 | 0.1117 | 0.1342 | 0.1576 |
| (A4) | 0.3367 | 0.1156 | 0.0918 | 0.8361 | 0.4527 | 0.0874 | 0.2793 | 0.0828 |
| ⁞ | ||||||||
| (A112) | 0.8978 | 0.1917 | 0.0425 | 0.2471 | 0.9366 | 0.2868 | 0.3267 | 0.1328 |
| Weight | 0.404 | 0.283 | 0.043 | 0.043 | 0.043 | 0.019 | 0.019 | 0.146 |
| Ideal Solution | (C1) | (C2) | (C3) | (C4) | (C5) |
|---|---|---|---|---|---|
| f* | 1.299 | 1.94 | 0.527 | 1.00 | 456,959 |
| f− | 1.199 | 10.28 | 1.320 | 10.00 | 3,157,847 |
| Qj | Alternative | Rj | Sj |
|---|---|---|---|
| 0.0054 | (A20) | 0.0182 | 0.0581 |
| 0.0249 | (A4) | 0.0220 | 0.0632 |
| 0.0258 | (A3) | 0.0225 | 0.0709 |
| 0.0322 | (A36) | 0.0395 | 0.0676 |
| 0.0335 | (A35) | 0.0336 | 0.0753 |
| Anti-Slide Pile Alternatives | |
|---|---|
| (A20) | |
![]() | (A20) Description: D: 1.00 m, s/D: 3.0, ξ = xi/X: 0.20 Criteria Value (C1) = 1.277 (C2) = 2.347 (C3) = 0.591 (C4) = 1.259 (C5) = 492,287 |
| (A4) | |
![]() | (A4) Description: D: 1.00 m, s/D: 3.0, ξ = xi/X: 0.10 Criteria Value (C1) = 1.250 (C2) = 2.647 (C3) = 0.417 (C4) = 1.000 (C5) = 456,960 |
| (A3) | |
![]() | (A3) Description: D: 1.00 m, s/D: 2.5, ξ = xi/X: 0.10 Criteria Value (C1) = 1.253 (C2) = 2.561 (C3) = 0.424 (C4) = 1.000 (C5) = 541,321 |
| (A36) | |
![]() | (A36) Description: D: 1.00 m, s/D: 3.0, ξ = xi/X: 0.30 Criteria Value (C1) = 1.243 (C2) = 2.247 (C3) = 0.751 (C4) = 1.349 (C5) = 562,943 |
| (A35) | |
![]() | (A35) Description: D: 1.00 m, s/D: 2.5, ξ = xi/X: 0.30 Criteria Value (C1) = 1.247 (C2) = 2.161 (C3) = 0.758 (C4) = 1.349 (C5) = 666,871 |
| DMs Weights | Scenario 1 | Scenario 2 | Scenario 3 | Scenario 4 | Scenario 5 | Scenario 6 | Scenario 7 | |
|---|---|---|---|---|---|---|---|---|
| (C1) | 0.404 | 1 | 0 | 0 | 0 | 0 | 0.2 | 0.5 |
| (C2) | 0.283 | 0 | 1 | 0 | 0 | 0 | 0.2 | 0.5 |
| (C3) | 0.129 | 0 | 0 | 1 | 0 | 0 | 0.2 | 0 |
| (C4) | 0.038 | 0 | 0 | 0 | 1 | 0 | 0.2 | 0 |
| (C5) | 0.146 | 0 | 0 | 0 | 0 | 1 | 0.2 | 0 |
Disclaimer/Publisher’s Note: The statements, opinions and data contained in all publications are solely those of the individual author(s) and contributor(s) and not of MDPI and/or the editor(s). MDPI and/or the editor(s) disclaim responsibility for any injury to people or property resulting from any ideas, methods, instructions or products referred to in the content. |
© 2023 by the authors. Licensee MDPI, Basel, Switzerland. This article is an open access article distributed under the terms and conditions of the Creative Commons Attribution (CC BY) license (https://creativecommons.org/licenses/by/4.0/).
Share and Cite
Tuskan, Y.; Basari, E. Evaluation of Sustainable Slope Stability with Anti-Slide Piles Using an Integrated AHP-VIKOR Methodology. Sustainability 2023, 15, 12075. https://doi.org/10.3390/su151512075
Tuskan Y, Basari E. Evaluation of Sustainable Slope Stability with Anti-Slide Piles Using an Integrated AHP-VIKOR Methodology. Sustainability. 2023; 15(15):12075. https://doi.org/10.3390/su151512075
Chicago/Turabian StyleTuskan, Yesim, and Ender Basari. 2023. "Evaluation of Sustainable Slope Stability with Anti-Slide Piles Using an Integrated AHP-VIKOR Methodology" Sustainability 15, no. 15: 12075. https://doi.org/10.3390/su151512075
APA StyleTuskan, Y., & Basari, E. (2023). Evaluation of Sustainable Slope Stability with Anti-Slide Piles Using an Integrated AHP-VIKOR Methodology. Sustainability, 15(15), 12075. https://doi.org/10.3390/su151512075






