Proposing Dynamic Pricing as an Alternative to Improve Technical and Economic Conditions in Rural Electrification: A Case Study from Colombia
Abstract
1. Introduction
1.1. Background and Aims
1.2. Literature Survey of the Challenge of Sustainable Rural Electrification
- Technical sustainability: encompasses concepts such as resilience, reliability, and continuity of the installed systems and energy security [10]. It also considers the use of on-site energy potentials and the reduction in dependence on fuel transportation.
- Environmental sustainability: refers to the ability to maintain the qualities valued in the physical world, such as the natural environment that maintains living conditions for people and other species (clean and available water and air, suitable climate, etc.), ensuring habitability for the future generations [17,18].
- Economic sustainability: encompasses the ability to keep a project operational with minimal or no dependence on external sources of financing other than the fees received for the service, without the collection of these fees compromising the economic capacity of users [19].
- Social sustainability: considers the human costs and benefits of corporate activities and refers to the achievement of justice, equality, and well-being for people and their communities in the present and the future. Social sustainability implies equality, well-being, and balance between indicators of quality of life among sociocultural groups and legal entities (corporations and governments) over time and from one generation to the next [20].
- Institutional sustainability: refers to the activities of government and non-governmental institutions related to providing tools that support decision-making and implementation of sustainability policies. It relates to how institutions shape behavior, expectations, relationships, value, and perceptions of actors and, therefore, their approach to, and objectives for, sustainable development [21].
- In general, methodologies that consider a social participation approach in decision-making lack the establishment of rigorous technical mechanisms that guarantee the sustainability of the system operation over an extended period.
- Few methodologies consider a systemic approach in which the interactions between the different components of sustainability are considered relevant, and typically some criteria or indicators are correlated with each other (an analysis excluded in most methodologies) [32].
- Methodologies focus on, or are rigorous in, only one or two of the sustainability dimensions analyzed in this document, and the effect that the other components may have on the dimensions studied is excluded. Additionally, when methodologies seek to comprehensively cover all sustainability dimensions, the rigor of each dimension study decreases. This makes it necessary to establish a mechanism for prioritizing indicators that allow decision-makers to focus their analysis on the components that will be most impacted by the project according to the objective context.
- In the economic aspect, few methodologies tend to promote the economic independence of rural electrification solutions from external sources of financing, such as government subsidies, which limits the adaptability of methodologies in sustainable long-term planning.
1.3. Contributions and Paper Content
2. The Importance of Dynamic Pricing in the Technical and Economic Sustainability of Rural Electrification Solutions
- The simplicity of the scheme. Tariffs should be easy for customers to understand and respond to.
- Revenue stability for service providers. Tariffs should allow service providers to obtain profits that enable them to maintain financial health.
- Promotion of energy conservation and energy efficiency. Tariffs should send price signals to customers that allow for the conscious use of electricity, especially during periods of high operating costs.
Dynamic Pricing for the Improvement of Technical Parameters of Rural Electrical Systems
- Demand participation as a power reserve.
- Consumer participation in critical events when system reliability is compromised, by reducing consumption in response to critical peak prices.
- Participation of large population blocks in constraining the range in which frequency varies through the implementation of time-varying tariffs based on system congestion.
3. Proposal for Designing Time-of-Use Tariffs to Flatten the Demand Curve in Rural Microgrids
- Low radiation: [0, 200] Wh/m2.
- Medium-low radiation: (200, 400] Wh/m2.
- Medium radiation: (400, 600] Wh/m2.
- Medium-high radiation: (600 to 800] Wh/m2.
- High radiation: >800 Wh/m2.
4. Case Study and Evaluation of the Proposed Tariff Model
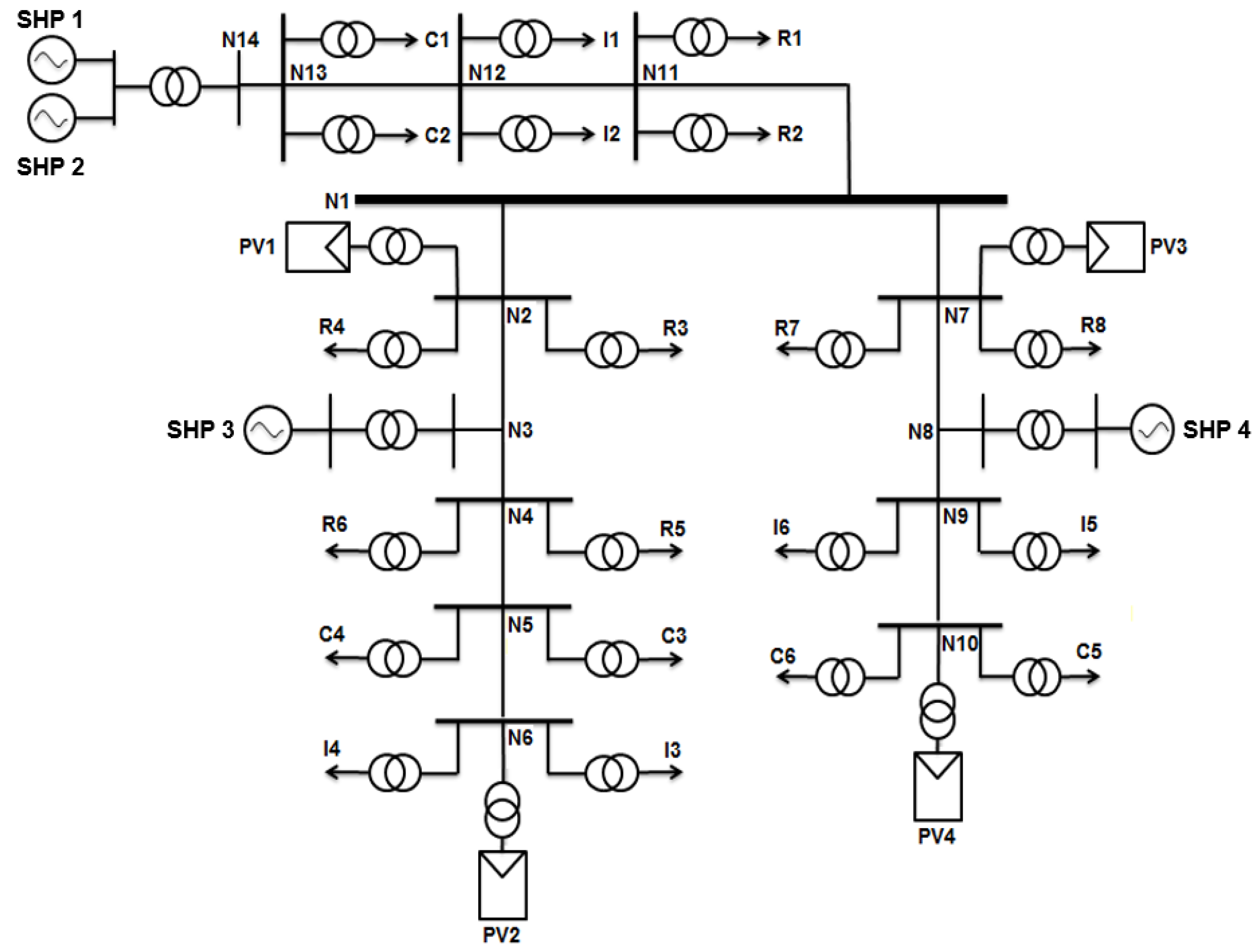
4.1. General Context of the Case Study
4.2. Case Study
4.3. Evaluation of the Proposed Tariff Methodology
5. Results and Discussion
6. Conclusions
Author Contributions
Funding
Institutional Review Board Statement
Informed Consent Statement
Data Availability Statement
Acknowledgments
Conflicts of Interest
Appendix A. Review of Sustainable Electrification Methodologies
| Methodology | Description and Adaptability | Sustainability Approach |
|---|---|---|
| Ref. [22] Year: 2008 | Methodology for evaluating rural electrification projects based on the use of indicators that cover the dimensions of technical, economic, social/ethical, environmental, and institutional sustainability. This study allows decision-makers to review the reasons for the success behind rural electrification projects. In terms of adaptability, some of the proposed indicators are not easily calculable in contexts where individual electricity measurement is not available. | ![]() |
| Ref. [23] Year: 2009 | Methodology for evaluating the impact of rural electrification projects prior to the implementation of an intervention in a target region, providing information for adjusting the project design. The methodology allows for the identification of possible deficiencies or areas to strengthen in the technical and institutional components of rural electrification designs but does not consider the social component as a key element for the success of a design. | ![]() |
| Ref. [26] Year: 2011 | Participatory methodology that promotes the involvement of the beneficiary population in the self-management and sustainability of electric service provision projects. Regarding the adaptability of the methodology in other contexts, it should be noted that it is restricted solely to photovoltaic solar generation. Additionally, an integrated electrification approach is needed that considers social participation in the other elements that make up the electricity supply system. | ![]() |
| Ref. [31] Year: 2013 | Study that evaluates the factors responsible for the success and failure of energy access programs in Asia, offering lessons on appropriate technology, income generation, financing, political leadership, capacity development, programmatic flexibility, marketing and awareness, stakeholder participation, community ownership, and technical standardization. The study’s recommendations were obtained from the analysis of 10 electrification projects in which international institutions were involved, so the results may be biased (in fact, the author highlights this possibility). In reviewing the case studies, the author limits the analysis to unconventional energy generation behind the meter. | ![]() |
| Ref. [36] Year: 2013 | This methodology focuses on the design of autonomous electrification systems based on solar and wind energy, which are suitable for the economic, technical, and social characteristics of rural communities in developing countries, and considers the opinions of all stakeholders involved in the project. However, it excludes consideration of other possible technologies that could be used, and the environmental component is limited to the use of solar and wind energy potential in the area. | ![]() |
| Ref. [34] Year: 2015 | This methodology focuses on the formulation of Sustainable Rural Electrification Plans (PERS) in Colombia, aimed at regional and local stakeholders such as governors, mayors, potential investors, project developers, planners, academics, etc. Its objective is to promote the creation of PERS in all regions of the country. The methodology focuses on electrification, productivity, and entrepreneurship, but does not guarantee long-term economic sustainability. Additionally, community energy management is not considered. | ![]() |
| Ref. [30] Year: 2016 | Methodological framework for the assessment of community attitudes and needs, presenting the key factors that should be considered in the different stages of program development and implementation. The framework allows project developers and policy makers to address different socio-cultural and political issues at different stages of development and implementation of a solution to ensure a sustainable electrification program in the long term. It constitutes a good framework for the social approach, but does not cover the economic, technical, and environmental aspects. | ![]() |
| Ref. [32] Year: 2017 | This method focuses on selecting appropriate technologies and designing sustainable electrification solutions but does not consider the impact of institutional intervention on the viability of a project. The technical sustainability approach is limited to selecting the suitable technology to implement on-site and does not consider the extended operation of the system, equipment maintenance, among other factors. | ![]() |
| Ref. [28] Year: 2017 | Methodology for planning and designing a microgrid for remote locations. This methodology prioritizes improving the quality of life of the inhabitants by considering variables such as location, availability of renewable energy resources, equipment prices, initial budget, operation and maintenance costs, and equipment replacement costs. However, the implementation and operation stages are not considered in detail, which may compromise long-term technical sustainability. Finally, possible changes in the demand behavior of the electrified community are not considered to make a better projection and estimation of it due to the increase in load from access to energy. | ![]() |
| Ref. [27] Year: 2017 | This document considers five rural electrification experiences in Andean countries, analyzes the decisions made throughout the design process, and highlights the suitability of these technologies for expanding access to electricity. This study can be a good reference for the dissemination of distributed generation technologies in future projects in Andean countries, but it does not consider the institutional and social impact on the success of implemented solutions. Additionally, the environmental component is limited only to the use of energy potentials present in the area. | ![]() |
| Ref. [25] Year: 2018 | Comprehensive methodological framework based on the synergies of decision analysis and optimization models for designing a reliable, robust, and economical microgrid system based on locally available resources for rural communities in developing countries. The role of government and non-governmental institutions in implementing sustainable electrification solutions is excluded from the decision-making process, while the particular social dynamics of each context cannot be easily integrated into the proposed methodology. | ![]() |
| Ref. [10] Year: 2019 | Methodological framework for rural electrification based on the three pillars of the energy trilemma (environment, security, and equity), considering four dimensions of sustainability: environmental, technical, socio-economic, and institutional. It is based on experiences from a national program carried out in Venezuela between 2005 and 2013. The methodology is easily adaptable to other Latin American countries and could be complemented by strengthening the economic component over an extended horizon. | ![]() |
| Ref. [29] Year: 2019 | Methodology for evaluating energy needs in the rural electrification sector to obtain reliable inputs for load profiling and microgrid sizing, with the aim of characterizing the energy needs of the community and exploring the viability of potential projects, as well as optimizing the operation of the energy system. This methodology focuses on the initial collection of data from communities to create economically viable designs, but it does not delve into the particularities of each context or consider the use of potential generation resources present on-site. | ![]() |
| Ref. [33] Year: 2020 | Methodological guide that seeks to strengthen the institutional and normative capacities of governments in the Latin American and Caribbean region for the adoption of the Water-Energy-Food Nexus approach in the design of comprehensive actions, whether these are policies, plans, programs, or projects, to achieve coordinated and efficient actions. At the same time, it seeks to provide tools to evaluate to what extent the Nexus approach has been adopted in actions that are currently underway or are seeking funding. The guide focuses on establishing a methodology for proposing projects and monitoring progress but does not go into detail on establishing mechanisms for selecting technologies and ensuring the operation and maintenance of the installed system over time. | ![]() |
| Ref. [35] Year: 2021 | This study focuses on establishing a strategic methodology for the incorporation of distributed energy resources in isolated microgrids to ensure sustainability and energy transition through an adapted business model. The model highlights the importance of motivating investors and increasing profitability by including a value proposition based on technical contributions that benefit the operation of the microgrid. However, this model restricts the environmental component to the use of local potentials and does not provide guidelines for selecting generation technologies. | ![]() |
References
- United Nations. The Energy Challenge for Achieving the Millennium Development Goals; United Nations: New York, NY, USA, 2005. [Google Scholar]
- Cook, P. Infrastructure, Rural Electrification and Development. Energy Sustain. Dev. 2011, 15, 304–313. [Google Scholar] [CrossRef]
- Bhattacharyya, S.C.; Palit, D. (Eds.) Mini-Grids for Rural Electrification of Developing Countries; Green Energy and Technology; Springer International Publishing: Cham, Switzerland, 2014; ISBN 978-3-319-04815-4. [Google Scholar]
- REN21. Renewables 2022 Global Status Report Germany Factsheet; REN21: Paris, France, 2022; ISBN 9783948393045. [Google Scholar]
- IEA. SDG7: Data and Projections; IEA: Paris, France, 2022. [Google Scholar]
- United Nations. Informe Mundial Sobre Desarrollo Sostenible 2019; United Nations: New York, NY, USA, 2019. [Google Scholar]
- IEA; IRENA; United Nations Statistics Division; The World Bank; World Health Organization. Tracking SDG7—The Energy Report; World Bank: Washington, DC, USA, 2022. [Google Scholar]
- López-García, D. Caracterización de un Esquema Remunerativo para la Participación de la Demanda en la Prestación del Servicio Complementario de Control de Frecuencia en el Mercado Eléctrico Colombiano; Universidad Nacional de Colombia: Bogota, Colombia, 2019. [Google Scholar]
- OLADE; Sistema de Información Energética de Latinoamerica y el Caribe; BID. Panorama Energético de América Latina y El Caribe; Dialnet: La Rioja, Spain, 2021. [Google Scholar]
- López-González, A.; Ferrer-Martí, L.; Domenech, B. Sustainable Rural Electrification Planning in Developing Countries: A Proposal for Electrification of Isolated Communities of Venezuela. Energy Policy 2019, 129, 327–338. [Google Scholar] [CrossRef]
- Banal-Estañol, A.; Calzada, J.; Jordana, J. How to Achieve Full Electrification: Lessons from Latin America. Energy Policy 2017, 108, 55–69. [Google Scholar] [CrossRef]
- International Energy Agency (IEA). Energy for All: Financing Access for the Poor (Special Early Excerpt of the World Energy Outlook 2011). Available online: https://iea.blob.core.windows.net/assets/imports/events/214/birol.pdf (accessed on 30 January 2020).
- Bhattacharyya, S.C. Energy Access Programmes and Sustainable Development: A Critical Review and Analysis. Energy Sustain. Dev. 2012, 16, 260–271. [Google Scholar] [CrossRef]
- Arango-Manrique, A. Evaluación Técnica y de Mercado de la Operación de una Microrred en Modo Aislado Dentro de un Sistema Eléctrico de Potencia Con Ambiente Desregulado. Ph.D. Thesis, Universidad Nacional de Colombia, Bogota, Colombia, 2017. [Google Scholar]
- Waseem, N.; Kota, S. Sustainability definitions—An analysis. In Research into Design for Communities, Volume 2: Proceedings of ICoRD 2017; Springer: Singapore, 2017; pp. 361–371. [Google Scholar]
- Kemp, R.; Martens, P. Sustainable Development: How to Manage Something That Is Subjective and Never Can Be Achieved? Sustain. Sci. Pract. Policy 2007, 3, 5–14. [Google Scholar] [CrossRef]
- Sutton, P. A Perspective on Environmental Sustainability? Pap. Vic. Comm. Environ. Sustain. 2004, 1, 32. [Google Scholar]
- Virtanen, P.K.; Siragusa, L.; Guttorm, H. Introduction: Toward More Inclusive Definitions of Sustainability. Curr. Opin. Environ. Sustain. 2020, 43, 77–82. [Google Scholar] [CrossRef]
- Ruggerio, C.A. Sustainability and Sustainable Development: A Review of Principles and Definitions. Sci. Total Environ. 2021, 786, 147481. [Google Scholar] [CrossRef]
- Ross, D. Social Sustainability. In Dictionary of Corporate Social Responsibility; Idowu, S.O., Capaldi, N., Fifka, M.S., Zu, L., Schmidpeter, R., Eds.; Springer International Publishing: Cham, Switzerland, 2015; ISBN 978-3-319-10535-2. [Google Scholar]
- Pfahl, S. Institutional Sustainability. Int. J. Sustain. Dev. 2005, 8, 80–96. [Google Scholar] [CrossRef]
- Ilskog, E. Indicators for Assessment of Rural Electrification—An Approach for the Comparison of Apples and Pears. Energy Policy 2008, 36, 2665–2673. [Google Scholar] [CrossRef]
- Peters, J. Evaluating Rural Electrification Projects. Ruhr Econ. Pap. 2009, 136. [Google Scholar] [CrossRef]
- Ilskog, E. Rural Electrification Sustainability Indicators—Manual for Field Workers; KTH University Press: Stockholm, Suedia, 2008. [Google Scholar]
- Kumar, A.; Singh, A.R.; Deng, Y.; He, X.; Kumar, P.; Bansal, R.C. A Novel Methodological Framework for the Design of Sustainable Rural Microgrid for Developing Nations. IEEE Access 2018, 6, 24925–24951. [Google Scholar] [CrossRef]
- Del Valle Gasanz, J.J. Guía Metodológica Para el Desarrollo de Proyectos de Electrificación Rural Mediante Sistemas Fotovoltaicos Aislados; Universidad Carlos III de Madrid: Madrid, Spain, 2011. [Google Scholar]
- López-González, A.; Domenech, B.; Gómez-Hernández, D.; Ferrer-Martí, L. Renewable Microgrid Projects for Autonomous Small-Scale Electrification in Andean Countries. Renew. Sustain. Energy Rev. 2017, 79, 1255–1265. [Google Scholar] [CrossRef]
- Jimenez, J.D.; Vives, S.M.; Jimenez, E.G.; Mendoza, A.P. Development of a methodology for planning and design of microgrids for rural electrification. In Proceedings of the 2017 CHILEAN Conference on Electrical, Electronics Engineering, Information and Communication Technologies (CHILECON), Pucon, Chile, 18–20 October 2017; pp. 1–6. [Google Scholar]
- Gambino, V.; del Citto, R.; Cherubini, P.; Tacconelli, C.; Micangeli, A.; Giglioli, R. Methodology for the Energy Need Assessment to Effectively Design and Deploy Mini-Grids for Rural Electrification. Energies 2019, 12, 574. [Google Scholar] [CrossRef]
- Urmee, T.; Md, A. Social, Cultural and Political Dimensions of off-Grid Renewable Energy Programs in Developing Countries. Renew. Energy 2016, 93, 159–167. [Google Scholar] [CrossRef]
- Sovacool, B.K. A Qualitative Factor Analysis of Renewable Energy and Sustainable Energy for All (SE4ALL) in the Asia-Pacific. Energy Policy 2013, 59, 393–403. [Google Scholar] [CrossRef]
- Büyüközkan, G.; Karabulut, Y. Energy Project Performance Evaluation with Sustainability Perspective. Energy 2017, 119, 549–560. [Google Scholar] [CrossRef]
- Naranjo, L.; Willaarts, B.A. Guía Metodológica—Diseño de Acciones Con Enfoque Del Nexo Entre Agua, Energía y Alimentación Para Países de América Latina y El Caribe; CEPAL: Santiago, Chile, 2020. [Google Scholar]
- UPME. Guía para Elaboración de un Plan de Energización Rural Sostenible; Ministerio de Minas y Energía: Bogota, Colombia, 2015; ISBN 9789588363271. [Google Scholar]
- Arango-Manrique, A.; López-García, D.; Arango-Lemoine, C.; Carvajal-Quintero, S.X. Business Model Proposal for Energy Transition towards Operational and Economic Sustainability for Rural Electrification: Colombian Case. Sustainability 2021, 13, 4308. [Google Scholar] [CrossRef]
- Domenech Léga, B. Metodología Para El Diseño de Sistemas de Electrificación Autónomos Para Comunidades Rurales; Universitat Politécnica de Catalunya: Barcelona, Spain, 2013; p. 238. [Google Scholar]
- Schuschny, A.; Soto, H. Guía Metodológica Diseño de Indicadores Compuestos de Desarrollo Sostenible Andrés Schuschny; CEPAL: Santiago, Chile, 2009; p. 109. [Google Scholar]
- Gaona, E.E.; Trujillo, C.L.; Guacaneme, J.A. Rural Microgrids and Its Potential Application in Colombia. Renew. Sustain. Energy Rev. 2015, 51, 125–137. [Google Scholar] [CrossRef]
- Faruqui, A.; Hledik, R.; Palmer, J. Time-Varying and Dynamic Rate Design; Global Power Best Practice Series; Regulatory Assistance Project: Montpelier, VT, USA, 2012; pp. 1–52. [Google Scholar]
- Cappers, P. Mass Market Demand Response and Variable Generation Integration Issues: A Scoping Study; Lawrence Berkeley National Laboratory: Berkeley, CA, USA, 2012. [Google Scholar]
- Thapa, R.B.; Upreti, B.R.; Devkota, D.; Pokharel, G.R. Identifying the Best Decentralized Renewable Energy System for Rural Electrification in Nepal. J. Asian Rural. Stud. 2020, 4, 49–70. [Google Scholar] [CrossRef]
- Cambini, C.; Soroush, G. Designing Grid Tariffs in the Presence of Distributed Generation. Util Policy 2019, 61, 100979. [Google Scholar] [CrossRef]
- Finn, P.; Fitzpatrick, C. Demand Side Management of Industrial Electricity Consumption: Promoting the Use of Renewable Energy through Real-Time Pricing. Appl. Energy 2014, 113, 11–21. [Google Scholar] [CrossRef]
- Baatz, B. Rate Design Matters: The Intersection of Residential Rate Design and Energy Efficiency; American Council for an Energy-Efficient Economy: Washington, DC, USA, 2017. [Google Scholar]
- Kolokathis, C. Designing Retail Electricity Tariffs for a Successful Energy Union; European Commission: Brussels, Belgium, 2018. [Google Scholar]
- Faruqui, A.; Arritt, K.; Sergici, S. The Impact of Advanced Metering Infrastructure on Energy Conservation: A Case Study of Two Utilities. Electr. J. 2017, 30, 56–63. [Google Scholar] [CrossRef]
- Bonbright, J.C.; Danielsen, A.L.; Kamerschen, D.R. Principles of Public Utility Rates, 2nd ed.; Public Utilities Reports, Inc.: Dumfries, VA, USA, 1961. [Google Scholar]
- Faruqui, A.; Hanser, P.; Lessem, N. The Lantau Group Best Practices in Tariff Design; The Lantau Group: Hong Kong, China, 2016. [Google Scholar]
- Rodriguez Zabala, A.; López-García, D.; Carvajal-Quintero, S.X.; Arango Manrique, A. A Comprehensive Review of Sustainability in Isolated Colombian Microgrids. Tecnura 2021, 25, 126–145. [Google Scholar] [CrossRef]
- Hodel, C. Overview of Ancillary Services; Swissgrid Ltd.: Zurich, Switzerland, 2019. [Google Scholar]
- Ma, O.; Alkadi, N.; Cappers, P.; Denholm, P.; Dudley, J.; Goli, S.; Hummon, M.; Kiliccote, S.; MacDonald, J.; Matson, N.; et al. Demand Response for Ancillary Services. IEEE Trans. Smart Grid 2013, 4, 1988–1995. [Google Scholar] [CrossRef]
- Carvajal, S.X.; Serrano, J.; Arango, S. Colombian Ancillary Services and International Connections: Current Weaknesses and Policy Challenges. Energy Policy 2013, 52, 770–778. [Google Scholar] [CrossRef]
- Fernández-Muñoz, D.; Pérez-Díaz, J.I.; Guisández, I.; Chazarra, M.; Fernández-Espina, Á. Fast Frequency Control Ancillary Services: An International Review. Renew. Sustain. Energy Rev. 2020, 120, 109662. [Google Scholar] [CrossRef]
- Schisler, K.; Sick, T.; Brief, K. The role of demand response in ancillary service markets. In Proceedings of the IEEE/PES Transmission and Distribution Conference and Exposition, Chicago, IL, USA, 21–24 April 2008; pp. 1–3. [Google Scholar] [CrossRef]
- Majzoobi, A.; Khodaei, A. Application of Microgrids in Providing Ancillary Services to the Utility Grid. Energy 2017, 123, 555–563. [Google Scholar] [CrossRef]
- Barroco, J. Designing Financeable Ancillary Services Revenue Contracts in Developing Economies: Learnings from the Philippines. Energy Policy 2021, 152, 112218. [Google Scholar] [CrossRef]
- Rebours, Y.G.; Kirschen, D.S.; Trotignon, M.; Rossignol, S. A Survey of Frequency and Voltage Control Ancillary Services—Part I: Technical Features. IEEE Trans. Power Syst. 2007, 22, 350–357. [Google Scholar] [CrossRef]
- Dupont, B.; de Jonghe, C.; Olmos, L.; Belmans, R. Demand Response with Locational Dynamic Pricing to Support the Integration of Renewables. Energy Policy 2014, 67, 344–354. [Google Scholar] [CrossRef]
- Rasheed, M.B.; Qureshi, M.A.; Javaid, N.; Alquthami, T. Dynamic Pricing Mechanism with the Integration of Renewable Energy Source in Smart Grid. IEEE Access 2020, 8, 16876–16892. [Google Scholar] [CrossRef]
- Haslund, C.; Johnson, S.R. AMI Demand Response: The Opportunity and Challenges of Mass Market Dynamic Pricing. Response 2011, 1–14. Available online: https://www.itron.com/-/media/feature/products/documents/white-paper/101172wp02-ami-demand-response.pdf (accessed on 15 October 2022).
- Albogamy, F.R.; Zakria, M.; Khan, T.A.; Murawwat, S.; Hafeez, G.; Khan, I.; Ali, F.; Khan, S. An Optimal Adaptive Control Strategy for Energy Balancing in Smart Microgrid Using Dynamic Pricing. IEEE Access 2022, 10, 37396–37411. [Google Scholar] [CrossRef]
- Aalami, H.; Yousefi, G.R.; Parsa Moghadam, M. Demand response model considering EDRP and TOU programs. In Proceedings of the IEEE/PES Transmission and Distribution Conference and Exposition, Chicago, IL, USA, 21–24 April 2008. [Google Scholar] [CrossRef]
- Shao, S.; Zhang, T.; Pipattanasomporn, M.; Rahman, S. Impact of TOU rates on distribution load shapes in a smart grid with PHEV penetration. In Proceedings of the 2010 IEEE PES Transmission and Distribution Conference and Exposition: Smart Solutions for a Changing World, New Orleans, LA, USA, 19–22 April 2010; pp. 1–6. [Google Scholar] [CrossRef]
- Instituto de Hidrología. Atlas Radiación Solar; Instituto de Hidrología: Bogotá, DC, USA, 2003. [Google Scholar]
- Miller, R.L.R.; Meiners, R.E. Microeconomía, 3rd ed.; McGraw-Hill: New York, NY, USA, 1990; ISBN 9684510521. [Google Scholar]
- Moreno, W.A.M. Identificación de las Variables Relevantes Para Implementar la Respuesta a la Demanda de Energía Eléctrica en Colombia; Ministerio de Minas y Energía: Bogota, Colombia, 2017. [Google Scholar]
- Roscoe, A.J.; Ault, G. Supporting High Penetrations of Renewable Generation via Implementation of Real-Time Electricity Pricing and Demand Response. IET Renew. Power Gener. 2010, 4, 369. [Google Scholar] [CrossRef]
- Enerdata World Energy & Climate Statistics—Yearbook 2022. Available online: https://www.enerdata.net/publications/world-energy-statistics-supply-and-demand.html (accessed on 25 February 2023).
- Bustos González, J.F.; Sepúlveda, A.L.; Triviño Aponte, K. Zonas No Interconectadas Eléctricamente En Colombia: Problemas y Perspectiva. Econografos Esc. Econ. 2014, 27, 012817. [Google Scholar]
- López-García, D.; Arango-Manrique, A.; Carvajal-Quintero, S.X. Integration of Distributed Energy Resources in Isolated Microgrids: The Colombian Paradigm. TecnoLógicas 2018, 21, 13–30. [Google Scholar] [CrossRef][Green Version]
- Centro Nacional de Monitoreo; IPSE. Informe de Telemetría Mensual de Junio 2017; IPSE: Bogota, Colombia, 2017. [Google Scholar]
- IPSE. Soluciones Energéticas Para Las Zonas No Interconectadas de Colombia; IPSE: Bogota, Colombia, 2014. [Google Scholar]
- Superintendencia de Servicios Públicos Domiciliarios. Zonas No Interconectadas—Diagnóstico de la Prestación del Servicio de Energía Eléctrica 2018; Superintendencia de Servicios Públicos Domiciliarios: Bogota, Colombia, 2018. [Google Scholar]
- Blasques, L.C.M.; Pinho, J.T. Metering Systems and Demand-Side Management Models Applied to Hybrid Renewable Energy Systems in Micro-Grid Configuration. Energy Policy 2012, 45, 721–729. [Google Scholar] [CrossRef]
- IPSE. Boletín Mensual de Localidades Con Telemetría—Junio 2022; IPSE: Bogota, Colombia, 2022. [Google Scholar]
- IPSE. Caracterización de Las ZNI. Available online: https://ipse.gov.co/cnm/caracterizacion-de-las-zni/ (accessed on 19 November 2022).
- UPME. Plan Energético Nacional Colombia: Ideario Energético 2050; Ministerio de Minas y Energía: Bogota, Colombia, 2015; p. 184. [Google Scholar]
- Gómez, N. Energización de Las ZNI de Colombia a Partir de Las Energias Solar y Eólica; Universidad Javeriana: Bogota, Colombia, 2011; p. 99. [Google Scholar]
- Superintendencia de Servicios Públicos Domiciliarios. Informe Sectorial de la Prestación del Servicio de Energía Eléctrica 2021—Zonas No Interconectadas; Superintendencia de Servicios Públicos Domiciliarios: Bogota, Colombia, 2021. [Google Scholar]
- Ministerio de Minas y Energía. Boletín Informativo—Gobierno Nacional Aumenta los Subsidios en las Zonas No Interconectadas del País; Ministerio de Minas y Energía: Bogota, Colombia, 2022. [Google Scholar]
- Ministerio de Minas y Energía. Resolución 40430 de 2021—Plan Nacional de Electrificación Rural (PNER) para las Zonas No Interconectadas (ZNI) y para el Sistema Interconectado Nacional (SIN); Ministerio de Minas y Energía: Bogota, Colombia, 2021. [Google Scholar]
- Ministerio de Minas y Energía. Plan Nacional de Energización Rural. Available online: https://siipo.dnp.gov.co/vistaciuddanodetallato/5 (accessed on 27 March 2023).
- Congreso de Colombia. Ley 1715 de 2014—Regulación de La Integración de las Energías Renovables No Convencionales al Sistema Energético Nacional 2014; Senado de la Republica de Colombia: Bogota, Colombia, 2014. [Google Scholar]
- Congreso de Colombia. Ley 2099 de 2021; Senado de la Republica de Colombia: Bogota, Colombia, 2021; pp. 1–25. [Google Scholar]
- XM, S.A. Pronóstico de Demanda. Available online: https://www.xm.com.co/consumo/informes-demanda/propuesta-pronostico-de-demanda-cnd (accessed on 9 October 2022).
- Instituto de Hidrología; Ministerio de Minas y Energía. Atlas Interactivo—Radiación IDEAM. Available online: http://atlas.ideam.gov.co/visorAtlasRadiacion.html (accessed on 14 May 2019).








| Period | Start Time | End Time | Category | Period | Start Time | End Time | Category |
|---|---|---|---|---|---|---|---|
| P01 | 0:00 | 1:00 | Off-peak | P13 | 12:00 | 13:00 | Peak |
| P02 | 1:00 | 2:00 | Off-peak | P14 | 13:00 | 14:00 | Shoulder |
| P03 | 2:00 | 3:00 | Off-peak | P15 | 14:00 | 15:00 | Shoulder |
| P04 | 3:00 | 4:00 | Off-peak | P16 | 15:00 | 16:00 | Shoulder |
| P05 | 4:00 | 5:00 | Off-peak | P17 | 16:00 | 17:00 | Shoulder |
| P06 | 5:00 | 6:00 | Off-peak | P18 | 17:00 | 18:00 | Shoulder |
| P07 | 6:00 | 7:00 | Off-peak | P19 | 18:00 | 19:00 | Peak |
| P08 | 7:00 | 8:00 | Off-peak | P20 | 19:00 | 20:00 | Peak |
| P09 | 8:00 | 9:00 | Shoulder | P21 | 20:00 | 21:00 | Peak |
| P10 | 9:00 | 10:00 | Shoulder | P22 | 21:00 | 22:00 | Peak |
| P11 | 10:00 | 11:00 | Shoulder | P23 | 22:00 | 23:00 | Off-peak |
| P12 | 11:00 | 12:00 | Peak | P24 | 23:00 | 0:00 | Off-peak |
| Period | Average Hourly Solar Radiation (Wh/m2)—Antioquia-Chocó | ||||||||||||
|---|---|---|---|---|---|---|---|---|---|---|---|---|---|
| Jan | Feb | Mar | Apr | May | Jun | Jul | Aug | Sep | Oct | Nov | Dec | Average | |
| P01 | 0.0 | 0.0 | 0.0 | 0.0 | 0.0 | 0.0 | 0.0 | 0.0 | 0.0 | 0.0 | 0.0 | 0.0 | 0.0 |
| P02 | 0.0 | 0.0 | 0.0 | 0.0 | 0.0 | 0.0 | 0.0 | 0.0 | 0.0 | 0.0 | 0.0 | 0.0 | 0.0 |
| P03 | 0.0 | 0.0 | 0.0 | 0.0 | 0.0 | 0.0 | 0.0 | 0.0 | 0.0 | 0.0 | 0.0 | 0.0 | 0.0 |
| P04 | 0.0 | 0.0 | 0.0 | 0.0 | 0.0 | 0.0 | 0.0 | 0.0 | 0.0 | 0.0 | 0.0 | 0.0 | 0.0 |
| P05 | 0.0 | 0.0 | 0.0 | 0.0 | 0.0 | 0.0 | 0.0 | 0.0 | 0.0 | 0.0 | 0.0 | 0.0 | 0.0 |
| P06 | 0.0 | 0.0 | 0.1 | 0.2 | 0.4 | 0.4 | 0.3 | 0.2 | 0.3 | 0.6 | 0.6 | 0.1 | 0.3 |
| P07 | 15.6 | 15.8 | 23.2 | 36.3 | 42.7 | 43.8 | 38.2 | 35.5 | 43.7 | 44.0 | 40.6 | 25.6 | 33.8 |
| P08 | 105.1 | 105.3 | 108.5 | 154.0 | 165.4 | 166.4 | 159.3 | 151.4 | 165.5 | 173.9 | 174.4 | 152.9 | 148.5 |
| P09 | 252.6 | 266.6 | 265.3 | 315.5 | 328.5 | 337.7 | 331.2 | 333.5 | 342.6 | 354.6 | 345.6 | 323.0 | 316.4 |
| P10 | 399.7 | 431.2 | 423.0 | 505.6 | 486.9 | 487.8 | 492.6 | 509.3 | 526.5 | 502.9 | 501.5 | 461.7 | 477.4 |
| P11 | 501.0 | 577.1 | 546.1 | 613.7 | 587.7 | 567.4 | 612.3 | 644.6 | 643.2 | 602.5 | 598.9 | 577.0 | 589.3 |
| P12 | 539.3 | 589.9 | 614.5 | 642.5 | 590.6 | 617.1 | 647.3 | 653.6 | 685.9 | 616.1 | 614.0 | 609.5 | 618.4 |
| P13 | 602.2 | 624.1 | 664.2 | 614.0 | 579.4 | 658.7 | 683.3 | 668.1 | 682.4 | 610.8 | 624.8 | 645.3 | 638.1 |
| P14 | 571.4 | 610.4 | 570.9 | 537.4 | 503.3 | 609.2 | 633.9 | 613.6 | 583.9 | 503.9 | 506.8 | 553.8 | 566.5 |
| P15 | 480.1 | 493.2 | 460.1 | 424.0 | 416.3 | 502.6 | 526.8 | 498.1 | 457.2 | 354.0 | 370.6 | 420.0 | 450.3 |
| P16 | 345.5 | 328.7 | 292.7 | 239.8 | 279.9 | 350.5 | 377.6 | 367.4 | 303.2 | 216.5 | 224.1 | 260.5 | 298.9 |
| P17 | 179.4 | 185.3 | 146.4 | 114.2 | 142.0 | 196.4 | 207.2 | 213.5 | 155.2 | 100.5 | 95.4 | 107.2 | 153.6 |
| P18 | 40.6 | 52.5 | 43.6 | 28.8 | 33.9 | 51.2 | 60.3 | 58.1 | 33.9 | 12.3 | 11.4 | 17.5 | 37.0 |
| P19 | 2.1 | 3.3 | 2.2 | 1.1 | 0.9 | 1.7 | 2.8 | 2.1 | 1.3 | 0.6 | 0.6 | 1.0 | 1.6 |
| P20 | 1.2 | 1.5 | 0.7 | 0.5 | 0.4 | 0.5 | 0.8 | 0.6 | 0.7 | 0.5 | 0.4 | 0.7 | 0.7 |
| P21 | 1.0 | 1.2 | 0.6 | 0.4 | 0.3 | 0.3 | 0.6 | 0.5 | 0.5 | 0.4 | 0.3 | 0.6 | 0.6 |
| P22 | 0.0 | 0.0 | 0.0 | 0.0 | 0.0 | 0.0 | 0.0 | 0.0 | 0.0 | 0.0 | 0.0 | 0.0 | 0.0 |
| P23 | 0.0 | 0.0 | 0.0 | 0.0 | 0.0 | 0.0 | 0.0 | 0.0 | 0.0 | 0.0 | 0.0 | 0.0 | 0.0 |
| P24 | 0.0 | 0.0 | 0.0 | 0.0 | 0.0 | 0.0 | 0.0 | 0.0 | 0.0 | 0.0 | 0.0 | 0.0 | 0.0 |
| 0–200 Wh/m2 | 200–400 Wh/m2 | 400–600 Wh/m2 | 600–800 Wh/m2 | >800 Wh/m2 | |||||||||
| Category | Range in MW |
|---|---|
| Off-peak | [0; 2.15) |
| Shoulder | [2.15; 2.44) |
| Peak | [2.44; 2.75] |
| Period | Initial Category | Renewable Factor | Final Category |
|---|---|---|---|
| P01 | Off-peak | 1.00 | Off-peak |
| P02 | Off-peak | 1.00 | Off-peak |
| P03 | Off-peak | 1.00 | Off-peak |
| P04 | Off-peak | 1.00 | Off-peak |
| P05 | Off-peak | 1.00 | Off-peak |
| P06 | Off-peak | 1.00 | Off-peak |
| P07 | Off-peak | 1.00 | Off-peak |
| P08 | Off-peak | 1.00 | Off-peak |
| P09 | Off-peak | 0.95 | Shoulder |
| P10 | Shoulder | 0.90 | Shoulder |
| P11 | Shoulder | 0.90 | Shoulder |
| P12 | Peak | 0.85 | Shoulder |
| P13 | Peak | 0.85 | Shoulder |
| P14 | Shoulder | 0.90 | Shoulder |
| P15 | Shoulder | 0.90 | Shoulder |
| P16 | Shoulder | 0.95 | Shoulder |
| P17 | Shoulder | 1.00 | Shoulder |
| P18 | Shoulder | 1.00 | Shoulder |
| P19 | Peak | 1.00 | Peak |
| P20 | Peak | 1.00 | Peak |
| P21 | Peak | 1.00 | Peak |
| P22 | Peak | 1.00 | Peak |
| P23 | Off-peak | 1.00 | Off-peak |
| P24 | Off-peak | 1.00 | Off-peak |
| Category | Price COP$/kWh |
|---|---|
| Base price | 330 |
| Off-peak | 270 |
| Shoulder | 320 |
| Peak | 390 |
| Daily Energy Consumption [MWh] | Change in Daily Energy Consumption with TOU [%] | Range of Frequency Variation [Hz] | Limitation of Frequency Range with TOU [%] | |
|---|---|---|---|---|
| Flat rate | 53.64 | - | [59.81; 60.15] | - |
| TOU | 53.7 | 0.11% | [59.85; 60.15] | 13.3% |
Disclaimer/Publisher’s Note: The statements, opinions and data contained in all publications are solely those of the individual author(s) and contributor(s) and not of MDPI and/or the editor(s). MDPI and/or the editor(s) disclaim responsibility for any injury to people or property resulting from any ideas, methods, instructions or products referred to in the content. |
© 2023 by the authors. Licensee MDPI, Basel, Switzerland. This article is an open access article distributed under the terms and conditions of the Creative Commons Attribution (CC BY) license (https://creativecommons.org/licenses/by/4.0/).
Share and Cite
López García, D.; Beltrán Gallego, J.D.; Carvajal Quintero, S.X. Proposing Dynamic Pricing as an Alternative to Improve Technical and Economic Conditions in Rural Electrification: A Case Study from Colombia. Sustainability 2023, 15, 7985. https://doi.org/10.3390/su15107985
López García D, Beltrán Gallego JD, Carvajal Quintero SX. Proposing Dynamic Pricing as an Alternative to Improve Technical and Economic Conditions in Rural Electrification: A Case Study from Colombia. Sustainability. 2023; 15(10):7985. https://doi.org/10.3390/su15107985
Chicago/Turabian StyleLópez García, Dahiana, José David Beltrán Gallego, and Sandra Ximena Carvajal Quintero. 2023. "Proposing Dynamic Pricing as an Alternative to Improve Technical and Economic Conditions in Rural Electrification: A Case Study from Colombia" Sustainability 15, no. 10: 7985. https://doi.org/10.3390/su15107985
APA StyleLópez García, D., Beltrán Gallego, J. D., & Carvajal Quintero, S. X. (2023). Proposing Dynamic Pricing as an Alternative to Improve Technical and Economic Conditions in Rural Electrification: A Case Study from Colombia. Sustainability, 15(10), 7985. https://doi.org/10.3390/su15107985
















