Next Article in Journal
Flexural Capacity of Cross-Shaped Concrete-Filled Steel Tubular Column–Steel Beam Joints with Side-Plate Connections
Previous Article in Journal
Evaluating Sustainable and Environment Friendly Growing Media Composition for Pot Mum (Chrysanthemum morifolium Ramat.)
 
 
Font Type:
Arial Georgia Verdana
Font Size:
Aa Aa Aa
Line Spacing:
Column Width:
Background:
Article

Cooling and Power from Waste and Agriculture Residue as a Sustainable Strategy for Small Islands—A Case Study of Tonga

by
Moslem Yousefzadeh
1,*,
Manfred Lenzen
1 and
Muhammad Arsalan Tariq
2
1
School of Physics, The University of Sydney, Camperdown, NSW 2006, Australia
2
Independent Researcher, Karachi 75400, Pakistan
*
Author to whom correspondence should be addressed.
Sustainability 2023, 15(1), 537; https://doi.org/10.3390/su15010537
Submission received: 4 September 2022 / Revised: 11 December 2022 / Accepted: 16 December 2022 / Published: 28 December 2022

Abstract

Identifying local energy sources and devising a circular economy could improve self-sufficiency in many Pacific Islands. On the islands with significant agriculture, the residue from the cultivation of plants has promising energy potential. The waste stream is another potential source of energy that otherwise should undergo proper treatment. Additionally, cold-storage capacity improves the preservation of crops and increases the agricultural exports of these islands. This study proposes a combined cooling and power (CCP) system driven by biomass from agriculture residue and waste streams as fuel for different districts in Tonga. The units supply a fraction of the districts’ electricity demand and provide sufficient cold-storage capacity to preserve the prospective yield of a fraction of fallow lands. The technical and economic performance of the CCP units was analysed for different fractions of electricity demand and fallow land exploitation in each district during a year of operation. The results show that the optimum combination of the CCP units supplies 38% of the total electricity demand of Tonga and prevents the annual consumption of 7.4 million litres of diesel and emission of 20 kilotonnes of CO 2 . In addition, it provides 3700 m 2 of cold-storage area, which is sufficient for preserving the prospective yield of the exploitation of 27% of the total fallow land of Tonga. Annual export revenue of about AU$10 million is expected from such a cold-storage capacity for Tongan farmers. Furthermore, the units consume 10,000 tonnes of annual waste, significantly reducing waste management costs. This study presents an example of a comprehensive circular-economy solution for a remote island state that improves its socioeconomic and environmental condition by supplying the community’s local needs from its available and abundant resources under a viable business model. The solution presented in this study can be adapted to many island communities with significant agriculture in the economy and crucial energy and cooling needs.

1. Introduction

For many small Pacific Islands, improving self-sufficiency is crucial, considering their remoteness; limited energy and land resources; and small capacity for waste absorption. Energy supply, in particular, is a significant issue since most of these islands, except for Papua New Guinea and Timor-Leste, are heavily dependent on imported fossil fuels due to a lack of local energy resources [1,2]. Fuel imports, on average, have about a 20% share in total imports [3]. This reliance on imported fuels highlights the importance of energy security in the region.
Cooling loads are a significant contributor to small Pacific Islands’ energy consumption, especially for those with forestry, agriculture, and fishery industries [4]. In many islands, agriculture has a major share in the economy. For instance, in Tonga, 77% of the population lives in rural areas, where their main occupation is agriculture, forestry, or fishing [5,6]. In the Pacific region, the rural population represents 61% [5]. Many harvested crops need to be preserved in a cool or freezing environment to maintain their quality for local or export markets. Furthermore, the fisheries sector requires cooling power to produce ice and conserve fish catches.
However, despite this energy demand, agriculture also provides a significant energy resource: biomass from cultivated crops’ residue [7]. Biomass is a renewable, net-zerocarbon energy resource that historically has been utilised for cooking and heating in many rural areas of the Pacific region. Furthermore, Paakkonen et al. [8], by analysing the renewable power generation schemes for the Aland Islands, showed that biomass will continue having a place in future energy systems. While some biomass types, such as wood fuels or fuel crops, might cause environmental impacts such as deforestation or excessive land exploitation for energy, biomass from agriculture residue is a by-product of the current agricultural activities for food production and does not have any other environmental impacts. Jafar [9] reports that biomass wastes from agro-industries, together with solar photovoltaic and solar heat, are the most reliable energy resources in the Pacific region. In Fiji, Papua New Guinea and the Solomon Islands, the biomass from agriculture residue is used to generate required electricity in agriculture and forestry industries [4].
The waste stream is another potential energy source that can improve the sustainability of the Pacific Islands. An island’s capacity to absorb the waste generated by its population is limited because it requires a large land area, and it entails risks of environmental pollution, and groundwater contamination [10,11,12,13]. There are several studies on waste management of small islands [11,14], many focusing on solid waste [15,16,17,18]. The main barrier to sustainability in waste management is the proportion of non-biodegradable streams, such as plastics and petrochemical products. Depending on the society’s consumption pattern, this proportion could be up to 13% of municipal solid waste [19,20]. These materials do not decompose quickly in the natural environment; however, because of their energy content (on average 35.7 MJ kg ) [21,22], they can serve as potential fuels comparable to conventional fuels such as diesel (42–46 MJ kg ) and coal (25 MJ kg ).
Table 1 highlights some relevant socioeconomic indicators of several Pacific Island states. Most people live in rural areas where agriculture, forestry and fishing are the main economic activities. Agriculture has a significant share in these states’ economies (the average share of agriculture, forestry and fishing in the GDP of the world’s countries is 3.3% [23]). While the gross national income (GNI) of most of these states is significantly lower than the average of the world (AU$14810 [24]), the price of energy is remarkably higher than the world’s average (AU$0.18 [25]). Furthermore, the average municipal solid waste generation rate in the Pacific region is 1.4 kg per person per day [26].
Thus, the biomass of agricultural residue and the waste stream have great potential for providing affordable energy for Pacific Islanders. In this study, we focus on Tonga as a case study to investigate this potential.

1.1. The Case of Tonga

The Kingdom of Tonga is a Polynesian sovereign state located in the Pacific Ocean, northeast of New Zealand and east of Fiji. Tonga is an archipelago containing 169 islands divided into the five regions of Tongatapu, Vava’u, Ha’apai, ’Eua and Niuas; and 23 districts. The population of Tonga is around 108,000, and 73% of them live in Tongatapu, the largest island that includes the capital city, Nuku’alofa.
In the year ending June 2019, the total electricity generation in the Kingdom’s four island groups of Tongatapu, Vava’u, Ha’apai and ’Eua was 71 GWh, and there were 11% transmission losses. Diesel generation accounts for 88% of total electricity generation [33]. There are also six solar farms located on different islands (contributing 7.6%) and a wind farm in the south of Tongatapu (3.7%). Less than 1% of electricity (especially in the small remote islands) is generated via micro-, community-level solar energy units [33].
There are several ongoing renewable energy projects, including a 6 MW solar farm on Tongatapu, two wind farms with a total capacity of about 6 MW, and two energy storage projects; still, all of them are in their initial stages [33]. Furthermore, a project for generating electricity from biomass in ’Eua was initiated in 2014, but according to the most recent update, it is still in the pre-feasibility stage [34].
Agriculture is the predominant economic activity in Tonga, contributing 18% of the national GDP. About 75% of the Tongan population lives in rural areas where agriculture and fishing are the primary sources of livelihood [35]. Different annual and perennial crops are planted in Tonga. In 2015, about 90% of the planted land was allocated to the five top annual crops, including cassava, yam, yautia, sweet potato and swamp taro [6]. Thus, in this study, we only focus on the annual crops [6]. Cultivation of annual crops covered 36% of the agricultural land, and 51% of the land was left fallow. Although part of these lands is left fallow for cultural and recovery reasons, there are still large areas underutilised [6]. The information on the lands allocated to the annual crops and fallow lands in 2015 is given in Table 2, and the map of Tonga and its divisions is illustrated in Figure 1.
Agricultural activity in Tonga is mainly for the local market, and only 5% of the households are engaged in commercial agricultural activities [6]. In recent years, agriculture’s share in the economy has decreased due to a decline in the export market [35]. Fishing is the other significant source of livelihood. However, it is mostly pursued at the subsistence or semi-subsistence level, and only 4% of people are engaged in commercial fishing [6]. In 2018, the total annual catch was 463 tonnes, reduced by 37% compared to 2017, partially because of decreased fishing efforts [36].
Both the agriculture and fishery sectors suffer from a lack of cooling power and sufficient cold-storage capacity. Considering the small economic scale of most agricultural activities, only a few exporters in Tonga could afford to have private cold store facilities [35]. The lack of cooling infrastructure for harvested crops shortens their shelf lives, adversely influencing the commercial potential for domestic sales and exports [37]. Currently, there is only one pack-house for peeling, cutting and freezing cassava and other root crops at the Queen Salote Wharf in Tongatapu. Although there are other public and private packhouses in Tongatapu, Vava’u, and ’Eua, they are not equipped with either a chiller or freezer facilities [37].
Ice production for fishing boats and preservation of fish catches is an essential cooling power demand in fisheries. In 2005, about 28 Mt of ice block was produced for sale at the Tu’imatamoana fish market in Nuku’alofa and the Vava’u Fish Market. The average annual ice production rate was 2.3 kg of ice-block per kilogram of fish caught, although there was still a significant lack of cooling services [38]. Since the few ice-making facilities are located in the larger islands, many fishing boats from outer islands need to sail a long way to supply their needs for ice-blocks [39]. Furthermore, because of a lack of suitable freezing and cold storage, there exists little to no export market for frozen fish [40].
Waste management has been a significant concern in Tonga. In 2006, the annual economic cost of waste was estimated to be 5.6 million Tongan Pa’anga (TOP), or TOP 340 per household [41]. For comparison, the average annual income is TOP 9100 per capita [42]. Tonga’s solid waste generation rate is about 0.5 kg per day per capita [43]. In 2012, the solid waste of Vava’u was 51.3% organic material, 13.4% plastic and 9% metals [44]. Many households segregate their waste components, especially metal and plastic ones, and place them in recycling cages located in their districts. Furthermore, there have been some recycling activities, and export of waste by private entities [44,45]. However, the main waste treatment activity is limited to collecting and disposing of waste in landfills, and currently, there is no permanent waste treatment facility.
The Tongan government has already considered energy generation from waste. In 2018, there was a call for proposals for financing, installation and operation of an energyfrom-waste plant by Waste Authority Ltd., a public enterprise mandated to manage waste in Tongatapu [46]. However, to the authors’ knowledge, no plan has been finalised yet.

1.2. Previous Work

Several studies have addressed using biomass from agricultural residue as a cheap and renewable energy source for small islands. Solomon et al. [47] studied the potential of coconut residue for supplying the energy of the small island states of Samoa, the Solomon Islands and Cuba. They concluded that considering the appropriate yield of coconut per hectare in Samoa and the Solomon Islands, implementing a plant for electricity generation utilising coconut oil and residues is attractive in these two states. In contrast, more careful consideration is required for Cuba due to its lower yield. Chandara and Hemstock [48] estimated the potential of biomass for energy generation in Fiji. They realised that only 20% of available agriculture residue and livestock dung is exploited and that there is untouched potential for further use of biomass.
Several studies have investigated waste incineration as a win-win strategy for island waste management. Miranda and Hale [49] investigated the social and environmental costs of converting waste to energy as an option for both waste management and energy supply using data from Germany, Sweden, the UK and the USA. They concluded that waste-toenergy costs and externalities are lower than those of landfill management and fossil-fuel energy generation. They continued their work [50] by investigating the case of Puerto Rico, and their results showed that considering the high costs of energy production, limitation of proper sites for landfill and availability of modern pollution control technologies, waste-toenergy is both economically and environmentally an attractive option.
Generating electric power from biomass or solid waste combustion involves dissipating significant energy into the environment. Therefore, many scholars have studied multi-generation systems capable of providing heating or cooling power further to electricity generation. Paakkonen et al. [8] compared the feasibility of three different sizes of bio-fuelled combined heat and power (CHP) plants to two alternative renewable power production scenarios, a high-wind and a balanced scheme for the Aland Islands. Their results show that if the fuel cost is maintained at 25 MWH , the CHP plant has promising potential for balancing the power gaps while running profitably in the future. Zsigraiova et al. [51] proposed a solution for the island of Santiago in Cabo Verde (North Atlantic), in which the energy produced from the incineration of municipal solid waste is used for driving a CHP plant and a water desalination unit. The results show that the proposed system can generate 3.3–4.7 MW of power and 5540–6650 m 3 per day of drinking water from the waste of fewer than 300,000 people. Pirotta et al. [52] investigated the potential of electricity generation from solid waste in Malta. They found that the best scenario was a 7.25 MW CHP plant that could also supply desalinated water required for the entire island. Barigozzi et al. [53] studied the thermodynamic performance of a waste-to-power cogeneration system that, in addition to generating electricity utilising the non-recyclable fraction of the municipal solid waste in Northern Italy, provides the district heating power during the cold months. Gholamian et al. [54] proposed and analysed the performance of a combined cooling, heating and power (CCHP) system driven by biomass from a presumed solid municipal waste and compared it to a solid oxide fuel-cell power generation system. They found a 50% increase in the efficiency and 64% decline in CO 2 emission due to the integration of cooling and heating systems. Nami et al. [55] also investigated the thermodynamic and environmental performance of a combination of a conventional waste-driven combined heat and power system and a large-scale absorption chiller, providing a district cooling system. The combined system’s energy and electrical efficiencies showed 12% and 1.3% improvements, respectively, and a 446 kg/GJ reduction in CO 2 emission.
In the waste- and biomass-fired power plants, both the normal steam-based Rankine cycle and the organic Rankine cycle (ORC) are implemented. However, for plants below 2 MW, ORC is preferred for its better technical performance, and economic efficiency [56]. The ORC and its applications in energy conversion have been studied in several studies. Borsukiewicz-Gozdur et al. [57] investigated the performance of an ORC-based CHP plant fuelled by agriculture and forest residue biomass. The results showed that the system could be adjusted to fulfil the plant investor’s needs and expectations by proper choice of working fluid and the regeneration variant. Qiu et al. [58] examined an experimental biomass-fired ORC-based micro-CHP system. They achieved an efficiency of about 80% for the CHP system. Carraro et al. [59] proposed a cogeneration system based on a biomass boiler and an ORC unit for microgrid applications. They achieved energy utilisation factors of 62% and 93% for cogeneration and ORC systems. Algieri and Morrone [60] analysed the energetic performance of a biomass-based small-scale ORC system working in sub-critical and trans-critical conditions. They then optimised the system to exploit pruning residues of peach trees in the Sibari district (Southern Italy). Algieri and Morrone [61] further performed an energetic analysis on biomass-fuelled, ORC-based small-scale CHP systems. Their analysis highlighted the significant effects of the maximum temperature and thermal regeneration on the main CHP performances. In addition, they investigated the economic feasibility of utilising this system for domestic users in Southern Italy. Their results showed that the biomass-fired, ORC-based CHP system is an attractive and efficient solution for the residential sector. Finally, Mahmoudan et al. [62] investigated the performance of a combined cooling and power system consisting of a coupled ORC–vapour-compression refrigeration system and realised that the integrated system has 46% energy efficiency and an exergy cost of 50 $ GJ .
While the potential of biomass from agriculture residue and household waste as energy resources for islands has been investigated in the literature, the scale of their collective potential has yet to be considered. On the other hand, although the combined generation of energy and cooling power has been studied in several articles, the generation of cooling power for cold storage needs has not been a part of these studies. Finally, a socioeconomic point of view is absent in most of the reviewed literature. In other words, integrating the proposed solutions into the community’s economic structure has received little attention. This analysis indicates a gap that this study attempts to fill by focusing on the case of Tonga.

1.3. Scope of This Work

This paper investigates the technical and economic feasibility of utilising the solidwaste stream and agricultural residue biomass as energy resources for the cogeneration of electricity and cooling power in different district communities of an island state. Our case study examines the Kingdom of Tonga, a Polynesian archipelago in the Pacific region. We first estimate the potential of the biomass from planted areas, a presumed fraction of fallow lands and the waste stream for energy generation, and each district’s cooling and electricity demand. To this end, we use available data on agricultural land use, the mass and types of cultivated crops and the population. We then determine the size of each district’s combined cooling and power units. The fuel is a mixture of household waste and agricultural residue. Therefore, we consider the direct burning of fuel. Other methods of utilising biomass, mainly anaerobic digestion, are spared for future studies. Furthermore, since the electricity demands in different districts are below 2 MW, we consider ORC power generation units rather than steam power plants. Then, we develop a simulation to evaluate the proposed units’ performance and resource requirements over one year of operation under the districts’ ambient climatic conditions. Finally, the proposed units’ economic feasibility and contribution to Tonga’s sustainability are discussed and evaluated.
This study adds knowledge to previous work as follows:
1.
We focus on the refrigeration and export potential enabled by the cooling energy, whereas most of the prior studies have focused on air conditioning.
2.
We investigate the suitability of utilising both the solid-waste stream and biomass from agriculture residue for driving cold storage under the ambient climatic conditions of an island.
3.
We consider a distributed electricity generation system driven by biomass and solid-waste-stream resources that are usually abundantly available.
4.
We provide a semi-circular economic model in which waste from both consumption and agriculture supplies the energy for subsistence and an improved agriculture-based economy.
5.
In addition to our technical and economic analysis, we also discuss a suitable business model for implementing the proposed solutions.

2. Methods

In this section, we first describe the general scheme of our proposed system. Then, we detail the methods of our technical and economic calculations.

2.1. General Description

This paper proposes a distributed generation system for different Tongan districts, including combined cooling and power (CCP) units driven by the residue from agriculture and the waste stream as fuel. The system generates household electricity and provides cooling power for running a cold storage facility in each district. To this end, we first estimate the energy potential of biomass and the waste streams in different districts. Then, we develop a simulation to evaluate the hourly performance of the system in the ambient conditions during one year of operation. Finally, we analyse the economic feasibility of the system.
Our proposed CCP unit includes a power generation sub-unit based on an organic Rankine cycle (ORC) driven by the direct combustion of biomass and waste. The waste heat from the exhaust of the combustion process is then recovered (plus additional heat from direct combustion if necessary) and utilised for powering an absorption chiller that maintains the temperature of two cold rooms, one operated at −20 °C (cold store) and the other at 3 °C (cool-store). These two storage rooms’ capacities are determined by the masses of crops and fish that need to be preserved.
The fuel is estimated based on the amount of residue from harvested crops of both currently exploited lands and a presumed fraction of fallow lands, and the waste generation rate. We also consider using diesel fuel in case of a lack of primary fuel. The general schematic of a CCP unit is illustrated in Figure 2.
We then proceed with a cost-benefit analysis by considering the savings from less diesel consumption and gains from service charges to preserve crops. Then, we assume that a loan meets the capital cost with a specific rate of return. This assumption enables us to calculate a minimum service charge for the cooling facility to pay back the initial investment.

2.2. Availability of Primary Fuel

This section estimates the amount of available fuel for our proposed CCP units. The fuel consists of the agriculture residue biomass and waste stream. For the biomass, we consider residue from both currently exploited land and a presumed fraction of fallow land.

2.2.1. Biomass

For each crop, the yield is obtained from
Y crop = λ crop Γ crop ,
where Γ is the area of both current and prospective exploited lands, and λ is the average yield of the crop per unit of the area of land. Then, we calculate the energy potential of the plant residue from
H crop = σ crop Y crop β bm ,
where σ crop is the ratio of the dry matter of residue to the yield and β bm is the energy value of the biomass.

2.2.2. Waste

For the estimation of the energy potential of a waste stream, we used
H w = 365 ζ p β w ,
where ζ is the average daily rate of waste generation per person, p is the population, and β w is the energy value of waste.
Table 3 shows the average composition of the waste stream of Vava’u in 2012, with an average generation rate of 0.5 kg person . day [43]. We assume that this information is also applicable to other regions of Tonga. Since metals, glass, and ceramics are not combustible, we excluded them from our calculations. Therefore, the rate ζ of waste generation in our work is 0.43 kg person . day .

2.2.3. Bio-Waste Energy Content

We assume that the waste and biomass used as fuel each year are collected in the previous year, cut into small pieces and homogeneously mixed. We also consider the effect of the moisture content of biomass and waste on their energy values. For dry biomass, we consider a conservative energy value ( β b m , d r y ) of 17.24 MJ/kg that is related to forest residue [63], and for dry waste, this value ( β w , d r y ) is 6 MJ kg [46]. However, the moisture content influences the energy value since excess energy is required for the evaporation of this water. To account for this, we used a correlation derived from Graham et al. [63].
β = β d r y ( 1 1.13 ν ) ,
where ν is the moisture content of the biomass. This study assumes a moisture content of 20% for the whole fuel mixture. The total energy value of the resulting bio-waste fuel is obtained from
β total = β bm ω bm + β w ω w ω bm + ω w ,
where ω is mass.

2.3. Electricity Generation

We consider covering a fraction of the total electricity demand of the population living in each district using an organic Rankine cycle (ORC) unit.

2.3.1. Electricity Demand

Table 4 illustrates the billed electricity consumption of Tongatapu in 2015 for about 79,000 people. We used the hourly load curves related to the one-year operation of the power station in Tongatapu from January to December 2019 [64] as the generic consumption rate in all districts.
The demand to be supplied by the CCP facility is obtained from
E ( t ) = ϵ E max , pp p D ( t ) ,
where ϵ is the fraction of total electricity demand to be supplied by the CCP unit; E max , pp is the peak electricity demand per person, which equals 121 kW; and D ( t ) is the load fraction at time t [39].

2.3.2. ORC Unit

The ORC is increasingly employed for small-scale electricity generation from biomass and waste for its better economic efficiency than steam power plants. Appendix A.1 gives a general description of the ORC system. If the ORC’s hot and cold source temperatures are effectively kept at the design conditions, a heat-to-electricity efficiency ( μ ) of 24% is expected [66]. We assume that the ORC unit always works under design conditions. In case the bio-waste fuel is exhausted, we consider using diesel fuel to run the generation process. We also consider 5% surplus generation that accounts for parasitic loads. Therefore, the gross electricity production is
E gross ( t ) = 1.05 E ( t ) .
The thermal power input required for supplying the determined demand at any time is then obtained from
P ORC ( t ) = E gross ( t ) μ .

2.3.3. Evaluation of the Flue Gas and Required Fuel

While fuel combustion provides heat for the ORC unit, it also produces flue gas that contains the remainder of the calorific energy. We utilise this “wasted” heat for running an absorption chiller that provides cooling power for the cooling facility.
We obtain the energy content of the flue gas by
P fg ( t ) = V ˙ fg ρ fg c p , fg ( T fg T amb ) ,
where V ˙ fg , ρ fg c p , fg and T fg are the volume flow rate, density, heat capacity and temperature of the flue gas, and T amb is the ambient temperature. We assume that T fg is maintained at 500 °C.
For the volume flow rate of the flue gas, we use
V ˙ fg = P fuel ( t ) / ϕ fuel ,
where P fuel ( t ) is the total power output of the combustion process and ϕ fuel is the fuel factor:
ϕ fuel = ψ fuel β fuel ,
where ψ is the stoichiometric volume of the flue gas. The fuel factor for both dry biomass and solid waste is 2.56 [63]. However, the moisture content influences this factor. To account for the effect of the moisture, we derived a correlation using the data provided by Graham et al. [63]
ψ = ψ dry ( 1 ν ) ,
Now, we have
P total ( t ) = P fg ( t ) + P ORC ( t ) ,
and
m ˙ fuel , ORC ( t ) = P total ( t ) β t o t a l ,
where m ˙ fuel is the mass flow rate of the fuel fed to the ORC unit for electricity generation.

2.4. Cooling Facility

The cooling part of the CCP facility consists of two storage areas: one cold store operated at −20 °C and one cool store operated at 3 °C. We first estimate the capacity required for each storage area, then calculate the heat load and the capacity of the required chiller.

2.4.1. Storage Capacity

Some of the crops, such as cassava and yam, are assumed to be preserved in a freezing temperature of −20 °C, considering the export market for frozen cassava and yam; and other crops, such as sweet potato and taro, only need a chilling temperature of around 3 °C.
Assuming that the existing cultivated land is necessary for the subsistence of the islanders and given that for the local market, there has not been much need for a cooling service, we make the following assumptions:
  • A specific fraction of fallow land in each district is utilised ( θ ).
  • Only the five most planted annual crops are planted in the utilised fallow lands.
  • The land area devoted to each crop is at the same proportion as the yield of currently utilised lands.
  • Only the prospective yield of fallow lands and the caught fish are preserved in the cold stores.
  • All the crops preserved in the cold stores are destined for export markets.
  • The cultivation is practised homogeneously all over the year. It means we have the same cultivated crops at any time.
  • The preservation period is 12 days for frozen and five days for chilled crops.
Caught fish is also considered to be preserved by freezing. The amount of fish caught in 2018 is given in Table 2. The data were interpolated based on the total annual fish catch, the number of households involved in fishing activities and the population of the district [6,36]. We assume this amount is caught homogeneously every week and preserved in the cooling facility for one week.
For the dimensions of the cold rooms, we consider two stowage factors for the area ( α = 2.45 m 2 t ) and the volume ( δ = 11.6 m 2 t ) of the rooms [67,68]. These factors are relatively high and correspond to small-scale cold rooms. For larger scales, these values are considerably smaller. Thus, this is a conservative estimation of the dimensions of the cold rooms. We also assume that the rooms are close to a square in shape. Therefore,
L coldroom = W coldroom = α M preserved ,
and
Π coldroom = δ L coldroom W coldroom ,
where L, W and Π are the cold room’s length, width and height; and M is the mass of the preserved material. Further, we consider a minimum height of 5 m for the cold room.

2.4.2. Heat Load

We calculated the cold rooms’ heat load considering the heat leakage from walls, heat generation from lights and fans and infiltration of outside air into the cold room. To this end, we used the method explained in our previous work [69]. We also investigated the effect of the bio-waste-fired boiler’s proximity to the cold store. To this end, to avoid the issue’s complexity, we considered the worst-case scenario. The maximum combustion temperature inside the boiler would be 950 °C [66]. Without dealing with the complication of the design of the boiler, we used the experimental results of Pan and Sumerville [70], where the temperature of the outer surface of a Siromelt furnace for this range of temperature was below 150 °C. The temperature above the core of the boiler gradually drops; still, we assumed that a surface of 3 m × 4 m radiates at the same temperature (we ignored the heat transfer by convection, since the boiler was assumed to be in an open area). We also assumed that one of the cold-store walls is parallel to this surface and exposed to heat radiation. Using the correlation derived by Ivanova and Muneer [71], for a 10m distance between the surfaces, the maximum rate of heat radiation hitting the wall of the cold store at the average ambient temperature is 24 W m 2 . Suppose there is no reverse radiation or dissipation of heat into the environment. In that case, this power can increase the temperature of a 10 cm layer of concrete by 0.35 °C. Compared to other sources of heat leakage into the cold store, this amount of heat is small enough to be neglected. Further, as mentioned, this condition is the worst-case scenario and can easily be avoided by proper design. Therefore, we ignore the thermal effect of the boiler’s proximity to the cold store in our heat load calculations.

2.4.3. Chiller

We propose using an absorption chiller to convert the heat recovered from the flue gas into cooling power for maintaining the cold rooms at the required temperatures. A general description of the absorption chiller’s function is given in Appendix A.2. The cold rooms’ heat load governs the required cooling capacity and the size of the absorption chiller. For this, we use the coefficient of performance (COP) of the chiller, defined as [72]
C O P ch = P C , ch P H , ch ,
where P C , ch is the cooling power provided by the chiller and P H , ch is the input heating power.
The COP of the chiller depends on the temperature of hot water that imports the heat into the chiller. On the other hand, the hot water temperature should be above a certain level for normal operation of the chiller at a given output temperature. For a typical ammonia absorption chiller operating at −20 °C, the required temperature of hot water and the COP are 145 °C and 45% [69,73].

2.4.4. Heat Recovery and Chiller Energy Supply

Given the characteristics of the chiller, we designed a heat exchanger to recover the thermal energy of the flue gas and heat the water entering the chiller. The heat exchanger’s design method is described in our previous work [69]. We also consider using direct heat from the combustion chamber if the recovered heat is insufficient for running the chiller. We obtain the amount of additional fuel used for this purpose through
m ˙ fuel , extra ( t ) = P H , ch ( t ) P fg , rec ( t ) β total ,
where P fg , rec ( t ) is the power recovered from the flue gas.
Based on the method explained above, we developed a simulation to investigate the technical performance of the proposed system in different districts. This simulation ran for a simulated year based on the electricity demand pattern obtained from the power station’s empirical data in Tongatapu. We assumed that the same pattern applies to the other regions of Tonga. We also used Tongatapu’s hourly ambient temperature data for all districts. The main outputs of the simulation are the remaining fuels and the required excess diesel fuel.

2.5. Cost–Benefit Analysis

We developed a cost-benefit analysis to study the economic feasibility of the proposed system. One output of this analysis is the payback period of the project. We assumed that the Tongan government owns the project. Based on the assumption of an investment loan, we calculated the minimum charges for cooling service and electricity to compensate for the costs.

2.5.1. Costs

The costs include the capital required for building the CCP units and the variable costs necessary for their operation.

Capital Costs

The project’s capital costs include the costs of the ORC units, the construction of cold-store and cool-store buildings, and the absorption chillers. For the ORC unit, we used an empirical correlation between the capacity of the unit and the capital cost per unit of electric power based on the curve given by Glenting et al. [66]:
C S T ORC = κ E capacity ,
where
κ = 1460 0.45 ( E capacity ) 0.086 0.26 .
In Equations (19) and (20), E capacity is the capacity of the ORC unit in MW and C S T ORC is the capital cost of the ORC unit. For the capital cost of the storage buildings, we made a rough estimate of 1100 AU $ m 2 . This factor was obtained from construction agents in Nauru [74], and we assumed that the same price applies to Tonga. We also considered all the surfaces to be insulated by polystyrene with a thickness of 22.5 cm and average thermal conductivity of 0.035 W mK , giving a heat transfer coefficient of 0.16 W m 2 . The cost of this insulator (112.5 AU $ m 2 ) was also added to the construction cost [75].
For the capital cost of the absorption chiller, we used a correlation between the cost of the system and the cooling capacity of the chiller derived for a range of output temperatures and cooling capacities (in AU$), introduced in our previous work [69]:
C S T ch = 1.6 ( 0.09 P C , ch 0.63 T ch 2 21.37 T ch + 323.4 ) ,
where P c and T ch are the cooling power and the output temperature of the chiller.
Variable Costs
The variable costs include the costs of operation and maintenance and the wages of the personnel. For operation and maintenance costs, we considered a fixed rate of 2.5% of the capital cost and a variable rate of 15 AU $ MWh [66]. For the personnel, we considered two persons for the ORC and chiller unit, plus one person per 1000 m 2 of cold stores. Since both biomass and waste stream are collected locally, we ignore fuel transportation costs.

2.5.2. Benefits

The benefits of the project include the following:
  • the savings in consumption of diesel fuel for electricity generation;
  • the income from sales of the generated electricity with the current electricity tariff;
  • the income from a service charge for the preservation of crops in the cold storage facilities.

Savings

By generating electricity from bio-waste fuel, we reduce the need for generation by diesel fuel. Furthermore, the transmission network of Tonga experiences about 11% loss, which will not be the case for a generation of electricity close to the consumption point. This fact will result in a further reduction in diesel consumption. We consider these reductions as a saving in the costs of importing diesel fuel. The price of diesel was assumed at the tax and duty excluded wholesale rate of the year 2019 (1.35 AU $ litre ) [76].

Sales of Electricity

Currently, for the consumption rate of less than 100 kWh, a life line tariff (LLT) of 0.70 TOP kWh (0.45 AU $ kWh ) is applied, which increases to about 0.81 TOP kWh for the consumption rates above the threshold. We considered the income from sales of the generated electricity at the LLT level as a part of the benefits.

Cooling Service Income

We assumed that all the crops cultivated from the prospective exploitation of fallow land would be preserved in the cold rooms. The service charge received for storing these crops is considered a further benefit of our project. We took the cost of electricity consumed for the crops’ cold storage as the service charge of business as usual. Thus, we converted the values reported by Young and Gonemaituba [77] for Fiji, considering the difference in the price of electricity in Fiji and Tonga. The resulting service charges are 8.7 AU $ t . day for the frozen crops and 5.9 AU $ t . day for the chilled crops.

2.5.3. Payback Period

Assuming an inflation rate of 3.6% (for the year 2018 [78]), we calculated the whole project’s payback period. The payback period is the primary economic indicator of our feasibility analysis. We used
C S T capital + t = 0 t PB C S T an ( 1 + r ) t = t = 0 t PB B N F an ( 1 + r ) t ,
where C S T capital and C S T an are the capital and annual costs, B N F an is the annual benefit, r is the inflation rate, t is the time variable and t PB is the payback period.

2.5.4. Minimum Service Charges

We assumed that an investment loan provides the capital cost with a 1.5% interest rate and a 32-year payback period (like the ones offered by Asian Development Bank [79]). Such an investment requires annual payback in addition to the expenses of operation and maintenance of the facilities. To cover all these expenses, we consider two types of service charges to be collected from the users:
1.
Bio-waste electricity charge ( AU $ kWh );
2.
Cooling service charge ( AU $ kg . day )
For the electricity, we assumed the current LLT rate (0.45 AU $ kWh ). Then, we calculated the minimum required cooling service charge for compensation of all costs.

2.6. Selecting the Optimum Case

We ran the developed simulation for several fractions of fallow land exploitation ( θ ) and electricity supply rate ( ϵ ), and we found the payback period of the CCP unit of every district in each case. The selected case for each district must meet the following criteria:
  • We only considered the cases with maximum bio-waste fuel exploitation and no additional diesel consumption. We call these cases optimum-no-diesel (OND) cases.
  • A payback period of 20 years was assumed as the threshold, beyond which the unit was considered uneconomic.
  • The case with the maximum fallow land exploitation in each district is favoured amongst others.

3. Results and Discussion

3.1. Overall Results

Table 5 shows the results of OND cases for all districts and between 0 and 50% of fallow land exploitation. In all districts, as θ increases, the potential of electricity generation with bio-waste fuel also increases since more agriculture residue is available.
The payback periods of the OND cases are illustrated in Table 6. In six districts, no case exists with a payback period below 20 years. Furthermore, in one district, Niuatoputapu, only electricity generation (without any cooling service) is economically acceptable. However, a complete CCP unit is viable in the rest of the districts.
The selected cases are marked in bold in Table 5 and Table 6. These cases have the maximum ORC unit and cold-storage capacities and a less than 20-year payback period.
Figure 3 shows the capacities of the ORC units. Since about 75% of the Tongan population live in Tongatapu, and also because of the island’s significantly higher area of agricultural lands compared to other islands, more bio-waste fuel is available. Therefore, the ORC units on this island have remarkably larger capacities (from 410 kW e Kolovai up to 920 kW e in Vaini) compared to the units in other regions that are all below 200 kW e .
The proportion of the total electricity demand in each district supplied by bio-waste fuel is illustrated in Figure 4. This proportion is related to the total electricity demand and the availability of resources in the districts. In all districts where an ORC unit is economically feasible, more than 19% of the demand (even up to 77% in Kolovai) is supplied. As a dispatchable generation unit, such a level of electricity supply is very important for Tonga’s plans for the substitution of diesel generators by renewable resources, such as solar and wind, to compensate for the intermittent nature of power generation.
Figure 5 presents the total area of cold rooms in different districts. In Tongatapu, with high availability of bio-waste fuel and fallow land, large cold-storage areas (between 270 m 2 in Kolovai and 910 m 2 in Vaini) are viable. However, in other regions, except for Neiafu (133 m 2 ), ’Eua Motu’a (130 m 2 ) and ’Eua Fo’ou (102 m 2 ), the cold-storage area would be below 100 m 2 .
The fuel’s moisture content effect is investigated in Figure 6 and Figure 7. If the fuel’s moisture content is 40% (instead of 20% that is presumed in this study), there would be between 22% and 45% less capacity for ORC units, and in two districts (Lulunga and Niuatoputapu), no electricity generation would be feasible. Furthermore, the cold-storage areas in various regions (except for Kolofo’ou, Kolomotu’a and Nukunuku) would be significantly lower, and no cold store would be feasible in four districts.
However, higher electricity generation and cold storage capacity would be feasible for zero moisture content. This means a 25% to 65% increase in electricity generation and an 11% to 300% increase in cold-storage capacity in various regions. Additionally, installing the ORC units (Pangaimotu and Motu) or a cold store (Niuatoputapu) would be viable in four districts.
The capital costs of the CCP units in each district are illustrated in Figure 8. The total investment cost for the whole units is AU$317 M, of which AU$257 M (81%) is related to the units in Tongatapu. The overall payback period of the whole project is 14.9 years.
The minimum service charge of the cooling facility for a diesel price of 1.35 AU $ litre is −0.2 c kg . day . This means that no service charge is required. However, the service charge depends on the price of diesel since it changes the savings from the substitution of diesel electricity generation. Figure 9 illustrates this dependency. A diesel price of 1.28 AU $ litre results in zero service charge, and for lower prices, the service charge is positive. However, even for a diesel price as low as 0.87 AU $ litre , the minimum required service charge is less than the service charge of business as usual.
Furthermore, the operation of the selected combination of the CCP units annually reduces diesel consumption for electricity generation by 7.4 million litres, corresponding to a 20-kilotonne reduction in annual carbon emissions. Additionally, assuming the diesel price corresponds to zero service charge (1.28 AU $ litre ), the reduction in diesel consumption provides a AU$9.5m annual decrease in diesel imports.
The waste stream incinerated in the CCP units amounts to 10,000 tonnes, reducing the need for landfill capacity. In addition, the non-incinerable waste fraction includes metals and glass, and at least the former has economic value. The glass fraction also can be used for road fill, as it is practised on Norfolk Island [80].
Finally, considering the profit margins of cassava, as a product exported in frozen form (9 cents per kilogram), and taro, as a product exported in the fresh form (27 cents per kilogram), reported by Young and Gonemaituba about Fiji [77], the cooling service provides about AU$10m export revenue for Tongan farmers. The main specifications of the selected case are given in Table 7.

3.2. An Example of Implications: The Case of ’Eua

To illustrate the implications of the proposed system, here we look at the improvements it brings to ’Eua. ’Eua is an island located about 20 km southeast of Tongatapu. The island has two districts (’Eua Fo’ou and ’Eua Motu’a) inhabited by 5250 people. While about 2000 hectares of agricultural land is available on the island, more than half (1140 hectares) is left uncultivated. The island’s electricity is currently supplied via two diesel generator units with a total capacity of about 600 kW, and a solar field with about 200 kW capacity. The solar field contributes 13% of the total electricity of the island. A new solar PV project is planned to be installed on the island, increasing the renewable energy capacity to 37% in the near future. The island does not have any cold storage. A public pack-house is built beside the power plant with a 350 m 2 storage area; however, this capacity was not used when we visited the island. Most of the farmers on the island produce for domestic use in ’Eua or Tongatapu. However, a few farmers produce for export; for this purpose, they need to conserve their products in the limited and expensive cold-storage areas in Tongatapu.
The results show that the proposed solution provides about 300 kW of electricity in two districts of ’Eua Motu a and ’Eua Fo’ou, which accounts for almost 43% of the total demand of the island. Given the prospective solar capacity (37%), 80% of the electricity will be supplied from sustainable sources. In addition, since the proposed system is dispatchable, it reduces the need for expensive battery storage systems to stabilise the electricity network and supply the baseload.
Further to the electricity, our solution promises a total of about 233 m 2 cold-storage area for the island that perfectly fits into the existing packhouses. Therefore, the construction costs of the storage buildings can be limited to the cost of insulating the walls. This storage area is enough to exploit about 20% of the total fallow land on the island, which we estimate will produce a total of AU$0.5 million in annual revenue for the farmers. On the other hand, the existence of the cold store makes it unnecessary for the island’s fishermen to obtain ice from Tongatapu.

4. Conclusions

In this paper, we examined the technical and economic feasibility of proposed CCP units fuelled by waste stream and agriculture residue for different districts of Tonga. The units are supposed to supply a fraction of the electricity demand of a district and provide enough cold-storage capacity for the yield of exploitation of a fraction of available fallow land.
The CCP units’ performance for different fractions of electricity demand and fallow land exploitation during one year of operation in the ambient condition was simulated, and the cases with maximum bio-fuel utilisation were distinguished. Then, the units’ economic feasibility was investigated. For each district, the case with less than 20 years payback period and maximum electricity generation and cold-storage capacities was identified as the optimum. Finally, a minimum service charge for cooling service to cover the costs of the whole project was discussed.
The results show that the optimum combination of the CCP units supplies 38% of the total electricity demand of Tonga and prevents the consumption of 7.4 million litres of diesel, which equals 20 kilotonnes of carbon emission. Furthermore, it provides 3700 m 2 of the cold-storage area to preserve crops and meet export market standards. Such capacity makes the exploitation of 3640 hectares of fallow land (27% of the total fallow land in Tonga) for the export market economically feasible. The results estimate an overall export revenue of about AU$10m for Tongan farmers. In addition, by the annual incineration of 10,000 tonnes of waste, the proposed system significantly reduces the need for landfill capacity.
The minimum service charge for cooling service varies as a function of the diesel price. For diesel prices above 1.28 AU $ litre , the minimum service charge is negative (no service charge is required). For lower prices of diesel, the service charge is positive, but even for prices as low as 0.87 AU $ litre , the minimum required service charge remains below the service charge of business as usual.
To sum up, the proposed CCP units:
  • address a significant fraction of the energy needs of Tonga, mainly by renewable resources, and reduce the annual diesel import and carbon emissions;
  • considerably reduce the need for landfill and waste disposal capacity;
  • provides a substantial cold-storage capacity that encourages the exploitation of fallow lands and boosts the export of agricultural products.
All these benefits result from matching an abundant source of energy (biomass from agriculture residue and waste stream) to the essential needs of residents of different districts (electricity and cold-storage capacity).
Such solutions can improve many countries’ self-sufficiency in the Pacific region, such as Fiji, Papua New Guinea, Solomon Islands, Vanuatu, Cook Islands and Samoa, through significant agricultural activities, high reliance on diesel electricity and considerable cooling use on their path towards sustainable development. However, for applying the proposed solution, the specific characteristics of each island state must be investigated. To this end, estimating the overall potential of biomass from agriculture and waste stream is necessary. Furthermore, in some cases, incorporating other energy-consuming demands, such as water desalination, could be prioritised for the cooling power demands. The best sustainable solution is always the best affordable match between the locally available sustainable resources and the essential needs of society.

Author Contributions

Conceptualization, M.Y. and M.L.; methodology, M.Y.; software, M.Y.; validation, M.Y., and M.A.T.; formal analysis, M.Y.; investigation, M.Y.; resources, M.Y. and M.L.; data curation, M.Y.; writing—original draft preparation, M.Y.; writing—review and editing, M.L. and M.A.T.; visualization, M.Y.; supervision, M.L.; project administration, M.Y.; funding acquisition, M.Y. and M.L. All authors have read and agreed to the published version of the manuscript.

Funding

This research received no external funding.

Institutional Review Board Statement

Not applicable.

Informed Consent Statement

Not applicable.

Data Availability Statement

Not applicable.

Acknowledgments

The authors would like to acknowledge the kind and strong support of the Tonga Family Health Association, without which this study would not have been possible. In particular, we would like to express our special gratitude to ’Amelia Tipaleli Hokafonu-Hoponoa and Sunia Havea. Furthermore, we would like to acknowledge and thank Ofa Sefana from the Department of Energy; Solomone Fifita from PCREEE; Nikolasi Fonua from TPL; Viliami Manu, the CEO of the Ministry of Agriculture, Food and Forests; Tahirih Hokafonu from the Department of Environment; and Manase Siua for their kind support and the valuable information for our study. This work was financially supported through a Postgraduate Research Support Scheme (PRSS) offered by the School of Physics of the University of Sydney.

Conflicts of Interest

The authors declare no conflict of interest.

Nomenclatur

The following abbreviations are used in this manuscript:
B N F Benefit (AU$)
C O P Coefficient of performance (-)
C S T Cost (AU$)
c p Specific heat capacity ( J kg . K )
DLoad fraction (-)
EElectric power (W)
HThermal energy (J)
LLength (m)
MMass (kg)
m ˙ Mass flow rate ( kg s )
PPower (W)
pPopulation
TTemperature (°C or K)
tTime (s)
V ˙ Volume flow rate ( m 3 s )
WWidth (m)
YYield of crops (kg)
Greek Letters
α Area stowage factor ( m 2 t )
β Energy value ( J kg )
Γ Area of both currently and prospective exploited lands ( m 2 )
δ Volume stowage factor ( m 3 t )
ϵ Electricity supply rate(-)
ζ Average daily rate of waste generation per person ( kg person . day )
θ Fallow land exploitation (-)
κ ORC capital cost per unit of generated electric power ( AU $ MW )
λ Average yield of the crop per unit of the area ( kg m 2 )
μ Heat-to-electricity efficiency (-)
ν Moisture content (-)
Π Height (m)
ρ Density ( kg m 3 )
σ Dry matter ratio (-)
ϕ Fuel factor (-)
ψ Stoichiometric air-fuel ratio (-)
ω Mass (kg)
Subscripts
ambAmbient
anAnnual
bmbiomass
CCold
capacityCapacity
chchiller
coldroomCold room
cropCrop
dryDry
fgFlue gas
fuelFuel
grossGross
HHot
maxMaximum
ORCOrganic Rankine cycle
PBPayback
parParasitic
ppPer person
preservedPreserved
recRecovered
totalTotal
wWaste

Appendix A

Appendix A.1. Organic Rankine Cycle

The organic Rankine cycle is a Rankine cycle in which an organic fluid is used as the working fluid instead of water. A simple diagram of an ORC is shown in Figure A1a. The working fluid is pumped to the evaporator, which receives heat from a hot stream and evaporates. Then, the vapour passes through an expander and produces mechanical work. Finally, the working fluid is condensed in the condenser for the next cycle. In Figure A1b, a recuperator is also integrated into the system to transfer a portion of the heat of the outlet of the expander to preheat the working fluid as it enters the evaporator.
The efficiency of ORC depends on the evaporator’s temperature, the condensing temperature and the utilised working fluid. The ORC is often used for extracting energy from low-grade and uncontrollable heat sources, such as solar energy or waste. Therefore, many studies have investigated its efficiency in off-design conditions [81,82,83,84], since the efficiency relies on the imposed working condition. However, in applications such as biomass- or waste-fired power generation, the working condition and efficiency could be maintained at the optimum point. The efficiency of an ORC plant can reach 24% [66,85].
Figure A1. The schematic of an organic Rankine cycle: (a) basic cycle; (b) with a recuperator.
Figure A1. The schematic of an organic Rankine cycle: (a) basic cycle; (b) with a recuperator.
Sustainability 15 00537 g0a1

Appendix A.2. Absorption Chiller

Absorption chillers directly use heat to generate cooling power. A solution of an absorber and a refrigerant conducts this process. The absorption chillers might work with different solutions as absorber–refrigerant pairs. The most regular pairs are lithium-bromide–water solutions, which can be used at as low as 7 °C, and water–ammonia solutions to reach temperatures as low as −20 °C.
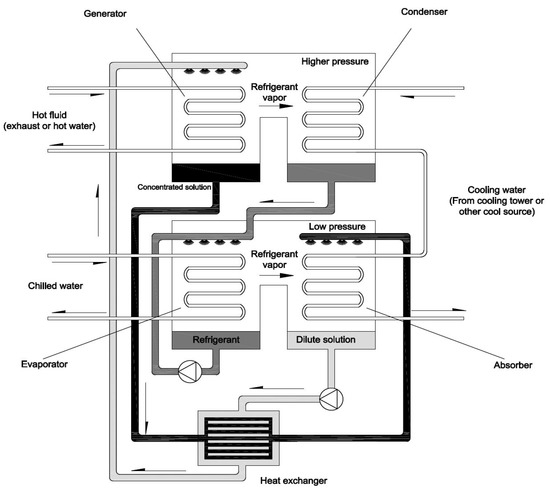
Figure A2 shows a single-effect absorption chiller’s basic schematic. A dilute solution of absorber and refrigerant is pumped from the absorber tank to the generator, where the refrigerant evaporates and separates from the solution by receiving heat from an external source. On its way back to the absorber, the remaining concentrated solution exchanges part of its heat with the fresh dilute solution. The refrigerant vapour generated in the generator then passes into the condenser, condensed by an external cooling source (such as cooling water from a cooling tower). Then, the condensed refrigerant passes to the evaporator. The evaporator’s pressure is significantly lower than the condenser, so the refrigerant evaporates as it enters. The vapour then condenses, absorbing the heat of a pipe that carries a fluid that is supposed to be cooled. The condensed refrigerant is pumped back into the evaporator to improve the cooling process. Finally, the refrigerant vapour goes back into the absorber to mix with the concentrated solution and prepare for the next cycle.
The absorption chiller’s performance is usually stated as the coefficient of performance (COP) given by the ratio of the cooling power provided by the chiller to the input heating power. The COP of the chiller is less for lower temperatures. The performance of simple (or single-effect) absorption chillers is less than one. However, double-effect chillers, which add a second-stage generator using the refrigerant vapour from the first stage, could reach COPs as high as 1.4. Nevertheless, more heat is required for double-effect absorption chillers.
Figure A2. The schematic of an absorption chiller.
Figure A2. The schematic of an absorption chiller.
Sustainability 15 00537 g0a2

References

  1. Asian Development Bank. Key Indicators for Asia and the Pacific 2018; Asian Development Bank: Manila, Philippines, 2018. [Google Scholar]
  2. Woodruff, A. An Economic Assessment of Renewable Energy Options for Rural Electrification in Pacific Island Countries; Pacific Islands Applied Geoscience Commission (SOPAC): Suva, Fiji, 2007. [Google Scholar]
  3. Chen, H.; Rauqeuqe, L.; Singh, S.R.; Wu, Y.; Yang, Y. Pacific Island Countries: In Search of a Trade Strategy; Technical report; International Monetary Fund: Washington, DC, USA, 2014. [Google Scholar]
  4. Mofor, L.; Isaka, M.; Wade, H.; Soakai, A. Pacific Lighthouses Renewable Energy Roadmapping for Islands; Technical report; International Renewable Energy Agency: Masdar City, United Arab Emirates, 2013. [Google Scholar]
  5. The World Bank. Rural Population (% of Total Population). 2018. Available online: https://data.worldbank.org/indicator/SP.RUR.TOTL.ZS (accessed on 8 April 2012).
  6. FAO; MAFFF; TSD. 2015 Tonga National Agricultural Census; Technical report; Ministry of Agriculture, Food, Forests and Fisheries (MAFFF): Nuku’alofa, Tonga, 2015.
  7. Goundar, S.; Bhushan, S.B.; Rayani, P.K. Architecture and Security Issues in Fog Computing Applications; IGI Global: Hershey, PA, USA, 2019. [Google Scholar]
  8. Pääkkönen, A.; Joronen, T. Revisiting the feasibility of biomass-fueled chp in future energy systems—Case study of the Åland islands. Energy Convers. Manag. 2019, 188, 66–75. [Google Scholar] [CrossRef]
  9. Jafar, M. Renewable energy in the south pacific—Options and constraints. Renew. Energy 2000, 19, 305–309. [Google Scholar] [CrossRef]
  10. Gregory, M.R. The hazards of persistent marine pollution: Drift plastics and conservation islands. J. R. Soc. N. Z. 1991, 21, 83–100. [Google Scholar] [CrossRef]
  11. Morrison, R.J.; Munro, A.J. Waste management in the small island developing states of the south pacific: An overview. Aust. J. Environ. Manag. 1999, 6, 232–246. [Google Scholar] [CrossRef]
  12. Evans, S.M.; Dawson, M.; Day, J.; Frid, C.L.J.; Gill, M.E.; Pattisina, L.A.; Porter, J. Domestic waste and tbt pollution in coastal areas of ambon island (eastern indonesia). Mar. Pollut. Bull. 1995, 30, 109–115. [Google Scholar] [CrossRef]
  13. Carden, Y.R. Solid waste-level rise on atoll nation states: A less publicised environmental issue in the republic of kiribati. Australas. J. Environ. Manag. 2003, 10, 35–45. [Google Scholar] [CrossRef]
  14. Eckelman, M.J.; Ashton, W.; Arakaki, Y.; Hanaki, K.; Nagashima, S.; Malone-Lee, L.C. Island Waste Management Systems. J. Ind. Ecol. 2014, 18, 306–317. [Google Scholar] [CrossRef]
  15. Skordilis, A. Modelling of integrated solid waste management systems in an island. Resour. Conserv. Recycl. 2004, 41, 243–254. [Google Scholar] [CrossRef]
  16. Mohee, R.; Mauthoor, S.; Bundhoo, Z.M.A.; Somaroo, G.; Soobhany, N.; Gunasee, S. Current status of solid waste management in small island developing states: A review. Waste Manag. 2015, 43, 539–549. [Google Scholar] [CrossRef]
  17. Chen, M.C.; Ruijs, A.; Wesseler, J. Solid waste management on small islands: The case of green island, taiwan. Resour. Conserv. Recycl. 2005, 45, 31–47. [Google Scholar] [CrossRef]
  18. Shamshiry, E.; Nadi, B.; Mokhtar, M.B.; Komoo, I.; Halimaton Hashim, S.; Yahaya, N. Integrated Models for Solid Waste Management in Tourism Regions: Langkawi Island, Malaysia. J. Environ. Public Health 2011, 2011, 1–5. [Google Scholar] [CrossRef] [PubMed]
  19. Hoornweg, D.; Bhada-Tata, P. What a Waste: A Global Review of Solid Waste Management; Urban development series; Knowledge Papers No. 15; World Bank: Washington, DC, USA, 2012. [Google Scholar]
  20. Lahtela, V.; Hyvärinen, M.; Kxaxrki, T. Composition of Plastic Fractions in Waste Streams: Toward More Efficient Recycling and Utilization. Polymers 2019, 11, 69. [Google Scholar] [CrossRef] [PubMed]
  21. Themelis, N.J.; Mussche, C. 2014 Energy and Economic Value of Municipal solid Waste (msw), Including Non-Recycled Plastics (nrp), Currently Landfilled in the Fifty. 2014. Available online: https://www.nswai.org/docs/2014%20ENERGY%20AND%20ECONOMIC%20VALUE%20OF%20MUNICIPAL%20SOLID.pdf (accessed on 16 March 2021).
  22. Tsiamis, D.A.; Castaldi, M.J. Determining Accurate Heating Values of Non-Recycled Plastics (NRP); Earth Engineering Center City, University of New York: New York, NY, USA, 2016. [Google Scholar]
  23. The World Bank. Agriculture, Forestry, and Fishing, Value Added (% of GDP)—Pacific Island Small States. Agriculture, Forestry, and Fishing, Value Added (% of GDP). 2018. Available online: https://data.worldbank.org/indicator/NV.AGR.TOTL.ZS?locations=S2 (accessed on 16 March 2021).
  24. The World Bank. GNI per Capita, PPP (Current International $). 2019. Available online: https://data.worldbank.org/indicator/NY.GNP.PCAP.PP.CD (accessed on 16 March 2021).
  25. Global Petrol Prices. Electricity Prices. 2020. Available online: https://www.globalpetrolprices.com/electricity_prices/ (accessed on 16 March 2021).
  26. Amit Jain. State of Plastics Waste in Asia and the Pacific- Issues, Challenges and Circular Economic Opportunities. In 10th Regional 3R and Circular Economy Forum in Asia and the Pacific (Series of Webinars); United Nations Centre for Regional Development: Nairobi, Kenya, 2020. [Google Scholar]
  27. Worldometers. Countries in the World by Population (2019). 2019. Available online: https://www.worldometers.info/world-population/population-by-country/ (accessed on 19 June 2021).
  28. The World Bank. Rural Population (% of Total Population); The World Bank: Washington, DC, USA, 2019. [Google Scholar]
  29. United Nations Population Fund. Population and Development Profiles: Pacific Island Countries. 2014. Available online: https://pacific.unfpa.org/sites/default/files/pub-pdf/web__140414_UNFPAPopulationandDevelopmentProfiles-PacificSub-RegionExtendedv1LRv2_0.pdf (accessed on 16 March 2021).
  30. CIA. Cook Islands. 2021. Available online: https://www.cia.gov/the-world-factbook/countries/cook-islands/ (accessed on 16 March 2021).
  31. CIA. Niue. 2021. Available online: https://www.cia.gov/the-world-factbook/countries/niue/ (accessed on 16 March 2021).
  32. Utilities Regulatory Authority of Vanuatu. Comparative Report: Pacific Region Electricity Bills. Technical report, Utilities Regulatory Authority of Vanuatu, Port Vila. 2019. Available online: https://prdrse4all.spc.int/sites/default/files/electricity_price_comparison_report_-_pacific_area_february_2019.pdf (accessed on 16 March 2021).
  33. Tonga Power Limited. Annual Report 2019; Technical report; Tonga Power Limited: Nuku’alofa, Tonga, 2019. [Google Scholar]
  34. Tonga Power Limited. Biomass Project: About Tonga’s Biomass Project in ’Eua. Available online: http://www.tongapower.to/OurBusiness/RenewableEnergy/BiomassProject.aspx (accessed on 22 April 2021).
  35. The Government of Tonga; The World Bank; IFAD; UNDP. The Kingdom of Tonga: Tonga Agriculture Sector Plan 2016–2020; The Government of Tonga; The World Bank Group; International Fund for Agriculture Development (IFAD); United Nations Development Program (UNDP): Nuku’alofa, Tonga, 2016.
  36. Ministry of Fisheries and The Government of the Kingdom of Tonga. Annual Report to the Commission Part 1: Information on Fisheries, Research, and Statistics, Tonga. In Fifteen Regular Session of the Scientific Committee; Pohnpei, Federated States of Micronesia; Western and Central Pacific Commission, Western and Central Pacific Commission: Nuku’alofa, Tonga, 2019. [Google Scholar]
  37. Arts, A.M.; Prescott, J.; Luxton, P. Tongan Agricultural Sector Diagnostic Study Final Report; The AgriChain Centre Limited: Auckland, New Zealand, 2018; p. 161. [Google Scholar]
  38. Ministry of Fisheries. Annual Report 2005; Technical report; Ministry of Fishery, The Government of the Kingdom of Tonga: Nuku’alofa, Tonga, 2005.
  39. Yousefzadeh, M. Personal Communication; The University of Sydney: Sydney, Australia, 2019. [Google Scholar]
  40. The Government of Tonga; The World Bank; IFAD; UNDP. The Kingdom of Tonga: Tonga Fisheries Sector Plan 2016–2024; The Government of Tonga; The World Bank Group; International Fund for Agriculture Development (IFAD); United Nations Development Program (UNDP): Nuku’alofa, Tonga, 2016.
  41. Lal, P.N.; Takau, L. Economic Costs of Waste in Tonga; SPREP: Apia, Samoa, 2006. [Google Scholar]
  42. Nutrition and Food Systems Division. Effects of Food Taxation in Tonga: A Snapshot; FAO: Rome, Italy, 2017. [Google Scholar]
  43. SPREP. Cleaner Pacific 2025, Pacific Regional Waste and Pollution Management Strategy 2016–2025. 2016. Available online: https://www.theprif.org/sites/default/files/documents/Cleaner%20Pacific-strategy-2025.pdf (accessed on 22 April 2021).
  44. Pacific Region Infrustructure Facility (PRIF). Tonga Profile in the Solid Waste Additionally, Recycling Sector; Pacific Region Infrustructure Facility (PRIF): Sydney, Australia, 2018. [Google Scholar]
  45. Woodruff, A. Solid Waste Management in the Pacific: Tonga Country Snapshot; Technical report; Asian Development Bank: Manila, Philippines, 2014. [Google Scholar]
  46. Waste Authority Limited of Tonga. Request for Proposals from Independent Energy from Waste Power Producers for the Financing, Installation and Operation of an Energy from Waste Plant for the Kingom of Tonga; Technical report; Waste Authority Limited of Tonga: Nuku’alofa, Tonga, 2018. [Google Scholar]
  47. Salomon, M.; Gonzalez, M.; Leal, E.; Martin, A.; Fransson, T. Energy potential of coconut and palm oil residues. In Proceedings of the 5th Dubrovnik Conference on Sustainable Development of Energy, Water and Environment System, UNESCO Sponsored, Dalmatia, Croatia, 30 September–3 October 2009. [Google Scholar]
  48. Chandra, V.V.; Hemstock, S.L. A biomass energy flow chart for fiji. Biomass Bioenergy 2015, 72, 117–122. [Google Scholar] [CrossRef]
  49. Miranda, M.L.; Hale, B. Waste not, want not: The private and social costs of waste-to-energy production. Energy Policy 1997, 25, 587–600. [Google Scholar] [CrossRef]
  50. Miranda, M.L.; Hale, B. Paradise recovered: Energy production and waste management in island environments. Energy Policy 2005, 33, 1691–1702. [Google Scholar] [CrossRef]
  51. Zsigraiová, Z.; Tavares, G.; Semiao, V.; Carvalho, M.d.G. Integrated waste-to-energy conversion and waste transportation within island communities. Energy 2009, 34, 623–635. [Google Scholar] [CrossRef]
  52. Pirotta, F.J.C.; Ferreira, E.C.; Bernardo, C.A. Energy recovery and impact on land use of maltese municipal solid waste incineration. Energy 2013, 49, 1–11. [Google Scholar] [CrossRef]
  53. Barigozzi, G.; Perdichizzi, A.; Ravelli, S. Performance prediction and optimization of a waste-to-energy cogeneration plant with combined wet and dry cooling system. Appl. Energy 2014, 115, 65–74. [Google Scholar] [CrossRef]
  54. Gholamian, E.; Zare, V.; Mousavi, S.M. Integration of biomass gasification with a solid oxide fuel cell in a combined cooling, heating and power system: A thermodynamic and environmental analysis. Int. J. Hydrog. Energy 2016, 41, 20396–20406. [Google Scholar] [CrossRef]
  55. Nami, H.; Arabkoohsar, A.; Anvari-Moghaddam, A. Thermodynamic and sustainability analysis of a municipal waste-driven combined cooling, heating and power (cchp) plant. Energy Convers. Manag. 2019, 201, 112158. [Google Scholar] [CrossRef]
  56. Guercio, A.; Bini, R. Biomass-fired organic rankine cycle combined heat and power systems. In Organic Rankine Cycle (ORC) Power Systems; Elsevier: Amsterdam, The Netherlands, 2017; pp. 527–567. [Google Scholar]
  57. Borsukiewicz-Gozdur, A.; Wiśniewski, S.; Mocarski, S.; Bańkowski, M. Orc power plant for electricity production from forest and agriculture biomass. Energy Convers. Manag. 2014, 87, 1180–1185. [Google Scholar] [CrossRef]
  58. Qiu, G.; Shao, Y.; Li, J.; Liu, H.; Riffat, S.B. Experimental investigation of a biomass-fired orc-based micro-chp for domestic applications. Fuel 2012, 96, 374–382. [Google Scholar] [CrossRef]
  59. Carraro, G.; Bori, V.; Lazzaretto, A.; Toniato, G.; Danieli, P. Experimental investigation of an innovative biomass-fired micro-orc system for cogeneration applications. Renew. Energy 2020, 161, 1226–1243. [Google Scholar] [CrossRef]
  60. Algieri, A.; Morrone, P. Comparative energetic analysis of high-temperature subcritical and transcritical organic rankine cycle (orc). a biomass application in the sibari district. Appl. Therm. Eng. 2012, 36, 236–244. [Google Scholar] [CrossRef]
  61. Algieri, A.; Morrone, P. Energetic analysis of biomass-fired orc systems for micro-scale combined heat and power (CHP) generation. a possible application to the Italian residential sector. Appl. Therm. Eng. 2014, 71, 751–759. [Google Scholar] [CrossRef]
  62. Mahmoudan, A.; Samadof, P.; Sadeghzadeh, M.; Jalili, M.; Sharifpur, M.; Kumar, R. Thermodynamic and exergoeconomic analyses and performance assessment of a new configuration of a combined cooling and power generation system based on ORC–VCR. J. Therm. Anal. Calorim. 2021, 145, 1163–1189. [Google Scholar] [CrossRef]
  63. Graham, D.; Harnevie, H.; Beek, R.V.; Blank, F. Validated Methods for Flue Gas Flow Rate Calculation with Reference to en 12952-15. Arnhem, The Netherlands, 31 January 2012. Available online: https://www.vgb.org/vgbmultimedia/rp338_flue_gas-p-5560.pdf (accessed on 8 June 2020).
  64. Yousefzadeh, M. Personal Communication; The University of Sydney: Sydney, Australia, 2020. [Google Scholar]
  65. Tonga Power Ltd. Tongatapu Monthly Usage. 2020. Available online: http://www.tongapower.to/Customers/MonthlyUsuage/TongatapuMonthlyUsage.aspx (accessed on 8 June 2020).
  66. Glenting, C.; Jakobsen, N. Converting Biomass to Energy: A Guide for Developers and Investors; World Bank Group: Washington, DC, USA, 2017. [Google Scholar]
  67. Graham, J. Planning and Engineering Data. 3: Fish Freezing; FAO Fisheries Circular (FAO): Rome, Italy, 1984. [Google Scholar]
  68. Rees, D.; Farrell, G.; Orchard, J. Crop Post-Harvest: Science and Technology, Volume 3: Perishables; John Wiley & Sons: Hoboken, NJ, USA, 2012; Volume 3. [Google Scholar]
  69. Yousefzadeh, M.; Lenzen, M.; Tyedmers, E.K.; Ali, S.M.H. An integrated combined power and cooling strategy for small islands. J. Clean. Prod. 2020, 276, 122840. [Google Scholar] [CrossRef]
  70. Pan, Y.; Somerville, M. Model Prediction of Heat Losses from Sirosmelt Pilot Plant. Proc. Inst. Mech. Eng. Part D J. Automobile Eng. 2015, 5, 83. [Google Scholar]
  71. Ivanova, S.; Muneer, T. Derivative view factors between parallel and non-parallel rectangular surfaces. In Proceedings of the International Jubilee Scientific Conference “75th Anniversary of UACEG”, UNIVERSITY OF ARCHITECTURE, CIVIL ENGINEERING AND GEODESY, Sofia, Bulgaria, 1–3 November 2017; p. 51. [Google Scholar]
  72. Dossat, R.J. Principles of Refrigeration; John Wiley & Son: Hoboken, NJ, USA, 1961. [Google Scholar]
  73. Colibri, b.v. Ammonia Absorption Technology. Available online: https://colibris.home.xs4all.nl/pdf{_}documents/english{_}docu/absorption{_}refrigeration{_}en.pdf (accessed on 1 March 2019).
  74. Yousefzadeh, M. Personal communication; The University of Sydney: Sydney, Australia, 2018. [Google Scholar]
  75. Tonga Power Ltd. Polystyrene Sheets—eps. 2020. Available online: https://www.foamsales.com.au/ (accessed on 15 June 2020).
  76. The Pacific Community (SPC). Pacific Fuel Price Monitor—January–March 2019 (Quarter1.2019); Technical report; The Pacific Community (SPC): Nouméa, French, 2019. [Google Scholar]
  77. Young, D.; Gonemaituba, W. Pacific Horticultural and Agricultural Market Access (PHAMA) Program: Cost Analysis of Root Crop Exports—Fiji, TR#118; Technical report; AECOM Services Pty Ltd.: Brisbane, Australia, 2018. [Google Scholar]
  78. International Monetary Fund (IMF). Inflation Rate, Average Consumer Prices. 2018. Available online: https://www.imf.org/external/datamapper/PCPIPCH@WEO/TON (accessed on 24 July 2020).
  79. Asian Development Bank (ADB). Lending Policies and Rates. 2020. Available online: https://www.adb.org/what-we-do/public-sector-financing/lending-policies-rates (accessed on 24 July 2020).
  80. Lenzen, M. Sustainable island businesses: A case study of Norfolk Island. J. Clean. Prod. 2008, 16, 2018–2035. [Google Scholar] [CrossRef]
  81. Quoilin, S.; Aumann, R.; Grill, A.; Schuster, A.; Lemort, V.; Spliethoff, H. Dynamic modeling and optimal control strategy of waste heat recovery organic rankine cycles. Appl. Energy 2011, 88, 2183–2190. [Google Scholar] [CrossRef]
  82. Yousefzadeh, M.; Uzgoren, E. Mass-conserving dynamic organic rankine cycle model to investigate the link between mass distribution and system state. Energy 2015, 93, 1128–1139. [Google Scholar]
  83. Liu, C.; Gao, T. Off-design performance analysis of basic orc, orc using zeotropic mixtures and composition-adjustable orc under optimal control strategy. Energy 2019, 171, 95–108. [Google Scholar]
  84. Wang, J.; Yan, Z.; Zhao, P.; Dai, Y. Off-design performance analysis of a solar-powered organic rankine cycle. Energy Convers. Manag. 2014, 80, 150–157. [Google Scholar]
  85. Quoilin, S.; Broek, M.V.D.; Declaye, S.; Dewallef, P.; Lemort, V. Techno-economic survey of organic rankine cycle (orc) systems. Renew. Sustain. Energy Rev. 2013, 22, 168–186. [Google Scholar] [CrossRef]
Figure 1. The map of Tonga and its divisions.
Figure 1. The map of Tonga and its divisions.
Sustainability 15 00537 g001
Figure 2. General schematic of the CCP units: (a) ORC power generation unit; (b) heat recovery and cooling unit. (The boiler exhaust at the top left of panel (a) is linked to the boiler exhaust at the bottom right of panel (b)).
Figure 2. General schematic of the CCP units: (a) ORC power generation unit; (b) heat recovery and cooling unit. (The boiler exhaust at the top left of panel (a) is linked to the boiler exhaust at the bottom right of panel (b)).
Sustainability 15 00537 g002
Figure 3. The capacity of the ORC units in different districts of Tonga.
Figure 3. The capacity of the ORC units in different districts of Tonga.
Sustainability 15 00537 g003
Figure 4. The fraction of bio-waste electricity of total demand in different districts of Tonga.
Figure 4. The fraction of bio-waste electricity of total demand in different districts of Tonga.
Sustainability 15 00537 g004
Figure 5. The area of cold storage units in different districts of Tonga.
Figure 5. The area of cold storage units in different districts of Tonga.
Sustainability 15 00537 g005
Figure 6. The capacity of the ORC units in different districts for 0%, 20% and 40% moisture content of bio-waste fuel.
Figure 6. The capacity of the ORC units in different districts for 0%, 20% and 40% moisture content of bio-waste fuel.
Sustainability 15 00537 g006
Figure 7. The cold-storage area in different districts for 0%, 20% and 40% moisture content of bio-waste fuel.
Figure 7. The cold-storage area in different districts for 0%, 20% and 40% moisture content of bio-waste fuel.
Sustainability 15 00537 g007
Figure 8. The investment cost of the CCP units in different districts of Tonga.
Figure 8. The investment cost of the CCP units in different districts of Tonga.
Sustainability 15 00537 g008
Figure 9. The minimum cooling service charge as a function of diesel price.
Figure 9. The minimum cooling service charge as a function of diesel price.
Sustainability 15 00537 g009
Table 1. Electricity price and the scale of agriculture in various Pacific Islands.
Table 1. Electricity price and the scale of agriculture in various Pacific Islands.
CountryPopulation [27]Proportion of Rural Population [28,29]Share of Agriculture Forestry and Fishing in GDP [23,30,31]GNI per Capita [24,29]Minimum Electricity Tariff [32]
×1000%%AU$ AU $ kWh
Cook Islands15265.115,7600.56
Kiribati111.24628.659500.44
Marshall Islands592315.265200.43
Micronesia5457722.546600.68
Niue3.16023.5NA0.68
Palau17.7203.225,0600.31
Samoa198829.883200.38
Solomon Islands669.57629.735200.71
Tonga104.27717.189600.35
Tuvalu113816.579100.32
Vanuatu271.17516.542500.22
Table 2. The information of population, land use for top annual crops (2015) and fish catch (2018) for different districts of Tonga [6,36].
Table 2. The information of population, land use for top annual crops (2015) and fish catch (2018) for different districts of Tonga [6,36].
Cultivated Area for Top 5 Annual Crops (Hectares)
RegionPopulationCassavaYamYautiaSweet PotatoSwamp TaroFallow Land (Hectares)Fishf Catch (kg)
District
Tongatapu
Kolofo’ou19,648360.2142.973.334.074.1690.048,828
Kolomotu’a16,688341.6172.489.840.187.0642.041,472
Vaini13,239732.1293.8144.1121.8121.81969.632,901
Tatakamotonga7527382.4282.994.389.831.61421.618,706
Lapaha7816371.1414.0108.195.119.41638.019,424
Nukunuku8165698.9272.4220.6106.8113.3788.420,291
Kolovai4282416.0140.861.982.244.9520.010,641
Vava’u
Neiafu603665.666.819.013.015.0317.262,964
Pangaimotu140331.212.15.74.91.6326.014,635
Hahake243346.554.28.54.53.2570.425,380
Leimatu’a256160.344.524.322.313.0826.826,715
Hihifo223084.639.738.011.318.6472.423,262
Motu104135.619.84.96.51.6326.810,859
Ha’apai
Pangai Hp2518127.925.524.323.18.9471.622,477
Foa143357.110.911.39.74.0172.412,792
Lulunga111851.821.46.51.68.171.29980
Mu’omu’a64533.69.74.98.10.8165.25758
Ha’ano54123.93.21.64.90.429.64829
Uiha71236.08.96.54.56.1152.06356
’Eua
’Eua Motu’a296064.334.827.138.425.9714.47629
’Eua Fo’ou229253.431.238.028.737.2426.45908
Niuas
Niuatoputapu80449.033.219.411.317.8410.018,468
Niuafo’ou5548.516.26.57.34.9366.012,726
Table 3. Waste composition in Vava’u, 2012 [43].
Table 3. Waste composition in Vava’u, 2012 [43].
OrganicsPaperPlasticGlass and CeramicsMetalTextiles and RubberOther Residues
51.37.413.45.99.04.18.9
Table 4. Electricity consumption rates in Tongatapu (2015) [65].
Table 4. Electricity consumption rates in Tongatapu (2015) [65].
JanFebMarAprMayJunJulAugSepOctNovDec
Total billed electricity (MWh)3.63.94.13.43.43.63.63.33.83.73.44.4
Consumption per person per day (kWh)1.471.751.671.431.401.511.491.341.631.511.431.79
Table 5. OND cases for all the districts in Tonga.
Table 5. OND cases for all the districts in Tonga.
Fraction of Electricity Demand Supplied (%)Fallow Land Exploitation (%)
Region/District05101520253035404550
Tongatapu
Kolofo’ou15151616171718181819 [ 19 ] *
Kolomotu’a17181819192020212122 [ 22 ] *
Vaini373941434648505254 [ 56 ] * 58
Tatakamotonga404245475053 [ 55 ] * 58606365
Lapaha4345485153 [ 56 ] * 5962646770
Nukunuku55575859606263646667 [ 68 ] *
Kolovai60616365666870727375 [ 77 ] *
Vava’u
Neiafu1314141516161718 [ 19 ] * 1920
Pangaimotu **1619222528313437404346
Hahake18 [ 20 ] * 232629313437404346
Leimatu’a24 [ 29 ] * 333843475256616670
Hihifo2931 [ 34 ] * 3639424447495255
Motu **2428323640454953576166
Ha’apai
Pangai Hp303335 [ 38 ] * 40434648515356
Foa24 [ 26 ] * 272930323435373940
Lulunga27 [ 28 ] * 282930313132333434
Mu′omu′a **3336394346505457616568
Ha′ano **2526262728292930313132
Uiha **3133363841444750535558
’Eua
’Eua Motu’a273134 [ 38 ] * 42465054586266
’Eua Fo’ou313437394245 [ 48 ] * 51535659
Niuas
Niuatoputapu [ 53 ] * 596673808794100100100100
Niuafo′ou **2938485767778797100100100
(*) The selected cases; (**) the districts without any feasible case.
Table 6. Payback periods of OND cases for all the districts in Tonga (the cases with a payback period of more than 20 years are excluded).
Table 6. Payback periods of OND cases for all the districts in Tonga (the cases with a payback period of more than 20 years are excluded).
Payback Periods (Years)
Fallow Land Exploitation (%)05101520253035404550
Tongatapu           
Kolofo’ou4.05.56.78.08.910.110.711.812.913.3 [ 14 . 3 ] *
Kolomotu’a4.15.46.77.78.89.610.611.312.212.7 [ 13 . 6 ] *
Vaini4.17.09.411.413.114.716.117.418.5 [ 19 . 7 ] * 20.7
Tatakamotonga4.88.411.313.815.917.6 [ 19 . 3 ] * 20.722.123.224.3
Lapaha4.78.611.714.316.6 [ 18 . 5 ] * 20.321.723.324.525.5
Nukunuku4.86.27.58.69.610.511.412.212.813.5 [ 14 . 2 ] *
Kolovai5.97.99.511.012.313.514.515.516.417.3 [ 18 . 0 ] *
Vava’u   
Neiafu7.09.311.713.214.516.417.218.0 [ 18 . 8 ] * 20.220.7
Pangaimotu **20.129.034.237.640.042.143.844.846.146.947.4
Hahake10.6 [ 19 . 7 ] * 25.329.232.335.837.639.340.742.043.0
Leimatu’a9.0 [ 16 . 0 ] * 20.924.026.328.730.231.833.034.135.4
Hihifo9.113.8 [ 17 . 2 ] * 20.222.324.026.027.128.729.530.4
Motu **20.330.035.639.342.543.545.447.448.550.250.5
Ha’apai   
Pangai Hp8.312.716.3 [ 19 . 0 ] * 21.423.324.826.527.729.030.0
Foa14.2 [ 17 . 7 ] * 21.123.125.526.928.029.730.631.332.7
Lulunga16.9 [ 19 . 0 ] * 21.022.223.424.426.327.327.828.629.7
Mu′omu′a **30.036.540.943.446.147.348.049.650.150.651.9
Ha′ano **>10088.499.888.082.374.483.776.274.576.671.7
Uiha **27.233.236.440.141.342.343.344.044.646.246.6
’Eua   
’Eua Motu’a7.712.315.6 [ 18 . 1 ] * 20.021.522.823.924.825.726.4
’Eua Fo’ou8.711.513.715.617.018.3 [ 19 . 3 ] * 20.021.221.822.4
Niuas   
Niuatoputapu [ 16 . 7 ] * 25.030.534.638.141.143.545.549.352.455.5
Niuafo′ou **51.856.956.760.761.564.265.966.771.276.983.9
(*) The selected cases; (**) the districts without any feasible case.
Table 7. Specifications of the most economically feasible case of cooling services.
Table 7. Specifications of the most economically feasible case of cooling services.
Overall electricity generation capacity4.9 MW
The fraction of overall electricity demand covered38%
Prospective exploitation of fallow lands3640 hectares
Overall provided cold storage area3700 m 2
Capital cost$317 M
Amount of waste incinerated10,000 tonnes
Annual reduction in diesel consumption7.4 M litre
Annual reduction in CO 2 emission20,000 tonnes
ZSCDP *$1.28/litre
Payback period at ZSCDP15 years
Annual savings at ZSCDP$9.5 M
Expected annual export revenue$10 M
* ZSCDP: the diesel price that yields zero service charges.
Disclaimer/Publisher’s Note: The statements, opinions and data contained in all publications are solely those of the individual author(s) and contributor(s) and not of MDPI and/or the editor(s). MDPI and/or the editor(s) disclaim responsibility for any injury to people or property resulting from any ideas, methods, instructions or products referred to in the content.

Share and Cite

MDPI and ACS Style

Yousefzadeh, M.; Lenzen, M.; Tariq, M.A. Cooling and Power from Waste and Agriculture Residue as a Sustainable Strategy for Small Islands—A Case Study of Tonga. Sustainability 2023, 15, 537. https://doi.org/10.3390/su15010537

AMA Style

Yousefzadeh M, Lenzen M, Tariq MA. Cooling and Power from Waste and Agriculture Residue as a Sustainable Strategy for Small Islands—A Case Study of Tonga. Sustainability. 2023; 15(1):537. https://doi.org/10.3390/su15010537

Chicago/Turabian Style

Yousefzadeh, Moslem, Manfred Lenzen, and Muhammad Arsalan Tariq. 2023. "Cooling and Power from Waste and Agriculture Residue as a Sustainable Strategy for Small Islands—A Case Study of Tonga" Sustainability 15, no. 1: 537. https://doi.org/10.3390/su15010537

APA Style

Yousefzadeh, M., Lenzen, M., & Tariq, M. A. (2023). Cooling and Power from Waste and Agriculture Residue as a Sustainable Strategy for Small Islands—A Case Study of Tonga. Sustainability, 15(1), 537. https://doi.org/10.3390/su15010537

Note that from the first issue of 2016, this journal uses article numbers instead of page numbers. See further details here.

Article Metrics

Back to TopTop