Robust Control for Optimized Islanded and Grid-Connected Operation of Solar/Wind/Battery Hybrid Energy
Abstract
:1. Introduction
- The development of a unified non-linear sliding mode MIMO controller ensuring a compliant, efficient, reliable, with low complexity, and safe operation of the components of the HRES both in standalone and grid-connected modes of the microgrid.
- Ensuring a continuous power supply through the DC-DC buck/boost integrated ESS that allows power into and out of the battery with controlled charging and discharging operation.
- Obviation of redundant converter incorporation with the integration of wind/PV hybrid RES using a back-to-back (B2B) converter topology and direct interconnection of solar PV to the DC-bus, hence facilitating higher efficiency and reducing power losses.
- Formulation of autonomous MPPT operation for the solar and wind energy sources that is operable on the rotor side converter (RSC) and grid side converter (GSC) configuration of the B2B converter.
- Investigation and evaluation of the proposed control architecture to perform following function: (i) stabilize the DC-bus and load voltages under the fluctuations of the generated RES power; (ii) achieving MPPT operation from solar and wind energy sources; and (iii) maintaining the power balance of the HRES during both on-grid and off-grid operations.
2. Related Works
3. Mathematical Modeling
3.1. Wind Turbine Model
3.2. PMSG Model
3.3. Modeling of Solar PV Module
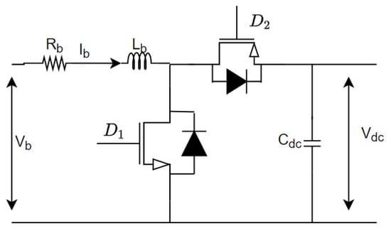
3.4. DC-DC Converter and Battery Modelling
3.5. GSC Modeling
3.6. Grid Side Modeling
3.7. Overall Model of the Hybrid Microgrid
3.8. MPPT Derivation
3.8.1. Wind Turbine MPPT
3.8.2. PV MPPT
4. Power Management
5. Control Design
- Harnessing the maximum power from the wind by optimally regulating the rotor speed, , to track the wind speed variations.
- Achieving a unity power factor operation at the PMSG stator terminals by controlling .
- MPPT operation of the PV module by controlling .
- Meet the load voltage requirement by controlling the and .
- Ensuring a smooth power management between the renewable energy sources, storage system, load and grid by controlling .
- Regulating the DC-bus voltage by controlling .
Calculation of the Reference Signals
- The is computed as follows:
- The can be generated as follows: The stator’s power factor angle must remain zero in order to obtain unity power factor. The PMSG’s stator current angle and voltage phase angle are expressed by the following equations [56]:Subsequently, is computed such that the following condition is satisfied.The value of is thus:
- is selected to be equal to the grid voltage so that the grid can easily synchronize with the microgrid at the point of common coupling.
- is selected such that the reactive power is very close to zero. It is calculated as follows:Assuming the GSC is ideal, then the active power along the two sides of the GSC are equal.Remark 4.Note that is the power received by the grid from the GSC as explained in (46) and is the control input of .From (53), can be derived as follows:
- is calculated by dividing in (47) with as follows:
- is set as the MPPT voltage of the PV module (). However, when the solar irradiance is low, is set as the nominal voltage of the DC-bus. The nominal value of the DC-bus voltage is calculated as [57]:where is the modulation index.
6. Simulation Results
6.1. Case 1: Random Wind and Fixed Solar with Varying Load
6.2. Case 2: Step Change in Wind and Solar with Varying Load
7. Conclusions
Author Contributions
Funding
Acknowledgments
Conflicts of Interest
Abbreviations
| A | P-N junction factor |
| Operational mode of the bi-directional converter of battery | |
| B2B | Back-to-back |
| Pitch angle | |
| DC-bus capacitance | |
| Power coefficient | |
| Duty cycle of the battery converter during charge mode | |
| Duty cycle of the battery converter during discharge mode | |
| DFIG | Doubly-fed induction generator |
| ESS | Energy storage system |
| Band gap energy of the semiconductor material | |
| Thevenin’s voltage | |
| Efficiency of the battery | |
| FLC | Fuzzy logic control |
| GSC | Grid-side converter |
| HRES | Hybrid renewable energy system |
| Battery current | |
| GSC d-axis output AC current | |
| d-axis load current | |
| d-axis stator current | |
| Grid current | |
| GSC DC current | |
| PV output current | |
| GSC q-axis output AC current | |
| q-axis load current | |
| q-axis stator current | |
| PV short circuit current | |
| J | Inertia of the mechanical shaft |
| Boltzman’s constant | |
| Battery inductance | |
| d-axis self-inductance | |
| Grid-side filter inductance | |
| Load inductance | |
| Line inductance | |
| Li-ion | Lithium-ion |
| Tip speed ratio | |
| Load current | |
| q-axis self-inductance | |
| Thevenin’s inductance | |
| Rotor flux | |
| MIMO | Multi-input-multi-output |
| MPPT | Maximum power point tracking |
| Number of parallel connected modules | |
| Number of series connected modules | |
| Electrical angular speed | |
| Angular speed of wind turbine | |
| Battery power | |
| Grid power | |
| Power received by the grid | |
| Power transferred by the grid | |
| Load demand active power | |
| Net power | |
| Solar power | |
| Wind power | |
| P&O | Perturb and Observe |
| PMSG | Permanent magnet synchronous generator |
| PV | Photo-voltaic |
| Temperature coefficient | |
| q | Electron charge |
| Battery capacity | |
| Load demand reactive power | |
| R | Radius of wind turbine |
| RES | Renewable energy source |
| RSC | Rotor-side converter |
| Battery internal resistance | |
| Load resistance | |
| Stator resistance | |
| Equivalent series resistors | |
| Equivalent shunt resistors | |
| Thevenin’s resistance | |
| Density of air | |
| S | Solar irradiance level |
| SMC | Sliding mode control |
| State-of-charge of battery | |
| Upper limit of SoC | |
| Lower limit of SoC | |
| T | Ambient temperature |
| Electrical torque | |
| Mechanical torque | |
| Operating temperature of the PV module | |
| Stator current angle | |
| Stator power factor angle | |
| Stator voltage angle | |
| d-axis load voltage | |
| Grid voltage | |
| Line-to-line RMS voltage | |
| q-axis load voltage | |
| Battery voltage | |
| Diode voltage in the PV circuit | |
| DC-bus voltage | |
| d-axis stator voltage | |
| PV output voltage | |
| GSC q-axis output voltage | |
| q-axis stator voltage | |
| Wind speed | |
| WECS | Wind energy conversion system |
| Load impedance | |
| Thevenin’s impedance |
References
- Zhou, P.; Jin, R.; Fan, L. Reliability and economic evaluation of power system with renewables: A review. Renew. Sustain. Energy Rev. 2016, 58, 537–547. [Google Scholar] [CrossRef]
- Ghazal, H.M.; Khan, K.A.; Alismail, F.; Khalid, M. Maximizing capacity credit in generation expansion planning for wind power generation and compressed air energy storage system. In Proceedings of the 2021 IEEE PES Innovative Smart Grid Technologies Europe (ISGT Europe), Espoo, Finland, 18–21 October 2021; pp. 1–5. [Google Scholar]
- Manwell, J.; McGowan, J.; Breger, D. A design and analysis tool for utility scale power systems incorporating large scale wind, solar photovoltaics and energy storage. J. Energy Storage 2018, 19, 103–112. [Google Scholar] [CrossRef]
- Maaruf, M.; Khalid, M. Power quality control of hybrid wind/electrolyzer/fuel-cell/BESS microgrid. In Proceedings of the 2021 IEEE PES Innovative Smart Grid Technologies-Asia (ISGT Asia), Brisbane, Australia, 5–8 December 2021; pp. 1–5. [Google Scholar]
- Wang, G.; Konstantinou, G.; Townsend, C.D.; Pou, J.; Vazquez, S.; Demetriades, G.D.; Agelidis, V.G. A review of power electronics for grid connection of utility-scale battery energy storage systems. IEEE Trans. Sustain. Energy 2016, 7, 1778–1790. [Google Scholar] [CrossRef] [Green Version]
- Maaruf, M.; Khan, K.A.; Khalid, M. Integrated Power Management and Nonlinear-Control for Hybrid Renewable Microgrid. In Proceedings of the 2021 IEEE Green Technologies Conference (GreenTech 2021), Virtual Conference, 7–9 April 2021. [Google Scholar]
- Al-Humaid, Y.M.; Khan, K.A.; Abdulgalil, M.A.; Khalid, M. Two-stage stochastic optimization of sodium-sulfur energy storage technology in hybrid renewable power systems. IEEE Access 2021, 9, 162962–162972. [Google Scholar] [CrossRef]
- Liang, X. Emerging power quality challenges due to integration of renewable energy sources. IEEE Trans. Ind. Appl. 2016, 53, 855–866. [Google Scholar] [CrossRef]
- Khan, K.A.; Shafiq, S.; Khalid, M. A strategy for utilization of reactive power capability of PV inverters. In Proceedings of the 2019 9th International Conference on Power and Energy Systems (ICPES), Perth, Australia, 10–12 December 2019; pp. 1–6. [Google Scholar]
- Maaruf, M.; Khalid, M. Global sliding-mode control with fractional-order terms for the robust optimal operation of a hybrid renewable microgrid with battery energy storage. Electronics 2022, 11, 88. [Google Scholar] [CrossRef]
- Ding, Z.; Hou, H.; Yu, G.; Hu, E.; Duan, L.; Zhao, J. Performance analysis of a wind-solar hybrid power generation system. Energy Convers. Manag. 2019, 181, 223–234. [Google Scholar] [CrossRef]
- Alhumaid, Y.; Khan, K.; Alismail, F.; Khalid, M. Multi-input nonlinear programming based deterministic optimization framework for evaluating microgrids with optimal renewable-storage energy mix. Sustainability 2021, 13, 5878. [Google Scholar] [CrossRef]
- Binbing, W.; Abuduwayiti, X.; Yuxi, C.; Yizhi, T. RoCoF droop control of PMSG-based wind turbines for system inertia response rapidly. IEEE Access 2020, 8, 181154–181162. [Google Scholar] [CrossRef]
- Jurasz, J.; Canales, F.; Kies, A.; Guezgouz, M.; Beluco, A. A review on the complementarity of renewable energy sources: Concept, metrics, application and future research directions. Sol. Energy 2020, 195, 703–724. [Google Scholar] [CrossRef]
- Bett, P.E.; Thornton, H.E. The climatological relationships between wind and solar energy supply in Britain. Renew. Energy 2016, 87, 96–110. [Google Scholar] [CrossRef] [Green Version]
- Elobaid, L.M.; Abdelsalam, A.K.; Zakzouk, E.E. Artificial neural network-based photovoltaic maximum power point tracking techniques: A survey. IET Renew. Power Gener. 2015, 9, 1043–1063. [Google Scholar] [CrossRef]
- Salman, U.; Khan, K.; Alismail, F.; Khalid, M. Techno-economic assessment and operational planning of wind-battery distributed renewable generation system. Sustainability 2021, 13, 6776. [Google Scholar] [CrossRef]
- Nadeem, F.; Hussain, S.S.; Tiwari, P.K.; Goswami, A.K.; Ustun, T.S. Comparative review of energy storage systems, their roles, and impacts on future power systems. IEEE Access 2018, 7, 4555–4585. [Google Scholar] [CrossRef]
- Khan, K.A.; Khalid, M. Improving the transient response of hybrid energy storage system for voltage stability in DC microgrids using an autonomous control strategy. IEEE Access 2021, 9, 10460–10472. [Google Scholar] [CrossRef]
- Tian, Y.; Bera, A.; Benidris, M.; Mitra, J. Stacked revenue and technical benefits of a grid-connected energy storage system. IEEE Trans. Ind. Appl. 2018, 54, 3034–3043. [Google Scholar] [CrossRef]
- Khan, K.A.; Khalid, M. Hybrid energy storage system for voltage stability in a DC microgrid using a modified control strategy. In Proceedings of the 2019 IEEE Innovative Smart Grid Technologies-Asia (ISGT Asia), Chengdu, China, 21–24 May 2019; pp. 2760–2765. [Google Scholar]
- Majeed, M.A.; Asghar, F.; Hussain, M.I.; Amjad, W.; Munir, A.; Armghan, H.; Kim, J.T. Adaptive dynamic control based optimization of renewable energy resources for grid-tied microgrids. Sustainability 2022, 14, 1877. [Google Scholar] [CrossRef]
- Alhammad, H.I.; Alsada, M.F.; Khan, K.A.; Khalid, M. A voltage sensitivity framework for optimal allocation of battery energy storage systems. In Proceedings of the 2021 IEEE Green Technologies Conference (GreenTech), Virtual Conference, 7–9 April 2021; pp. 558–562. [Google Scholar]
- Morshed, M.J.; Fekih, A. A Novel Fault Ride Through Scheme for Hybrid Wind/PV Power Generation Systems. IEEE Trans. Sustain. Energy 2020, 11, 2427–2436. [Google Scholar] [CrossRef]
- Fatu, M.; Blaabjerg, F.; Boldea, I. Grid to Standalone Transition Motion-Sensorless Dual-Inverter Control of PMSG With Asymmetrical Grid Voltage Sags and Harmonics Filtering. IEEE Trans. Power Electron. 2014, 29, 3463–3472. [Google Scholar] [CrossRef]
- Ashabani, S.M.; Mohamed, Y.A.I. A Flexible Control Strategy for Grid-Connected and Islanded Microgrids With Enhanced Stability Using Nonlinear Microgrid Stabilizer. IEEE Trans. Smart Grid 2012, 3, 1291–1301. [Google Scholar] [CrossRef]
- Li, X.; Zhang, H.; Shadmand, M.B.; Balog, R.S. Model Predictive Control of a Voltage-Source Inverter with Seamless Transition Between Islanded and Grid-Connected Operations. IEEE Trans. Ind. Electron. 2017, 64, 7906–7918. [Google Scholar] [CrossRef]
- Sekhar, P.C.; Tupakula, R.R. Model predictive controller for single-phase distributed generator with seamless transition between grid and off-grid modes. IET Gener. Transm. Distrib. 2019, 13, 1829–1837. [Google Scholar] [CrossRef]
- Chen, J.; Hou, S.; Chen, J. Seamless mode transfer control for master–slave microgrid. IET Power Electron. 2019, 12, 3158–3165. [Google Scholar] [CrossRef]
- Blaabjerg, F.; Ma, K. Future on Power Electronics for Wind Turbine Systems. IEEE J. Emerg. Sel. Top. Power Electron. 2013, 1, 139–152. [Google Scholar] [CrossRef]
- Akram, U.; Khalid, M. A coordinated frequency regulation framework based on hybrid battery-ultracapacitor energy storage technologies. IEEE Access 2017, 6, 7310–7320. [Google Scholar] [CrossRef]
- Maaruf, M.; El Ferik, S.; Mahmoud, M.S. Integral Sliding Mode Control With Power Exponential Reaching Law for DFIG. In Proceedings of the 2020 17th International Multi-Conference on Systems, Signals & Devices (SSD), Monastir, Tunisia, 20–23 July 2020; pp. 1122–1127. [Google Scholar]
- Radwan, A.A.A.; Mohamed, Y.A.I. Grid-Connected Wind-Solar Cogeneration Using Back-to-Back Voltage-Source Converters. IEEE Trans. Sustain. Energy 2020, 11, 315–325. [Google Scholar] [CrossRef]
- Chishti, F.; Murshid, S.; Singh, B. PCC voltage quality restoration strategy of an isolated microgrid based on adjustable step adaptive control. IEEE Trans. Ind. Appl. 2020, 56, 6206–6215. [Google Scholar] [CrossRef]
- Bae, S.; Kwasinski, A. Dynamic modeling and operation strategy for a microgrid with wind and photovoltaic resources. IEEE Trans. Smart Grid 2012, 3, 1867–1876. [Google Scholar] [CrossRef]
- Puchalapalli, S.; Tiwari, S.K.; Singh, B.; Goel, P.K. A Microgrid Based on Wind-Driven DFIG, DG, and Solar PV Array for Optimal Fuel Consumption. IEEE Trans. Ind. Appl. 2020, 56, 4689–4699. [Google Scholar] [CrossRef]
- Puchalapalli, S.; Singh, B. A single input variable FLC for DFIG-based WPGS in standalone mode. IEEE Trans. Sustain. Energy 2019, 11, 595–607. [Google Scholar] [CrossRef]
- Nguyen, D.; Fujita, G. Dynamic response evaluation of sensorless MPPT method for hybrid PV-DFIG wind turbine system. J. Int. Counc. Electr. Eng. 2016, 6, 49–56. [Google Scholar] [CrossRef]
- Mousa, H.H.; Youssef, A.R.; Mohamed, E.E. State of the art perturb and observe MPPT algorithms based wind energy conversion systems: A technology review. Int. J. Electr. Power Energy Syst. 2021, 126, 106598. [Google Scholar] [CrossRef]
- Kavya, M.; Jayalalitha, S. Developments in perturb and observe algorithm for maximum power point tracking in photo voltaic panel: A review. Arch. Comput. Methods Eng. 2021, 28, 2447–2457. [Google Scholar] [CrossRef]
- Motahhir, S.; El Hammoumi, A.; El Ghzizal, A. The most used MPPT algorithms: Review and the suitable low-cost embedded board for each algorithm. J. Clean. Prod. 2020, 246, 118983. [Google Scholar] [CrossRef]
- Putri, R.I.; Pujiantara, M.; Priyadi, A.; Ise, T.; Purnomo, M.H. Maximum power extraction improvement using sensorless controller based on adaptive perturb and observe algorithm for PMSG wind turbine application. IET Electr. Power Appl. 2018, 12, 455–462. [Google Scholar] [CrossRef]
- Ardjal, A.; Mansouri, R.; Bettayeb, M. Fractional sliding mode control of wind turbine for maximum power point tracking. Trans. Inst. Meas. Control 2019, 41, 447–457. [Google Scholar] [CrossRef]
- Kihal, A.; Krim, F.; Laib, A.; Talbi, B.; Afghoul, H. An improved MPPT scheme employing adaptive integral derivative sliding mode control for photovoltaic systems under fast irradiation changes. ISA Trans. 2019, 87, 297–306. [Google Scholar] [CrossRef]
- Twaha, S.; Ramli, M.A. A review of optimization approaches for hybrid distributed energy generation systems: Off-grid and grid-connected systems. Sustain. Cities Soc. 2018, 41, 320–331. [Google Scholar] [CrossRef]
- Housseini, B.; Okou, A.F.; Beguenane, R. Robust Nonlinear Controller Design for On-Grid/Off-Grid Wind Energy Battery-Storage System. IEEE Trans. Smart Grid 2018, 9, 5588–5598. [Google Scholar] [CrossRef]
- Basaran, K.; Cetin, N.S.; Borekci, S. Energy management for on-grid and off-grid wind/PV and battery hybrid systems. IET Renew. Power Gener. 2017, 11, 642–649. [Google Scholar] [CrossRef]
- Wu, B.; Lang, Y.; Zargari, N.; Kouro, S. Power Conversion and Control of Wind Energy Systems; John Wiley & Sons: Hoboken, NJ, USA, 2011; Volume 76. [Google Scholar]
- Maaruf, M.; Shafiullah, M.; Al-Awami, A.T.; Al-Ismail, F.S. Adaptive Nonsingular Fast Terminal Sliding Mode Control for Maximum Power Point Tracking of a WECS-PMSG. Sustainability 2021, 13, 13427. [Google Scholar] [CrossRef]
- Chatrenour, N.; Razmi, H.; Doagou-Mojarrad, H. Improved double integral sliding mode MPPT controller based parameter estimation for a stand-alone photovoltaic system. Energy Convers. Manag. 2017, 139, 97–109. [Google Scholar] [CrossRef]
- Azeem, M.K.; Armghan, H.; Ahmad, I.; Hassan, M. Multistage adaptive nonlinear control of battery-ultracapacitor based plugin hybrid electric vehicles. J. Energy Storage 2020, 32, 101813. [Google Scholar] [CrossRef]
- Sofia, B. Online battery state-of-charge estimation methods in micro-grid systems. J. Energy Storage 2020, 30, 101518. [Google Scholar]
- Alepuz, S.; Calle, A.; Busquets-Monge, S.; Kouro, S.; Wu, B. Use of stored energy in PMSG rotor inertia for low-voltage ride-through in back-to-back NPC converter-based wind power systems. IEEE Trans. Ind. Electron. 2012, 60, 1787–1796. [Google Scholar] [CrossRef]
- Chen, C.T. Linear System Theory and Design; Springer Science & Business Media: New York, NY, USA; Oxford, UK, 1999. [Google Scholar]
- Youssef, A.R.; Ali, A.I.; Saeed, M.S.; Mohamed, E.E. Advanced multi-sector P & O maximum power point tracking technique for wind energy conversion system. Int. J. Electr. Power Energy Syst. 2019, 107, 89–97. [Google Scholar]
- Chishti, F.; Murshid, S.; Singh, B. LMMN-Based Adaptive Control for Power Quality Improvement of Grid Intertie Wind–PV System. IEEE Trans. Ind. Inform. 2019, 15, 4900–4912. [Google Scholar] [CrossRef]
- Dhar, R.K.; Merabet, A.; Al-Durra, A.; Ghias, A.M.Y.M. Power Balance Modes and Dynamic Grid Power Flow in Solar PV and Battery Storage Experimental DC-Link Microgrid. IEEE Access 2020, 8, 219847–219858. [Google Scholar] [CrossRef]
- Stroe, D.I.; Knap, V.; Swierczynski, M.; Stroe, A.I.; Teodorescu, R. Operation of a grid-connected lithium-ion battery energy storage system for primary frequency regulation: A battery lifetime perspective. IEEE Trans. Ind. Appl. 2016, 53, 430–438. [Google Scholar] [CrossRef]
- Li, J.; Danzer, M.A. Optimal charge control strategies for stationary photovoltaic battery systems. J. Power Sources 2014, 258, 365–373. [Google Scholar] [CrossRef]
- Xu, D.; Dai, Y.; Yang, C.; Yan, X. Adaptive fuzzy sliding mode command-filtered backstepping control for islanded PV microgrid with energy storage system. J. Frankl. Inst. 2019, 356, 1880–1898. [Google Scholar] [CrossRef]























| Wind Turbine Generator | Solar PV Generator (KC200GH-2p) | ||||
|---|---|---|---|---|---|
| Parameter | Symbol | Value | Parameter | Symbol | Value |
| Air denisty (kg/m3) | 1.25 | Ambient Temperature (°C) | T | 25 | |
| Radius of wind turbine (m) | R | 28.2 | Maximum power at MPP (W) | 200 | |
| Maximum Voltage at MPP (V) | 26.3 | ||||
| d-axis stator current (mH) | 9.8 | P-N junction factor | A | 1.8 | |
| Temperature coefficient (mA/°C) | 4.79 | ||||
| q-axis stator current (mH) | 9.8 | Equivalent shunt resistor () | 313.33 | ||
| Rotor flux (Wb) | 28 | Equivalent series resistor () | 0.193 | ||
| Inertia of Mechanical Shaft (kg·m2) | J | 4000 | Short circuit current (A) | 8.21 | |
| Maximum current at MPP (A) | 7.61 | ||||
| Number of pole pairs | P | 8 | Number of parallel modules | 68 | |
| Optimum tip speed ratio | 8.1 | Number of series modules | 95 | ||
| Power coefficient | 0.48 | Open-circuit voltage (V) | 32.9 | ||
| Battery Energy Storage System | Grid Parameter | ||||
|---|---|---|---|---|---|
| Parameter | Symbol | Value | Parameter | Symbol | Value |
| Battery efficiency | 0.9 | Filter inductance () | 16.9 | ||
| Battery capacity (AH) | 100 | Line inductance (mH) | 1.69 | ||
| Battery power (MW) | 1 | Load demand (MW) | 2 | ||
| Battery voltage (V) | 500 | Line-to-line voltage (V) | 4000 | ||
| Upper SoC limit (%) | 90 | DC-bus | 1670 | ||
| Lower SoC limit (%) | 10 | capacitance () | |||
Publisher’s Note: MDPI stays neutral with regard to jurisdictional claims in published maps and institutional affiliations. |
© 2022 by the authors. Licensee MDPI, Basel, Switzerland. This article is an open access article distributed under the terms and conditions of the Creative Commons Attribution (CC BY) license (https://creativecommons.org/licenses/by/4.0/).
Share and Cite
Maaruf, M.; Khan, K.; Khalid, M. Robust Control for Optimized Islanded and Grid-Connected Operation of Solar/Wind/Battery Hybrid Energy. Sustainability 2022, 14, 5673. https://doi.org/10.3390/su14095673
Maaruf M, Khan K, Khalid M. Robust Control for Optimized Islanded and Grid-Connected Operation of Solar/Wind/Battery Hybrid Energy. Sustainability. 2022; 14(9):5673. https://doi.org/10.3390/su14095673
Chicago/Turabian StyleMaaruf, Muhammad, Khalid Khan, and Muhammad Khalid. 2022. "Robust Control for Optimized Islanded and Grid-Connected Operation of Solar/Wind/Battery Hybrid Energy" Sustainability 14, no. 9: 5673. https://doi.org/10.3390/su14095673
APA StyleMaaruf, M., Khan, K., & Khalid, M. (2022). Robust Control for Optimized Islanded and Grid-Connected Operation of Solar/Wind/Battery Hybrid Energy. Sustainability, 14(9), 5673. https://doi.org/10.3390/su14095673

