Coupling DFIG-Based Wind Turbines with the Grid under Voltage Imbalance Conditions
Abstract
:1. Introduction
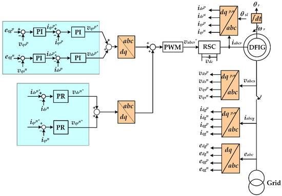
- The positive sequence of the rotor current is controlled using PI controllers, while the negative sequence is controlled using proportional resonant (PR) controllers for both synchronization and operational modes;
- The synchronization process of a DFIG starts when the generator speed reaches its minimum value. The positive and negative sequences of the q-axis stator EMF is regulated through the positive sequence of the dq-axes rotor current until the stator EMFs are equal to the grid voltages;
- To compensate for the phase difference between the stator EMFs and the grid voltages, the d-axis stator EMFs are controlled to match the reference value of the d-axis grid voltages, which is equal to zero;
- The stator EMF can be synchronized with the grid voltage by adding the calculated value of the compensation component to the slip angle;
- Directly after the connection process, the average active and reactive power is adjusted by controlling the positive sequence of the rotor current. Meanwhile, the PR controllers are tuned at 120 Hz to regulate the negative sequence of the rotor current and attenuate the influence of the grid voltage imbalance on the DFIG’s torque;
- The effectiveness and robustness of the proposed control scheme for both synchronization and operational modes are proven experimentally during a grid imbalance.
2. Wind Turbine Modeling
3. DFIG Modeling
4. DFIGs under Grid Voltage Imbalance
5. Synchronization with the Grid
6. Experimental Results and Discussion
7. Conclusions
Author Contributions
Funding
Institutional Review Board Statement
Informed Consent Statement
Data Availability Statement
Acknowledgments
Conflicts of Interest
Nomenclature
| ρ | Air density |
| ωe | Angular velocity |
| R | Blade radius |
| λ | Blade tip speed ratio |
| Te | Electromagnetic torque |
| Positive components of grid dq-axes voltages | |
| Negative components of grid dq-axes voltages | |
| Lm | Magnetizing inductance |
| ims | Magnetizing current |
| Cp(λ, β) | Power coefficient |
| Β | Pitch angle |
| Rr | Rotor resistance |
| ωr | Rotor angular velocity |
| vdqr | Rotor dq-axes voltages |
| idqr | Rotor dq-axes currents |
| λdqr | Rotor dq-axes flux linkage |
| Lr | Rotor inductance |
| Positive components of rotor dq-axes currents | |
| Negative components of rotor dq-axes currents | |
| Negative components of rotor dq-axes reference currents | |
| Rs | Stator resistance |
| ωsl | Slip angular velocity |
| vdqs | Stator dq-axes voltages |
| idqs | Stator dq-axes currents |
| λdqs | Stator dq-axes flux linkage |
| Ps | Stator active power |
| Qs | Stator reactive power |
| Ls | Stator inductance |
| Positive components of stator dq-axes voltages | |
| Positive components of stator dq-axes currents | |
| Negative components of stator dq-axes voltages | |
| Negative components of stator dq-axes currents | |
| Negative components of stator dq-axes flux linkage | |
| Ps0 | Average component of the stator active power |
| Qs0 | Average component of the stator reactive power |
| Te0 | Average component of the electromagnetic torque |
| Pesin2 | Sin oscillating stator power component at twice the grid frequency |
| Pecos2 | Cos oscillating stator power component at twice the grid frequency |
| Qesin2 | Sin oscillating stator reactive power component at twice the grid frequency |
| Pecos2 | Cos oscillating grid reactive power component at twice the grid frequency |
| Tesin2 | Sin oscillating torque component at twice the grid frequency |
| Tecos2 | Cos oscillating torque component at twice the grid frequency |
| v | Wind speed |
| ∗ | A superscript refers to the reference value of the variable |
Appendix A
| Parameters | Value |
|---|---|
| Blade radius | 1 m |
| Max. power conv. coefficient | 0.42 |
| Optimal tip speed ratio | 8 |
| Cut-in speed | 4.5 m/s |
| Rated wind speed | 13.5 m/s |
| Parameters | Value |
|---|---|
| Stator resistance | 0.65 Ω |
| Rotor resistance | 0.8 Ω |
| Iron loss resistance | 155 Ω |
| Stator leakage inductance | 0.003 H |
| Rotor leakage inductance | 0.07 H |
| Mutual inductance | 0.07 H |
References
- Ahmad, M. Operation and Control of Renewable Energy Systems; John Wiley & Sons: Chennai, India, 2018. [Google Scholar]
- Lee, J.; Zhao, F. Global Wind Report 2021; GWEC: Brussels, Belgium, 2021. [Google Scholar]
- Xu, D.; Blaabjerg, F.; Chen, W.; Zhu, N. Advanced Control of Doubly Fed Induction Generator for Wind Power Systems; John Wiley & Sons: Hoboken, NJ, USA, 2018. [Google Scholar]
- Eltamaly, A.M.; Al-Saud, M.; Sayed, K.; Abo-Khalil, A.G. Sensorless Active and Reactive Control for DFIG Wind Turbines Using Opposition-Based Learning Technique. Sustainability 2020, 12, 3583. [Google Scholar] [CrossRef]
- Tapia, G.; Santamaría, G.; Telleria, M.; Susperregui, A. Methodology for Smooth Connection of Doubly Fed Induction Genera- tors to the Grid. IEEE Trans. Energy Convers. 2009, 24, 959–971. [Google Scholar] [CrossRef]
- Abo-Khalil, A.G. Synchronization of DFIG output voltage to utility grid in wind power system. Renew. Energy 2012, 44, 193–198. [Google Scholar] [CrossRef]
- Abdelbaset, A.; El-Sayed, A.M.; Abozeid, A.E.H. Grid synchronisation enhancement of a wind driven DFIG using adaptive sliding mode control. IET Renew. Power Gener. 2017, 11, 688–695. [Google Scholar] [CrossRef]
- Xiong, L.; Li, P.; Wu, F.; Ma, M.; Khan, M.W.; Wang, J. A coordinated high-order sliding mode control of DFIG wind turbine for power optimization and grid synchronization. Int. J. Electr. Power Energy Syst. 2019, 105, 679–689. [Google Scholar] [CrossRef]
- Elizondo, J.L.; Olloqui, A.; Rivera, M.; Macias, M.E.; Probst, O.; Micheloud, O.M.; Rodriguez, J. Model-Based Predictive Rotor Current Control for Grid Synchronization of a DFIG Driven by an Indirect Matrix Converter. IEEE J. Emerg. Sel. Top. Power Electron. 2014, 2, 715–726. [Google Scholar] [CrossRef]
- Abo-Khalil, A.G.; Alghamdi, A.; Tlili, I.; Eltamaly, A.M. Current controller design for DFIG-based wind turbines using state feedback control. IET Renew. Power Gener. 2019, 13, 1938–1949. [Google Scholar] [CrossRef]
- Abo-Khalil, A.G.; Alghamdi, A.S.; Eltamaly, A.M.; Al-Saud, M.S.; Praveen, R.P.; Sayed, K.; Bindu, G.R.; Tlili, I. Design of State Feedback Current Controller for Fast Synchronization of DFIG in Wind Power Generation Systems. Energies 2019, 12, 2427. [Google Scholar] [CrossRef] [Green Version]
- Dida, A.; Merahi, F.; Mekhilef, S. New grid synchronization and power control scheme of doubly-fed induction generator based wind turbine system using fuzzy logic control. Comput. Electr. Eng. 2020, 84, 106647. [Google Scholar] [CrossRef]
- Abo-Khalil, A.G.; Alharbi, W.; Al-Qawasmi, A.; Alobaid, M.; Alarifi, I. Modeling and control of unbalanced and distorted grid voltage of grid-connected DFIG wind turbine. Int. Trans. Electr. Energy Syst. 2021, 31, e12857. [Google Scholar] [CrossRef]
- Qin, B.; Li, H.; Zhou, X.; Li, J.; Liu, W. Low-voltage ride-through techniques in DFIG-based wind turbines: A review. Appl. Sci. 2020, 10, 2154. [Google Scholar] [CrossRef] [Green Version]
- Din, Z.; Zhang, J.; Xu, Z.; Zhang, Y.; Zhao, J. Low voltage and high voltage ride-through technologies for doubly fed induction generator system: Comprehensive review and future trends. IET Renew. Power Gener. 2021, 15, 614–630. [Google Scholar] [CrossRef]
- Park, H.-G.; Abo-Khalil, A.G.; Lee, D.-C.; Son, K.-M. Torque Ripple Elimination for Doubly-Fed Induction Motors under Unbalanced Source Voltage. In Proceedings of the 7th International Conference on Power Electronics and Drive Systems, Bangkok, Thailand, 27–30 November 2007; pp. 1301–1306. [Google Scholar]
- Zhou, Y.; Bauer, P.; Ferreira, J.A.; Pierik, J. Operation of Grid-Connected DFIG under Unbalanced Grid Voltage Condition. IEEE Trans. Energy Convers. 2009, 24, 240–246. [Google Scholar] [CrossRef] [Green Version]
- Eltamaly, A.M.; Al-Saud, M.S.; Abo-Khalil, A.G. Dynamic Control of a DFIG Wind Power Generation System to Mitigate Unbalanced Grid Voltage. IEEE Access 2020, 8, 39091–39103. [Google Scholar] [CrossRef]
- Kashkooli, M.R.A.; Madani, S.M.; Lipo, T.A. Improved Direct Torque Control for a DFIG under Symmetrical Voltage Dip with Transient Flux Damping. IEEE Trans. Ind. Electron. 2020, 67, 28–37. [Google Scholar] [CrossRef]
- Shehata, E.G. Direct power control of wind-turbine-driven DFIG during transient grid voltage unbalance. Wind Energy 2014, 17, 1077–1091. [Google Scholar] [CrossRef]
- Mazouz, F.; Belkacem, S.; Colak, I.; Drid, S.; Harbouche, Y. Adaptive direct power control for double fed induction generator used in wind turbine. Int. J. Electr. Power Energy Syst. 2020, 114, 105395–105405. [Google Scholar] [CrossRef]
- Sahri, Y.; Tamalouzt, S.; Hamoudi, F.; Belaid, S.L.; Bajaj, M.; Alharthi, M.M.; Alzaidi, M.S.; Ghoneim, S.S.M. New intelligent direct power control of DFIG-based wind conversion system by using machine learning under variations of all operating and compensation modes. Energy Rep. 2021, 7, 6394–6412. [Google Scholar] [CrossRef]
- Gao, S.; Mao, C.; Wang, D.; Lu, J. Dynamic performance improvement of DFIG-based WT using NADRC current regulators. Int. J. Electr. Power Energy Syst. 2016, 82, 363–372. [Google Scholar] [CrossRef]
- Sobhy, A.; Lei, D. Model-assisted active disturbance rejection controller for maximum efficiency schemes of DFIG-based wind turbines. Int. Trans. Electr. Energy Syst. 2021, 31, e13107. [Google Scholar] [CrossRef]
- Jaladi, K.K.; Sandhu, K.S. DC-link transient improvement of SMC-based hybrid control of DFIG-WES under asymmetrical grid faults. Int. Trans. Electr. Energy Syst. 2018, 28, 2633–2659. [Google Scholar] [CrossRef]
- Han, Y.; Ma, R. Adaptive-Gain Second-Order Sliding Mode Direct Power Control for Wind-Turbine-Driven DFIG under Balanced and Unbalanced Grid Voltage. Energies 2019, 12, 3886. [Google Scholar] [CrossRef] [Green Version]
- Cheng, C.; Cheng, P.; Nian, H.; Sun, D. Model predictive stator current control of doubly fed induction generator during network unbalance. IET Power Electron. 2018, 11, 120–128. [Google Scholar] [CrossRef]
- Khan, I.; Zeb, K.; Din, W.U.; Islam, S.U.; Ishfaq, M.; Hussain, S.; Kim, H.-J. Dynamic Modeling and Robust Controllers Design for Doubly Fed Induction Generator-Based Wind Turbines under Unbalanced Grid Fault Conditions. Energies 2019, 12, 454. [Google Scholar] [CrossRef] [Green Version]
- Hu, J.-B.; He, Y.-K.; Wang, H.-S. Adaptive rotor current control for wind-turbine driven DFIG using resonant controllers in a rotor rotating reference frame. J. Zhejiang Univ. Sci. A 2008, 9, 149–155. [Google Scholar] [CrossRef]
- Hu, J.; He, Y.; Xu, L.; Williams, B.W. Improved Control of DFIG Systems during Network Unbalance Using PI–R Current Regulators. IEEE Trans. Ind. Electron. 2009, 56, 439–451. [Google Scholar] [CrossRef]
- Phan, V.-T.; Lee, H.-H. Enhanced Proportional-Resonant Current Controller for Unbalanced Stand-alone DFIG-based Wind Turbines. J. Electr. Eng. Technol. 2010, 5, 443–450. [Google Scholar] [CrossRef] [Green Version]
- Yan, Y.; Wang, M.; Song, Z.-F.; Xia, C.-L. Proportional-Resonant Control of Doubly-Fed Induction Generator Wind Turbines for Low-Voltage Ride-Through Enhancement. Energies 2012, 5, 4758–4778. [Google Scholar] [CrossRef] [Green Version]
- Heier, S. Grid Integration of Wind Energy: Onshore and Offshore Conversion Systems, 3rd ed.; John Wiley & Sons: Chichester, UK, 2014. [Google Scholar]
- Abo-Khalil, A.G.; Abo-Zied, H. Sensorless Control for DFIG Wind Turbines Based on Support Vector Regression. In Proceedings of the 38th Annual Conference on IEEE Industrial Electronics Society, Montreal, QC, Canada, 25–28 October 2012; pp. 3475–3492. [Google Scholar]
- Abo-Khalil, A.G. Grid Connection Control of DFIG for Variable Speed Wind Turbines under Turbulent Conditions. IJRER 2019, 9, 1260–1271. [Google Scholar]
- Khan, A.; Hu, X.M.; Khan, M.A.; Barendse, P. Doubly Fed Induction Generator Open Stator Synchronized Control during Unbalanced Grid Voltage Condition. Energies 2020, 13, 3155. [Google Scholar] [CrossRef]
- Ozsoy, E.; Soner, B.; Ahmad, F.; Rasool, A.; Sabanovic, A.; Gokasan, M.; Bogosyan, S.; Sanjeevikumar, P. Disturbance Observer Based Power Control of DFIG under Unbalanced Network Conditions. Electr. Power Compon. Syst. 2018, 46, 1448–1461. [Google Scholar] [CrossRef]
- López, A.R.; Mina, J.D.; Calderón, G.; Aguayo, J.; Calleja, J.H. Combined parameters selection of a proportional integral plus resonant controller for harmonics compensation in a wind energy conversion system. Electr. Eng. 2018, 100, 2277–2286. [Google Scholar] [CrossRef]




















| PI Gains | Kp | Ki |
|---|---|---|
| Positive sequence controllers | 3.64 | 123.55 |
Publisher’s Note: MDPI stays neutral with regard to jurisdictional claims in published maps and institutional affiliations. |
© 2022 by the authors. Licensee MDPI, Basel, Switzerland. This article is an open access article distributed under the terms and conditions of the Creative Commons Attribution (CC BY) license (https://creativecommons.org/licenses/by/4.0/).
Share and Cite
Sobhy, A.; Abo-Khalil, A.G.; Lei, D.; Salameh, T.; Merabet, A.; Alkasrawi, M. Coupling DFIG-Based Wind Turbines with the Grid under Voltage Imbalance Conditions. Sustainability 2022, 14, 5076. https://doi.org/10.3390/su14095076
Sobhy A, Abo-Khalil AG, Lei D, Salameh T, Merabet A, Alkasrawi M. Coupling DFIG-Based Wind Turbines with the Grid under Voltage Imbalance Conditions. Sustainability. 2022; 14(9):5076. https://doi.org/10.3390/su14095076
Chicago/Turabian StyleSobhy, Ahmed, Ahmed G. Abo-Khalil, Dong Lei, Tareq Salameh, Adel Merabet, and Malek Alkasrawi. 2022. "Coupling DFIG-Based Wind Turbines with the Grid under Voltage Imbalance Conditions" Sustainability 14, no. 9: 5076. https://doi.org/10.3390/su14095076
APA StyleSobhy, A., Abo-Khalil, A. G., Lei, D., Salameh, T., Merabet, A., & Alkasrawi, M. (2022). Coupling DFIG-Based Wind Turbines with the Grid under Voltage Imbalance Conditions. Sustainability, 14(9), 5076. https://doi.org/10.3390/su14095076

