Control Strategies of Hybrid Energy Harvesting—A Survey
Abstract
1. Introduction
1.1. Mankind and Energy
1.2. Ways to Obtain Energy
- Briefly outlines the importance of energy harvesting;
- Combines the energy sources in the modern world of technology.
- Section 3. Methodology for Hybrid Energy Harvesting Strategies:
- Summarizes the most important HEH control strategies;
- Provides generalized schemes;
- Introduces the existing practical implementations.
- Section 4. Comparison and Discussion:
- Details the information that is summarized in the comparison table (see Appendix A);
- Describes the proposed criteria;
- Discusses the individual strategies.
- Section 5. Conclusions:
- Summarizes the crucial information;
- Discusses the ways of future research;
- Discusses the most important challenges.
2. Motivation
3. Methodology for Hybrid Energy Harvesting Strategies
3.1. Supplementary Use of Different Energy Sources
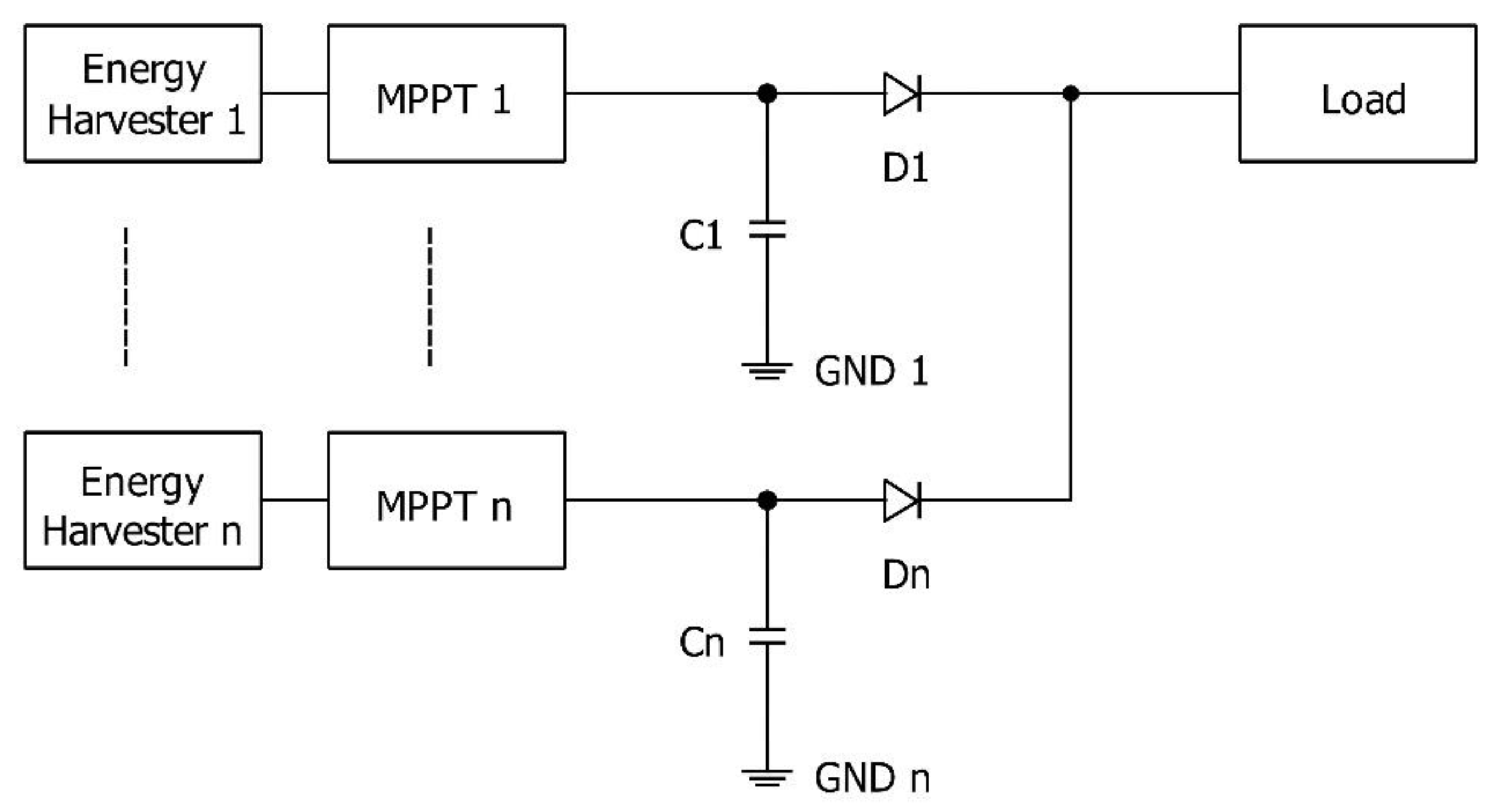
3.2. Power ORing
3.3. Voltage Level Detection Method
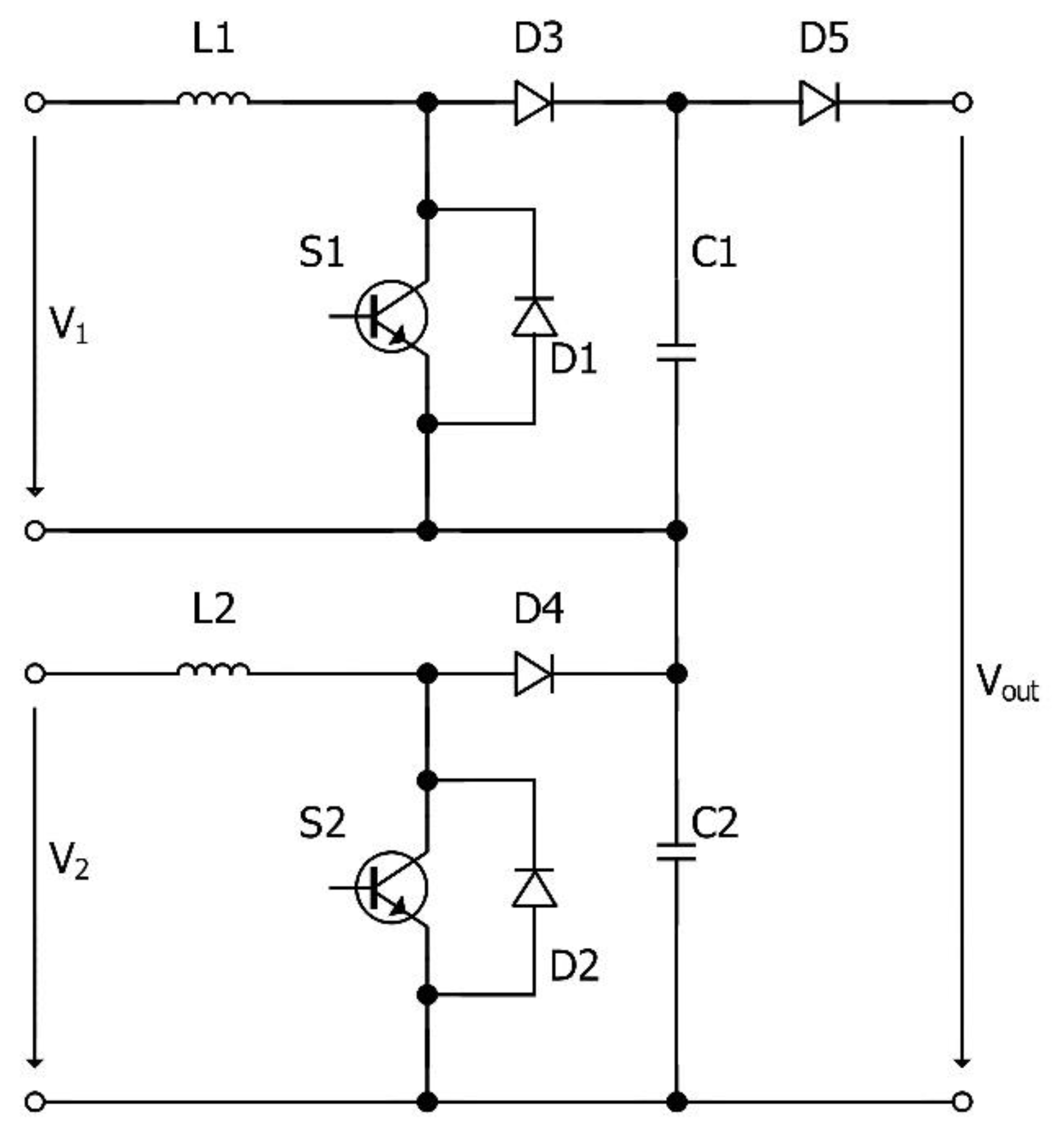
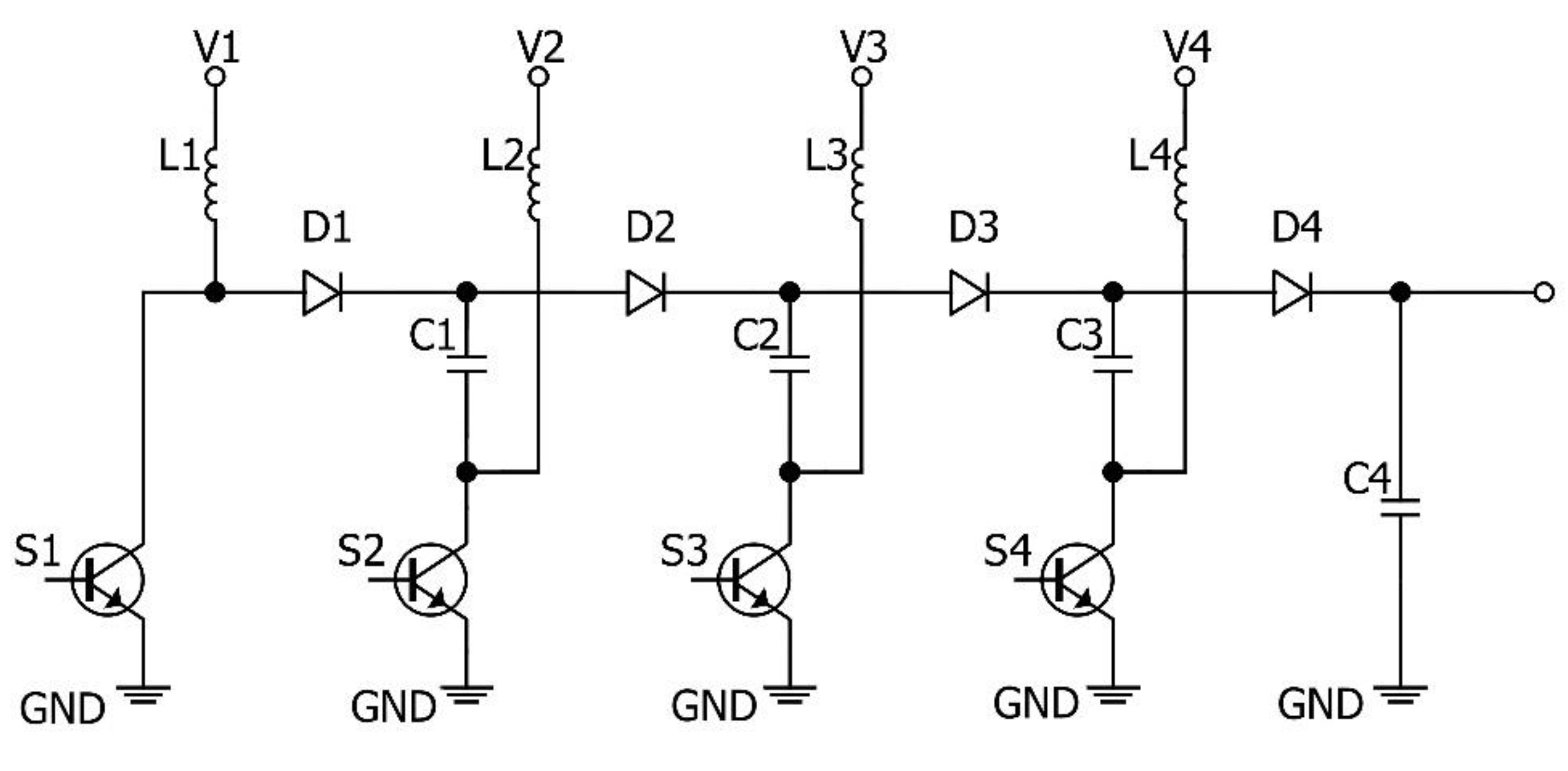
3.4. Multiple Input Boost Converter (MIBC)
3.4.1. Serial Form
3.4.2. Magnetic Form
3.4.3. Special Design
3.4.4. Parallel Form
3.5. Linear Regulator
3.6. Multiplexing Techniques
3.7. Switched Capacitors
3.8. Shared Inductor
4. Comparison and Discussion
4.1. Description of the Criteria
4.2. Discussion of the Strategies
5. Conclusions
Author Contributions
Funding
Institutional Review Board Statement
Informed Consent Statement
Data Availability Statement
Acknowledgments
Conflicts of Interest
Appendix A. HEH Control Strategies Comparison Table
| Criteria | ||||||||||
| Method | Complexity | Simultaneity | Typical Number of Inputs | Typical Efficiency | Technology | Cost | Reliability/Sustaina-Bility | Environ-ment Dependence | MPPT | Scalability |
| Supplementary use of energy sources | Low | Yes | 2 | 90.5% | CMOS 13 nm | Cheap | Limited | High | No | No |
| Power ORing | Low | No | Unlimited | 80–94% | Cheap | High | Low | Yes | Yes | |
| Voltage level detection | High | No | 2–3/unli-mited | 72–94.67% | 65 nm | Upper medium | High | Medium | Yes | Yes |
| Multiple input boost converter—serial | Medium | Yes | 2 | Expensive | Poor | High | Yes | Yes | ||
| Multiple input boost converter—magnetic | High | Yes | 2 | 84% | Expensive | Poor | High | Yes | Yes | |
| Multiple input boost converter—special | High | Yes | 2 | Expensive | Poor | High | Yes | Yes | ||
| Multiple input boost converter—parallel | Medium | No | 2 | 85% | Expensive | Poor | High | Yes | Yes | |
| Linear regulator | Medium | Yes | 3 | Medium | Limited | Medium | Yes | Yes | ||
| Multiplexing techniques | High | No | 3 | pMOS/nMOS | Expensive | Limited | Medium | Yes | Yes | |
| Switched capacitors | High | Yes | 2 | 72–87.2% | CMOS 130 nm | Expensive | High | Medium | Yes | Yes |
| Shared inductor | High | No | 3 | 87–89% | FDSOI 28 nm | Expensive | High | Medium | Yes | Yes |
| Criteria | ||||||||||
| Method | Size and Mass | Energy Consumption | Applicability | References | ||||||
| Supplementary use of energy sources | Small | Low | Low | [50,51,52] | ||||||
| Power ORing | Small | Low-medium | High | [53,54,55,56,57,58,59] | ||||||
| Voltage level detection | Medium | Low-medium | High | [60,61,62,63,64] | ||||||
| Multiple input boost converter—serial | Large | Medium | Medium | [65] | ||||||
| Multiple input boost converter—magnetic | Large | Medium | Medium | [66] | ||||||
| Multiple input boost converter—special | Large | Medium | Medium | [67,68] | ||||||
| Multiple input boost converter—parallel | Large | Medium | Medium | [69,70] | ||||||
| Linear regulator | Medium | Medium | Low | [71,72] | ||||||
| Multiplexing techniques | Medium | Medium-high | High | [73,74] | ||||||
| Switched capacitors | Medium | High | High | [63,75,76] | ||||||
| Shared inductor | Large | High | High | [77,78,79,81,82] | ||||||
References
- Silicon cells harvest Sun’s energy. Electr. Eng. 1958, 77, 1073–1074. [CrossRef]
- Quick, G.R. Acceleration Analysis of Crop Cutting by High-Speed Photography. SMPTE J. 1976, 85, 403–408. [Google Scholar] [CrossRef]
- Ramsay, M.J.; Clark, W.W. Piezoelectric energy harvesting for bio MEMS applications. In Proceedings of the Spie’s 8th Annual International Symposium on Smart Structures and Materials, Newport Beach, CA, USA, 5–8 March 2001; pp. 429–438. [Google Scholar] [CrossRef]
- Mickle, M.H.; Lovell, M.; Mats, L.; Neureuter, L.; Gorodetsky, D. Energy harvesting, profiles, and potential sources. Int. J. Parallel. Distrib. Syst. Netw. 2001, 4, 150–160. [Google Scholar]
- Yu, H.; Li, Y.; Shang, Y.; Su, B. Design and investigation of photovoltaic and thermoelectric hybrid power source for wireless sensor networks. In Proceedings of the 3rd IEEE International Conference on Nano/Micro Engineered and Molecular Systems, Sanya, China, 6–9 January 2008; pp. 196–201. [Google Scholar] [CrossRef]
- Qidwai, M.A.; Thomas, J.P.; Kellogg, J.C.; Baucom, J. Energy harvesting concepts for small electric unmanned systems. In Proceedings of the Smart Structures and Materials, San Diego, CA, USA, 14–18 March 2004; pp. 84–85. [Google Scholar] [CrossRef]
- Bai, Y.; Jantunen, H.; Juuti, J. Energy harvesting research: The road from single source to multisource. Adv. Mater. 2018, 30, e1707271. [Google Scholar] [CrossRef] [PubMed]
- Khan, A.; Hoq, T.; Karim, A.H.M.Z.; Alam, K.; Howlader, M.; Rajkumar, R.K. Energy harvesting—Technical analysis of evolution, control strategies, and future aspects. J. Electron. Sci. Technol. 2019, 17, 116–125. [Google Scholar] [CrossRef]
- Alsaba, Y.; Rahim, S.K.A.; Leow, C.Y. Beamforming in Wireless Energy Harvesting Communications Systems: A Survey. IEEE Commun. Surv. Tut. 2018, 20, 1329–1360. [Google Scholar] [CrossRef]
- He, Y.; Cheng, X.; Peng, W.; Stüber, G.L. A survey of energy harvesting communications: Models and offline optimal policies. IEEE Commun. Mag. 2015, 53, 79–85. [Google Scholar] [CrossRef]
- Hu, S.; Chen, X.; Ni, W.; Wang, X.; Hossain, E. Modeling and Analysis of Energy Harvesting and Smart Grid-Powered Wireless Communication Networks: A Contemporary Survey. IEEE Trans. Green. Commun. Netw. 2020, 4, 461–496. [Google Scholar] [CrossRef]
- Kosunalp, S. MAC protocols for energy harvesting wireless sensor networks: Survey. ETRI J. 2015, 37, 804–812. [Google Scholar] [CrossRef]
- Lu, X.; Wang, P.; Niyato, D.; Kim, D.I.; Han, Z. Wireless networks with rf energy harvesting: A contemporary survey. IEEE Commun. Surv. Tut. 2015, 17, 757–789. [Google Scholar] [CrossRef]
- Rezaei, F.; Hempel, M.; Sharif, H. A survey of recent trends in wireless communication standards, routing protocols, and energy harvesting techniques in E-health applications. In Wearable Technologies: Concepts, Methodologies, Tools, and Applications; IGI Global: Hershey, PA, USA, 2018; pp. 1479–1502. ISBN 978-152-255-485-1. [Google Scholar] [CrossRef]
- Sarkar, N.I.; Singh, D.P.; Ahmed, M. A survey on energy harvesting wireless networks: Channel capacity, scheduling, and transmission power optimization. Electronics 2021, 10, 2342. [Google Scholar] [CrossRef]
- Xu, X.; Shu, L.; Guizani, M.; Liu, M.; Lu, J. A Survey on Energy Harvesting and Integrated Data Sharing in Wireless Body Area Networks. Int. J. Distrib. Sens. Netw. 2015, 11, 438695. [Google Scholar] [CrossRef]
- Zhao, N.; Zhang, S.; Yu, F.R.; Chen, Y.; Nallanathan, A.; Leung, V.C.M. Exploiting Interference for Energy Harvesting: A Survey, Research Issues, and Challenges. IEEE Access 2017, 5, 10403–10421. [Google Scholar] [CrossRef]
- Tedeschi, P.; Sciancalepore, S.; Di Pietro, R. Security in Energy Harvesting Networks: A Survey of Current Solutions and Research Challenges. IEEE Commun. Surv. Tut. 2020, 22, 2658–2693. [Google Scholar] [CrossRef]
- Singla, P.; Sarangi, S.R. A survey and experimental analysis of checkpointing techniques for energy harvesting devices. J. Sys. Archit. 2022, 126, 102464. [Google Scholar] [CrossRef]
- Ahmed, I.; Butt, M.M.; Psomas, C.; Mohamed, A.; Krikidis, I.; Guizani, M. Survey on energy harvesting wireless communications: Challenges and opportunities for radio resource allocation. Comp. Netw. 2015, 88, 234–248. [Google Scholar] [CrossRef]
- Paz, H.P.; Silva, V.S.; Cambero, E.V.V.; Araújo, H.X.; Casella, I.R.S.; Capovilla, C.E. A survey on low power RF rectifiers efficiency for low cost energy harvesting applications. AEU Int. J. Electron. Commun. 2019, 112, 152963. [Google Scholar] [CrossRef]
- Sherazi, H.H.R.; Zorbas, D.; O’Flynn, B. A Comprehensive Survey on RF Energy Harvesting: Applications and Performance Determinants. Sensors 2022, 22, 2990. [Google Scholar] [CrossRef]
- Soyata, T.; Copeland, L.; Heinzelman, W. RF Energy Harvesting for Embedded Systems: A Survey of Tradeoffs and Methodology. IEEE Circ. Syst. Mag. 2016, 16, 22–57. [Google Scholar] [CrossRef]
- Sharma, H.; Haque, A.; Jaffery, Z.A. Solar energy harvesting wireless sensor network nodes: A survey. J. Renew. Sustain. Ener. 2018, 10, 023704. [Google Scholar] [CrossRef]
- Dziadak, B.; Makowski, Ł.; Michalski, A. Survey of energy harvesting systems for wireless sensor networks in environmental monitoring. Metrol. Meas. Syst. 2016, 23, 495–512. [Google Scholar] [CrossRef]
- Nguyen, P.D.; Kim, L.W. Sensor System: A Survey of Sensor Type, Ad Hoc Network Topology and Energy Harvesting Techniques. Electronics 2021, 10, 219. [Google Scholar] [CrossRef]
- Sah, D.K.; Amgoth, T. Renewable energy harvesting schemes in wireless sensor networks: A Survey. Inform. Fusion 2020, 63, 223–247. [Google Scholar] [CrossRef]
- Singh, J.; Kaur, R.; Singh, D. Energy harvesting in wireless sensor networks: A taxonomic survey. Int. J. Energ. Res. 2021, 45, 118–140. [Google Scholar] [CrossRef]
- Williams, A.J.; Torquato, M.F.; Cameron, I.M.; Fahmy, A.A.; Sienz, J. Survey of Energy Harvesting Technologies for Wireless Sensor Networks. IEEE Access 2021, 9, 77493–77510. [Google Scholar] [CrossRef]
- Othman, A.; Maga, D. Relation between security and energy consumption in wireless sensor network (WSN). In Proceedings of the 2018 New Trends in Signal Processing (NTSP), Demanovska Dolina, Slovakia, 10–12 October 2018. [Google Scholar]
- Othman, A.; Maga, D. Indoor Photovoltaic Energy Harvester with Rechargeable Battery for Wireless Sensor Node. In Proceedings of the 18th International Conference on Mechatronics (Mechatronika 2018), Brno, Czech Republic, 5–7 December 2018; pp. 397–402. [Google Scholar]
- Dudak, J.; Skovajsa, M.; Sladek, I. Proposal of a Communication Protocol for Smart Sensory Systems. In Proceedings of the 2014 16th International Conference on Mechatronics (Mechatronika 2014), Brno, Czech Republic, 3–5 December 2014; pp. 107–112. [Google Scholar]
- Gaspar, G.; Dudak, J.; Beluhova, M.; Stremy, M.; Budjac, R.; Sedivy, S.; Tomas, B. IoT-Ready Temperature Probe for Smart Monitoring of Forest Roads. Appl. Sci. 2022, 12, 743. [Google Scholar] [CrossRef]
- Dudak, J.; Gaspar, G.; Sedivy, S.; Pepucha, L.; Florkova, Z. Road structural elements temperature trends diagnostics using sensory system of own design. In Proceedings of the International Conference on Building up Efficient and Sustainable Transport Infrastructure (BESTInfra), Prague, Czech Republic, 21–22 September 2017. [Google Scholar] [CrossRef]
- Lazaro, A.; Villarino, R.; Girbau, D. A Survey of NFC Sensors Based on Energy Harvesting for IoT Applications. Sensors 2018, 18, 3746. [Google Scholar] [CrossRef]
- Ma, D.; Lan, G.; Hassan, M.; Hu, W.; Das, S.K. Sensing, Computing, and Communications for Energy Harvesting IoTs: A Survey. IEEE Commun. Surv. Tut. 2020, 22, 1222–1250. [Google Scholar] [CrossRef]
- Sandhu, M.M.; Khalifa, S.; Jurdak, R.; Portmann, M. Task Scheduling for Energy-Harvesting-Based IoT: A Survey and Critical Analysis. IEEE Internet Things 2021, 8, 13825–13848. [Google Scholar] [CrossRef]
- Sun, H.; Yin, M.; Wei, W.; Li, J.; Wang, H.; Jin, X. MEMS based energy harvesting for the Internet of Things: A survey. Microsyst. Technol. 2018, 24, 2853–2869. [Google Scholar] [CrossRef]
- Khan, A.S.; Khan, F.U. A survey of wearable energy harvesting systems. Int. J. Energ. Res. 2022, 46, 2277–2329. [Google Scholar] [CrossRef]
- Sangha, H.S.; Sohal, H. Power challenges in wireless body area network for mobile health powered by human energy harvesting: A survey. Indian J. Sci. Technol. 2016, 9, 46. [Google Scholar] [CrossRef]
- Atallah, R.; Khabbaz, M.; Assi, C. Energy harvesting in vehicular networks: A contemporary survey. IEEE Wirel. Commun. 2016, 23, 70–77. [Google Scholar] [CrossRef]
- Zelenika, S.; Hadas, Z.; Bader, S.; Becker, T.; Gljuscic, P.; Hlinka, J.; Janak, L.; Kamenar, E.; Ksica, F.; Kyratsi, T.; et al. Energy Harvesting Technologies for Structural Health Monitoring of Airplane Components—A Review. Sensors 2020, 20, 6685. [Google Scholar] [CrossRef]
- Dwik, S.; Prabhaker, M.L.C. Survey on Energy Harvesting CMOS Sensor Based Digital Camera. Opt. Mem. Neural Netw. (Inf. Opt.) 2022, 31, 97–106. [Google Scholar] [CrossRef]
- Sudevalayam, S.; Kulkarni, P. Energy harvesting sensor nodes: Survey and implications. IEEE Commun. Surv. Tut. 2011, 13, 443–461. [Google Scholar] [CrossRef]
- Wang, Y.; Inman, D.J. A survey of control strategies for simultaneous vibration suppression and energy harvesting via piezoceramics. J. Intel. Matl. Syst. Str. 2012, 23, 2021–2037. [Google Scholar] [CrossRef]
- Weddell, A.S.; Magno, M.; Merrett, G.V.; Brunelli, D.; Al-Hashimi, B.M.; Benini, L. A survey of multi-source energy harvesting systems. In Proceedings of the Design, Automation and Test in Europe—DATE, Grenoble, France, 18–22 March 2013; pp. 905–908. [Google Scholar]
- European Commission. A European Green Deal. Available online: https://ec.europa.eu/info/strategy/priorities-2019-2024/european-green-deal_en (accessed on 6 June 2022).
- Goal 7—Department of Economic and Social Affairs. Ensure Access to Affordable, Reliable, Sustainable and Modern Energy for All. Available online: https://sdgs.un.org/goals/goal7 (accessed on 6 June 2022).
- Global Electricity Demand Is Growing Faster than Renewables, Driving Strong Increase in Generation from Fossil Fuels—News—IEA. Available online: https://www.iea.org/news/global-electricity-demand-is-growing-faster-than-renewables-driving-strong-increase-in-generation-from-fossil-fuels (accessed on 6 June 2022).
- Elhebeary, M.R.; Ibrahim, M.A.; Aboudina, M.M.; Mohieldin, A.N. Dual-source self-start high-efficiency microscale smart energy harvesting system for IoT. IEEE Trans. Ind. Electron. 2017, 65, 342–351. [Google Scholar] [CrossRef]
- Vankecke, C.; Assouère, L.; Wang, A.; Durand-Estèbe, P.; Caignet, F.; Dilhac, J.M.; Bafleur, M. Multisource and battery-free energy harvesting architecture for aeronautics applications. IEEE Trans. Power Electr. 2014, 30, 3215–3227. [Google Scholar] [CrossRef]
- Ishiyama, T. November. Output Characteristics of Energy Harvesting Using Multiple Energy Sources. In Proceedings of the 8th International Conference on Renewable Energy Research and Applications (ICRERA), Brasov, Romania, 3–6 November 2019; pp. 224–228. [Google Scholar]
- Othman, A.; Maga, D.; Hrad, J. Multi-input Energy Harvesting System with Battery Management Support for WSN Applications. In Proceedings of the 2022 20th International Conference on Mechatronics—Mechatronika (ME), Pilsen, Czech Republic, 7–9 December 2022; pp. 163–166. [Google Scholar]
- Fundamentals of Power System ORing—EETimes. Fundamentals of Power System ORing. Available online: www.eetimes.com/fundamentals-of-power-system-oring (accessed on 1 July 2022).
- Deng, F.; Yue, X.; Fan, X.; Guan, S.; Xu, Y.; Chen, J. Multisource energy harvesting system for a wireless sensor network node in the field environment. IEEE Internet Things 2018, 6, 918–927. [Google Scholar] [CrossRef]
- Ferrari, M.; Ferrari, V.; Guizzetti, M.; Marioli, D.; Taroni, A. Piezoelectric multifrequency energy converter for power harvesting in autonomous microsystems. Sensor Actuat. A Phys. 2008, 142, 329–335. [Google Scholar] [CrossRef]
- Carli, D.; Brunelli, D.; Benini, L.; Ruggeri, M. An effective multi-source energy harvester for low power applications. In Proceedings of the Design, Automation and Test in Europe—DATE, Grenoble, France, 14–18 March 2011; pp. 1–6. [Google Scholar] [CrossRef]
- Tan, Y.K.; Panda, S.K. Energy harvesting from hybrid indoor ambient light and thermal energy sources for enhanced performance of wireless sensor nodes. IEEE Trans. Ind. Electron. 2011, 58, 4424–4435. [Google Scholar] [CrossRef]
- Park, C.; Chou, P.H. Power utility maximization for multiple-supply systems by a load-matching switch. In Proceedings of the 2004 International Symposium on Low Power Electronics and Design, Newport Beach, CA, USA, 9–11 August 2001; pp. 168–173. [Google Scholar]
- Lhermet, H.; Condemine, C.; Plissonnier, M.; Salot, R.; Audebert, P.; Rosset, M. Efficient power management circuit: From thermal energy harvesting to above-IC microbattery energy storage. IEEE J. Solid-St. Circ. 2008, 43, 246–255. [Google Scholar] [CrossRef]
- Amanor-Boadu, J.; Abouzied, M.A.; Carreon-Bautista, S.; Ribeiro, R.; Liu, X.; Sanchez-Sinencio, E. A switched mode Li-ion battery charger with multiple energy harvesting systems simultaneously used as input sources. In Proceedings of the 2014 IEEE 57th International Midwest Symposium on Circuits and Systems (MWSCAS), College Station, TX, USA, 3–6 August 2014; pp. 330–333. [Google Scholar] [CrossRef]
- Adrivan, R.V.C.; Conde, R.K.G.; Caberos, A.B.; Doloriel, C.T.C. An Energy Combiner for Multi-Source Energy Harvesting with Charge Control. In Proceedings of the 2019 19th International Symposium on Communications and Information Technologies (ISCIT), Ho Chi Minh City, Vietnam, 25–27 September 2019; pp. 371–376. [Google Scholar] [CrossRef]
- Estrada-López, J.J.; Abuellil, A.; Costilla-Reyes, A.; Abouzied, M.; Yoon, S.; Sánchez-Sinencio, E. A fully integrated maximum power tracking combiner for energy harvesting IoT applications. IEEE Trans. Ind. Electron. 2019, 67, 2744–2754. [Google Scholar] [CrossRef]
- Jiang, J.; Cao, Y.; Li, Y.; Zhao, Y.; Liu, P.; Huang, C.; Xu, Y.; Wang, H.; Sun, Y. Optimal Charging Strategy With Complementary Pulse Current Control of Lithium-Ion Battery for Electric Vehicles. IEEE Trans. Transp. Electr. 2022, 8, 62–71. [Google Scholar] [CrossRef]
- Caricchi, F.; Crescimbini, F.; Napoli, A.D.; Honorati, O.; Santini, E. Testing of a new DC–DC converter topology for integrated wind photovoltaic generating systems. In Proceedings of the European Conference on Power Electronics and Applications, Brighton, UK, 13–16 September 1993; pp. 83–88. [Google Scholar]
- Chen, Y.M.; Liu, Y.C.; Wu, F.Y. Multi-input dc/dc converter based on the multi-winding transformer for renewable energy applications. IEEE Trans. Ind. Appl. 2002, 38, 1096–1104. [Google Scholar] [CrossRef]
- Colalongo, L.; Dotti, D.; Richelli, A.; Kovács-Vajna, Z.M. Non-isolated multiple-input boost converter for energy harvesting. Electron. Lett. 2017, 53, 1132–1134. [Google Scholar] [CrossRef]
- Netzahuatl, E.; Cortes, D.; Ramirez-Salinas, M.A.; Resa, J.; Hernandez, L.; Hernandez, F.-D. Modeling, Design Procedure and Control of a Low-Cost High-Gain Multi-Input Step-Up Converter. Electronics 2019, 8, 1424. [Google Scholar] [CrossRef]
- Matsuo, H.; Kobayashi, K.; Sekine, Y.; Asano, M.; Wenzhong, L. Novel solar cell power supply system using the multiple-input DC–DC converter. In Proceedings of the INTELEC Twentieth International Telecommunications Energy Conference, San Francisco, CA, USA, 4–8 October 1998; pp. 797–802. [Google Scholar] [CrossRef]
- Redl, R.; Balogh, L.; Edwards, D.W. Optimum ZVS full-bridge dc/dc converter with PWM phase-shift control: Analysis, design considerations, and experimentation. In Proceedings of the Annual IEEE Conference on Applied Power Electronics Conference and Exposition (APEC), Orlando, FL, USA, 13–17 February 1994; pp. 159–165. [Google Scholar]
- Colomer-Farrarons, J.; Miribel-Catala, P.; Saiz-Vela, A.; Samitier, J. A Multiharvested Self-Powered System in a Low-Voltage Low-Power Technology. IEEE Trans. Ind. Electron. 2011, 58, 4250–4263. [Google Scholar] [CrossRef]
- Poongan, B.; Rajendran, J.; Mariappan, S.; Shasidharan, P.; Nathan, A. A Capacitorless Multi-Voltage Domain Low Dropout Regulator with 400 mA Load Current for Embedded System Application. In Proceedings of the 2022 IEEE International Conference on Semiconductor Electronics (ICSE), Bangalore, India, 11–14 December 2022; pp. 97–100. [Google Scholar] [CrossRef]
- Kang, T.; Kim, S.; Hyoung, C.; Kang, S.; Park, K. An energy combiner for a multi-input energy-harvesting system. IEEE Trans. Circuits II 2015, 62, 911–915. [Google Scholar] [CrossRef]
- Liu, C.W.; Lee, H.H.; Liao, P.C.; Chen, Y.L.; Chung, M.J.; Chen, P.H. Dual-source energy-harvesting interface with cycle-by-cycle source tracking and adaptive peak-inductor-current control. IEEE J. Solid-St. Circ. 2018, 53, 2741–2750. [Google Scholar] [CrossRef]
- Li, C.; Huang, H.; Sun, Y.; Liu, X. A GaN based Switch Capacitor Circuit for Multi-Electromagnetic EHs Combination. In Proceedings of the 2021 IEEE 1st International Power Electronics and Application Symposium (PEAS), Shanghai, China, 12–15 November 2021; pp. 1–6. [Google Scholar] [CrossRef]
- Rodič, M.; Milanovič, M.; Truntič, M.; Ošlaj, B. Switched-Capacitor Boost Converter for Low Power Energy Harvesting Applications. Energies 2018, 11, 3156. [Google Scholar] [CrossRef]
- Aloqlah, A.S.; Alhawari, M. A Resistor-Network Model of Dickson Charge Pump Using Steady-State Analysis. Energies 2022, 15, 1899. [Google Scholar] [CrossRef]
- Amin, S.S.; Mercier, P.P. MISIMO: A Multi-Input Single-Inductor Multi-Output Energy Harvesting Platform in 28-nm FDSOI for Powering Net-Zero-Energy Systems. IEEE J. Solid-St. Circ. 2018, 53, 3407–3419. [Google Scholar] [CrossRef]
- Chandrarathna, S.C.; Ali, M.; Moon, S.-Y.; Lee, J.-W. A 1.2 µW–132 mW, 92% Peak Efficiency, All-in-One Power Management IC for Heterogeneous Combining a Single Shared inductor. In Proceedings of the 2022 IEEE 34th International Symposium on Power Semiconductor Devices and ICs (ISPSD), Vancouver, BC, Canada, 22–25 May 2022; pp. 29–32. [Google Scholar] [CrossRef]
- Chowdary, G.; Singh, A.; Chatterjee, S. An 18 nA, 87% Efficient Solar, Vibration and RF Energy-Harvesting Power Management System with a Single Shared Inductor. IEEE J. Solid-State Circuit 2016, 51, 2501–2513. [Google Scholar] [CrossRef]
- Li, X.L.; Tse, C.K.; Lu, D.D.-C. Single-Inductor Multi-Input Multi-Output DC-DC Converter with High Flexibility and Simple Control. In Proceedings of the 2020 IEEE International Symposium on Circuits and Systems (ISCAS), Sevilla, Spain, 10–21 October 2020; pp. 1–5. [Google Scholar] [CrossRef]
- Kim, H.; Maeng, J.; Park, I.; Jeon, J.; Lim, D.; Kim, C. A 90.2% Peak Efficiency Multi-Input Single-Inductor Multi-Output Energy Harvesting Interface With Double-Conversion Rejection Technique and Buck-Based Dual-Conversion Mode. IEEE J. Solid-State Circuit 2021, 56, 961–971. [Google Scholar] [CrossRef]









Publisher’s Note: MDPI stays neutral with regard to jurisdictional claims in published maps and institutional affiliations. |
© 2022 by the authors. Licensee MDPI, Basel, Switzerland. This article is an open access article distributed under the terms and conditions of the Creative Commons Attribution (CC BY) license (https://creativecommons.org/licenses/by/4.0/).
Share and Cite
Othman, A.; Hrad, J.; Hajek, J.; Maga, D. Control Strategies of Hybrid Energy Harvesting—A Survey. Sustainability 2022, 14, 16670. https://doi.org/10.3390/su142416670
Othman A, Hrad J, Hajek J, Maga D. Control Strategies of Hybrid Energy Harvesting—A Survey. Sustainability. 2022; 14(24):16670. https://doi.org/10.3390/su142416670
Chicago/Turabian StyleOthman, Akeel, Jaromir Hrad, Jiri Hajek, and Dusan Maga. 2022. "Control Strategies of Hybrid Energy Harvesting—A Survey" Sustainability 14, no. 24: 16670. https://doi.org/10.3390/su142416670
APA StyleOthman, A., Hrad, J., Hajek, J., & Maga, D. (2022). Control Strategies of Hybrid Energy Harvesting—A Survey. Sustainability, 14(24), 16670. https://doi.org/10.3390/su142416670

