Three-Level NPC Inverter-Fed IM Drives under PTC, Minimizing the Involved Voltage Vectors and Balancing the DC Bus Capacitor Voltages
Abstract
1. Introduction
- Minimize the number of applied active voltage vectors to six.
- Reduce the commutation of the inverter power switches thanks to the clamping of the stator phase terminals to the DC bus voltage.
- Simplify the cost functions by the elimination of one or more weighting factors.
2. Induction Motor Modeling
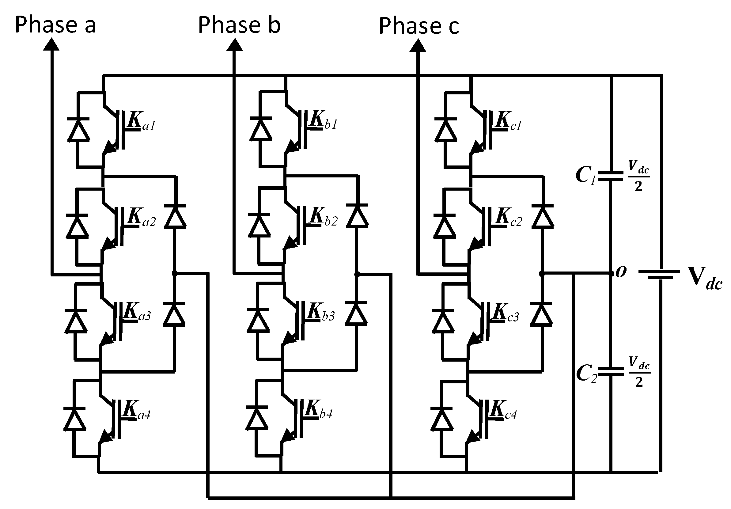
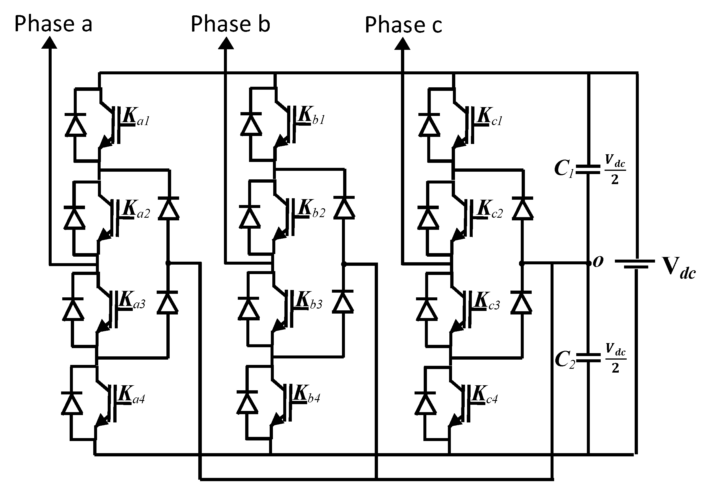
3. 3L-NPC Inverter Modeling
- which can be simplified to .
- which can be simplified to .
- which can be reduced to .
4. PTC Strategies Dedicated to 3L-NPC Inverter-Fed IM Drives
4.1. Conventional PTC Basis
- The estimation of the rotor and stator fluxes at time with is the sampling period,
- The prediction of the stator and rotor fluxes, the stator current, and the electromagnetic torque at time . For the sake of a time delay compensation in a real-time implementation, a second prediction is required at time ,
- The actuation following the minimization of the cost function.
4.1.1. Rotor and Stator Flux Estimation
4.1.2. Stator Flux, Stator Current, and Electromagnetic Torque Prediction
4.1.3. Cost Function Optimization
- Balancing the neutral point voltage. The corresponding error and weighting factor are noted as and , respectively,
- Minimizing the number of switching transitions . The weighting factor is noted as .
- is the reference electromagnetic torque. which corresponds to the output of speed PI controller.
- is the rated electromagnetic torque.
- is the rated stator flux.
- is the weighting flux factor, introduced to account for the difference in units and magnitudes of the torque and flux.
4.2. Introduced PTCs
- The great effort required to tune three weighting factors (, , and ).
- The huge CPU time spent in the online selection among 27 of the suitable voltage vectors.
- The excessive torque and stator flux ripple.
4.2.1. SV-PTC1
- ⋄
- Set 1 = , , , , , that enables the clamping of the stator c-phase to the low level DC bus voltage.
- ⋄
- Set 2 = , , , , , that enables the clamping of the stator b-phase to the high level of the dc-bus voltage.
4.2.2. SV-PTC2
- ⋆
- >: the upper switches are switched ON to achieve the balance;
- ⋆
- <: the lower switches are switched ON to achieve the balance.
5. Case Study
5.1. Simulation Results
- The rotor speed (in blue) followed its reference (in red) under the three PTC schemes.
- The neutral point voltage was well-balanced under the three schemes, with a slight increase limited to 1.25% of the DC bus voltage at low speeds under the SV-PTC2.
- A reduction of the stator current harmonic distortion and damping of the electromagnetic torque ripple were gained thanks to the implementation of SV-PCT1 and SV-PCT2.
- The DC bus capacitance voltages were quite balanced under the three strategies with the neutral point voltage not exceeding 0.2 V for C-PTC, 2 V for the SV-PTC1, and 2.2 V for SV-PTC2,
- The two proposed SV-PTCs mitigated the switching commutation thanks to the clamping of the stator phases to the high and low levels of DC bus voltages, which were regular in the case of SV-PTC1 and arbitrary in the case of SV-PTC2.
- Compared to C-PTC, SV-PTC1 and SV-PTC2 strategies exhibited higher performances in terms of the reduction of the ripple of the stator flux and electromagnetic torque. This statement was confirmed by a firm comparison; the results are provided in Table 6.
5.2. Experimental Validation
5.2.1. Test Bench Description
5.2.2. Transient Behavior
- Figure 9a–c show the scopes illustrating the waveforms of the motor speed and the electromagnetic torque yielded by C-PTC, SV-PTC1, and SV-PTC2, respectively,
- Figure 9d–f show the scopes illustrating the waveforms of the stator flux and the electromagnetic torque yielded by C-PTC, SV-PTC1, and SV-PTC2, respectively,
5.2.3. Steady-State Operation
- Figure 10a–c show the scopes illustrating the sector succession and the sum of the control signals of yielded by C-PTC, SV-PTC1, and SV-PTC2, respectively,
- Figure 10d–f show the scopes illustrating the waveforms of the two DC bus capacitor voltages and yielded by C-PTC, SV-PTC1, and SV-PTC2, respectively.
- Figure 10g–i show the scopes illustrating the locus described by the extremities of the applied voltage vectors yielded by C-PTC, SV-PTC1, and SV-PTC2, respectively,
- Figure 10j–l show the scopes illustrating the waveforms of the stator phase voltage and current yielded by C-PTC, SV-PTC1, and SV-PTC2, respectively.
5.3. Simulation versus Experimental Results
6. Conclusions
- The reduction of the switching transitions (thanks to the phases clamping);
- The mitigation of the current distortion and the torque and flux ripples,
- The minimization of the number of weighting factors in the cost function without disturbing the neutral point voltage balance.
Author Contributions
Funding
Institutional Review Board Statement
Informed Consent Statement
Data Availability Statement
Conflicts of Interest
References
- Takahashi, I.; Noguchi, T. A new quick-response and high-efficiency control strategy of an induction motor. IEEE Trans. Ind. Appl. 1986, 22, 820–827. [Google Scholar] [CrossRef]
- Depenbrock, M. Direct self-control (DSC) of inverter-fed induction machine. IEEE Trans. Power Electron. 1988, 3, 420–429. [Google Scholar] [CrossRef]
- Casadei, D.; Profumo, F.; Serra, G.; Tani, A. FOC and DTC: Two viable schemes for induction motors torque control. IEEE Trans. Power Electron. 2002, 17, 779–787. [Google Scholar] [CrossRef]
- Xie, H.; Wang, F.; He, Y.; Rodriguez, J.; Kennel, R. Encoderless parallel predictive torque control for induction machine using a robust model reference adaptive system. IEEE Trans. Energy Convers. 2022, 37, 232–242. [Google Scholar] [CrossRef]
- Alsofyani, I.M.; Lee, K.-B. A unidirectional voltage vector preselection strategy for optimizing model predictive torque control with discrete space vector modulation of IPMSM. IEEE Trans. Indus. Electron. 2022, 69, 12305–12315. [Google Scholar] [CrossRef]
- Fang, G.; Ye, J.; Xiao, D.; Xia, Z.; Emadi, A. Low-ripple continuous control set model predictive torque control for switched reluctance machines based on equivalent linear SRM model. IEEE Trans. Indus. Electron. 2022, 69, 12480–12495. [Google Scholar] [CrossRef]
- He, Z.; Shi, Q.; Wei, Y.; Zheng, J.; Gao, B.; He, L. A torque demand model predictive control approach for driving energy optimization of battery electric vehicle. IEEE Trans. Veh. Technol. 2021, 70, 3232–3242. [Google Scholar] [CrossRef]
- Kousalya, V.; Rai, R.; Singh, B. Sliding model-based predictive torque control of induction motor for electric vehicle. IEEE Trans. Ind. Appl. 2022, 58, 742–752. [Google Scholar]
- Badawy, M.O.; Sharma, M.; Hernandez, C.; Elrayyah, A.; Guerra, S.; Coe, J. Model predictive control for multi-port modular multilevel converters in electric vehicles enabling HESDs. IEEE Trans. Energy Convers. 2022, 37, 10–23. [Google Scholar] [CrossRef]
- Liu, H.; Zhang, L.; Wang, P.; Chen, H. A real-time NMPC Strategy for electric vehicle stability improvement combining torque vectoring with rear-wheel steering. IEEE Trans. Trans. Electrif. 2022, 8, 3825–3835. [Google Scholar] [CrossRef]
- Oncken, J.; Chen, B. Real-time model predictive powertrain control for a connected plug-in hybrid electric vehicle. IEEE Trans. Veh. Technol. 2022, 69, 8420–8432. [Google Scholar] [CrossRef]
- Pereira, D.F.; da Costa Lopes, F.; Watanabe, E.H. Nonlinear model predictive control for the energy management of fuel cell hybrid electric vehicles in real time. IEEE Trans. Ind. Electron. 2021, 68, 3213–3223. [Google Scholar] [CrossRef]
- Griefnow, P.; Jakoby, M.; Dorschel, L.; Andert, J. Nonlinear model predictive control of mild hybrid powertrains with electric supercharging. IEEE Trans. Veh. Technol. 2021, 70, 8490–8504. [Google Scholar] [CrossRef]
- Zhang, Y.; Huang, Y.; Chen, Z.; Li, G.; Liu, Y. An optimal control strategy for plug-in hybrid electric vehicles based on enhanced model predictive control with efficient numerical method. IEEE Trans. Trans. Electrif. 2022, 8, 2516–2530. [Google Scholar] [CrossRef]
- Kou, P.; Wang, J.; Liang, D. Powered yaw control for distributed electric propulsion aircraft: A model predictive control approach. IEEE Trans. Trans. Electrif. 2022, 7, 3006–3020. [Google Scholar] [CrossRef]
- Zhang, J.; Roumeliotis, I.; Zolotas, A. Nonlinear model predictive control-based optimal energy management for hybrid electric aircraft considering aerodynamics-propulsion coupling effects. IEEE Trans. Trans. Electrif. 2022, 8, 2640–2653. [Google Scholar] [CrossRef]
- Gomez, L.A.G.; Lourenco, L.F.N.; Grilo, A.P.; Salles, M.B.C.; Meegahapola, L.; Sguarezi Filho, A.J. Primary frequency response of microgrid using doubly fed induction generator with finite control set model predictive control plus droop control and storage system. IEEE Access 2020, 8, 189298–189312. [Google Scholar] [CrossRef]
- Jlassi, I.; Marques Cardoso, A.J. Enhanced and computationally efficient model predictive flux and power control of PMSG drives for wind turbine applications. IEEE Trans. Ind. Electron. 2021, 68, 6574–6583. [Google Scholar] [CrossRef]
- Zarei, M.E.; Ramirez, D.; Prodanovic, M.; Arana, G.M. Model predictive control for PMSG-based wind turbines with overmodulation and adjustable dynamic response time. IEEE Trans. Ind. Electron. 2022, 69, 1573–1585. [Google Scholar] [CrossRef]
- Lin, X.; Huang, W.; Jiang, W.; Zhao, Y.; Zhu, S. Predictive torque control for PMSM based on weighting factor elimination and fast voltage vector selection. IEEE J. Emerg. Sel. Top. Power Electron. 2020, 8, 3736–3750. [Google Scholar] [CrossRef]
- Zhang, Y.; Bai, Y.; Yang, H.; Zhang, B. Low switching frequency model predictive control of three-level inverter-fed IM drives with speed-sensorless and field-weakening operations. IEEE Trans. Ind. Electron. 2019, 66, 4262–4272. [Google Scholar] [CrossRef]
- Wang, F.; Li, Z.; Tong, X. Modified predictive control method of three-level simplified neutral point clamped inverter for common-mode voltage reduction and neutral-point voltage balance. IEEE Access 2019, 7, 119476–119485. [Google Scholar] [CrossRef]
- Jin, N.; Dai, D.; Xie, H.; Wu, J.; Guo, L. Virtual vector-based FCS-MPC for NPC three-level grid-tied inverter without weighting factor of neutral-point voltage balancing. IEEE Access 2022, 10, 72806–72814. [Google Scholar] [CrossRef]
- Habibullah, M.; Lu, D.D.-C.; Xiao, D.; Rahman, M.F. Finite-state predictive torque control of induction motor supplied from a three level NPC voltage source inverter. IEEE Trans. Power. Electron. 2017, 32, 479–489. [Google Scholar] [CrossRef]
- Habibullah, M.; Lu, D.D.C.; Xiao, D.; Osman, I.; Rahman, M.F. Selected prediction vectors based FS-PTC for 3L-NPC inverter fed motor drives. IEEE Trans. Ind. Appl. 2017, 53, 3588–3597. [Google Scholar] [CrossRef]
- Habibullah, M.; Lu, D.D.-C.; Xiao, D.; Fletcher, J.E.; Rahman, M.F. Predictive torque control of induction motor sensorless drive fed by a 3L-NPC inverter. IEEE Trans. Ind. Inform. 2017, 13, 60–70. [Google Scholar] [CrossRef]
- Zhang, Z.; Tian, W.; Xiong, W.; Kennel, R. Predictive torque control of induction machines fed by 3L-NPC converters with online weighting factor adjustment using fuzzy logic. In Proceedings of the 2017 IEEE Transportation Electrification Conference and Expo (ITEC), Chicago, IL, USA, 22–24 June 2017. [Google Scholar]
- Osman, I.; Xiao, D.; Rahman, M.F. Two-stage optimization based finite state predictive torque control for 3L-NPC inverter fed IM drives. IET Electr. Power Appl. 2018, 13, 64–72. [Google Scholar] [CrossRef]
- Bandy, K.; Stumpf, P. Model predictive torque control for multilevel inverter fed induction machines using sorting networks. IEEE Access 2021, 9, 13800–13813. [Google Scholar] [CrossRef]
- Xiao, D.; Alam, K.S.; Osman, I.; Akter, M.P.; Shakib, S.M.S.I.; Rahman, M.F. Low complexity model predictive flux control for three-level neutral-point clamped inverter-fed induction motor drives without weighting factor. IEEE Trans. Ind. Appl. 2020, 56, 6496–6506. [Google Scholar] [CrossRef]
- Xiao, D.; Akter, M.P.; Alam, K.; Dutta, R.; Mekhilef, S.; Rahman, M.F. Cascaded predictive flux control for a 3-L active NPC fed IM drives without weighting factor. IEEE Trans. Energy Convers. 2021, 36, 1797–1807. [Google Scholar] [CrossRef]
- Osman, I.; Xiao, D.; Rahman, M.F.; Norambuena, M.; Rodriguez, J. An optimal reduced-control-set model predictive flux control for 3L-NPC fed induction motor drive. IEEE Trans. Energy Convers. 2021, 36, 2967–2976. [Google Scholar] [CrossRef]
- Jun, E.-S.; Nguyen, M.H.; Kwak, S.-S. Model predictive control method with NP voltage balance by offset voltage injection for three-phase three-level NPC inverter. IEEE Access 2021, 8, 172175–172195. [Google Scholar] [CrossRef]
- Wang, F.; Lin, G.; He, Y. Passivity-based model predictive control of three-level inverter-fed induction motor. IEEE Trans. Power Electron. 2021, 36, 1984–1993. [Google Scholar] [CrossRef]
- Begh, M.A.W.; Karamanakos, P.; Geyer, T. Gradient-based predictive pulse pattern control of medium-voltage drives — Part I: Control, concept, and analysis. IEEE Trans. Power Electron. 2022, 37, 14222–14236. [Google Scholar] [CrossRef]
- Begh, M.A.W.; Karamanakos, P.; Geyer, T. Gradient-based predictive pulse pattern control of medium-voltage drives — Part II: Performance assessment. IEEE Trans. Power Electron. 2022, 37, 14237–14251. [Google Scholar] [CrossRef]
- Zouari, W.; El Badsi, B. Comparative investigation of bus-clamping PTC strategies for IM drives. In Proceedings of the 2017 Twelfth International Conference on Ecological Vehicles and Renewable Energies (EVER), Monte Carlo, Monaco, 11–13 April 2017. [Google Scholar]
- Mohan, D.; Zhang, X.; Foo, G.H.B. Three-level inverter-fed direct torque control of IPMSM with constant switching frequency and torque ripple reduction. IEEE Trans. Ind. Electron. 2016, 63, 7908–7918. [Google Scholar] [CrossRef]
- Zhang, Y.; Yang, H.; Xia, B. Model predictive torque control of induction motor drives with reduced torque ripple. IET Electr. Power Appl. 2015, 9, 595–604. [Google Scholar] [CrossRef]
- Habibullah, M.; Lu, D.D.-C.; Xiao, D.; Rahman, M.F. A simplified finite-state predictive direct torque control for induction motor drive. IEEE Trans. Ind. Electron. 2016, 63, 3964–3975. [Google Scholar] [CrossRef]
- Basu, K.; Prasad, J.S.S.; Narayanan, G.; Krishnamurthy, H.K.; Ayyanar, R. Reduction of torque ripple in induction motor drives using an advanced hybrid PWM technique. IEEE Trans. Ind. Electron. 2010, 57, 2085–2091. [Google Scholar] [CrossRef]
- El Badsi, B.; Bouzidi, B.; Masmoudi, A. Bus-clamping-based DTC: An attempt to reduce harmonic distortion and switching losses. IEEE Trans. Ind. Electron. 2013, 60, 873–884. [Google Scholar] [CrossRef]
- Li, K.; Wei, M.; Xie, C.; Deng, F.; Guerrero, J.M.; Vasquez, J.C. Triangle carrier-based DPWM for three-level NPC inverters. IEEE J. Emerg. Sel. Top. Power Electron. 2018, 6, 1966–1978. [Google Scholar] [CrossRef]













| Zero voltage vectors | |||||
| 0 0 0 | 0 | 0 | 0 | 0 | |
| 1 1 1 | 0 | 0 | 0 | 0 | |
| -1-1-1 | 0 | 0 | 0 | 0 | |
| Small voltage vectors | |||||
| 1 0 0 | 0 | 0 | |||
| 0-1-1 | 0 | 0 | |||
| 1 1 0 | |||||
| 0 0-1 | |||||
| 0 1 0 | |||||
| -1 0-1 | |||||
| 0 1 1 | 0 | ||||
| -1 0 0 | 0 | ||||
| 0 0 1 | |||||
| -1-1 0 | |||||
| 1 0 1 | |||||
| 0-1 0 | |||||
| Medium voltage vectors | |||||
| 1 0-1 | |||||
| 0 1-1 | 0 | ||||
| -1 1 0 | |||||
| -1 0 1 | |||||
| 0-1 1 | 0 | ||||
| 1-1 0 | |||||
| Large voltage vectors | |||||
| 1-1-1 | 0 | 0 | |||
| 1 1-1 | |||||
| -1 1-1 | |||||
| -1 1 1 | 0 | ||||
| -1-1 1 | |||||
| 1-1 1 | |||||
| Sector | Selected Vectors | Clamped Phase |
|---|---|---|
| 1 | ||
| 2 | ||
| 3 | ||
| 4 | ||
| 5 | ||
| 6 |
| Sector | Condition | Selected Vectors | Clamped Phase |
|---|---|---|---|
| 1 | > | ||
| < | |||
| 2 | > | ||
| < | |||
| 3 | > | ||
| < | |||
| 4 | > | ||
| < | |||
| 5 | > | ||
| < | |||
| 6 | > | ||
| < |
| H | H | e Kg·m | |
| H | e N·m·s |
| Weighting Factor | C-PTC | SV-PTC1 | SV-PTC2 |
|---|---|---|---|
| 100 | 100 | 100 | |
| 1 | 1 | 0 | |
| 1e | 0 | 0 |
| (Wb) | (N·m) | |
|---|---|---|
| C-PTC | 0.0987 | 3.58 |
| SV-PTC1 | 0.0711 | 2.62 |
| SV-PTC2 | 0.06 | 2.53 |
Publisher’s Note: MDPI stays neutral with regard to jurisdictional claims in published maps and institutional affiliations. |
© 2022 by the authors. Licensee MDPI, Basel, Switzerland. This article is an open access article distributed under the terms and conditions of the Creative Commons Attribution (CC BY) license (https://creativecommons.org/licenses/by/4.0/).
Share and Cite
Zouari, W.; El Badsi, I.N.; El Badsi, B.; Masmoudi, A. Three-Level NPC Inverter-Fed IM Drives under PTC, Minimizing the Involved Voltage Vectors and Balancing the DC Bus Capacitor Voltages. Sustainability 2022, 14, 13522. https://doi.org/10.3390/su142013522
Zouari W, El Badsi IN, El Badsi B, Masmoudi A. Three-Level NPC Inverter-Fed IM Drives under PTC, Minimizing the Involved Voltage Vectors and Balancing the DC Bus Capacitor Voltages. Sustainability. 2022; 14(20):13522. https://doi.org/10.3390/su142013522
Chicago/Turabian StyleZouari, Wiem, Imen Nouira El Badsi, Bassem El Badsi, and Ahmed Masmoudi. 2022. "Three-Level NPC Inverter-Fed IM Drives under PTC, Minimizing the Involved Voltage Vectors and Balancing the DC Bus Capacitor Voltages" Sustainability 14, no. 20: 13522. https://doi.org/10.3390/su142013522
APA StyleZouari, W., El Badsi, I. N., El Badsi, B., & Masmoudi, A. (2022). Three-Level NPC Inverter-Fed IM Drives under PTC, Minimizing the Involved Voltage Vectors and Balancing the DC Bus Capacitor Voltages. Sustainability, 14(20), 13522. https://doi.org/10.3390/su142013522

