Instant Closing of Permanent Magnet Synchronous Motor Control Systems at Open-Loop Start
Abstract
1. Introduction
2. State-of-the-Art
2.1. Main Sensorless Algorithm-Based Approach
2.2. Injection-Based Approach
2.3. Trapezoidal
2.4. Speed Open-Loop
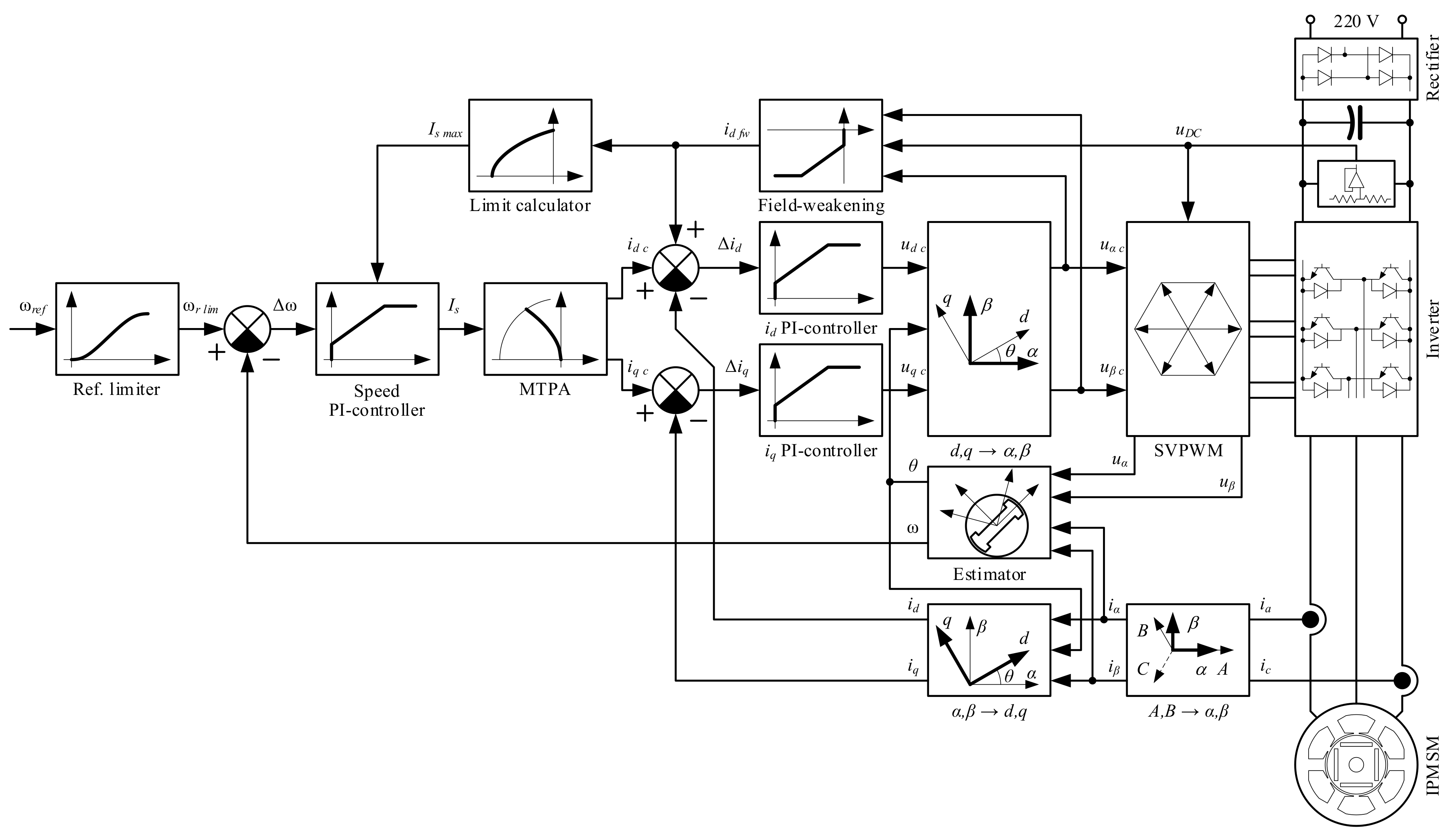
3. Sensorless Vector Control
4. Proposed Method

- ◆
- Set the feedback speed ωfbk equal to the output of the estimator;
- ◆
- Set the reference speed to the closing value ωcl;
- ◆
- Calculate the speed error as (ωcl–ωfbk);
- ◆
- Set the output of the speed controller y and its limited value ylim to the current magnitude, which provides the same torque as the torque in the open-loop:
- ◆
- Set proportional component yp equal to the Δω∙Kp;
- ◆
- Set integral component equal to yi = y−yp;
- ◆
- Initialize the integral sum as: yi[k−1] = yi[k]−Δω∙Ki.
- ◆
- Set reference and feedback currents according to (6);
- ◆
- Set current errors Δid and Δid to zero;
- ◆
- Set outputs of the current controllers according to (7);
- ◆
- Set proportional components of the current controllers to zero;
- ◆
- Set integral components equal to outputs.
5. Experimental System
6. Experimental Results
- Charging of the inverter bootstrapping capacitors;
- Rotor positioning: rise in current from zero to starting value at a fixed angle of −60°;
- Rotor positioning: rotation of the stator current from −60° to 0°;
- Open-loop starting;
- Transients after closing;
- Normal operation in sensorless mode.
7. Discussion
8. Conclusions
Funding
Institutional Review Board Statement
Informed Consent Statement
Data Availability Statement
Conflicts of Interest
References
- Raud, Z.; Vodovozov, V.; Lillo, N.; Rassolkin, A. Reserves for regenerative braking of battery electric vehicles. In Proceedings of the 2014 Electric Power Quality and Supply Reliability Conference (PQ), Rakvere, Estonia, 11–13 June 2014; pp. 189–194. [Google Scholar] [CrossRef]
- Ibrahim, M.; Rassõlkin, A.; Vaimann, T.; Kallaste, A. Overview on Digital Twin for Autonomous Electrical Vehicles Propulsion Drive System. Sustainability 2022, 14, 601. [Google Scholar] [CrossRef]
- Lukin, A.; Demidova, G.; Rassõlkin, A.; Lukichev, D.; Vaimann, T.; Anuchin, A. Small Magnus Wind Turbine: Modeling Approaches. Appl. Sci. 2022, 12, 1884. [Google Scholar] [CrossRef]
- Iqbal, M.; Kütt, L.; Lehtonen, M.; Millar, R.; Püvi, V.; Rassõlkin, A.; Demidova, G. Travel Activity Based Stochastic Modelling of Load and Charging State of Electric Vehicles. Sustainability 2021, 13, 1550. [Google Scholar] [CrossRef]
- Goman, V.; Prakht, V.; Kazakbaev, V.; Dmitrievskii, V. Comparative Study of Induction Motors of IE2, IE3 and IE4 Efficiency Classes in Pump Applications Taking into Account CO2 Emission Intensity. Appl. Sci. 2020, 10, 8536. [Google Scholar] [CrossRef]
- Gevorkov, L.; Rassõlkin, A.; Kallaste, A.; Vaimann, T. Simulation Study of a Centrifugal Pumping Plant’s Power Consumption at Throttling and Speed Control. In Proceedings of the 2017 IEEE 58th International Scientific Conference on Power and Electrical Engineering of Riga Technical University (RTUCON), Riga, Latvia, 12–13 October 2017; pp. 1–5. [Google Scholar]
- Goman, V.; Prakht, V.; Kazakbaev, V.; Dmitrievskii, V. Comparative Study of Energy Consumption and CO2 Emissions of Variable-Speed Electric Drives with Induction and Synchronous Reluctance Motors in Pump Units. Mathematics 2021, 9, 2679. [Google Scholar] [CrossRef]
- Goman, V.; Oshurbekov, S.; Kazakbaev, V.; Prakht, V.; Dmitrievskii, V. Energy Efficiency Analysis of Fixed-Speed Pump Drives with Various Types of Motors. Appl. Sci. 2019, 9, 5295. [Google Scholar] [CrossRef]
- Bolognani, S.; Petrella, R.; Prearo, A.; Sgarbossa, L. Automatic tracking of MTPA trajectory in IPM motor drives based on AC current injection. IEEE Trans. Ind. Appl. 2011, 47, 105–114. [Google Scholar] [CrossRef]
- Qiang, G.; Wei, W.; Rongjie, R.; Dianguo, X. Design of IMC controller with anti-saturation for PMSM compressor system. In Proceedings of the 2008 IEEE Vehicle Power and Propulsion Conference, Harbin, China, 3–5 September 2008; pp. 1–5. [Google Scholar] [CrossRef]
- Fatu, M.; Teodorescu, R.; Boldea, I.; Andreescu, G.D.; Blaabjerg, F. I-F starting method with smooth transition to EMF based motion-sensorless vector control of PM synchronous motor/generator. In Proceedings of the 2008 IEEE Power Electronics Specialists Conference, Rhodes, Greece, 15–19 June 2008; pp. 1481–1487. [Google Scholar] [CrossRef]
- Yun, S.Y.; Lee, H.J.; Lee, J.J.; Kim, I.G.; Lee, J. Research on the starting methods for initial driving of PMSM. In Proceedings of the 2012 15th International Conference on Electrical Machines and Systems (ICEMS), Sapporo, Japan, 21–24 October 2012; pp. 1–5. [Google Scholar]
- Lee, W.J.; Sul, S.K. A new starting method of BLDC motors without position sensor. In Proceedings of the Conference Record of the 2004 IEEE Industry Applications Conference, 2004. 39th IAS Annual Meeting, Seattle, WA, USA, 3–7 October 2004. [Google Scholar] [CrossRef]
- Wu, S.; Li, Y.; Miao, X. Comparison of signal injection methods for sensorless control of PMSM at very low speeds. In Proceedings of the 2007 European Conference on Power Electronics and Applications, Aalborg, Denmark, 2–5 September 2007; pp. 1–6. [Google Scholar] [CrossRef]
- Wang, G.; Xiao, D.; Zhao, N.; Zhang, X.; Wang, W.; Xu, D. Low-Frequency Pulse Voltage Injection Scheme-Based Sensorless Control of IPMSM Drives for Audible Noise Reduction. IEEE Trans. Ind. Electron. 2017, 64, 8415–8426. [Google Scholar] [CrossRef]
- Kereszty, T.; Leppanen, V.M.; Luomi, J. Sensorless control of surface magnet synchronous motors at low speeds using low-frequency signal injection. In Proceedings of the IECON’03. 29th Annual Conference of the IEEE Industrial Electronics Society, Roanoke, VA, USA, 2–6 November 2003; pp. 1239–1243. [Google Scholar] [CrossRef]
- Basic, D.; Malrait, F.; Rouchon, P. Current Controller for Low-Frequency Signal Injection and Rotor Flux Position Tracking at Low Speeds. IEEE Trans. Ind. Electron. 2010, 58, 4010–4022. [Google Scholar] [CrossRef]
- Lee, K.W.; Kim, D.K.; Kim, B.T.; Kwon, B.I. A Novel Starting Method of the Surface Permanent-Magnet BLDC Motors Without Position Sensor for Reciprocating Compressor. IEEE Trans. Ind. Appl. 2008, 44, 85–92. [Google Scholar] [CrossRef]
- Kim, D.K.; Rhyu, S.H.; Lee, K.W.; Kim, B.T.; Chung, D.H.; Kwon, B.I. Comparison of Starting Method for Position Sensorless BLDC Motor Driven Reciprocating Compressor. In Proceedings of the 2008 IEEE Industry Applications Society Annual Meeting, Edmonton, AB, Canada, 5–9 October 2008; pp. 1–6. [Google Scholar] [CrossRef]
- Fu, Y.J.; Huang, L.T.; Lin, R.Y.; Chen, C.H. Reliable starting method for sensorless brushless dc motor drive. In Proceedings of the 2012 IEEE/ASME International Conference on Advanced Intelligent Mechatronics (AIM), Kaohsiung, Taiwan, 11–14 July 2012. [Google Scholar] [CrossRef]
- Lin, S.; Bi, C.; Jiang, Q.; Phyu, H.N. Analysis of three synchronous drive modes for the starting performance of spindle motors. IEEE Trans.Magn. 2007, 43, 3734–3737. [Google Scholar] [CrossRef]
- Marcic, T.; Stumberger, B.; Stumberger, G. Comparison of Induction Motor and Line-Start IPM Synchronous Motor Performance in a Variable-Speed Drive. IEEE Trans. Ind. Appl. 2012, 48, 2341–2352. [Google Scholar] [CrossRef]
- Rachev, E.; Petrov, V. An Approach to Solving Ramp Start Issues in Sensorless Field Oriented Control with Sliding Mode Observer for Permanent Magnet Synchronous Motors. In Proceedings of the 2019 16th Conference on Electrical Machines, Drives and Power Systems (ELMA), Varna, Bulgaria, 6–8 June 2019; pp. 1–4. [Google Scholar] [CrossRef]
- Liu, J.; Nondahl, T.A.; Dai, J.; Royak, S.; Schmidt, P.B. A Seamless Transition Scheme of Position Sensorless Control in Industrial Permanent Magnet Motor Drives With Output Filter and Transformer for Oil Pump Applications. IEEE Trans. Ind. Appl. 2020, 56, 2180–2189. [Google Scholar] [CrossRef]
- Dianov, A.; Young-Kwan, K.; Sang-Joon, L.; Sang-Taek, L.; Tae-Ho, Y. Sensorless IPMSM based drive for reciprocating compressor. In Proceedings of the 2008 13th International Power Electronics and Motion Control Conference, Poznan, Poland, 1–3 September 2008; pp. 1002–1008. [Google Scholar] [CrossRef]
- Xiaohan, M.; Xiaolin, W.; Zhiquan, D.; Pengfei, Z.; Yao, Z. Position sensorless starting method of BLDC motor based on SVPWM and stator magnetomotive force control. In Proceedings of the IECON 2013—39th Annual Conference of the IEEE Industrial Electronics Society, Vienna, Austria, 10–13 November 2013; pp. 3054–3059. [Google Scholar] [CrossRef]
- Nair, S.V.; Hatua, K.; Prasad, N.D.; Reddy, D.K. A Smooth and Stable Open-Loop I-F Control for a Surface Mount PMSM Drive by Ensuring Controlled Starting Torque. In Proceedings of the IECON 2018—44th Annual Conference of the IEEE Industrial Electronics Society, Washington, DC, USA, 21–23 October 2018; pp. 355–360. [Google Scholar] [CrossRef]
- Nair, S.V.; Hatua, K.; Prasad, N.V.P.R.D.; Reddy, D.K. A Quick I—f Starting of PMSM Drive With Pole Slipping Prevention and Reduced Speed Oscillations. IEEE Trans. Ind. Electron. 2020, 68, 6650–6661. [Google Scholar] [CrossRef]
- Li, Z.; Zhang, Q.; Luo, H.; Wang, H.; Wang, J.; Han, F.; Wang, A.; Liu, X.; Yu, X.; Zhou, L. Sensorless Starting Control of Permanent Magnet Synchronous Motors with Step-up Transformer for Downhole Electric Drilling. In Proceedings of the IECON 2018—44th Annual Conference of the IEEE Industrial Electronics Society, Washington, DC, USA, 21–23 October 2018; pp. 689–694. [Google Scholar] [CrossRef]
- Jiang, D.; Lai, R.; Wang, F.; Burgos, R.; Boroyevich, D. Start-up transient improvement for sensorless control approach of PM motor. In Proceedings of the 2010 Twenty-Fifth Annual IEEE Applied Power Electronics Conference and Exposition (APEC), Palm Springs, CA, USA, 21–25 February 2010; pp. 408–413. [Google Scholar] [CrossRef]
- Xu, P.; Zhu, Z.Q. Novel Carrier Signal Injection Method Using Zero Sequence Voltage for Sensorless Control of PMSM Drives. IEEE Trans. Ind. Electron. 2015, 63, 2053–2061. [Google Scholar] [CrossRef]
- Pacha, M.; Zossak, S. Improved Simple I-F Open-Loop Start-up of PMSM Drives Without Speed or Position Sensor. In Proceedings of the 2019 IEEE 10th International Symposium on Sensorless Control for Electrical Drives (SLED), Turin, Italy, 9–10 September 2019; pp. 1–6. [Google Scholar] [CrossRef]
- Baratieri, C.L.; Pinheiro, H. An I-F starting method for smooth and fast transition to sensorless control of BLDC motors. In Proceedings of the 2013 Brazilian Power Electronics Conference, Gramado, Brazil, 27–31 October 2013; pp. 836–843. [Google Scholar] [CrossRef]
- Dianov, A. Estimation of the Mechanical Position of Reciprocating Compressor for Silent Stoppage. IEEE Open J. Power Electron. 2020, 1, 64–73. [Google Scholar] [CrossRef]
- Lee, S.T.; Kim, H.J.; Kim, D.K.; Lee, K.W. A novel load variation compensation algorithm in a sensor-less brushless DC motor drive for a reciprocating compressor. In Proceedings of the INTELEC 2009—31st International Telecommunications Energy Conference, Incheon, Korea, 18–22 October 2009; pp. 1–4. [Google Scholar] [CrossRef]
- Dianov, A.; Kim, N.S.; Lim, S.M. Sensorless starting of horizontal axis washing machines with direct drive. In Proceedings of the 2013 International Conference on Electrical Machines and Systems (ICEMS), Busan, Korea, 26–29 October 2013; pp. 1–6. [Google Scholar] [CrossRef]
- Dianov, A.; Anuchin, A.S.; Kozachenko, V.F. Initial rotor position detection of PM motors. In Proceedings of the EPE Power Electronics and Motion Control Conference, Riga, Latvia, 2–4 September 2004; pp. 1–6. [Google Scholar]
- Dianov, A. Optimized Field-Weakening Strategy for Control of PM Synchronous Motors. In Proceedings of the 2022 29th International Workshop on Electric Drives: Advances in Power Electronics for Electric Drives (IWED), Moscow, Russian, 26–29 January 2022; pp. 1–6. [Google Scholar]
- Kudelina, K.; Vaimann, T.; Asad, B.; Rassõlkin, A.; Kallaste, A.; Demidova, G. Trends and Challenges in Intelligent Condition Monitoring of Electrical Machines Using Machine Learning. Appl. Sci. 2021, 11, 2761. [Google Scholar] [CrossRef]
- Demidova, G.L.; Kallaste, A.; Kuts, V.; Orosz, T.; Rassõlkin, A.; Rjabtšikov, V.; Vaimann, T. Implementation of Digital Twins for electrical energy conversion systems in selected case studies. Proc. Estonian Acad. Sci. 2021, 70, 19. [Google Scholar] [CrossRef]
- Dianov, A. Instant and seamless closing of control system of IPMSM after open-loop starting. In Proceedings of the 2021 XVIII International Scientific Technical Conference Alternating Current Electric Drives (ACED), Ekaterinburg, Russia, 24–27 May 2021; pp. 1–6. [Google Scholar] [CrossRef]
- Dmitrievskii, V.; Prakht, V.; Kazakbaev, V.; Sarapulov, S. Optimal Design of a High-Speed Single-Phase Flux Reversal Motor for Vacuum Cleaners. Energies 2018, 11, 3334. [Google Scholar] [CrossRef]
- Dmitrievskii, V.; Prakht, V.; Kazakbaev, V. IE5 Energy-Efficiency Class Synchronous Reluctance Motor With Fractional Slot Winding. IEEE Trans. Ind. Appl. 2019, 55, 4676–4684. [Google Scholar] [CrossRef]
- Anuchin, A.; Dianov, A.; Kozachenko, V. Adaptive efficient control for switch-reluctance drives with DCDC-regulator for inverter supply. In Proceedings of the EPE Power Electronics and Motion Control Conference, Riga, Latvia, 2–4 September 2004; pp. 1–5. [Google Scholar]
- Dianov, A.; Anuchin, A. Review of fast square root calculation methods for fixed point microcontroller-based control systems of power electronics. Int. J. Power Electron. Drive Syst. 2020, 11, 1153–1164. [Google Scholar] [CrossRef]
- Do, H.D.; Anuchin, A.; Shpak, D.; Zharkov, A.; Rusakov, A. Overvoltage protection for interior permanent magnet synchronous motor testbench. In Proceedings of the 2018 25th International Workshop on Electric Drives: Optimization in Control of Electric Drives (IWED), Moscow, Russia, 31 January–2 February 2018; pp. 1–4. [Google Scholar] [CrossRef]
- Anuchin, A.; Il’In, G.; Belyakov, G.; Shpak, D. Insulation monitoring system for electric drives in TN networks. In Proceedings of the 2017 International Conference on Modern Power Systems (MPS), Cluj-Napoca, Cluj-Napoca, Romania, 6–9 June 2017; pp. 1–4. [Google Scholar] [CrossRef]
- Yakovenko, M.; Anuchin, A.; Ostrirov, V.; Milskiy, K. Implementation of a Protected Low-Cost Voltage-Source Inverter. In Proceedings of the 2018 X International Conference on Electrical Power Drive Systems (ICEPDS), Novocherkassk, Russia, 3–6 October 2018; pp. 1–4. [Google Scholar] [CrossRef]
- Anuchin, A.; Dianov, A.; Shpak, D.; Astakhova, V.; Fedorova, K. Speed estimation algorithm with specified bandwidth for incremental position encoder. In Proceedings of the 2016 17th International Conference on Mechatronics-Mechatronika (ME), Prague, Czech Republic, 7–9 December 2016; pp. 1–6. [Google Scholar]
- Anuchin, A.; Dianov, A.; Briz, F. Synchronous Constant Elapsed Time Speed Estimation Using Incremental Encoders. IEEE/ASME Trans. Mechatronics 2019, 24, 1893–1901. [Google Scholar] [CrossRef]










| Parameter | Value |
|---|---|
| Pole pairs, p | 3 |
| Stator resistance, Rs [Ω] | 7.2 |
| Direct axis inductance, Ld [mH] | 77 |
| Quadrature axis inductance, Lq [mH] | 117 |
| Flux linkage, ψ [V/rad/s] | 0.143 |
| Rated speed, ωrated [rpm] | 4000 |
| Rated power, Prated [W] | 200 |
| Parameter | Cross-Over Time | Speed Deviation | Current Deviation | |
|---|---|---|---|---|
| Method | ||||
| Proposed (Equation (4)), Figure 9) | Instant | 30 rpm | 0.3 A | |
| Proposed, trajectory (Figure 11) | Instant | <8 rpm | <0.05 A | |
| Cross-over (Equation (1)) | 0.5 s | 50 rpm | 0.2 A | |
| Cross-over (Equation (2)) | 0.8 s | 45 rpm | 0.15 A | |
Publisher’s Note: MDPI stays neutral with regard to jurisdictional claims in published maps and institutional affiliations. |
© 2022 by the author. Licensee MDPI, Basel, Switzerland. This article is an open access article distributed under the terms and conditions of the Creative Commons Attribution (CC BY) license (https://creativecommons.org/licenses/by/4.0/).
Share and Cite
Dianov, A. Instant Closing of Permanent Magnet Synchronous Motor Control Systems at Open-Loop Start. Sustainability 2022, 14, 12665. https://doi.org/10.3390/su141912665
Dianov A. Instant Closing of Permanent Magnet Synchronous Motor Control Systems at Open-Loop Start. Sustainability. 2022; 14(19):12665. https://doi.org/10.3390/su141912665
Chicago/Turabian StyleDianov, Anton. 2022. "Instant Closing of Permanent Magnet Synchronous Motor Control Systems at Open-Loop Start" Sustainability 14, no. 19: 12665. https://doi.org/10.3390/su141912665
APA StyleDianov, A. (2022). Instant Closing of Permanent Magnet Synchronous Motor Control Systems at Open-Loop Start. Sustainability, 14(19), 12665. https://doi.org/10.3390/su141912665

