Simultaneity in Renewable Building Energy Supply—A Case Study on a Lecturing and Exhibition Building on a University Campus Located in the Cfb Climate Zone
Abstract
1. Introduction
- Its own electricity generation by photovoltaic modules and a small wind turbine;
- Different energy storage units:
- -
- Lithium-ion batteries;
- -
- Thermal storage vessels;
- Fully electric heating and cooling units, i.e., reversible heat pumps; and
- A comprehensive data acquisition and processing system enabling different kinds of operation strategies.
- Which different (storage) technologies can be easily applied for renewable and grid-supportive building energy supply;
- How it is possible to achieve simultaneity; and
- How to increase efficiency.
2. Research Scheme and Data Acquisition
2.1. Climate Conditions
2.2. Building Properties and Technology
- Electric energy generation and storage (EEGS);
- Heat and cold generation (HCG);
- Heat and cold distribution system (HCDS).
2.2.1. Electric Energy Generation and Storage
2.2.2. Heat and Cold Generation
2.2.3. Heat and Cold Distribution System
2.2.4. Automation System
- Sufficient electricity generation by the wind turbine and PV; and/or
- Sufficient storage capacity in the heat/cold storage tanks and the Li-ion battery units;
- Sufficient room climate in accordance with the existing regulations.
2.3. Design Phase and Simulation of the Heat and Cold Demand
2.4. Experimental Program
3. Results
3.1. Electricity Generation
3.2. Energy Demand
- The electric consumption of the heat pump is rather low in comparison to the total electric consumption;
- The cooling demand is rather low compared to the heating demand.
3.3. Heating and Cooling
3.4. Storage and Simultaneity
4. Discussion
4.1. Main Findings
- Peak shaving;
- Maximizing grid support;
- Maximizing energy for battery charging point;
- Minimizing greenhouse gas emissions;
- Minimizing energy costs.
4.2. Future Work
5. Conclusions
Supplementary Materials
Author Contributions
Funding
Institutional Review Board Statement
Informed Consent Statement
Data Availability Statement
Acknowledgments
Conflicts of Interest
References
- Opel, O.; Strodel, N.; Werner, K.F.; Geffken, J.; Tribel, A.; Ruck, W. Climate-neutral and sustainable campus Leuphana University of Lueneburg. Energy 2017, 141, 2628–2639. [Google Scholar] [CrossRef]
- Velazquez, L.; Munguia, N.; Platt, A.; Taddei, J. Sustainable university: What can be the matter? J. Clean. Prod. 2006, 14, 810–819. [Google Scholar] [CrossRef]
- Dyussembekova, N.; Temirgaliyeva, N.; Umyshev, D.; Shavdinova, M.; Schuett, R.; Bektalieva, D. Assessment of Energy Efficiency Measures’ Impact on Energy Performance in the Educational Building of Kazakh-German University in Almaty. Sustainability 2022, 14, 9813. [Google Scholar] [CrossRef]
- Yoshida, Y.; Shimoda, Y.; Ohashi, T. Strategies for a sustainable campus in Osaka University. Energy Build. 2017, 147, 1–8. [Google Scholar] [CrossRef]
- de Souza Silva, J.L.; Barbosa de Melo, K.; dos Santos, K.V.; Yoiti Sakô, E.; Da Kitayama Silva, M.; Soeiro Moreira, H.; Bolognesi Archilli, G.; Ito Cypriano, J.G.; Campos, R.E.; Da Pereira Silva, L.C.; et al. Case study of photovoltaic power plants in a model of sustainable university in Brazil. Renew. Energy 2022, 196, 247–260. [Google Scholar] [CrossRef]
- White, J.; Gillott, M.; Gough, R. Investigation of a Combined Air Source Heat Pump and Solar Thermal Heating System Within a Low Energy Research Home. In Progress in Sustainable Energy Technologies: Generating Renewable Energy; Dincer, I., Midilli, A., Kucuk, H., Eds.; Springer International Publishing: Cham, Switzerland, 2014; pp. 355–368. [Google Scholar] [CrossRef]
- Gehlert, G.; Griese, M.; Schlachter, M.; Schulz, C. Analysis and optimisation of dynamic facility ventilation in recirculation aquacultural systems. Aquac. Eng. 2018, 80, 1–10. [Google Scholar] [CrossRef]
- Amaral, A.R.; Rodrigues, E.; Gaspar, A.R.; Gomes, Á. Lessons from unsuccessful energy and buildings sustainability actions in university campus operations. J. Clean. Prod. 2021, 297, 126665. [Google Scholar] [CrossRef]
- Soini, K.; Jurgilevich, A.; Pietikäinen, J.; Korhonen-Kurki, K. Universities responding to the call for sustainability: A typology of sustainability centres. J. Clean. Prod. 2018, 170, 1423–1432. [Google Scholar] [CrossRef]
- Yuan, X.; Zuo, J.; Huisingh, D. Green Universities in China—What matters? J. Clean. Prod. 2013, 61, 36–45. [Google Scholar] [CrossRef]
- Li, D.H.; Yang, L.; Lam, J.C. Zero energy buildings and sustainable development implications—A review. Energy 2013, 54, 1–10. [Google Scholar] [CrossRef]
- Eicker, U. Energy Efficient Buildings with Solar aand Geothermal Resources; Wiley: Chichester, UK, 2014. [Google Scholar]
- Lun, Y.H.V.; Tung, S.L.D. Heat Pumps for Sustainable Heating and Cooling, 1st ed.; Springer: Cham, Switzerland, 2020. [Google Scholar] [CrossRef]
- Kharseh, M.; Altorkmany, L.; Al-Khawaja, M.; Hassani, F. Combined Effect of Global Warming and Buildings Envelope on the Performance of Ground Source Heat Pump Systems. In Progress in Sustainable Energy Technologies: Generating Renewable Energy; Dincer, I., Midilli, A., Kucuk, H., Eds.; Springer International Publishing: Cham, Switzerland, 2014; pp. 299–315. [Google Scholar] [CrossRef]
- Riffat, S.; Omer, S.; Omer, A. Environmentally Friendly Systems: Earth Heat Pump System with Vertical Pipes for Heat Extraction for Domestic Heating and Cooling. In Progress in Sustainable Energy Technologies: Generating Renewable Energy; Dincer, I., Midilli, A., Kucuk, H., Eds.; Springer International Publishing: Cham, Switzerland, 2014; pp. 589–604. [Google Scholar] [CrossRef]
- Reddy, T.A.; Kreider, J.F.; Curtiss, P.; Rabl, A. Heating and Cooling of Buildings: Principles and Practice of Energy Efficient Design, 3rd ed.; CRC Press/Taylor & Francis Group: Boca Raton, FL, USA, 2017. [Google Scholar]
- Rezaie, B.; Rosen, M.A. District heating and cooling: Review of technology and potential enhancements. Appl. Energy 2012, 93, 2–10. [Google Scholar] [CrossRef]
- Soman, A.; Trivedi, A.; Irwin, D.; Kosanovic, B.; McDaniel, B.; Shenoy, P. Peak Forecasting for Battery-based Energy Optimizations in Campus Microgrids. In Proceedings of the Eleventh ACM International Conference on Future Energy Systems, Virtual Event, 22–26 June 2020; ACM: New York, NY, USA, 2020; pp. 237–241. [Google Scholar] [CrossRef]
- Muthuraju, P.; Moghimi, M.; Stegen, S.; Lu, J.; Kaparaju, P. Integration of Renewable Energies to Convert University Commercial Buildings to Net-Zero Energy Buildings. In Sustainability in Energy and Buildings 2018. Smart Innovation, Systems and Technologies; Kaparaju, P., Howlett, R.J., Littlewood, J.E., Ekanyake, C., Vlacic, L., Eds.; Springer: Cham, Switzerland, 2019; Volume 131, pp. 95–105. [Google Scholar] [CrossRef]
- Beck, H.E.; Zimmermann, N.E.; McVicar, T.R.; Vergopolan, N.; Berg, A.; Wood, E.F. Present and future Köppen-Geiger climate classification maps at 1-km resolution. Sci. Data 2018, 5, 180214. [Google Scholar] [CrossRef]
- Yamazaki, D.; Ikeshima, D.; Sosa, J.; Bates, P.D.; Allen, G.H.; Pavelsky, T.M. MERIT Hydro: A High–Resolution Global Hydrography Map Based on Latest Topography Dataset. Water Resour. Res. 2019, 55, 5053–5073. [Google Scholar] [CrossRef]
- Solargis. Global Solar Atlas 2.0, a Free, Web-Based Application Is Developed and Operated by the Company Solargis s.r.o. on Behalf of the World Bank Group, Utilizing Solargis Data, with Funding Provided by the Energy Sector Management Assistance Program (ESMAP). Available online: https://globalsolaratlas.info (accessed on 13 August 2022).
- Technical University of Denmark. Global Wind Atlas 3.0, a Free, Web-Based Application Developed, Owned and Operated by the Technical University of Denmark (Dtu). The Global Wind Atlas 3.0 Is Released in Partnership with the World Bank Group, Utilizing Data Provided by Vortex, Using Funding Provided by the Energy Sector Management Assistance Program (ESMAP). Available online: https://globalwindatlas.info (accessed on 13 August 2022).
- Bundesrat. Verordnung über energiesparenden Wärmeschutz und energiesparende Anlagentechnik bei Gebäuden (Energieeinsparverordnung - EnEV); Drucksache 282/07; Bundesanzeiger Verlagsgesellschaft: Köln, Germany, 2007. [Google Scholar]
- DIN EN 12831-1:2017-09; Energy Performance of Buildings-Method for Calculation of the Design Heat Load—Part 1: Space Heating Load, Module M3-3; German Version. Beuth Verlag GmbH: Berlin, Germany, 2017. [CrossRef]
- VDI 6007 Part 1 1:2015-06; Calculation of Transient Thermal Response of Rooms and Buildings: Modelling of Rooms. Beuth Verlag GmbH: Berlin, Germany, 2015.
- VDI 6007 Part 2:2012-03; Calculation of Transient Thermal Response of Rooms and Buildings: Modelling of Windows. Beuth Verlag GmbH: Berlin, Germany, 2012.
- VDI 6007 Part 3:2015-06; Calculation of Transient Thermal Response of Rooms and Buildings: Modelling of Solar Radiation. Beuth Verlag GmbH: Berlin, Germany, 2015.
- VDI 2078:2015-06; Calculation of Thermal Loads and Room Temperatures (Design Cooling Load and Annual Simulation). Beuth Verlag GmbH: Berlin, Germany, 2015.
- Climate Service Center Germany (GERICS), a body governed by the Helmholtz-Zentrum Hereon. Available online: https://www.climate-service-center.de/imperia/md/content/csc/cordex/bundesland_schleswig_holstein_version1.2.pdf (accessed on 27 July 2022).
- Luederitz, C.; Meyer, M.; Abson, D.J.; Gralla, F.; Lang, D.J.; Rau, A.L.; von Wehrden, H. Systematic student-driven literature reviews in sustainability science—An effective way to merge research and teaching. J. Clean. Prod. 2016, 119, 229–235. [Google Scholar] [CrossRef]












| Authors | Year | Content |
|---|---|---|
| Opel et al. [1] | 2017 | Project on a climate neutral university campus |
| Dyussembekova et al. [3] | 2022 | Case study on an educational building of the Kazakh-German University in Almaty |
| Yoshida/Shimoda/Ohashi [4] | 2017 | Sustainable campus at Osaka University, Japan using photovoltaic and energy-saving technologies |
| de Souza et al. [5] | 2022 | Sustainable campus at University of Campinas in Brazil using photovoltaic |
| White et al. [6] | 2014 | Operation of a Research House on the University Park campus at the University of Nottingham with an air source heat pump and a solar thermal collector for providing hot water and space heating |
| Gehlert et al. [7] | 2018 | Sustainable operation of a non-university research institution. Energy savings by a change from a static operation of the facility ventilation to a dynamic operation using smart automation |
| Amaral et al. [8] | 2021 | Overview over several campus projects and their pitfall |
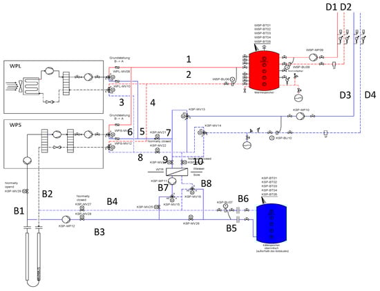
| Operation Mode | Flow Directions |
|---|---|
| Heat storage tank loading by the air–water heat pump | 1 2 |
| Heat storage tank loading by the brine–water heat pump | 3 1 2 4 |
| Heat storage tank unloading | D1 D2 |
| Cold generation and distribution by the air–water heat pump (reversible operation) | 5 7 D3 D4 8 6 |
| Cold storage tank loading by the air–water heat pump (reversible operation) | Generation side: 5 7 9 10 8 6 |
| Brine side: B7 B5 B6 B8 | |
| Cooling by unloading the cold storage tank | Generation side: 10 D3 D4 9 |
| Brine side: B5 B8 B7 B6 | |
| Passive cooling by the earth heat source | Generation side: 10 D3 D4 9 |
| Brine side: B3 B8 B7 B4 | |
| Simultaneous loading of the heat and cold storage tank by the brine–water heat pump | Generation side: 3 1 2 4 |
| Brine side: B1 B3 B5 B6 B4 B2 |
| Main Objective | Drawbacks |
|---|---|
| Maximize autarky | Reduced comfort |
| Minimize peak power (peak shaving) | Reduced autarky, reduced efficiency |
| Maximize grid supportiveness | Reduced autarky, reduced efficiency |
| Minimize greenhouse gas emissions | Reduced comfort, reduced autarky |
| Minimize energy cost | Reduced autarky, reduced efficiency |
| Maximize energy for battery charging point | Reduced autarky, reduced efficiency |
| Optimize room climate | Reduced autarky, reduced efficiency |
| Electrical/Heat Power | Daily Energy | |
|---|---|---|
| Design heat demand without heating-up | 9.3 kW heat | 223 kWh heat |
| Design input heat pump (COP = 4) | 3.25 kW el. | 56 kWh el. |
| Production Energy Park | Up to 10 kW el. each | 46 kWh el. |
| Prognosis January (heat demand) | 4.3 kW heat | 104 kWh heat |
| Input heat pump January (COP = 4) | 1.1 kW el. | 26 kWh el. |
| 2016 | 2017 | 2018 | 2019 | 2020 | 2021 | 2022 | ||
|---|---|---|---|---|---|---|---|---|
| Special experiments | Noise emission optimization of the WT by adjustments to the load curve | Summer | ||||||
| Experimental operation of the battery units | Mar.-Nov. | |||||||
| System checks of heat pumps, heat storage tanks and heat distribution system | Summer | |||||||
| Long-term COP measurements of the air heat pump | Feb.-Apr. | |||||||
| Measurement of heat losses of the heat storage tank | Feb.-Apr. | |||||||
| System check of the brine heat pump and the geothermal heat sources | June | |||||||
| Short-term COP measurements of the air heat pump | December | |||||||
| Long-term experiments | Data from the WT and the PV system (regular operation) | Since May | ||||||
| Sample Data from the LEB | Since June | |||||||
| Automatic data from the LEB | Since May |
| Nature of Demand | Energy in kWh/Day |
|---|---|
| Total daily energy demand (average) | 12.35 |
| Average electric energy demand of the air heat pump (brine heat pump not yet in operation) | 4.84 |
| Average heat demand of the LEB | 14.19 |
| Average cooling demand of the LEB | 2.52 |
| 25 December | 6 May | 2 November | 27 August | |
|---|---|---|---|---|
| Average ambient temperature in °C | −7.4 | 6.9 | 6.6 | 15.4 |
| Electric energy production in kWh | 7.2 | 77.9 | 25 | 40.6 |
| Heat demand of the LEB in kWh | 87 | 43 | 28 | 0 |
| Cooling demand of the LEB in kWh | 0 | 0 | 0 | 6 |
| COP of the air heat pump (daily average) | 3.2 | n/a | n/a | n/a |
| COP of the brine heat pump (daily average) | 4.5 | 3.27 | 4.5 | 4.3 (EER) |
| Electric input of the air heat pump in kWh | 3.5 | 0 | 0 | 0 |
| Electric input of the brine heat pump in kWh | 17 | 13.1 | 6.2 | 1.4 |
| Total electric demand of the LEB in kWh | n/a | n/a | 35.5 | 19.8 |
Publisher’s Note: MDPI stays neutral with regard to jurisdictional claims in published maps and institutional affiliations. |
© 2022 by the authors. Licensee MDPI, Basel, Switzerland. This article is an open access article distributed under the terms and conditions of the Creative Commons Attribution (CC BY) license (https://creativecommons.org/licenses/by/4.0/).
Share and Cite
Gehlert, G.; Wiegand, M.; Lymar, M.; Huusmann, S. Simultaneity in Renewable Building Energy Supply—A Case Study on a Lecturing and Exhibition Building on a University Campus Located in the Cfb Climate Zone. Sustainability 2022, 14, 12538. https://doi.org/10.3390/su141912538
Gehlert G, Wiegand M, Lymar M, Huusmann S. Simultaneity in Renewable Building Energy Supply—A Case Study on a Lecturing and Exhibition Building on a University Campus Located in the Cfb Climate Zone. Sustainability. 2022; 14(19):12538. https://doi.org/10.3390/su141912538
Chicago/Turabian StyleGehlert, Gunther, Marlies Wiegand, Mariya Lymar, and Stefan Huusmann. 2022. "Simultaneity in Renewable Building Energy Supply—A Case Study on a Lecturing and Exhibition Building on a University Campus Located in the Cfb Climate Zone" Sustainability 14, no. 19: 12538. https://doi.org/10.3390/su141912538
APA StyleGehlert, G., Wiegand, M., Lymar, M., & Huusmann, S. (2022). Simultaneity in Renewable Building Energy Supply—A Case Study on a Lecturing and Exhibition Building on a University Campus Located in the Cfb Climate Zone. Sustainability, 14(19), 12538. https://doi.org/10.3390/su141912538

