Next Article in Journal
The Impacts of COVID-19 on Technological and Polytechnic University Students in Mexico
Previous Article in Journal
Applications of Starch Biopolymers for a Sustainable Modern Agriculture
Previous Article in Special Issue
Design and Implementation of a High Step-Up DC-DC Converter Based on the Conventional Boost and Buck-Boost Converters with High Value of the Efficiency Suitable for Renewable Application
 
 
Font Type:
Arial Georgia Verdana
Font Size:
Aa Aa Aa
Line Spacing:
Column Width:
Background:
Article

A Comprehensive Study of HVDC Link with Reserve Operation Control in a Multi-Infeed Direct Current Power System

1
Department of Electrical Engineering, Kwangwoon University, Seoul 01897, Korea
2
Department of Electrical Engineering, Dongyang Mirae University, Seoul 08221, Korea
3
Department of Electrical Engineering, Sunchon National University, Suncheon-si 57922, Korea
4
Power System Planning Department, KEPCO, Naju-si 58322, Korea
*
Authors to whom correspondence should be addressed.
Sustainability 2022, 14(10), 6091; https://doi.org/10.3390/su14106091
Submission received: 28 March 2022 / Revised: 25 April 2022 / Accepted: 11 May 2022 / Published: 17 May 2022

Abstract

:
The Korean government is targeting the development of a renewable energy penetration of 30–35% by 2040 of the total generation. These conditions will decrease network stability due to a lack of inertia, especially in isolated systems, such as Jeju Island. HVDC systems with several balancing arrangements of reserve operation are used to maintain variability and uncontrollability of RES penetration. This paper presents the fast frequency reserves of HVDC control systems for frequency stability enhancement in the isolated power system by using a combined frequency containment process with grid stability standards. A new MIDC reserve operation control with angle and voltage deviation at the bus converter was developed to provide a faster and more appropriate balancing arrangement compared to the other concept. In addition, two layers of energy and transfer-capacity flexibility were considered to prevent the need to hunt for that balancing arrangement, as well as low nadir frequency, unavailability of the reserve and other constraints caused by each region having a different network size, HVDC interconnection capacity, and type. The proposed control schemes were verified by simulations on the Korean power system model implemented in PSS/E for different sizes of disturbance.

1. Introduction

The dominance of fossil fuels in energy generation has become a major characteristic of Korea’s energy sector [1]. However, due to the Paris agreement, which has a goal to reduce global emissions in the world, an increase in the proportion of renewable energy sources (RESs) by 20% in 2030 [2] and 30–35% in 2040 was announced through the Republic of Korea’s update of its first Nationally Determined Contribution (NDC) [3]. RES penetration in Korea’s power system has a special characteristic that is highly concentrated and unevenly distributed [4]. Due to these circumstances, there are two main layers of flexibility that need to be considered in Korea’s power system: energy flexibility and transfer-capacity flexibility. In the future of Korea’s power system, energy flexibility may be described as the high penetration of RES and the depletion of conventional generation. This condition could lead to a loss of system inertia and a loss of the supply of reserves in Korea’s power system. Moreover, the reliability and flexibility of transfer-capacity issues will raise as a consequence of increasing renewable interconnection capacity, especially when a disturbance occurs in the power system. Transmission system operators (TSOs) have two options—AC or DC lines—to mitigate transfer-capacity flexibility between synchronous areas. The application of AC transmission lines has a problem that increases the system complexity and may adversely decrease the system reliability [5]. According to [6], the AC system is vulnerable to sub-sea transmission systems and several parameters have been investigated to compare AC and DC systems. On the other hand, the DC system has advantages due to flexibility and high controllability. High-voltage direct current (HVDC) systems have played an important role in balancing performance between two or more synchronous areas.
Recently, HVDC systems have been used due to the complexity of modern power systems. Apart from the constant supply of electricity between massive network areas, HVDC also provides network services for applications in island networks [7]. This application has already been implemented in European power systems operated by the European Network Transmission System Operator (ENTSO-E). Recently, the European Commission aimed to set a minimum national target for HVDC interconnection capacity with neighboring countries of 10% of its generating capacity by 2020 (up to 15% by 2030) to strengthen the role of interconnection. According to the ENTSO-E, HVDC transmission has the ability to maintain stable frequency during a contingency situation [8]. HVDC with several balancing cooperation concepts are a viable option to improve the frequency between synchronous areas, especially in three main regions of the European power system, including Great Britain (GB), Nordic (No), and Continental European (CE). The application of the droop cooperation concept has been implemented through cross-border interconnection between Great Britain and the Netherlands [9]. The other application of balancing cooperation concepts through HVDC could be described in the Nordic synchronous area (NSA), which consists of Denmark, Sweden, Norway, and Finland [8]. Furthermore, the balancing cooperation concept through HVDC consists of several parameters. The important parameters for balancing reserve operations in power systems consist of three types. The three types of parameters are size, HVDC interconnection capacity, and HVDC types. Due to these parameters, balancing cooperation concepts can be performed in different ways [9]. According to power system size, the Korean power system can be divided into two parts, i.e., mainland and Jeju Island power systems.
Although several balancing concepts between two or more than three synchronous areas have been introduced in another study, there are some limitations to their application in Korea’s power system because of the unique characteristics associated with the combination of HVDC types, i.e., line-commutated converter and voltage-source converter. For instance, two linear converter HVDCs (LCCs)—the 180 kV/300 MW Haenam–Jeju HVDC and the 250 kV/400 MW Jindo–Jeju HVDC—were built by KEPCO to support the massive island. In addition, KEPCO plans to build an additional 150 kV/200 MW HVDC voltage converter in the middle of the mainland network and Jeju Island. Due to this unique characteristic, Korea’s power system could be described as a multi-infeed HVDC (MIDC) system. Research efforts have mostly been concentrated on the stable operation of MIDC systems through the introduction of several indicators, such as a multi-infeed interaction factor (MIIF), a multi-infeed effective short circuit ratio (MIESCR) [10], an apparent increase in the short-circuit ratio (AISCR) [11], and an improved effective short circuit ratio (IESCR) [12]. Along with these indicators, the authors of several studies [13,14,15,16] have only considered the steady-state values of the HVDC systems. In [7], balancing cooperation concepts using a frequency–power droop with a Monte Carlo algorithm were applied in an MIDC power system. Nevertheless, there has been no discussion that considers a balancing cooperation concept through HVDC regarding frequency characteristics between the mainland and Jeju Island during contingency situations. This paper provides an evaluation study of planning, operating, and controlling an HVDC Link in an MIDC power system using PSS/E and python software. First, we propose several balancing cooperation concepts from ENTSO-E in Korea’s power system to determine the nadir and steady-state frequency at the time of a contingency operation. Comparing the results of several balancing cooperation concepts, we propose a grid stability standard (GSS) algorithm between the bus converter as an additional concept through the VSC line to optimize the value of the nadir and steady-state frequency in the course of contingency operation. The proposed method is verified by PSS/E simulation utilizing a simplified model of the Korean power system. Using our method, a system operator can optimize the HVDC operating points of an MIDC system more efficiently.

2. Frequency Support by Cooperation Concepts Control

In this section, we will explain an overview of frequency quality targets, including the period and magnitude of frequency deviation. In addition, we introduce four cooperation concepts for balancing two synchronous areas in the Korean power system. Moreover, the principle of working for each cooperation concept is explained.

2.1. Frequency Characteristic

The disconnection of several utilities and components in the power system causes frequency deviation and variation from the nominal value due to the unbalanced supply and demand. After frequency deviation occurs, the frequency responses will be categorized into three stages: arresting period, recovery period, and post-recovery period. Figure 1 shows the frequency response of the power system [17]. The swing equation is used to illustrate the frequency change in the power system. In addition, the swing equation [18] is as follows:
d dt f   ×   2 H _ total f 0 = Δ P S total
where f is the frequency of the system, H _ total is the inertia constant of the system, S total   is the total generators capacity in the system and f 0 is the frequency before the variation occurs.
The system inertia constant is the equivalent to:
H total   = i = 1 n H i . S i S total
where H i is the inertia constant of the individual generator, and S i   is the capacity of the generator. In terms of the power system’s stability, there are two main points related to frequency that need to be considered: the frequency nadir and the Rate of Change of Frequency (RoCoF) value. In [9], the RoCoF and nadir value in the European power system refer to ENTSO-E standards that are discussed during transient operations. According to [4], special investigations using the nadir frequency value for the maximum RES penetration in the Korean power system are discussed. Frequency stability refers to the ability to maintain the value of frequency within a normal range. The utilization of HVDC interconnectors for primary frequency control has been mainly discussed from a technical point of view, such as set operation range, power loss, and maximum instantaneous frequency deviation of the HVDC link. In this paper, the investigation target is to promote the primary frequency response using several cooperation concepts of the HVDC link to enhance the system’s frequency stability.

2.2. Frequency Containment Process (FCP)

From the viewpoint of power system operation [9], the primary frequency control within the frequency containment process is the automation process of all Load Frequency Control Blocks (LFC Blocks) within a synchronous area. The main purpose of LFC is to maintain zero steady-state errors in a multi-area interconnected power system using an HVDC link. The activation of LFC blocks related to HVDC operation, such as injecting or withdrawing additional power to the system. Primary control is used as a speed droop based on reserves power and time iteration. Moreover, primary control will activate frequency containment reserve (FCR) within the recovery period. The discussion regarding the application of LFC blocks in the Korean power system will be discussed in the modeling section.

2.3. Cooperation Concepts

In the European power system, several cooperation concepts are investigated using a trilateral concept, i.e., three synchronous areas as the study objects [8,9]. The main objective is to support frequency deviation between synchronous areas that are classified based on two parts. The first part is the shared services of utilities in the power system, and the second part is the analysis of cost efficiency. In the previous section, we already discussed regarding power system size will affect the frequency value for each synchronous area. Therefore, a detailed explanation of the working principle of the interconnection cooperation concepts is listed in Table 1.

2.4. Communication Interconnection System

According to [19], for the communication with the centralized frequency control optimization center, each converter station needs to be installed with a remote-control interface. In addition, [9] discussed communication characteristics per the cooperation concept. All cooperation concepts, except for the exchange of FCR, for the communication interconnection system (CIS) do not require real-time communication because of the difference in input signals. In addition, direct communication between the individual HVDC interconnection is unnecessary for all of the concepts. Moreover, the overview of the communication per cooperation concepts is listed in Table 2. Because the communication system is based on static and local settings, the author of [9] gives a recommendation regarding the installation of each HVDC converter station based on time synchronization (via GPS), which is already discussed in [20]. The main goal of this recommendation is to avoid frequency stability issues and failure performance due to incorrect local frequency signals.

2.5. Proposed Cooperation Concepts’ Control Method

According to [21], the performance of the fast frequency control or active power control method is tested in a meshed North Sea interconnection. Through this [22], the active power of HVDC is controlled by setting the values of the step capacity, step ramp, and droop control are discussed, which leads to different frequency nadir values during transient operation. Moreover, the droop optimization based on voltage value is discussed [23].
The proposed control method consists of two types of power modulation: The first part is combining FCP as the primary frequency control with the inertial response, which is reflected in the gain value of operating reserves in both synchronous areas. The second part of power modulation is based on primary frequency response control, which is reflected in the grid stability parameter standard, e.g., voltage and angle deviation, particularly in the converter bus station. Therefore, the important part of the grid stability standard for HVDC operation is mainly reflected in the voltage and angle stability. The voltage and angle stability in the converter bus station is vulnerable to change, particularly in the transient period. Since it is vulnerable, it is important to consider the appropriateness of power modulation to improve the weakness and increase stability and reliability under the specified operating situation.
Moreover, the algorithm for a combination of two power modulations for each HVDC participation line will be discussed in Section 3. Furthermore, the main goal of the proposed method is to avoid load shedding at the time of a contingency, especially in small power systems of the Korean power system, i.e., Jeju Island. The detailed topology and algorithm of operation will be explained in Section 3.

3. Cooperation Concepts and HVDC Control Modeling

This section elaborates on LFC blocks and two types of HVDC control, i.e., LCC and VSC, along with cooperation concepts. The topology of cooperation concepts and the proposed method algorithm will be explained in this section.

3.1. Droop on HVDC

Typical control of HVDC scheme-based frequency support that has been proposed many times is droop on HVDC. According to [9], the droop concept is described as the primary frequency control reflected in the standard proportional frequency deviation to control the power system’s stability. Through the droop gain value, the improvement of the deviation response would be much faster between the two synchronous areas. An appropriate value of droop gain in Korea’s power system between the mainland and Jeju Island could be determined by linear comparison, which refers to the HVDC interconnection capacity and ENTSO-E network recommendation, respectively. In addition, the interconnection between Continental Europe (CE), Great Britain (GB), and Nordic (NO) was explained [9]. Moreover, the system condition for the droop concept in the European power system [9] and validity error calculation are listed in Table 3 and Table 4, respectively.
The sensitivity analysis according to Equation (3) found that the equation had a maximum error value of around 0.02%. The gain value for droop on HVDC interconnections between the mainland and Jeju Island is depicted through a linear comparison with the current interconnection capacity conditions between three main regions of the European power system, i.e., Continental Europe, Great Britain, and Nordic [9]:
K p = C KPS C CE NO * HVDC   Kp CE NO
where C KPS = 400   MW is the current operational capacity of the HVDC interconnection in the simplified model of the Korean power system; C CE NO = 4550   MW is the operational capacity of the HVDC interconnection between Continental Europe and Nordic; HVDC   Kp CE NO = 3033   MW / Hz is the gain value for the droop concept for the Continental Europe and Nordic interconnection. According to Equation (3), the droop gain value (Kp) is 266 MW/Hz. The schematic control of the droop cooperation concepts where the mainland and Jeju Island are linked by interconnectors is shown in Figure 2. Each sub-system (the mainland system and Jeju Island system) are labeled as System A and B, respectively. To contemplate the droop on HVDC cooperation concept in a real power system, a delay time study [9,24] of the droop cooperation concept on the HVDC interconnection between Continental Europe and Nordic is applied. Furthermore, a dynamic delay time τ d = 0.3   s is used to consider the physical delay of the HVDC components.

3.2. Exchange of Frequency Containment Reserve (FCR)

Another typical method of controlling HVDC to support frequency that is similar to the droop on HVDC is the exchange of FCR. In [24], the exchange of the FCR concept is proposed using several parameter gains values (Kp) for the HVDC interconnection between GB and CE. From the viewpoint of balancing the arrangement network code [9,24], the concept of exchanging frequency containment reserves (FCRs) only acts on the frequency deviation of one single area. As illustrated in Figure 3, only the frequency deviation measurement in System B, also known as Jeju Island, in the simplified model of the Korean power system will be used as the input signal. The remarkable difference between the exchange of FCR and sharing of FCR is described based on the total frequency deviation value in HVDC control. During normal operation, the frequency deviation in Jeju Island (System B) will be sustained to a value of 60 Hz. However, when a contingency is applied, exchange of FCR through HVDC is activated. Therefore, only the deviation frequency value before and after a disturbance in Jeju Island will be used to improve system stability, along with power injection to contemplate the primary frequency control and delay time topology controller.
The gain value for the exchange of FCR is expressed through a linear comparison with the interconnection between three main regions of the European power system [9]. According to Equation (3), the droop gain value (Kp) is 17.7 MW/Hz. HVDC   Kp CE NO = 200   MW / Hz is the gain value for the exchange of FCR concept between Continental Europe and Nordic. Through a similar reference to the previous concept, a delay time study [9,24] in the exchange of the FCR concept on the HVDC interconnection between Continental Europe and Nordic is carried out. Moreover, a dynamic delay time τ d = 4   s , along with consideration based on FCR capabilities, is used. The main objective for the delay time value is reflected in generators or the other operating reserves that are not able to instantaneously increase output power to the setpoint value. Because of this scheme, as described in the previous section, exchange of FCR could have the best efficiency value of reserve optimization for cost-efficient deployment from cooperating synchronous areas.

3.3. Sharing Frequency Containment Reserve (FCR)

Sharing FCR has a similar topology to droop on HVDC. This method is indicated by equipping the reserves between two synchronous areas. The fundamental difference between sharing FCR and the droop concept is described through the gain value. Similar to the droop concept, the concept of sharing frequency containment reserves (FCRs) is also reflected in the frequency deviation of two synchronous areas. As illustrated in Figure 4, the frequency deviation measurement in System B, also known as Jeju Island, and System A, i.e., mainland, in the simplified of the Korean power system will be used as the input signal. A contingency study is applied, and sharing of FCR control through HVDC is deployed. Therefore, the frequency deviation value before and after a disturbance on Jeju Island and the mainland will be used to improve the system’s stability along with power injection, similar to the droop concept. Moreover, the total sensitivity factor for the HVDC interconnections overall and bias factor between two synchronous areas are as follows:
In the sharing FCR cooperation concept, the gain value is determined by Equation (4) using the bias factor between the mainland and Jeju Island, where the gain value (Kp) is arranged by the reserve support of each area in proportion to the network frequency. For the sake of sharing the FCR cooperation concept in an actual power system, a delayed time of sharing FCR [9] on the HVDC interconnection between Continental Europe and Nordic is carried out. Furthermore, concerning the correction of actual reserve power transfer capabilities, a time delay is applied with τ d = 4   s . The bias factor could be calculated in Equation (4) between the mainland and Jeju Island in this simplified model of the Korean power system [25]. The main purpose of the bias factor calculation is to determine the maximum reserve power, i.e., HVDC cooperation concepts and the number of generator capacity values that could participate in the control action. Furthermore, the system conditions for sharing the FCR concept in the European power system [9] and the validity error calculation of Equation (4) are listed in Table 5 and Table 6, respectively.
The total sensitivity factor for HVDC interconnections overall and bias factors between two synchronous areas are as follows:
λ HVDC ,   A B = K s = λ A * λ B λ A + λ B
λ synchronous   area   ( A   or   B ) = 1 s * P n f n  
where s is the droop constant corresponding to the reserve power in cooperation concepts’ control; P n   is the nominal power value of the reserve power participating in cooperation concepts’ control; f n   is the nominal frequency value in the Korean power system, which is equal to 60 Hz. According to this equation, λ A   = 20 , 277 MW/Hz, λ B   = 330.366 MW/Hz, and the sensitivity factor for the HVDC interconnection is λ HVDC = Ks = 325.075 MW/Hz.

3.4. Combining Frequency Containment Process (FCP)

The combining FCP concept is also identified by the provision of the reserve, similar to the sharing FCR concept. The crucial difference between combining FCP and sharing FCR is the topology of the controller.
As illustrated in Figure 5, the additional virtual inertia, including a dead band to limit oscillation, is proposed. In the previous section regarding combining the FCP principle, two synchronous areas in Korea’s power system, i.e., mainland and Jeju Island, become one virtual synchronous area, which is why the additional virtual inertia part is applied in this concept. A proposed gain value (Ks) is similar to the sharing FCR concept. Conducive to the combining FCP cooperation concept in a real power system, a delay time study [9] of the combining FCP cooperation concept on the HVDC interconnection between Continental Europe and Nordic is carried out. In addition, a dynamic delay time based on FCR capabilities is used to obtain a faster response in frequency stability. In terms of the proportional frequency derivative, a dead band value of 0.028 Hz is added to maintain the stability of power in steady-state operation.

3.5. HVDC Control Modeling

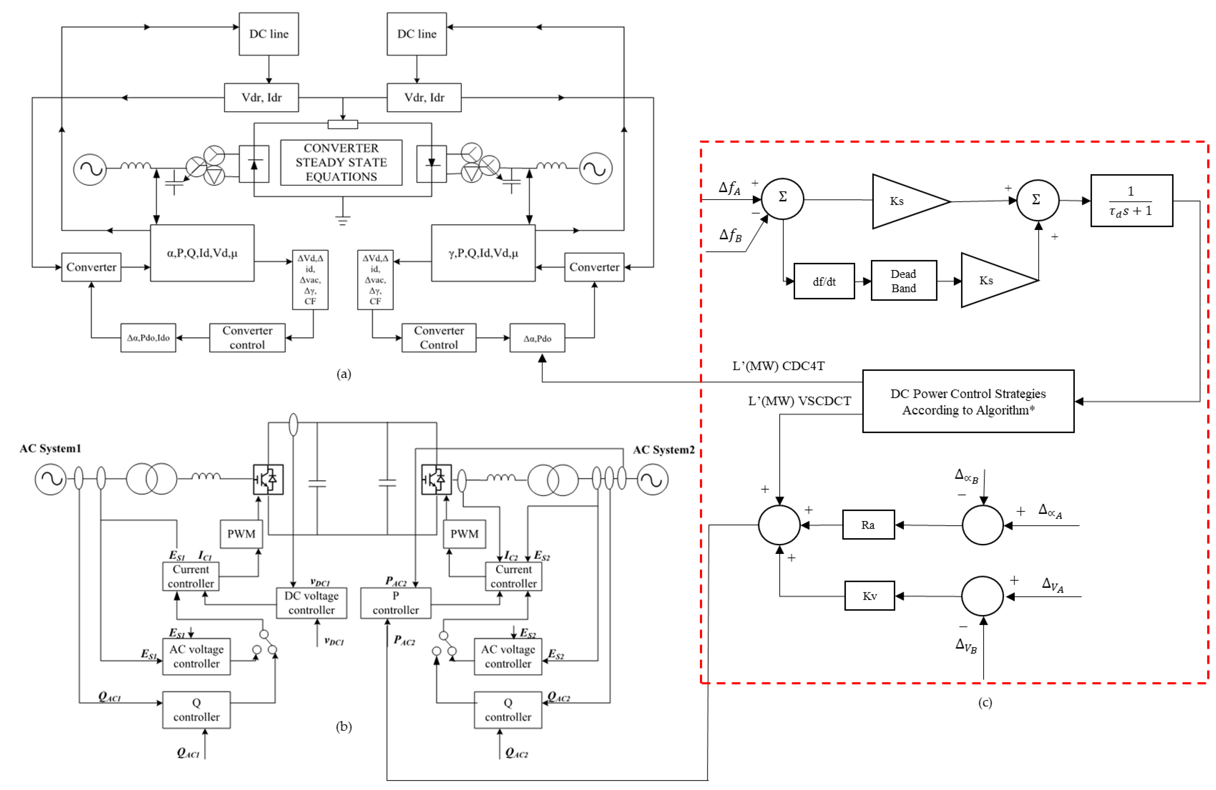
In these studies, we proposed LCC and VSC models based on PSS/E software for the HVDC operation [26]. There are several types of LCC models in PSS/E, but due to the limitation in operation, CDC4T is applied. The general description in CDC4T modeling acknowledges three distinguishable types of action by the controls. The first is normal regulation, which maintains a constant current or power based on the arrangement of the rectifier and inverter set operation range value. The second is temporary overriding of the dc converter, maintaining the set operation range as the feedback after disturbances to the ac system voltages during faults. The last is modulation of the dc power set point, which aims to support damping the rotor angle swings in the ac system. The rotor angle and the frequency stability relation are described in [27].
The VSCDYN type is applied for VSC modeling in these studies. Similar to LCC, the VSCDYN also has three different types of action through the controls. The first is AC voltage control or reactive power control, which will be applied to the proposed control method in these simulation studies. The second is active power control or DC voltage control, which is related to some of the following actions, such as power ramping and converter blocking if there is an unexpected event in normal operation. The last is the current output limitation to maintain the current value during operation.
There are two types of control modeling operations: steady-state operation and dynamic operation. As shown in Figure 6, steady-state operation in LCC and VSC would be working individually based on setting parameter values in normal or initial conditions. Additionally, this situation can be called the operational capacity value. The dynamic operation in LCC and VSC would be working together with the same input deviation frequency signal between two synchronous areas. The major differences in those control models could be described in the new proposed concept algorithm, which will be explained in Section 3.6.

3.6. Proposed Cooperation Concept Algorithm

As explained in the introduction section, the difference in HVDC interconnection capacity is one of the several important parameters for balancing cooperation concepts’ operation. Furthermore, through these studies, we investigate an additional important parameter of MIDC power system operation, i.e., the different HVDC interconnection types. Balancing cooperation concepts could be performed in a different way than the different HVDC interconnection types. The contribution of the proposed cooperation concept is illustrated according to active power control management in the MIDC power system. Several references in the introduction section do not consider active power control management for HVDC type operation, especially in MIDC power systems. The novelty of the proposed cooperation concept would be described through the deviation of the VSC bus converter angle as signal input for the improvement of active power control. In this algorithm, we proposed the improvement of active power control using the VSC type to optimize the value of operating reserves between synchronous areas. When a disturbance occurs, the proposed cooperation concept controller based on gain value (Kp) is used, according to [28] of the ENTSO-E HVDC activation power rules, after 10 ms, the additional reserve power through VSC HVDC would be activated. The VSC power would be automatically set to maximum capacity, i.e., 200 MW, if the value of active power is over the maximum capacity standard during the fault period, although there are still angle deviations between those bus converter angles because of the limitation of the maximum VSC HVDC transmission line capacity. As follows, the value of LCC active power would be adapted after some improvement in the VSC type. The propose control algorithm is shown in Figure 6, and the results of the proposed concepts will be described in the following Section 4.

3.7. Combine FCP with Grid Stability Standard Modeling

As described in the Figure 7, the grid stability parameter, i.e., the voltage and angle deviation between two areas on the mainland and Jeju Island, are utilized for VSC HVDC in the proposed controller modeling. Improving the nadir and steady-state frequency is the main purpose of this controller. Moreover, the other reason combining FCP is used in the proposed concept is because the concept is based on stability terms of “one synchronous area”. The combination of the gain value Kv = 325.075 MW/V and Ra = 1 / 325.075 MW/deg according to of the provision that FCR is the signal input becomes one of the ways to improve the nadir and steady-state frequency in terms of contingency operation. Considering the implementation of the proposed concept in a real power system, a delay time study [9] on the HVDC interconnection between Continental Europe and Nordic is carried out.
Therefore, a dynamic delay time is applied to consider FCR capabilities and to obtain a faster response in frequency stability. In addition, the proposed method considers the scale of the power system network size, i.e., the activation of generator participation in the reserves’ operation system. Generator participation is explained in Section 3.3, particularly in the bias factor calculation part. Furthermore, the optimization value in the equal power system size is achieved by adjusting the value of generator participation. Moreover, the frequency response for both areas will be suitable and meet the grid code standard value.

4. Case Study

This section elaborates on the power system network as the object of the proposed control method simulation, i.e., the Jeju Island power system. A comprehensive explanation regarding the result of several cooperation concepts with grid code requirement standards, e.g., frequency nadir and rate of change of frequency (RoCoF), will be discussed in this section. Furthermore, the comparison studies based on two contingencies are carried out, i.e., the first HVDC interconnection and the largest generator capacities on Jeju Island. In this simulation, the total simulation time was carried out at 60 s to define power system stability standards after contingencies. In addition, each of the contingency studies is applied two seconds after the simulation is initiated. Therefore, the HVDC link with the cooperation concept controller would maintain the stability and reliability of the power system, especially when contingencies occur.

4.1. Jeju Island Power System

The configuration and description of the Jeju Island power system are illustrated in Figure 8 [29]. Two characteristic considerations, i.e., the characteristic generator model and the generator total capacity, are approached to express the modeling of the mainland network system. The characteristic of the generator model is reflected in the largest percentage of generation in the Korean power system, i.e., coal-fired power generation [1]. Moreover, coal-fired power generation is similar to thermal power plants because of their working principles. From a power system researcher’s point of view, thermal power plants could be modeled as a GENROU, which refers to the 2030 Eastern Interconnection Grid Report [30]. The capacity value of an equivalent generator on the mainland will be modeled in Appendix A especially in Table A1 according to the total approach of generator capacities in the mainland power system. Furthermore, as explained in [30], to ensure the correctness of simulation results, the original capacities are replaced with an equal value of 1.1 times that of the generator’s apparent output. In contemplating this concept, we can ensure a good estimation of the actual machine capacity. The Jeju Island power system consists of four generators that are evenly distributed in 15 bus operation systems and three HVDCs of two types, i.e., LCC and VSC. In the first and second interconnection, the LCC is applied between the mainland and Jeju Island, which were constructed in 1998 and 2013, respectively. The installation capacity for two LCC HVDCs subsequently is 180 kV/300 MW and 250 kV/400 MW. Furthermore, in this simplified model of the Korean power system, the total load on Jeju Island is 750 MW.
For generation and normal HVDC operation, the capacity will be 250 MW and 500 MW, respectively. In the previous section, the explanation regarding the unique characteristic of Jeju Island was introduced due to the multi-infeed application of HVDC lines. As reflected in several studies already mentioned in the introduction section, VSC HVDC with a capacity of 150 kV/200 MW is a planned installation that would be approached in the network system model of the Korean power system. Therefore, the largest generator located in the Namjeju (170) bus and the first HVDC interconnection that was constructed in 1998 with the capacity of 180 kV/300 MW are used for contingency simulation studies. The normal operation or operational capacity of the HVDC system would be set based on chosen values, from the first until the third HVDC connection is 150 MW, 250 MW, and 100 MW, respectively. Considering [31], the limit of the HVDC operation reserve could be set according to the rated power capacity. Furthermore, in terms of frequency stability operation, the limit reserve operation of the second HVDC interconnection and VSC type is set to be fully available (from 250 MW to 400 MW and from 100 to 200 MW subsequently). The limit of LCC operation based on the algorithm will be discussed in the section on contingencies studies.

4.2. Contingency on The First HVDC Interconnection Trip

In this section, the keen analysis of the first HVDC interconnection trip will be evaluated. Moreover, a comparison between several cooperation concepts based on reserve operation is analyzed with several grid parameter standards, e.g., the active power of both HVDC types and frequency in both synchronous areas. In normal operation, the active power limit of the first HVDC was maintained at around 150 MW, and the value for each pole was around 75 MW. The interconnection trip was applied after 2 s from initialization. In addition, the frequency response based on conventional and proposed methods of cooperation concepts, i.e., combining FCP with GSS, is discussed. Moreover, the values of frequency nadir and RoCoF for the first HVDC interconnection trip are listed in Table 7.
As illustrated in Figure 9, the proposed method shows an exceptional improvement in frequency nadir values, i.e., 59.87539 Hz, during disturbance fault for both synchronous areas. Moreover, the RoCoF of the proposed method shows a smaller value, which indicates a lower deviation in frequency after the first HVDC interconnection trip and the value of RoCoF without reserve control will become the highest and susceptible to transient operation. Three stages of reserve operation and the maximum frequency nadir value are described in Figure 9. The proposed method with grid stability standard operation on VSC types shows outstanding improvement in the network system’s stability for each frequency stage, especially in the smaller power systems. The steady-state frequency value is maintained around 22 s after disturbance. In addition, the primary frequency response based on reserves operation, i.e., sharing FCR, shows a higher value compared to droop.
The frequency of the mainland power system is shown in Figure 10. The application of the cooperation concepts shows an improvement in oscillation during the first HVDC interconnection contingency situation. After applying several concepts, we can reduce the oscillation in the mainland frequency. The exchange of the FCR concept shows an improvement in oscillation by reducing the deviation frequency value up to 0.0285 Hz in the without-control situation. However, this concept is not recommended because the frequency nadir and steady-state values in Jeju Island are lower than the grid code standard [32].
As shown in Figure 11, several active power responses from the second HVDC interconnection are described. The characteristic of active power leans on the controller modeling and the algorithm for the proposed method. The additional virtual inertia part in the combined FCP concepts demonstrates the agile response of active power. In addition, the limit of LCC reserves’ operation in the GSS concept is described based on the frequency value in both synchronous areas. Exchange of FCR is the only concept that considers the cost-efficiency of deploying the interconnection, and due to this reason, the active power characteristic will be the smallest value compared to the other concepts.
As described in Figure 12, the enormous gap between the proposed control method and the conventional cooperation concepts is depicted. Moreover, the VSC line has an interesting point about agility and reliability. An exceptional point of the proposed method could be illustrated and compared in the combined FCP concept. An additional reserve is applied after 10 ms, and a RoCoF value higher than 0.1 Hz/s. The active power of VSC in the combined FCP-GSS concepts has the highest value compared to the other concepts. The limitation of active power would be activated around 22 s because the DC transmission line has reached its maximum capacity.
After several responses, it can be concluded the proposed case study i.e., mainland—Jeju island is similar to the GB-CE case, which expresses a slight difference in the gain value of the HVDC reserve control. Moreover, the operation of the sharing FCR and combining FCP between two synchronous areas does not always become the optimum value, as described in the previous Section 3.1 especially in the NO-CE interconnection. Furthermore, there is no significant difference in the droop concept compared to the other gain value in the HVDC interconnection between the mainland and Jeju Island. However, this occurs due to the limitation of reserve availability in both synchronous areas.
Generator angle responses for both synchronous areas are used to determine the correct value of the converter bus angle between VSC interconnection lines. There are four generators on Jeju Island that are used to determine stability and secure reserve operation according to the grid code through HVDC. As reflected in Figure 13, through the combined FCP-GSS concept, the angle of the generator between the mainland and Jeju Island would be the same as in the previous condition before the fault situation due to the high gain value and fast response of balancing. However, the exchange of FCR is the only concept that shows the wide gap during fault conditions because the generator value must change following the gain value in terms of balancing concepts between two synchronous areas.
The fundamental differences between the converter bus angle and the generator angle are described as reflected in the synchronous reference frame and relative angle, respectively. The synchronous reference frame represents how the angles would change concerning a Park Transformation, i.e., a theoretical rotating reference frame based on the system’s nominal frequency. When a transient stability simulation converges after disturbance with the addition of power modulation. This condition leads to a new steady-state frequency that is higher than the nominal frequency; then, the converter bus angles will naturally continue to increase toward infinity. This situation will not indicate instability as long as the angles in relation to one another converge upon a new steady state. On the other hand, the generator in both synchronous areas will use the relative angle concept in which the setting is specified of the terminal bus angle, especially in the slack generator bus, to determine power system stability after disturbances.
Although the wide range value occurs, the stability and reliability system was checked through generator angle response value in two synchronous areas. In addition, the converter bus angle belongs to one of the important parameters to improve power system balancing stability through HVDC reserve operation. As described in the mainland network, an exchange of the FCR concept shows the increasing value of angle due to the imbalance between generation and load conditions. According to Figure 14, the improvement of angle deviation value using a combined FCP-GSS concept could be obtained through a converter bus angle synchronous reference frame.

4.3. Contingency on The Largest Generation Trip

In this section, the keen analysis of the largest generation trip on the Jeju Island power system will be evaluated. Moreover, a comparison between several cooperation concepts based on reserve operation is described with several grid parameter standards, i.e., the active power of both HVDC types and the frequency in both synchronous areas are used for the evaluation. In the contingency operation, the active power limit of three HVDC interconnections was maintained at 300, 400, and 200 MW, respectively. The largest generation trip was applied after 2 s from initialization. In addition, the frequency response based on conventional and proposed methods of cooperation concepts, i.e., combining FCP with GSS, is explained. Furthermore, the value of frequency nadir and RoCoF for the largest generation trip are listed in Table 8.
During contingency simulation of the largest generator trip, the four concepts that start from the proposed method until sharing FCR could be proposed to the transmission system operator for grid frequency stability in the Jeju Island power system. As illustrated in Figure 15, the frequency nadir of sharing FCR is above 59.4 Hz. Moreover, during steady-state operation, the frequency of sharing FCR is maintained above 59.8 Hz. Similar to the previous explanation regarding additional virtual inertia, the frequency nadir of combine FCP on Jeju Island has the highest value of the other conventional cooperation concepts. Furthermore, the additional virtual inertia is illustrated based on the RoCoF value, which explained that the deviation in frequency will be the smallest compared to the other concepts.
The additional reserves power through combined FCP-GSS shows the highest value for nadir and steady-state conditions. The nadir frequency value is 59.9237 Hz, and the steady-state condition is 59.985 Hz. However, the exchange of the FCR concept is not recommendable for reserves operation through the HVDC cause of nadir frequency value is 59.28379 Hz lower than the grid code standard in Jeju Island.
As depicted in Figure 16, the proposed method has a lower frequency nadir value than the other conventional cooperation concepts. This phenomenon occurs due to an unbalanced power system on Jeju Island after 2 s. The mainland power system tried to supply more reserves. Meanwhile, there is no deactivation load on the mainland, and the available power on the mainland is reduced to support reserve power to the Jeju Island power system. In addition, power system stability studies, which are explained in Section 2.4, can describe this phenomenon. Furthermore, when the proposed cooperation concepts between synchronous areas are utilized, the frequency nadir in the mainland power system becomes one of the concern parameters as well. As shown in Figure 16, the value of nadir does not significantly change according to Korea’s power system grid code, i.e., 59.98 Hz, while the minimum value for load activation shedding is 59.8 Hz. As described in Section 3.7, the proposed method is reflected in the scale and inertia of the network system size by adjusting the activation of generator participation. Through this approach, the proposed method will optimize the grid parameter standard even though the equal network system size is. Through additional reserves power in Figure 17, we can see the improvement in nadir and steady-state frequency in Jeju Island, along with the reduction of nadir and steady-state frequency in the mainland network. Moreover, the nadir frequency value on the mainland is appropriate for the grid code standards. In addition, if the proposed method is applied in the equivalent power system, the nadir frequency and RoCoF could be maintained and sustained, reflected in the frequency grid code. On the other hand, the frequency nadir in the contingency area could be improved significantly.
As described in Figure 17, the active power of LCC#1 and LCC#2 with the combined FCP concept shows the high improvement value for active power caused by additional virtual inertia. Sharing FCR and combine FCP show the higher active power value during steady-state conditions caused by the bias factor value between synchronous areas. Combine FCP-GSS shows the reduction in the active power value caused by the activation of additional grid stability parameter standards, i.e., voltage and angle, in the VSC bus interconnection. As shown in Figure 17 and Figure 18, the active power of LCC#1 and LCC#2 has a limit of LCC operation value for each pole, which is set to be 150 MW and 200 MW, respectively. The fundamental difference between LCC#1 and LCC#2 is only the initial set point of normal operation. Furthermore, as already explained in the previous section, additional active power between LCC#1 and LCC#2 is similar for all cooperation concepts. This condition demonstrates and proves the characteristic of HVDC controlled modeling in MIDC power systems which have similar deviation values according to HVDC types.
As described in Figure 18, the tremendous gap between the proposed control method with the conventional cooperation concepts is illustrated. A significant point of VSC is the swiftness and the accuracy during contingencies response. The main point of the proposed method could be described and compared in the combined FCP concept. An additional reserve is carried out after 10 ms and a RoCoF value higher than 0.1 Hz/s. The active power of VSC in the combined FCP-GSS concepts has the highest value compared to the other concepts. In this contingency, there is no limitation of active power because the DC transmission line’s maximum capacity is higher compared to the active power operation value.
This explanation is also implied for a conventional concept, such as the exchange of the FCR concept. In this concept, we can see the nadir frequency value on the mainland is the highest value of the other concepts because the reserve power through the VSC type from the mainland to Jeju Island has the smallest value compared to the other concepts. As described in Figure 17 and Figure 18, the additional active power of the exchange FCR concept in LCC is less than 7.5 MW, and VSC is around 11 MW. Moreover, we calculate additional reserve operation through the LCC and VSC interconnection around 26 MW. Meanwhile, for the other concepts, the additional reserves power around 12.5 MW for LCC and 12 MW for VSC.
As shown in Figure 19, the generator angle response on the mainland is increasing, causing the generator on the mainland to produce additional reserves of power to support Jeju Island. Meanwhile, due to the deactivation of the largest generator on Jeju Island, the angle value in NamJeju TP 4 becomes zero after contingency operation. The improvement of additional active power was activated based on a deviation between the converter bus on the mainland and Jeju Island. That is the reason, through the combined FCP-GSS concept, the deviation value of angle potential decreased. In exchange for the FCR concept, the generator angle response value in the mainland after the disturbance has slight oscillation because the additional reserves are small compared to the other concepts.

5. Conclusions

The comprehensive study of the HVDC link with cooperation concepts in MIDC power systems is illustrated to increase transfer-capacity flexibility between two synchronous areas reflected in network power system size. The application of this study is described according to the existing grid code standard. This paper emphasizes the improvement of nadir and steady-state frequency contributions during contingencies operation, especially in smaller power systems, i.e., the Jeju Island power system. The contributions of this paper are depicted through the new design of the combined FCP-GSS as the cooperation concepts of the HVDC link to improve grid parameter stability standards.
This research contributes by determining four cooperation concepts according to the ENTSO-E standard in the Korean power system interconnection. Without cooperation concepts or alignment between two synchronous areas, the security of network operation might be jeopardized. Based on the analysis, it is verified that the combined FCP-GSS provides the best additional improvement reserve power as not only FCR and virtual inertia are shared but also voltage and angle between VSC interconnection. At last, for future development research, this cooperation concept will be considered for renewable energy source penetration in the Jeju Island power system and the availability of market operation reserves data. To improve power system stability and reliability, we can improve the proposed method and compare it to the existing operation.

Author Contributions

Conceptualization, J.S., J.L., S.H. and M.Y.; Investigation, U.F.R.; Methodology, U.F.R., J.L. and M.Y.; Software, U.F.R.; validation, J.S., J.L., S.H. and M.Y.; Visualization, U.F.R. and J.L.; Supervision, M.Y.; Writing—original draft preparation, U.F.R.; Writing—review and editing, J.S., J.L., S.H. and M.Y. All authors have read and agreed to the published version of the manuscript.

Funding

This work was supported by the Korea Electric Power Corporation grant (R21XO01-1) and the Research Resettlement Fund for the new faculty of Kwangwoon University in 2020.

Institutional Review Board Statement

Not applicable.

Informed Consent Statement

Not applicable.

Data Availability Statement

Not applicable.

Acknowledgments

The description of Table 2, Table 3 and Table 5 are reprinted from Elsevier, Sustainable Energy, Grids and Networks, Vol. 5, Jerom E.S. de Haan et al, “Stabilising system frequency using HVDC between the Continental European, Nordic and Great Britain System”, Pages No. 125–134, Copyright (2022), with permission number (5310580189435) from Elsevier.

Conflicts of Interest

The authors declare no conflict of interest.

Appendix A

The author discusses the parameter data of the generator in a simplified model of the Korean power system in this section. As explained in Section 4, the significant amount of generator capacities on the mainland and Jeju Island is demonstrated. As illustrated in this table, the network system size will be one of the challenging parameters in balancing system arrangement. Moreover, the GENROU model is applied for a generator in the Jeju Island power system because the most suitable model for thermal power plant operation. As illustrated in Figure 8, each generator in the Jeju Island power system will consist of two unit operations. Furthermore, the operation of the generator on Jeju Island will be automatically adapted according to the peak load demand of the Jeju Island power system.
Table A1. The generator model capacities in the simplified model.
Table A1. The generator model capacities in the simplified model.
LocationModelPgen (MW)Pmax (MW)Pmin (MW)Inertia
Value (H)
Capacity (MVA)
Mainland G-1GENROU25036,5001803.02736,500
Mainland G-2GENROU25036,5001803.02736,500
Jeju TP#2GENROU6075425.497.06
Jeju TP#3GENROU6075425.497.06
S-Jeju TP#3GENROU65100505.93130
S-Jeju TP#4GENROU65100505.93130

References

  1. International Energy Agency (IEA). Korea 2020 Energy Policy Review; IEA: Seoul, Korea, 2020. [Google Scholar]
  2. Korean Ministry of Trade, Industry and Energy. The 8th Basic Plan for Long-Term Electricity Supply and Demand (2017–2031); Korean Ministry of Trade, Industry and Energy: Sejong, Korea, 2017; pp. 70–83. [Google Scholar]
  3. Government of Korea. Submission under the Paris Agreement the Republic of Korea’s Update of Its First Nationally Determined Contribution; Government of Korea: Seoul, Korea, 2020. [Google Scholar]
  4. Na, G.H.; Cho, W.Y.; Kook, K.S. Evaluation Method for Penetration Limit of Renewable Energy Sources in Korean Power System. Energies 2019, 12, 4207. [Google Scholar] [CrossRef] [Green Version]
  5. Song, S.; Yoon, M.; Jang, G. Analysis of Six Active Power Control Strategies of Interconnected Grids with VSC-HVDC. Appl. Sci. 2019, 9, 183. [Google Scholar] [CrossRef] [Green Version]
  6. Fluorentzou, N.; Agelidis, V.G.; Demetriades, G.D. VSC-based HVDC power transmission systems: An overview. IEEE Trans. Power Electron. 2009, 24, 592–602. [Google Scholar] [CrossRef]
  7. Lee, G.; Moon, S.; Hwang, P. A Frequency-Power Droop Coefficient Determination Method of Mixed Line-Commutated and Voltage-Sourced Converter Multi-Infeed, High-Voltage, Direct Current Systems: An Actual Case Study in Korea. Appl. Sci. 2019, 9, 606. [Google Scholar] [CrossRef] [Green Version]
  8. ENTSO-E. Nordic Balancing Philosophy; ENTSO-E: Brussels, Belgium, 2016. [Google Scholar]
  9. Haan, J.E.S.; Concha, C.E.; Gibescu, M.; Putten, J.V.; Doorman, G.L.; Kling, W.K. Stabilising system frequency using HVDC between the Continental European, Nordic, and Great Britain Systems. Sustain. Energy Grids Netw. 2016, 5, 125–134. [Google Scholar] [CrossRef]
  10. Davies, B.; Williamson, A.; Gole, A.M.; Ek, B.; Long, B.; Burton, B.; Kell, D.; Brandt, D.; Lee, D.; Rahimi, E.; et al. Systems with multiple DC infeed. In CIGRE Working Group B4.41; CIGRE: Paris, France, 2008. [Google Scholar]
  11. Gui, C.; Zhang, Y.; Gole, A.M.; Zhao, C. Analysis of dual-infeed HVDC with LCC-HVDC and VSC-HVDC. IEEE Trans. Power Deliv. 2012, 27, 1529–1597. [Google Scholar] [CrossRef]
  12. Ni, X.; Gole, A.M.; Zhoa, C.; Guo, C. An improved measure of AC system strength for performance analysis of multi-infeed HVdc systems including VSC and LCC converters. IEEE Trans. Power Deliv. 2018, 33, 169–178. [Google Scholar] [CrossRef]
  13. Rabiee, A.; Soroudi, A.; Keane, A. Information gap decision theory based OPF with HVDC connected wind farms. IEEE Trans. Power Syst. 2015, 30, 3396–3406. [Google Scholar] [CrossRef] [Green Version]
  14. Pizano-Martinez, A.; Fuerte-Esquivel, C.R.; Ambriz-Perez, H.; Acha, E. Modeling of VSC-based HVDC systems for a Newton-Raphson OPF algorithm. IEEE Trans. Power Syst. 2007, 22, 1794–1803. [Google Scholar] [CrossRef]
  15. Gavriluta, C.; Candela, I.; Luna, A.; Gomez-Exposito, A.; Rodriguez, P. Hierarchical control of HV-MTDC systems with droop-based primary and OPF-based secondary. IEEE Trans. Smart Grid. 2015, 6, 1502–1510. [Google Scholar] [CrossRef]
  16. Han, M.; Xu, D.; Wan, L. Hierarchical optimal power flow control for loss minimization in hybrid multi-terminal HVDC transmission system. CSEE J. Power Energy Syst. 2016, 2, 40–46. [Google Scholar] [CrossRef]
  17. NERC. Fast Frequency Response Concepts and Bulk Power System Reliability Needs; NERC: Atlanta, GA, USA, 2020. [Google Scholar]
  18. Yoon, M.; Lee, J.; Song, S.; Yoo, Y.; Jang, G.; Jung, S.; Hwang, S. Utilization of Energy Storage System for Frequency Regulation in Large-Scale Transmission System. Energies 2019, 12, 3898. [Google Scholar] [CrossRef] [Green Version]
  19. Davies, M.; Kolz, A.; Kuhn, M.; Monkhouse, D.; Strauss, J. Latest control and protection innovations applied to the Basslink HVDC interconnector. In Proceedings of the 8th IEE International Conference on AC and DC Power Transmission, London, UK, 28–31 March 2006. [Google Scholar]
  20. Westerweller, T.; Price, J.J. Basslink HVDC interconnector-system design considerations. In Proceedings of the 8th IEE International Conference on AC and DC Power Transmission, London, UK, 28–31 March 2006. [Google Scholar]
  21. Haileselassie, T.; Uhlen, K. Power System Security in a Meshed North Sea HVDC Grid. Proc. IEEE 2013, 101, 978–990. [Google Scholar] [CrossRef]
  22. Obradovic, D.; Dijokas, M.; Tosatto, A.; Cutsem, T.V.; Eriksson, R.; Ghandhari, M. Assessment of HVDC Frequency Control Methods in the Nordic Test System. In Proceedings of the 48th Cigre 2020 Symposium, Paris, France, 23 August–3 September 2020. [Google Scholar]
  23. Thoen, A.; Svean, M.; Lebas, O.; Irnawan, R.; Silva, F.F. Droop Control Optimization for Multi-Terminal HVDC Transmission System. In Proceedings of the 53rd International Universities Power Engineering Conference (UPEC), Glasgow, Scotland, 4–7 September 2018. [Google Scholar]
  24. Huang, J.; Preece, R. HVDC-based fast frequency support for low inertia power systems. In Proceedings of the 13th IET International Conference on AC and DC Power Transmission (ACDC 2017), Manchester, UK, 14–16 February 2017. [Google Scholar]
  25. Hamida, A.H.; Ben-Kilani, K.; Elleuch, M. Determining the Frequency Bias Factor of Secondary Control in the Tunisian Power System. In Proceedings of the 2014 International Conference on Electrical Sciences and Technologies in Maghreb (CISTEM), Tunis, Tunisia, 3–6 November 2014. [Google Scholar]
  26. SIEMENS. Siemens PTI.PSS/E 33 Program Application Guide; SIEMENS: Munich, Germany, 2013; Volume 2, pp. 287–596. [Google Scholar]
  27. Kundur, P.; Paserba, J.; Ajjarapu, V.; Anderson, G.; Bose, A.; Canizares, C.; Hatziargyriou, N.; Hill, D.; Stankovic, A.; Taylor, C.; et al. Definition and Classification of Power System Stability. IEEE Trans. Power Syst. 2004, 19, 2. [Google Scholar]
  28. ENTSO-E. ENTSO-E Draft Network Code on High Voltage Direct Current Connections and DC-Connected Power Park Modules; ENTSO-E: Brussels, Belgium, 2014. [Google Scholar]
  29. An, K.; Song, K.; Hur, K. Incorporating Charging/Discharging Strategy of Electric Vehicles into Security-Constrained Optimal Power Flow to Support High Renewable Penetration. Energies 2017, 10, 729. [Google Scholar] [CrossRef]
  30. Oak Ridge National Laboratory. Developing Generic Dynamic Models for the 2030 Eastern Interconnection Grid; Oak Ridge National Laboratory: Oak Ridge, TN, USA, 2021. [Google Scholar]
  31. Ørum, E.; Kuivaniemi, M.; Laasonen, M.; Bruseth, A.I.; Jansson, E.A.; Danell, A.; Elkington, K.; Modig, N. Future System Inertia 2; Technical Report; ENTSO-E: Brussels, Belgium, 2018. [Google Scholar]
  32. Lee, C.; Im, S.; Jung, J.; Lee, B. BESS Deployment Strategy in Jeju Carbon-Free Islands for Reducing Renewable Energy Curtailment. Energies 2020, 13, 6082. [Google Scholar] [CrossRef]
Figure 1. Frequency response characteristic.
Figure 1. Frequency response characteristic.
Sustainability 14 06091 g001
Figure 2. HVDC control for the droop cooperation concept.
Figure 2. HVDC control for the droop cooperation concept.
Sustainability 14 06091 g002
Figure 3. HVDC control for the exchange of FCR cooperation concept.
Figure 3. HVDC control for the exchange of FCR cooperation concept.
Sustainability 14 06091 g003
Figure 4. HVDC control for the sharing FCR cooperation concept.
Figure 4. HVDC control for the sharing FCR cooperation concept.
Sustainability 14 06091 g004
Figure 5. HVDC control for the combining FCP cooperation concept.
Figure 5. HVDC control for the combining FCP cooperation concept.
Sustainability 14 06091 g005
Figure 6. The control algorithm of the proposed method.
Figure 6. The control algorithm of the proposed method.
Sustainability 14 06091 g006
Figure 7. (a) LCC and (b) VSC modeling with (c) combine FCP and GSS Reserve Control.
Figure 7. (a) LCC and (b) VSC modeling with (c) combine FCP and GSS Reserve Control.
Sustainability 14 06091 g007
Figure 8. Jeju Island Configuration with HVDC.
Figure 8. Jeju Island Configuration with HVDC.
Sustainability 14 06091 g008
Figure 9. Jeju Island frequency response during the HVDC#1 trip.
Figure 9. Jeju Island frequency response during the HVDC#1 trip.
Sustainability 14 06091 g009
Figure 10. Mainland frequency response during the HVDC#1 trip.
Figure 10. Mainland frequency response during the HVDC#1 trip.
Sustainability 14 06091 g010
Figure 11. LCC active power response during the HVDC#1 trip.
Figure 11. LCC active power response during the HVDC#1 trip.
Sustainability 14 06091 g011
Figure 12. VSC active power response during the HVDC#1 trip.
Figure 12. VSC active power response during the HVDC#1 trip.
Sustainability 14 06091 g012
Figure 13. Generator angle response reference frame during the HVDC#1 trip: (a) Jeju Island; (b) Mainland.
Figure 13. Generator angle response reference frame during the HVDC#1 trip: (a) Jeju Island; (b) Mainland.
Sustainability 14 06091 g013aSustainability 14 06091 g013b
Figure 14. Converter bus angle in synchronous reference frame during the HVDC#1 trip: (a) Jeju Island; (b) Mainland.
Figure 14. Converter bus angle in synchronous reference frame during the HVDC#1 trip: (a) Jeju Island; (b) Mainland.
Sustainability 14 06091 g014
Figure 15. Jeju Island frequency response during the largest generation trip.
Figure 15. Jeju Island frequency response during the largest generation trip.
Sustainability 14 06091 g015
Figure 16. Mainland frequency response during the largest generation trip.
Figure 16. Mainland frequency response during the largest generation trip.
Sustainability 14 06091 g016
Figure 17. LCC active power response during the largest generation trip: (a) LCC#1; (b) LCC#2.
Figure 17. LCC active power response during the largest generation trip: (a) LCC#1; (b) LCC#2.
Sustainability 14 06091 g017aSustainability 14 06091 g017b
Figure 18. VSC active power response during the largest generation trip.
Figure 18. VSC active power response during the largest generation trip.
Sustainability 14 06091 g018
Figure 19. Generator angle response reference frame during the largest generation trip: (a) Jeju Island; (b) Mainland.
Figure 19. Generator angle response reference frame during the largest generation trip: (a) Jeju Island; (b) Mainland.
Sustainability 14 06091 g019aSustainability 14 06091 g019b
Table 1. Classification of four cooperation concepts for synchronous area cooperation concepts.
Table 1. Classification of four cooperation concepts for synchronous area cooperation concepts.
ConceptPrinciple
Droop on HVDCThe balancing resources as the virtual increase of reserve
Exchange of FCRFCR based on cost-efficient deployment from cooperating synchronous areas
Sharing FCREnables utilization between cooperating synchronous areas, excluding sharing virtual inertia
Combining FCPActing as one large virtual “synchronous” area, including sharing virtual inertia
Table 2. List of central communication of four cooperation concepts [9]. “Adapted from Jerom E.S. de Haan, Carolina Escudero Concha, Madeleine Gibescu, Jan van Putten, Gerrard L. Doorman and Wil L. Kling (2015), copyright permission number 5310580189435”.
Table 2. List of central communication of four cooperation concepts [9]. “Adapted from Jerom E.S. de Haan, Carolina Escudero Concha, Madeleine Gibescu, Jan van Putten, Gerrard L. Doorman and Wil L. Kling (2015), copyright permission number 5310580189435”.
ConceptCentral Communication with Each HVDC
Interconnection System
Droop on HVDCNon-static, static, and local settings
Exchange of FCRDynamics, TSOs send signals to each frequency control station
Sharing FCRNon-static, static, and local settings based on centralized optimization
Combining FCPNon-static, static, and local settings based on a centralized decision
Table 3. List of system conditions for the droop on HVDC concept [9]. “Adapted from Jerom E.S. de Haan, Carolina Escudero Concha, Madeleine Gibescu, Jan van Putten, Gerrard L. Doorman and Wil L. Kling (2015), copyright permission number 5310580189435”.
Table 3. List of system conditions for the droop on HVDC concept [9]. “Adapted from Jerom E.S. de Haan, Carolina Escudero Concha, Madeleine Gibescu, Jan van Putten, Gerrard L. Doorman and Wil L. Kling (2015), copyright permission number 5310580189435”.
InterconnectionCapacity (MW)DroopHVDC Gain Value (MW/Hz)
NO-GB14003.00%933
CE-GB32003.00%2133
CE-NO45503.00%3033
Table 4. List of sensitivity analysis for the droop on HVDC concept [9].
Table 4. List of sensitivity analysis for the droop on HVDC concept [9].
NO-GBGB-CENO-CE
Sensitivity Analysis (MW/Hz) Equation (3)933.23072133.0983032.859
Error (%)0.020.0040.004
Table 5. List of system conditions for the sharing FCR concept [9]. “Adapted from Jerom E.S. de Haan, Carolina Escudero Concha, Madeleine Gibescu, Jan van Putten, Gerrard L. Doorman and Wil L. Kling (2015), copyright permission number 5310580189435”.
Table 5. List of system conditions for the sharing FCR concept [9]. “Adapted from Jerom E.S. de Haan, Carolina Escudero Concha, Madeleine Gibescu, Jan van Putten, Gerrard L. Doorman and Wil L. Kling (2015), copyright permission number 5310580189435”.
NO-GBGB-CENO-CE
Bias Factor HVDC (MW/Hz)137122292445
Table 6. List of sensitivity analysis for the sharing FCR concept [9].
Table 6. List of sensitivity analysis for the sharing FCR concept [9].
NO-GBGB-CENO-CE
Sensitivity Analysis (MW/Hz) Equation (4)1370.9092228.5712445.405
Error (%)0.00660.0190.016
Table 7. List of frequency nadir and RoCoF values according to HVDC reserve operation control.
Table 7. List of frequency nadir and RoCoF values according to HVDC reserve operation control.
ConceptFrequency Nadir (Hz) Jeju IslandFrequency Oscillation Mainland (Hz)Max RoCoF (Hz/s)
Droop on HVDC59.6986160.00330.4243
Exchange of FCR58.8597860.01221.60248
Sharing FCR59.7465160.00280.3558
Combining FCP59.8672860.00200.19407
Combining FCP-GSS59.8753960.00180.19027
Without Control57.7486260.04072.73228
Table 8. List of frequency nadir and RoCoF values according to HVDC reserve operation control.
Table 8. List of frequency nadir and RoCoF values according to HVDC reserve operation control.
ConceptFrequency Nadir (Hz) Jeju IslandFrequency Nadir (Hz) MainlandMax RoCoF (Hz/s)
Droop on HVDC59.8158959.986040.3043
Exchange of FCR59.2837959.995150.9124
Sharing FCR59.8453659.984890.2558
Combining FCP59.911659.981470.1360
Combining FCP-GSS59.923759.980750.1287
Without Control58.585560.002.2822
Publisher’s Note: MDPI stays neutral with regard to jurisdictional claims in published maps and institutional affiliations.

Share and Cite

MDPI and ACS Style

Ramadhan, U.F.; Suh, J.; Hwang, S.; Lee, J.; Yoon, M. A Comprehensive Study of HVDC Link with Reserve Operation Control in a Multi-Infeed Direct Current Power System. Sustainability 2022, 14, 6091. https://doi.org/10.3390/su14106091

AMA Style

Ramadhan UF, Suh J, Hwang S, Lee J, Yoon M. A Comprehensive Study of HVDC Link with Reserve Operation Control in a Multi-Infeed Direct Current Power System. Sustainability. 2022; 14(10):6091. https://doi.org/10.3390/su14106091

Chicago/Turabian Style

Ramadhan, Umar Fitra, Jaewan Suh, Sungchul Hwang, Jaehyeong Lee, and Minhan Yoon. 2022. "A Comprehensive Study of HVDC Link with Reserve Operation Control in a Multi-Infeed Direct Current Power System" Sustainability 14, no. 10: 6091. https://doi.org/10.3390/su14106091

APA Style

Ramadhan, U. F., Suh, J., Hwang, S., Lee, J., & Yoon, M. (2022). A Comprehensive Study of HVDC Link with Reserve Operation Control in a Multi-Infeed Direct Current Power System. Sustainability, 14(10), 6091. https://doi.org/10.3390/su14106091

Note that from the first issue of 2016, this journal uses article numbers instead of page numbers. See further details here.

Article Metrics

Back to TopTop