Next Article in Journal
Will the Effects of COVID-19 on Commuting and Daily Activities of the University Students Be Maintained? Evidence from a Small Town in Sicily
Previous Article in Journal
Telework in Baltic Countries during the Pandemic: Effects on Wellbeing, Job Satisfaction, and Work-Life Balance
 
 
Font Type:
Arial Georgia Verdana
Font Size:
Aa Aa Aa
Line Spacing:
Column Width:
Background:
Article

Analysis of EU-DEMO WCLL Power Conversion System in Two Relevant Balance of Plant Configurations: Direct Coupling with Auxiliary Boiler and Indirect Coupling

DIAEE—Nuclear Section, Sapienza University of Rome, Corso Vittorio Emanuele II 244, 00186 Rome, Italy
*
Author to whom correspondence should be addressed.
Sustainability 2022, 14(10), 5779; https://doi.org/10.3390/su14105779
Submission received: 23 March 2022 / Revised: 2 May 2022 / Accepted: 6 May 2022 / Published: 10 May 2022
(This article belongs to the Section Resources and Sustainable Utilization)

Abstract

:
Among the Key Design Integration Issues (KDIIs) recently selected for the DEMOnstration Fusion Power Plant (DEMO), the operation of the Balance of Plant (BoP) Power Conversion System (PCS) has been recognized as a crucial aspect, due to the typical pulsed regime characterizing the fusion power plant. In the framework of the DEMO Water-Cooled Lead-Lithium Breeding Blanket (WCLL BB) concept, three BoP solutions have been recognized to be able to overcome this issue. They rely on different coupling options between the Primary Heat Transfer Systems (PHTSs) and the PCS: an Indirect Coupling Design (ICD) with Intermediate Heat Transport System (IHTS) and Energy Storage System (ESS), a Direct Coupling Design (DCD) with AUXiliary Boiler (AUXB), and a DCD with small ESS. The present paper deals with a preliminary feasibility assessment of the first two solutions. The analysis, carried out with the GateCycleTM code, referred to a preliminary design phase, devoted to the sizing of the main components, and to a second phase focused on the cycle optimization. The study demonstrated the feasibility of the two BoP concepts. They are able to produce a satisfactory average electric power (>700 MW) with an acceptable average net electric efficiency (33.6% for both concepts). For each solution, the main strengths and weaknesses are compared and discussed.

1. Introduction

A wide R&D effort is being carried out in Europe on the DEMOnstration Fusion Power Plant (DEMO) project, promoted and led by the EUROfusion Consortium. According to the EUROfusion roadmap [1], DEMO will be the commercial-size prototype magnetic confinement fusion reactor that will follow the International Thermonuclear Experimental Reactor (ITER) as the ultimate step toward the exploitation of fusion energy. Although large benefits are expected from the design, construction, and operation of ITER [2], there are some outstanding physics, material, and engineering challenges that are specific for DEMO. They have been recently grouped in eight Key Design Integration Issues (KDIIs), selected for their impact on plasma physics and tokamak architecture, safety, and maintainability [3,4]. Among those KDIIs, the Balance of Plant (BoP) Power Conversion System (PCS) has been recognized to have a crucial role in the design and licensing of DEMO, due to the pulsed regime that characterizes such a fusion power plant.
The reference operative regime of DEMO is based on a pulse period of 2 h and a dwell time of 600 s [5]. During pulse operation, around 2 GWth must be removed from the reactor Breeding Blanket (BB) [6], while the power deposited in such a structure during dwell time (i.e., when the plasma is off) approaches the 1% of the nominal value [7]. Eleven pulses per day are foreseen, generating a concern related to the unconventional operation of the DEMO BoP.
Within the EUROfusion Consortium, two BB concepts are under investigation in the framework of the DEMO pre-conceptual design phase. Those configurations rely on a helium-cooled option, specifically the Helium-Cooled Pebble Bed (HCPB), which foresees a solid breeder, and a water-cooled concept, namely, the Water-Cooled Lithium Lead (WCLL) that uses liquid lithium lead alloy as breeder [8,9].
The present paper deals with the DEMO WCLL BB concept. The aim of the work is to analyze two possible configurations for the BoP PCS. In a fusion power plant, the latter is composed of all the circuits related to the steam cycle components (e.g., steam turbine, pre-heaters, and pumps). The system’s main purpose is to convert the heat removed from the tokamak reactor into electric power to be delivered to the grid. The thermal power is originally extracted by the Primary Heat Transfer Systems (PHTSs) and, then, delivered to the PCS for steam production. Steam thermal energy is converted into mechanical energy by the turbine and then into electric energy thanks to the synchronous generator.
As mentioned before, the main design challenge related to the DEMO BoP is the coupling with a pulsed power source. The BoP configurations already exploited in existing (e.g., thermal or nuclear fission) power plants are not suitable for this application. They have been developed to manage constant power production. Thus, the component design and the system architecture have also been optimized for this purpose. Such BoP solutions lack the operational flexibility needed to withstand the power fluctuations induced by the pulsed plasma regime. To cope with this peculiarity, three options for the WCLL BB BoP are under evaluation [6,10]. The reference configuration is currently considered the Direct Coupling Design (DCD), namely, WCLL DCD BoP. It foresees the direct coupling of the Once Through Steam Generators (OTSGs) belonging to Breeding Zone (BZ) and First Wall (FW) PHTSs with the PCS steam turbine. In addition, a small electrically heated Energy Storage System (ESS), operated with molten salt (HITEC©), feeds the steam turbine under the dwell phase with a reduced steam flow rate (around 10%). Such a configuration allows the connection with the electrical grid to be kept, ensuring a minimum energy production for PHTSs and BoP auxiliaries. Furthermore, two possible alternatives for the WCLL BB BoP are considered. The first one is the DCD with AUXiliary Boiler (AUXB), namely, WCLL DCD AUXB BoP, where BZ and FW PHTSs OTSGs directly feed the steam turbine, and a gas-fired boiler provides 250 MW in both the pulse and dwell operation, ensuring the minimum load of 10% to the steam turbine during dwell time. The advantage of such a solution is the use of well-known components already adopted in nuclear and conventional industries, except for the steam turbine whose feasibility should be assessed (this is valid also for the WCLL DCD BoP). The main drawback is the large power required from the auxiliary boiler. On the other hand, an Indirect Coupling Design (ICD) with Intermediate Heat Transfer System (IHTS) and ESS, namely, WCLL ICD BoP, is studied. In this case, only BZ PHTS delivers thermal power directly to PCS, by means of two OTSGs. Instead, the FW PHTS is connected to the IHTS equipped with a large ESS. The thermal coupling is provided by two water/molten salt heat exchangers. The ESS consists of two tanks filled with molten salt (MS) at different temperatures. During the pulse, the ESS accumulates a fraction of the FW thermal power, storing molten salt in the hot tank. Then, during the dwell, this energy is transferred to the PCS through four helicoidally coil steam generators. This configuration guarantees a continuous and near-constant turbine load (100%) in both the pulse and dwell phases. This is the main advantage of such a concept, but the large dimension of the energy storage tanks (around 11,000 m3) represents a significant concern. It is worth noting that storage systems have already been proved to be effective in improving the operational flexibility of integrated energy systems, for example, in combination with renewable energy sources, as reported in [11].
In the following, Section 2 offers a detailed description of two alternative configurations proposed for DEMO WCLL BB BoP (i.e., ICD and DCD AUXB). For each solution, a full model of the system is developed with the General Electric program GateCycle™, a software application for the design and performance evaluation of thermal power plant systems [12,13]. Calculation results are collected in Section 3, differentiated for each BoP option. In particular, Section 3.1 refers to ICD and Section 3.2 to DCD AUXB. A final discussion on the main outcomes of the computational activity is reported in Section 4. The conclusive remarks related to the current work are contained in Section 5. Moreover, at the end of the paper, it is provided a list of the main acronyms used in the text.

2. DEMO WCLL BB Balance of Plant

The current section deals with the presentation of the two DEMO WCLL BB BoP concepts considered in this study. First of all, it is worth mentioning the main features of the primary heat transport systems, which define the boundary conditions of the present analysis.
DEMO foresees four independent PHTSs, which accomplish the heat removal from the different reactor sources. The most relevant is the BB PHTS, composed of BZ PHTS and FW PHTS. It has in charge the largest portion of the reactor power. The other PHTSs are responsible for the heat removal from the cold sources, namely, the Divertor (DIV) and the Vacuum Vessel (VV). For the divertor, two independent PHTSs are foreseen, one for the Cassettes (CAS) and one for the Plasma Facing Unit (PFU).
The breeding blanket represents a crucial component of a fusion power plant [14]. It fulfills several essential functions. As a matter of fact, the BB is responsible for the production of the tritium fuel as well as operating as a direct cooling device. The neutrons, coming from the plasma, interact with the BB that converts the neutron kinetic energy into thermal energy. The same interactions with the breeder material (namely, the lithium) produce the tritium needed for reactor self-sufficiency. Furthermore, the BB serves as shielding, preventing the leakage of high-energy neutrons that could damage the outside components (e.g., the superconducting magnets). The BB is divided into the FW, which directly faces the plasma, and the BZ, where tritium production occurs. Each system requires an independent primary heat transfer system, both belonging to the BB PHTS.
The WCLL ICD BoP and the WCLL DCD AUXB BoP rely on the same BZ PHTS and a slightly different FW PHTS [6]. For both concepts, the BZ PHTS directly delivers power to the PCS by means of two OTSGs. On the other hand, in the indirect coupling option, the FW PHTS provides power to the MS IHTS through two Intermediate Heat Exchangers (IHXs) [15], whereas in the DCD AUXB BoP it directly delivers power to the PCS with two additional OTSGs [6]. Although these minor differences, the operational parameters of the BB PHTSs remain the same in both configurations. Those parameters, together with operational features of the DIV and VV PHTSs, are summarized in Table 1 [6,16,17,18] and constitute the boundary conditions of the present study. It is worth emphasizing that such values represent operative parameters in pulse mode. In dwell time, some features are kept equal to pulse operation (i.e., mass flow rate, pressure, and pumping power), whereas source power decreases to 1% of the nominal value and each system is maintained in isothermal conditions (312 °C for BB PHTSs, 133 °C for DIV PFU, and 195 °C for DIV CAS and VV PHTSs).
Concerning the DIV and VV PHTSs, they keep the same layout in the two BoP concepts. Their Heat Exchangers (HXs) are integrated into the PCS Feedwater Heater (FWH) train. Further details regarding the DIV PHTSs have been provided by Vallone et al. [18].

2.1. WCLL ICD BoP Power Conversion System

In the past EU FP8 EUROfusion work program, most of the research activities devoted to the feasibility assessment as well as the efficiency evaluation of the BoP regarded the indirect coupling option. Examples of such studies can be found in [16,19,20,21].
The attractiveness of this configuration is the possibility to operate the plant at nominal conditions in a continuous way, guaranteeing a nearly constant electrical power to the grid (both in pulse and dwell time). This is allowed by the IHTS, designed to deliver 100% of nominal power in the dwell phase. The intermediate heat transfer system consists of two IHXs (thermally coupled to the FW PHTS), two molten salt tanks (storing hot and cold HITEC©, respectively), four Helicoidally Coil Steam Generators (HCSG—delivering power to the PCS), the pumps, and their connections [15].
The preliminary sizing of the ESS (i.e., the MS tanks) was carried out considering a dwell time of 600 s, and assuming a constant turbine power of 1749 MWth. During the pulse, the power delivered from the FW PHTS to the ESS amounts to 439.8 MWth (see Table 1). It is assumed that around 1.25 × 106 MJ are stored during this phase, which corresponds to a power of 173.9 MWth. The difference between the two powers is directly driven to the PCS by one of the four HCSGs. Molten salt operates between 280 and 320 °C, while feedwater enters the helical tubes at 238 °C producing steam at 299 °C and 6.41 MPa. The HITEC© and feedwater mass flow rates are 4261 kg/s and 145 kg/s, respectively.
During dwell time, the energy stored in the previous phase in the form of hot molten salt is transferred to the PCS thanks to the four HCSGs. In this time window, they operate at their sizing power, and the total HITEC© mass flow rate is evaluated to 33,436 kg/s (8359 kg/s per component). The whole ESS contains an inventory of 20,062 tons of molten salt; thus, a volume of 11,000 m3 is required per tank.
Regarding the PCS, the preliminary configuration for the present study was derived from the work carried out by Malinowsky et al. [16,19,20,21]. This concept was developed according to the peculiar constraints characterizing the system operation. As matter of fact, the pulsed regime introduces relevant complexities compared to the PCSs of conventional steam power plants, impacting the design of the FWH train. Indeed, the feedwater mass flow rate entering the DIV and VV PHTSs heat exchangers must be varied according to the extent of the correspondent power source, which passes from its nominal value to 1% and vice versa during pulse–dwell and dwell–pulse transitions. At the same time, during these load fluctuations, large feedwater temperature variations must be avoided. Such a requirement was accomplished by including three additional feedwater heaters, namely, the FWHs DW, placed in parallel with the DIV and VV PHTSs HXs. During the pulse, when plasma power is on, heat removed by the divertor and vacuum vessel is used to warm up most of the feedwater mass flow rate. A small bleed is directed towards the FWHs DW to keep the devices hot. Instead, during dwell time, the main feedwater flow is headed to the FWHs DW, while the DIV and VV PHTSs HXs are fed with the required mass flow rate for decay heat removal.
As pointed out by previous studies [16,19,20,21], a wide variety of combinations are possible to obtain the PCS thermal balance, but the final configuration must fulfill also the specific DEMO PCS constraints, while ensuring an as good as reasonably achievable thermodynamic optimization. Besides the aforementioned technological limits (i.e., temperature difference between the pulse and dwell phases), other relevant constraints are: (i) the maximum allowable temperature difference for the counter-flow ports in all HXs is limited to 60 °C in order to reduce thermal stress; and (ii) no significant temperature variations are allowed for the steam turbines (only a few degrees). In addition, the correct thermodynamic conditions into the Deaerator (DA) (330 kPa) and the appropriate feedwater economizing (238 °C) must be guaranteed, ensuring reference conditions at the Steam Generators (SGs) and steam turbine inlets (fixed at 299 °C and 6.4 MPa).

WCLL ICD BoP PCS: GateCycleTM Modeling

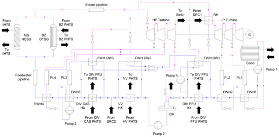
The PCS design was carried out with GateCycleTM code. A schematic view of the system modeling is presented in Figure 1. For each component, the first input data have been derived from preliminary energy balance calculations and imposed into the model for the first run of the code. Then, input data have been iteratively refined run by run to chase the finest layout for the system.
That preliminary operation was carried out keeping fixed values for the PHTS constraints and the PCS requirements. Nevertheless, some minor approximations have been adopted. First of all, elements that have been conceived to be installed in the circuit as two or more units in parallel have instead been reproduced with a single component characterized by lumped parameters. For example, this is the case of the BZ OTSGs and the MS HCSGs, simulated with two equivalent heat exchangers that merge the two once-through and the four helicoidally coil units, respectively. The only exception is represented by the steam turbine modeling. Indeed, both High Pressure (HP) and Low Pressure (LP) turbines are modeled with a chain of three turbine components. This methodology is suggested in the GateCycleTM manual to best fit the several expansion stages and to enhance the convergence of the simulation [13]. HITEC© is not included in the available working fluids in GateCycleTM; thus, the MS HCSG is modeled with an equivalent heat exchanger component, where water substitutes the MS. The hot side water flow rate is scaled as if the design power was directly delivered from the FW PHTS to the PCS, assuming a calibrated heat transfer coefficient. The Re-Heater (RH) is also simulated as an equivalent heat exchanger, with calibrated conditions at the hot side, and the moisture separator is reproduced with a sink (Sink1 in Figure 1) and two sources (SRC1 and SRC2 for steam and drain, respectively) boundary conditions. Such boundaries are calculated assuming an efficiency of the component equal to 95%. This modeling approach was adopted since the available version of the code does not provide the moisture separator among the usable components. Concerning the pressure losses, a detailed calculation was not implemented in this study. With the aim of evaluating a plausible pumping power, as a first approximation, input data for pressure drops are derived from [22]. In addition, the pressure losses through the feedwater and steam lines (namely, the feedwater pipeline and steam pipeline in Figure 1) are supposed to be 50 kPa and 100 kPa, respectively. Finally, the pressure losses related to the steam extraction lines are postulated to be 3% of the extraction pressure. In this way, a more realistic pressure value is obtained at the FWHs. Furthermore, heat losses towards the environment are estimated to be 1% of the duty for each component, and the shaft/gearbox losses of the turbine are imposed to be 0.1% of the power. Fouling factors are considered for each HX, assuming 0.085 × 10−3 m2K/W for FWH and 0.176 × 10−3 m2K/W for single-phase HX, according to the suggestions of the industry partner (i.e., Ansaldo Nucleare).
As presented in Figure 1, the solution analyzed by Malinowski et al. [16,21], which includes three additional feedwater heaters (i.e., FWH DW1, 2, and 3), is kept in the current work. Furthermore, some parameters have been optimized to satisfy PCS requirements. Basically, they are the turbine admission mass flow rate, bleedings mass flow rates for HP and LP turbines, RH hot side mass flow rate and cold side outlet temperature, and steam mass flow rate through FWHs DW. A further improvement of the PCS layout relies on the arrangement of the connections between different components. The main goal is to optimize the temperature and the pressure in the point where the different pipelines converge. This is the case of the moisture separator’s extraction line and the RH’s hot side outlet. The first one is connected with the feedwater pipeline between VV and DIV CAS HXs, while the latter feeds the auxiliary steam port of FWH4. In addition, the steam side (shell side) outlets of FWH4 and FWH2 are connected to the auxiliary steam ports of FWH3 and FWH1 by means of lamination valves, which vaporize the subcooled drain by using the sliding pressure. Despite lamination representing a thermodynamic loss, it is needed to equalize the inlet pressure, to control the inlet temperature of the streams, and to obtain a non-zero quality. Another remarkable solution adopted in the FWH train regards the shell side outlets of the FWH DW 2 and 3, which converge toward the steam side of the FWH DW 1, together with its own steam feeding. Such an expedient reduces the superheated steam required in the FWH DW1, improving the overall efficiency of the cycle.
It is worth emphasizing that the efficiencies calculated in this paper refer to the power conversion system. They do not include the power terms demanded by other auxiliary systems. This leads to an overestimation of such parameters. However, the magnitude of this deviation is the same for both BoP concepts considered, i.e., the negative power terms related to the auxiliaries are common to the two solutions investigated. Thus, despite the presence of this bias, a comparison between ICD and DCD AUXB configurations is still possible.
The optimization procedure relies on different calculation phases, with different GateCycleTM cases, where PHTS constraints and PCS requirements are kept constant. The formers are summarized in Table 1, whereas the most important input parameters for the PCS operation are collected in Table 2. In addition, some input parameters have been assumed as a starting point for the steam turbine’s resolution. In the present activity, HP and LP turbines are designed with the Spencer Cotton Cannon efficiency method [23] (plus Putman correction for LP turbines [24]) and with the “input extraction pressures” option. Such pressure values were already optimized based on the Ansaldo Energia suggestions and have been assumed as a starting point (see Table 3). In off-design mode (see below), the same efficiency method is selected for the steam turbine, but extraction pressures are calculated with the Stodola ellipse model [25].
Each case keeps all the components frozen, with the possibility to vary the main parameters of the whole cycle. Furthermore, it is possible to set each component either in “design mode” or “off-design mode”. The “design mode” means that the component must be designed ex novo and, thus, boundary conditions and input parameters can be processed by the user (e.g., heat transfer surface, heat losses, and heat transfer coefficient). On the other hand, “off-design mode” implies that the design of the component is imported from another selected case, remaining frozen in the present calculation.
A comprehensive design of the PCS implies that both the pulse and dwell cases converge running all the components in “off-design mode”. Evidently, operational conditions of the whole cycle and of each component change in the two phases. Thus, each component must be designed assuming its most challenging operation, ensuring that all the components accomplish their function in any design basis condition. In the WCLL ICD BoP, this state is represented by the dwell phase for almost all the devices. The only exceptions are the HXs directly coupled with the PHTSs (i.e., the equivalent BZ OTSG and the DIV and VV PHTSs HXs), which experience their maximum thermal power, and thus maximum feedwater flow rate, during the pulse. Furthermore, the turbine equipment must be designed for the steam nominal load, with the goal of ensuring the best mechanical power conversion during the fundamental operational mode. Therefore, this equipment must be designed under the pulse phase.
The computational procedure started with the first calculation, where all the components were set in “design mode” (no component was designed at the beginning of the activity). Pulse conditions were imposed in this first calculation, so that the design of BZ OTSG, DIV, and VV PHTSs HXs, RH, and turbines were fixed. Then, the remaining components were designed with a further “complete off-design run”, where the devices already defined were fixed (“off-design mode”) and the dwell specific components are set in “design mode”, allowing the sizing of the HCSG, the condenser, and the FWHs (and relative valves). Such FWHs were supposed to be shell and tubes HXs with two tube passes.
The obtained PCS configuration is assumed as a reference design and adopted for the pulse and dwell calculations.

2.2. WCLL DCD AUXB BoP Power Conversion System

The second WCLL BoP concept analyzed in the present activity is the direct coupling option with an auxiliary boiler, namely, WCLL DCD AUXB BoP. In such a configuration, PCS does not foresee an energy storage system; thus, the power conversion system is directly coupled with the PHTSs, without intermediate loops. Four OTSGs (two per each BB PHTS) are used for this purpose. During the pulse, the entire power produced within the breeding blanket is delivered to the PCS (there is no MS tank to be warmed up). On the other hand, in dwell time only decay heat is deposited into the BB, and PHTSs transfer around 1% of the nominal power to the PCS. Therefore, the DCD allows the maximization of the electric power output during the pulse phase, but it requires an auxiliary source to ensure the connection to the grid in dwell time. In the WCLL DCD AUXB BoP, such a requirement is accomplished by using an auxiliary boiler, sized to ensure a reasonable steam production, and thus electric power, during the dwell phase. The selected load (i.e., steam flow rate) with which the steam turbine is operated during the dwell is around 10% of the nominal value. In such a way, the connection with the electrical grid is kept and minimum electrical power production is guaranteed, enough to feed the PHTSs and BoP auxiliaries [6]. The purpose of the present analysis is to design a PCS able to work in such conditions, while looking at the electrical power output and at the BoP efficiency in both the pulse and dwell. It is worth emphasizing that investigating the feasibility of a steam turbine able to work in such a wide operational range is out of the scope of the present paper. For this reason, the same requirements presented for the WCLL ICD BoP PCS (e.g., avoiding excessive thermic fluctuations and thermal fatigues) are still considered in the DCD and applied to the AUXB. Consequently, the auxiliary boiler is designed to deliver around 250 MW to the PCS in a continuous way, during both the pulse and dwell phases. That power is enough to guarantee the 10% partial load to the steam turbine during dwell and it is added to the BB power during the pulse.

WCLL DCD AUXB BoP PCS: GateCycleTM Modeling

A schematic view of the PCS modeling is presented in Figure 2. The PHTSs constraints and the PCS requirements, described in Section 2.1, are still valid for the WCLL DCD AUXB BoP. Thus, although the present power conversion system processes a slightly higher power during the pulse, and dwell conditions are substantially different, the PCS design of the DCD is quite similar to the one of WCLL ICD BoP. For example, the FWHs DW are still foreseen and placed in parallel with respect to DIV and VV PHTSs HXs. Moreover, some minor approximations are kept in the present design. For example, all the BZ and FW PHTSs OTSGs are merged in a single equivalent component (BB OTSG). On the other hand, the most visible difference is the presence of the auxiliary boiler (AUXB), which substitutes the four HCSGs.
The design of the steam turbine represents a crucial aspect of the DCD PCS. As for the previous case, HP and LP turbines are designed with the Spencer Cotton Cannon efficiency method [23] (plus Putman correction for LP turbines [24]) and with the “input extraction pressures” option. Instead, in off-design mode (see Section 2.1), extraction pressures are calculated with the Stodola ellipse model [25], while the same efficiency method is selected. As a starting point of the optimization procedure, the values summarized in Table 3 are used. However, in this case, the partial load (i.e., dwell time) operation introduces some additional complexities. The thermodynamic conditions at the condenser, and thus at the LP turbine outlet, are fixed. During the partial load operation, at the considered section, a temperature few degrees lower than the pulse operation is foreseen, allowing the pressure to be reduced to 3.8 kPa. The low steam flow rate determines a significant velocity decrease through the LP turbine, impeding the requested expansion and thus forbidding the operation of the turbine. In order to increase steam velocity through this component, LP turbine inlet pressure must be lower than the nominal value. Such a condition increases the volumetric flow rate and, thus, the steam velocity. Hence, LP inlet pressure must be decreased to obtain reasonable operative conditions within the correspondent component. Evidently, such a value is strictly related to the outlet conditions of the HP turbine. This component is affected by the same concerns observed for the LP component. In addition, in this case, a pressure decrease is beneficial for the turbine operation. For this purpose, a lamination valve is foreseen at the HP turbine inlet to reduce pressure during dwell time. In this way, the HP turbine outlet pressure is slightly above the DA pressure, and the component produces minimum mechanical power.
Moreover, in dwell time, bleedings of the HP turbine must be closed since neither extraction pressures nor their temperatures are suitable for FWH3 and FWH4 (see Figure 2). In addition, extraction of steam would lead to a considerable velocity decrease through the HP turbine, preventing reasonable operation of the component. Thus, during the dwell, the required heating flow rate for FWH4 is provided by laminated feeding channels, departing from the main steam line, and its steam side (shell side) outlet is connected to the auxiliary port of FWH3, by means of a lamination valve (see Figure 2). On the other hand, the LP turbine is still adequate to provide the required bleedings for FWH1 and FWH2. It is worth noticing that such bleedings occur at a lower pressure than the pulse phase and, consequently, at a lower saturation temperature. This, together with lower bleeding flow rates, leads to an insufficient pre-heating of the feedwater. Therefore, a further improvement is implemented with respect to the PCS indirect design: the steam side (shell side) outlet of FWH DW1 is not connected downstream with the feedwater line but it moves to the auxiliary steam ports of FWH2 by means of a lamination valve and then, in cascade, to the auxiliary steam port of FWH1, providing the residual fraction of the thermal power.
The PCS configuration described in the present section represents the result of an optimization methodology that relies on the calculation procedure described in Section 2.1. This concept is assumed as a reference design for the WCLL DCD AUXB BoP PCS and adopted for the pulse and dwell calculations.

3. Results

The present section provides the main outcomes of the “off-design” calculations. Two steady-state simulations were performed per each PCS configuration, assessing both pulse and dwell operations. In the following, two different powers are adopted for the evaluation of the PCS performance, namely, the gross power (Wgross) and the net electric power (We), defined as:
W g r o s s = η g e n ( W t 1 + W t 2 )
W e = W g r o s s i ,   p l a n t W p u m p ,   i
In Equation (1), Wt1 and Wt2 represent the shaft power of the HP and LP turbines, respectively, and ηgen is the generator efficiency, assumed equal to 0.98. Equation (2) presents the net electric power, defined as the difference between the gross power and the overall pumping power, calculated including all the pumps (i.e., primary, secondary, and tertiary pumping devices). Per each power, the correspondent efficiency is evaluated as:
η g r o s s = W g r o s s Q ˙ r e a c t o r
η e = W e Q ˙ r e a c t o r
In Equations (3) and (4), Q ˙ r e a c t o r is the sum of the thermal power deposited in the breeding blanket, divertor, and vacuum vessel components. It is worth noticing that, for WCLL ICD BoP, ηgrass and ηe are expected to be higher than 100% during dwell time, when Q ˙ r e a c t o r is around 1% of the nominal value and the power is delivered to the PCS by the IHTS.
Powers and efficiencies are calculated for both pulse and dwell, and the weighted average values are assessed using time as weights (7200 s for pulse and 600 s for dwell).

3.1. WCLL ICD BoP PCS: Results

The main simulation outcomes are summarized in Figure 3, where feedwater temperature, pressure, and mass flow rate are specified in relevant spots of the PCS and compared between pulse and dwell operations (in red and green, respectively—please refer to the online version of the paper for colored figures).
At the SGs outlet, the thermodynamic condition of the steam is kept almost constant between the pulse and dwell. The difference in terms of mass flow rate (956.2 and 1146 kg/s in pulse and dwell, respectively) is due to the slight disparity of the thermal power processed by the SGs in the two operative conditions (around 1749 MW in pulse and 2083 MW in dwell, see Section 2.1). Such a difference is partially restored at the HP turbine inlet since a higher portion of the steam is redirected during the dwell to the FWH DW1, 2, and 3 to compensate for the nearly complete loss of divertor and vacuum vessel power sources. During the pulse, a far lower steam flow rate is bled since it is needed only to keep such heat exchangers hot. Furthermore, around 9% of the total steam flow rate is sent to the RH to warm up the steam exiting the moisture separator (SRC1).
Steam enters the HP turbine with a residual difference in terms of mass flow rate between the pulse and dwell. The majority of the flow rate expands through the whole machine, whereas a small part is extracted to feed FWH3, FWH4, and DA. The thermodynamic conditions of the bleedings are quite similar between the pulse and dwell, even if the bleeding mass flow rates to FWH3 and FWH4 are higher in dwell time (remember that such preheaters have in charge a higher feedwater mass flow rate).
Steam exits the HP turbine, passes the moisture separator and the RH, and enters the LP turbine at 1 MPa. Both thermodynamic conditions and mass flow rate are quite similar between pulse and dwell. Most of the steam expands through the whole component, whereas part of the flow rate is extracted and sent to FWH1 and FWH2. In this case, the bleeding mass flow rate assumes almost the same value in both pulse and dwell periods, since FWH1 and FWH2 must preheat at almost the same feedwater flow rate. Exiting the LP turbine, the high-quality two-phase flow rate is sent to the condenser, where it is mixed with the flow rate coming from the outlet shell side of the FWH1. Within this component, the steam is condensed and, then, feedwater is drawn by Pump 1 and led to the FWH1 (tube side). Here, thermodynamic conditions and the mass flow rate keep similar values between the pulse and dwell. Feedwater is preheated by FWH1 and FWH2 and is sent to the following pre-heater. During the pulse phase, most of the feedwater flow rate is directed to the DIV PFU HX, where it is warmed up by the PHTS power, and around 2% of the total flow rate is redirected to the FWH DW1 to maintain this component hot. Vice versa, during the dwell, most of the feedwater flow rate is sent to the FWH DW1 (heated by the bleed from the steam line) and around 1% of the total flow rate is redirected to the DIV PFU HX, removing the decay heat. Such an operation is repeated downstream, at the VV and DIV CAS HXs (and the corresponding FWH DW2 and FWH DW3). Finally, feedwater completes the pre-heating phase and is led to the SGs. In the pulse phase, almost 85% of the total flow rate is sent to the BZ OTSGs, whereas the remaining portion is directed to the HCSG. On the other hand, during dwell time, 99% of the total flow rate is sent to the HCSGs and only 1% passes through the BZ OTSGs, removing the decay heat.
Focusing on the PCS requirements, specified in Section 2.1, Figure 3 shows that the temperature fluctuation between the pulse and dwell is kept reasonably small in the whole circuit. The higher temperature difference is observed at the shell side outlet of the FWH DW1, where thermal duty is calculated at 40 °C. Although this value is considered reasonable, it could be reduced with further optimization of the cycle. Moreover, the maximum temperature difference for the counter-flow ports in all HXs is observed to be 50 °C. It occurs between the tube side outlet and the shell side inlet of the FWH DW2. However, this value is lower than the maximum allowable temperature difference of 60 °C (see Section 2.1). Finally, reasonable thermodynamic conditions at the DA, at the SGs inlet, and at the steam turbines inlet are guaranteed.
Regarding the PCS performances, Table 4 reports the required auxiliary pumping power, whereas Table 5 and Table 6 summarize the HXs loads and the PCS power and efficiency, respectively. As observed in Table 6, the gross power and the net electric power outputs assume almost the same values in both the pulse and dwell, demonstrating the capability of the ICD option to operate in nearly constant conditions, despite the pulsed nature of the heat source. It is worth emphasizing that the final net electric power, and, thus, the net electric efficiency, will be lower than the values shown in Table 6, since the power consumption of DEMO auxiliary systems (e.g., auxiliaries of plasma heating and current drive, cryogenic plant, and vacuum pumps) are not accounted in the present work.
The resulting expansions of the HP and LP turbines for the pulse and dwell (solid red and green lines, respectively—please refer to the online version of the paper for colored figures) are represented in the Mollier diagram in Figure 4. It is worth noticing that expansion lines are quite overlapped, proving the capability of the ICD to guarantee almost constant energy outputs.

3.2. WCLL DCD AUXB BoP PCS: Results

Figure 5 summarizes the main simulations outcomes, showing the feedwater temperature and pressure fields, as well as the mass flow rate distribution along the overall PCS circuit, for both pulse and dwell (in red and green, respectively—please refer to the online version of the paper for colored figures).
In this case, all the power deposited in the breeding blanket is directly used to produce steam, resulting in a higher mass flow rate during the pulse. Instead, in dwell time, the steam flow rate from the BB OTSGs is reduced to about 1% of the nominal value (only decay heat is still to be removed). On the other hand, the auxiliary boiler is kept at an almost constant load (226 MW and 252 MW for the pulse and dwell, respectively) in order to avoid unacceptable thermal cycling. Thus, a quite constant steam flow rate is produced within the component.
Four derivations from the main steam line are foreseen, feeding the auxiliary port of the FWH4 and the FWH DW1, 2, and 3. As observed in Figure 5, such derivations are characterized by very low steam flow rates during pulse operation (in the magnitude of 0.1% of the total mass flow rate). Such bleedings are needed only to keep those heat exchangers hot. Instead, during dwell time, when such components play a crucial role in the feedwater pre-heating train, the correspondent fractions of the derived steam flow rate increase. It is worth noticing that also the total mass flow rate flowing in the steam line decreases from 1170.4 to 150.5 kg/s, following the turbine load drop characterizing the dwell phase. Furthermore, an additional derivation is foreseen for the RH.
The rest of the steam flow rate enters the turbines. At the inlet of the HP turbine, a valve fixes the pressure of the steam. As explained in Section 2.2, this device serves to reduce HP turbine outlet pressure, and thus LP turbine inlet pressure, allowing a reasonable steam velocity through the second expansion component. Such conditions are highlighted in Figure 5.
Three bleeds are foreseen along the HP turbine. The bleeding flow rate is necessary, during pulse operation, to feed FWH3, FWH4, and DA. On the other hand, as explained in Section 2.2, the first two bleedings must be closed during dwell time, since thermodynamic conditions of the steam are not suitable for FWH3 and FWH4. In this state, the same role is fulfilled by the first derivation of the main steam line, which feeds in cascade FWH3 and FWH4.
Then, steam enters the LP turbine at the desired conditions for each operative phase. During the pulse, both steam bleedings amount to almost 4% of the total steam flow rate. During the dwell, they still perform, but their relative extent (with respect to the total steam flow rate in such a condition) is lower, nearly 4% and 0.1%, respectively. Steam exiting the LP turbine condenses into the condenser, where the partial load operation is a few degrees lower than pulse operation, allowing the pressure to reduce to 3.8 kPa during the dwell. The condensate is drawn by Pump 1, reaching the FWH1 and FWH2. At the FWH2 outlet, the feedwater shows a quite lower temperature during the dwell, when the pre-heating capabilities of the first two FWHs are degraded. Then, most of the flow rate is sent to the DIV PFU HX during the pulse, while around 4% of the total flow rate is redirected to the FWH DW 1 to keep the component temperature. Vice versa, during the dwell, around 82% of the total flow rate feeds the FWH DW1, warmed up by the steam extracted from the main steam line. Pump 2 draws feedwater from the DA, leading it to the last part of the FWH train. Here, the feedwater flow rate is distributed between primary cold sources (i.e., VV and DIV CAS HXs) and the corresponding FWHs DW, and then completes its pre-heating in the FWH3 and FWH4.
The temperature fluctuation between the pulse and dwell is kept reasonably small in the whole cycle with a maximum of nearly 30 °C at the outlet of VV HXs. Furthermore, the maximum temperature difference for the counter-flow ports in all HXs is observed to be 35 °C at the tube side outlet (i.e., shell side inlet) of the FWH DW2. Finally, reasonable thermodynamic conditions at the DA, at the SGs inlet, and at the steam turbines inlet are guaranteed. Table 7 summarizes the required auxiliary pumping power, whereas Table 8 and Table 9 report the HXs loads and the PCS power and efficiency, respectively. Following the DCD assumptions, gross power, and thus the electric output, drastically drop during dwell. However, they are enough to ensure the continuity of the grid connection and to cover the energy demand for the PHTSs and BoP auxiliaries. Nevertheless, this configuration demonstrates its capability to provide a suitable electricity production, with reasonable efficiency.
The turbine expansions for both pulse and dwell time are shown in Figure 6, represented by the solid red and green lines, respectively (please refer to the online version of the paper for colored figures). As expected, the pulse operation is comparable with the outcomes of the ICD. On the other hand, during the dwell, the horizontal dashed line just before the HP expansion represents the pressure drop provided by the lamination valve placed upward of the HP turbine. Then, steam experiences a slight expansion through the HP turbine (around 0.2 MPa), exiting the component at 0.5 MPa. Steam is re-heated and enters the LP turbine, where it expands up to the condenser pressure. During this thermodynamic transformation, water always remains in the superheated region. This results in a very low machine efficiency during dwell time, as reported in Table 9. Nevertheless, the average efficiencies assume reasonable values, since the pulse phase is timely prevalent during DEMO normal operations.

4. Discussion

The analysis presented in the previous sections has demonstrated the capability of the two solutions (i.e., ICD and DCD AUXB) to: (i) ensure a satisfactory electricity production and a considerable value of the average gross efficiency (around 36%); and (ii) keep the synchronism of the electrical generator with the grid in all the operative phases (i.e., pulse and dwell). For both concepts, the average net electric efficiency amounts to 33.6%, being affected by the high electric power requirements of the auxiliaries. Such energy consumption is mainly related to the PHTSs, especially for the ICD, where the ESS, the MS pumps, and the IHTS demand a considerable power to operate.
In the ICD concept, the ESS, together with the IHTS, guarantees the continuity of the steam production. Although, the available power during the pulse is reduced. Indeed, part of the FW thermal power is needed to warm up the molten salt. This energy is then used during the dwell to feed the turbine with a nearly uniform steam load. Hence, the turbines are kept at an almost constant operating point (i.e., the design point) throughout the whole operation, maximizing their efficiency. Concerning the costs, which are a very important aspect for a demonstration power plant, the IHTS considerably affects the initial cost of the plant, because of the additional components and the big molten salt inventory. However, the variable costs are not influenced, since a RAMI analysis does not envisage significant relevance of this circuit for the overall reactor availability. Despite this, system elimination would produce a positive simplification of the BoP, which is advisable for a complex machine such as a fusion power plant.
Concerning the DCD configuration, a higher thermal power is transferred to the PCS during the pulse. In fact, all the BB PHTS power is used for steam production, and, furthermore, the auxiliary boiler is continuously operated at its nominal power (i.e., 10% of the nominal reactor power). This represents a significant advantage considering the future commercial spread of the technology. The main drawback is the partial load during the dwell, when the plant is operated at around 10% of the nominal power, ensuring a slightly positive balance of energy. Such a fluctuation could affect the operation of the turbines, whose capability to work at the dwell expansion lines shown in Figure 6 must be deeply investigated with the turbine design team; this also could lead to excessive variations in the electrical power output, which could represent an issue for the grid. Regarding the costs, the initial investments should be lower than ICD, due to the replacement of the IHTS with the auxiliary boiler. Initial costs should be furtherly reduced by the lower sizing of the FWHs DW, designed for around 10% of the total duty. On the other hand, the variable costs will be higher because of the continuous fuel stream supplying the auxiliary boiler. Furthermore, this solution has a big issue related to the greenhouse emissions associated with the gas combustion in the AUXB. This is not aligned with the DEMO policy aimed at designing a “fully renewable” fusion power plant able to cope with the efforts of generating a large amount of electricity in a zero-emission scenario. This problem could be solved using green-H2 or CH4, instead of natural gas in the AUXB. As a drawback of this solution, the integration of an auxiliary plant able to produce green fuel must be considered.
The present study has demonstrated the feasibility of such configurations, highlighting the strengths and weaknesses of each concept. Starting from these outcomes, an R&D activity (still ongoing) has highlighted the possibility to merge the advantages of the two solutions, while limiting the main drawbacks, in the WCLL DCD BoP (developed by Ansaldo Energia), where the PHTSs are directly coupled with the PCS and a small electrically heated ESS provides power to operate the plant at around 10% of the nominal power [6]. In Table 10 a PCS comparison among the three concepts is chowed. Although such a solution is considered the most promising one, further R&D efforts are required to cover the remaining technical issues (e.g., thermomechanical analysis of BoP components, and fatigue stress analysis for the steam turbine).
The DCD concept is presently considered the most viable option due to the heat storage size reduction as well as the lack of the AUXB. An extended comparison among the available options of the BoP is reported in [4].

5. Conclusions

The present paper dealt with a preliminary feasibility assessment of two possible configurations supposed for the DEMO WCLL BB BoP. Such configurations rely on two different coupling options between PHTSs and PCS. The first solution is based on an indirect coupling design, namely, the WCLL ICD BoP. In this concept, the FW PHTS feeds a MS ESS in the pulse phase. Then, during dwell time, the ESS transfers power to the PCS by means of the IHTS. The second solution analyzed is the direct coupling design, namely, the WCLL DCD AUXB BoP, where all the reactor power is directly transferred to the PCS by means of the PHTSs. In this case, a small auxiliary boiler is installed in the system to work at around 10% of the nominal reactor power throughout the operation (in both the pulse and dwell phases). It guarantees the maximization of the electricity production during the pulse and the minimum load to the steam turbine during the dwell, ensuring the synchronism of the electrical generator and the required power for the auxiliaries.
The research activity presented in this paper has demonstrated the feasibility of the two BoP concepts, highlighting the advantages and drawbacks of each configuration. Both the ICD and the DCD AUXB solutions have shown suitable characteristics, ensuring satisfactory average electricity production throughout the whole operation (i.e., pulse and dwell), amounting to around 700 and 778 MW, respectively, for the two concepts. Moreover, the average gross efficiency is evaluated at 36%, whereas the average net electric efficiency is 33.6%, limited by the required power for the auxiliaries.
The work has provided useful information to the designers, showing the strengths and weaknesses of the studied solutions. The outcomes of the analysis have promoted an R&D activity that has converged to the WCLL DCD BoP, merging the main advantages while limiting the most relevant drawbacks of the ICD and the DCD AUXB.
In the electricity production scenario expected for the long-term future, characterized by a very high percentage of renewable (and not predictable) energy sources, the capability of a large heat storage, such as the one included in the ICD option, could be used in a reverse way to accommodate the grid spike requests, enhancing the plant flexibility. This justifies the need for further R&D related to an ICD configuration as an alternative solution.

Author Contributions

Conceptualization, V.N., C.C., G.P. and F.G.; methodology, G.P. and F.G.; software, G.P. and F.G.; validation, V.N. and C.C.; formal analysis, G.P. and F.G.; writing—original draft preparation, review and editing, V.N., C.C., G.P. and F.G.; supervision, F.G.; project administration, F.G. All authors have read and agreed to the published version of the manuscript.

Funding

This research was funded by Euratom Research and Training Programme 2014–2018 and 2019–2020, grant number 633053.

Institutional Review Board Statement

Not applicable.

Informed Consent Statement

Not applicable.

Data Availability Statement

No new data were created or analyzed in this study. Data sharing does not apply to this article.

Acknowledgments

This work has been carried out within the framework of the EUROfusion Consortium and has received funding from the Euratom Research and Training Programme 2014–2018 and 2019–2020 under grant agreement No. 633053. The views and opinions expressed herein do not necessarily reflect those of the European Commission.

Conflicts of Interest

The authors declare no conflict of interest.

Abbreviations

AUXBAUXiliary Boiler
BBBreeding Blanket
BoPBalance of Plant
BZBreeding Zone
CASCassettes
DADeaerator
DCDDirect Coupling Design
DCLLDual Coolant Lithium Lead
DEMODEMOnstration Fusion Power Plant
DIVDivertor
DWDwell
ESSEnergy Storage System
FWFirst Wall
FWHFeedwater Heater
HCLLHelium-Cooled Lithium Lead
HCPBHelium-Cooled Pebble Bed
HCSGHelical Coil Steam Generator
HXHeat Exchanger
HPHigh Pressure
ICDIndirect Coupling Design
IHTSIntermediate Heat Transfer System
IHXIntermediate Heat Exchanger
KDIIKey Design Integration Issue
LPLow Pressure
MSMolten Salt
OTSGOnce Through Steam Generator
PCSPower Conversion System
PFUPlasma Facing Unit
PHTSPrimary Heat Transport System
PLPipeline
RHRe-Heater
SGSteam Generator
SRCSource
VVVacuum Vessel
WCLLWater-Cooled Lithium Lead

References

  1. Donné, T.; Morris, W. European Research Roadmap to the Realisation of Fusion Energy; EUROfusion: Garching, Germany, 2018; ISBN 978-3-00-061152-0. [Google Scholar]
  2. Federici, G.; Bachmenn, C.; Barucca, L.; Baylard, C.; Biel, W.; Boccaccini, L.V.; Bustreo, C.; Ciattaglia, S.; Cismondi, F.; Corato, V.; et al. Overview of the DEMO staged design approach in Europe. Nucl. Fusion 2019, 59, 066013. [Google Scholar] [CrossRef] [Green Version]
  3. Bachmann, C.; Ciattaglia, S.; Cismondi, F.; Federici, G.; Franke, T.; Gliss, G.; Härtl, T.; Keech, G.; Kembleton, R.; Maviglia, F.; et al. Key design integration issues addressed in the EU DEMO pre-conceptual design phase. Fusion Eng. Des. 2020, 156, 111595. [Google Scholar] [CrossRef]
  4. Moscato, I.; Barucca, L.; Bubelis, E.; Caruso, G.; Ciattaglia, S.; Ciurluini, C.; Del Nevo, A.; Di Maio, P.A.; Giannetti, F.; Hering, W.; et al. Tokamak cooling systems and power conversion system options. Fusion Eng. Des. 2022, 178, 113093. [Google Scholar] [CrossRef]
  5. Day, C.; Butler, B.; Giegerich, T.; Ploeckl, B.; Varoutis, S. A smart three-loop fuel cycle architecture for DEMO. Fusion Eng. Des. 2019, 146, 2462–2468. [Google Scholar] [CrossRef]
  6. Barucca, L.; Bubelis, E.; Ciattaglia, S.; D’Alessandro, A.; Del Nevo, A.; Giannetti, F.; Hering, W.; Lorusso, P.; Martelli, E.; Moscato, I.; et al. Pre-conceptual design of EU DEMO balance of plant systems: Objectives and challenges. Fusion Eng. Des. 2020, 169, 112504. [Google Scholar] [CrossRef]
  7. Fischer, U.; Bachmann, C.; Bienkowska, B.; Catalan, J.P.; Drozdowicz, K.; Dworak, D.; Leichtle, D.; Lengar, I.; Jaboulay, J.C.; Lu, L.; et al. Neutronic analyses and tools development efforts in the European DEMO programme. Fusion Eng. Des. 2014, 89, 1880–1884. [Google Scholar] [CrossRef]
  8. Boccaccini, L.V.; Aiello, G.; Aubert, J.; Bachmann, C.; Barrett, T.; Del Nevo, A.; Demange, D.; Forest, L.; Hernandez, F.; Norajitra, P.; et al. Objactives and status of EUROfusion DEMO blanket studies. Fusion Eng. Des. 2016, 109–111, 1199–1206. [Google Scholar] [CrossRef]
  9. Federici, G.; Boccaccini, L.; Cismondi, F.; Gasparotto, M.; Poitevin, Y.; Ricapito, I. An overview of the EU breeding blanket design strategy as an integral part of the DEMO design effort. Fusion Eng. Des. 2019, 141, 30–42. [Google Scholar] [CrossRef]
  10. Barucca, L.; Hering, W.; Perez Martin, S.; Bubelis, E.; Del Nevo, A.; Di Prinzio, M.; Caramello, M.; D’Alessandro, A.; Tarallo, A.; Vallone, E.; et al. Maturation of critical technologies for the DEMO balance of plant systems. Fusion Eng. Des. 2022, 179, 113096. [Google Scholar] [CrossRef]
  11. Li, Y.; Wang, C.; Li, G.; Wang, J.; Zhao, D.; Chen, C. Improving operational flexibility of integrated energy system with uncertain renewable generations considering thermal inertia of buildings. Energy Convers. Manag. 2020, 207, 112526. [Google Scholar] [CrossRef] [Green Version]
  12. GE Energy. GateCycle Installation Quick Start Guide; General Electric Company: Minden, NV, USA, 2004–2011. [Google Scholar]
  13. GE Energy. GateCycle Help, User Manual; General Electric Company: Minden, NV, USA, 1989–2011. [Google Scholar]
  14. Del Nevo, A.; Arena, P.; Caruso, G.; Chiovaro, P.; Di Maio, P.A.; Eboli, M.; Edemetti, F.; Forgione, N.; Forte, R.; Froio, A.; et al. Recent progress in developing a feasible and integrated conceptual design of the WCLL BB in EUROfusion project. Fusion Eng. Des. 2019, 146, 1805–1809. [Google Scholar] [CrossRef] [Green Version]
  15. Martelli, E.; Giannetti, F.; Caruso, G.; Tarallo, A.; Polidori, M.; Barucca, L.; Del Nevo, A. Study of EU DEMO WCLL breeding blanket and primary heat transfer system integration. Fusion Eng. Des. 2018, 136, 828–833. [Google Scholar] [CrossRef]
  16. Malinowski, L.; Lewandowska, M.; Giannetti, F. Design and optimization of the secondary circuit for the WCLL BB option of the EU-DEMO power plant. Fusion Eng. Des. 2021, 169, 112642. [Google Scholar] [CrossRef]
  17. Ciurluini, C.; Giannetti, F.; Del Nevo, A.; Caruso, G. Study of the EU-DEMO WCLL breeding Blanket Primary Cooling Circuits Thermal-Hydraulic Performances during Transients Belonging to LOFA Category. Energies 2021, 14, 1541. [Google Scholar] [CrossRef]
  18. Vallone, E.; Barucca, L.; Basile, S.; Ciattaglia, S.; Di Maio, P.A.; Federici, G.; Giardina, M.; Moscato, I.; Quartararo, A.; Tarallo, A. Pre-conceptual design of EU DEMO divertor primary heat transfer systems. Fusion Eng. Des. 2021, 169, 112463. [Google Scholar] [CrossRef]
  19. Malinowski, L.; Lewandowska, M.; Giannetti, F. Analysis of the secondary circuit of the DEMO fusion power plant using GateCycle. Fusion Eng. Des. 2017, 124, 1237–1240. [Google Scholar] [CrossRef]
  20. Malinowski, L.; Lewandowska, M.; Giannetti, F. Design and analysis of a new configuration of secondary circuit of the EU-DEMO fusion power plant using GateCycle. Fusion Eng. Des. 2018, 136, 1149–1152. [Google Scholar] [CrossRef]
  21. Malinowski, L.; Lewandowska, M.; Giannetti, F. Design and analysis of the improved configuration of the secondary circuit for the EU-DEMO power plant. Fusion Eng. Des. 2019, 146, 1035–1038. [Google Scholar] [CrossRef]
  22. Montes, M.J.; Sànchez, C.; Rovira, A.; Muñoz, M. BOP-3.2-T004-D001, Technical Report on WCLL BB BOP Preliminary Evaluation of Cost; EUROfusion Internal Deliverable, EFDA_D_2MR7VE v1.1; EUROfusion: Garching, Germany, 2018. [Google Scholar]
  23. Spencer, R.C.; Cotton, K.C.; Cannon, C.N. A method for Predicting the Performance of Steam Turbine Generators—16,500 kW and Larger. J. Eng. Gas Turb. Power 1963, 85, 249–298. [Google Scholar] [CrossRef]
  24. Putman, R.E. Steam Surface Condensers: Basic Principles, Performance Monitoring, and Maintenance; ASME: New York, NY, USA, 2001; p. 65. [Google Scholar]
  25. Stodola, A. Steam and Gas Turbines; McGraw-Hill: New York, NY, USA, 1927; Volume 1, p. 316. [Google Scholar]
Figure 1. DEMO WCLL BB ICD BoP PCS: GateCycleTM modeling.
Figure 1. DEMO WCLL BB ICD BoP PCS: GateCycleTM modeling.
Sustainability 14 05779 g001
Figure 2. DEMO WCLL BB DCD AUXB BoP PCS: GateCycleTM modeling.
Figure 2. DEMO WCLL BB DCD AUXB BoP PCS: GateCycleTM modeling.
Sustainability 14 05779 g002
Figure 3. DEMO WCLL BB ICD BoP PCS: simulation results.
Figure 3. DEMO WCLL BB ICD BoP PCS: simulation results.
Sustainability 14 05779 g003
Figure 4. DEMO WCLL BB ICD BoP PCS: h-s Mollier diagram.
Figure 4. DEMO WCLL BB ICD BoP PCS: h-s Mollier diagram.
Sustainability 14 05779 g004
Figure 5. DEMO WCLL BB DCD AUXB BoP PCS: simulation results.
Figure 5. DEMO WCLL BB DCD AUXB BoP PCS: simulation results.
Sustainability 14 05779 g005
Figure 6. DEMO WCLL BB DCD AUXB BoP PCS: h-s Mollier diagram.
Figure 6. DEMO WCLL BB DCD AUXB BoP PCS: h-s Mollier diagram.
Sustainability 14 05779 g006
Table 1. PHTSs operative parameters of DEMO WCLL BB: pulse mode.
Table 1. PHTSs operative parameters of DEMO WCLL BB: pulse mode.
ParameterBZFWDIV PFUDIV CASVV
Source power (MWth)1483.2439.8136.0115.286.0
Mass flow rate (kg/s)7660.02272.05317.8860.81928.0
PHTS inlet temperature (°C)328.0328.0136.0210.0200.0
PHTS outlet temperature (°C)295.0295.0130.0180.0190.0
Pressure (MPa)15.515.53.83.53.2
Pumping power (MW)13.64.26.00.23.1
Table 2. PCS main input parameters.
Table 2. PCS main input parameters.
ParameterValue
Pump 1 outlet pressure (kPa)6500
HP turbine outlet pressure (kPa)980
Deaerator pressure (kPa)330
Condenser pressure (kPa)5
Superheating temperature (°C)299
Table 3. Input pressure for steam turbines.
Table 3. Input pressure for steam turbines.
Inlet or BleedValue
HP turbine: inlet (kPa)6400 (at 299 °C)
HP turbine: first bleed (kPa)3600
HP turbine: second bleed (kPa)2700
HP turbine: to deaerator (kPa)1100
LP turbine: inlet (kPa)1020 (at 265 °C)
LP turbine: first bleed (kPa)86
LP turbine: second bleed (kPa)34
Table 4. DEMO WCLL BB ICD BoP PCS: Auxiliary pumping powers.
Table 4. DEMO WCLL BB ICD BoP PCS: Auxiliary pumping powers.
ParameterPulseDwell
Primary pumps (MW)17.817.8
DIV and VV pumps (MW)9.39.3
Salt pumps (MW)7.014.1
Water circulation pumps (MW)13.913.9
Total Rankine pumps (MW)9.010.9
Total consumption (MW)57.066.0
Table 5. DEMO WCLL BB ICD BoP PCS: Heat exchangers loads.
Table 5. DEMO WCLL BB ICD BoP PCS: Heat exchangers loads.
Heat ExchangerPulseDwell
Condenser (MW)1307.61377.4
FWH1 (MW)102.4110.6
FWH2 (MW)68.466.8
DIV PFU (MW)136.01.3
FWH DW1 (MW)5.4132.4
VV (MW)86.02.2
FWH DW2 (MW)1.295.7
DIV CAS (MW)115.20.5
FWH DW3 (MW)1.290.9
FWH1 (MW)67.088.5
FWH2 (MW)88.972.7
Table 6. DEMO WCLL BB ICD BoP PCS: PCS power and efficiency.
Table 6. DEMO WCLL BB ICD BoP PCS: PCS power and efficiency.
ParameterPulseDwell
Gross power (MW)757.7764.2
Net electric power (MW)700.7698.1
Average gross power (MW)758.2
Average net electric power (MW)700.5
Isentropic efficiency (HP turbine)89.6%89.8%
Isentropic efficiency (LP turbine)91.8%91.8%
Gross efficiency33.5%3381.3%
Net efficiency31.0%3089.2%
Average gross efficiency36.3%
Average net electric efficiency33.6%
Table 7. DEMO WCLL BB DCD AUXB BoP PCS: Auxiliary pumping powers.
Table 7. DEMO WCLL BB DCD AUXB BoP PCS: Auxiliary pumping powers.
ParameterPulseDwell
Primary pumps (MW)17.817.8
DIV and VV pumps (MW)9.39.3
Water circulation pumps (MW)12.36.1
Total Rankine pumps (MW)10.01.2
Total consumption (MW)50.134.7
Table 8. DEMO WCLL BB DCD AUXB BoP PCS: Heat exchangers loads.
Table 8. DEMO WCLL BB DCD AUXB BoP PCS: Heat exchangers loads.
Heat ExchangerPulseDwell
Condenser (MW)1573.1204.4
FWH1 (MW)110.73.2
FWH2 (MW)92.617.8
DIV PFU (MW)136.21.0
FWH DW1 (MW)13.131.1
VV (MW)86.00.5
FWH DW2 (MW)3.812.1
DIV CAS (MW)115.20.7
FWH DW3 (MW)4.010.2
FWH1 (MW)105.214.1
FWH2 (MW)251.53.0
Table 9. DEMO WCLL BB DCD AUXB BoP PCS: PCS power and efficiency.
Table 9. DEMO WCLL BB DCD AUXB BoP PCS: PCS power and efficiency.
ParameterPulseDwell
Gross power (MW)892.940.3
Net electric power (MW)842.75.9
Average gross power (MW)827.1
Average net electric power (MW)778.3
Isentropic efficiency (HP turbine)86.6%87.0%
Isentropic efficiency (LP turbine)90.5%42.3%
Gross efficiency35.8%14.2%
Net efficiency33.8%1.5%
Average gross efficiency35.7%
Average net electric efficiency33.6%
Table 10. DEMO WCLL PCSs comparison.
Table 10. DEMO WCLL PCSs comparison.
ParameterWCLL DCD [6]WCLL DCD AUXBWCLL ICD
Gross power Pulse (MW)791.6892.9757.7
Gross power Dwell (MW)62.440.3764.2
Average Gross efficiency34.9%35.7%36.3%
Average net electric efficiency31.0%33.6%33.6%
Publisher’s Note: MDPI stays neutral with regard to jurisdictional claims in published maps and institutional affiliations.

Share and Cite

MDPI and ACS Style

Narcisi, V.; Ciurluini, C.; Padula, G.; Giannetti, F. Analysis of EU-DEMO WCLL Power Conversion System in Two Relevant Balance of Plant Configurations: Direct Coupling with Auxiliary Boiler and Indirect Coupling. Sustainability 2022, 14, 5779. https://doi.org/10.3390/su14105779

AMA Style

Narcisi V, Ciurluini C, Padula G, Giannetti F. Analysis of EU-DEMO WCLL Power Conversion System in Two Relevant Balance of Plant Configurations: Direct Coupling with Auxiliary Boiler and Indirect Coupling. Sustainability. 2022; 14(10):5779. https://doi.org/10.3390/su14105779

Chicago/Turabian Style

Narcisi, Vincenzo, Cristiano Ciurluini, Giovanni Padula, and Fabio Giannetti. 2022. "Analysis of EU-DEMO WCLL Power Conversion System in Two Relevant Balance of Plant Configurations: Direct Coupling with Auxiliary Boiler and Indirect Coupling" Sustainability 14, no. 10: 5779. https://doi.org/10.3390/su14105779

APA Style

Narcisi, V., Ciurluini, C., Padula, G., & Giannetti, F. (2022). Analysis of EU-DEMO WCLL Power Conversion System in Two Relevant Balance of Plant Configurations: Direct Coupling with Auxiliary Boiler and Indirect Coupling. Sustainability, 14(10), 5779. https://doi.org/10.3390/su14105779

Note that from the first issue of 2016, this journal uses article numbers instead of page numbers. See further details here.

Article Metrics

Back to TopTop