Dynamic Voltage Restorer Integrated with Photovoltaic-Thermoelectric Generator for Voltage Disturbances Compensation and Energy Saving in Three-Phase System
Abstract
1. Introduction
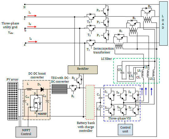
2. Description of the PV-TEG Integrated DVR System Configuration
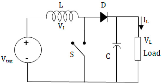
2.1. The Hybrid PV-TEG Module
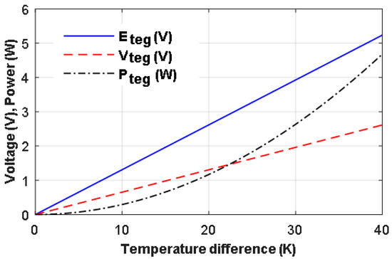
2.2. The TEG Model
2.3. The PV Cell Model
2.4. Voltage Source Inverter (VSI)
2.5. Series Injection Transformer and Inductor-Capactor (LC) filter
3. The Control Strategy Used in the Three-Phase PV-TEG DVR System
3.1. Identification of Power Quality Disturbances
3.2. Method of Power Quality Disturbance Compensation
4. The Proposed MPPT Control Technique
5. Implementation of the DVR System
5.1. The Operational Modes of the Proposed DVR
5.1.1. Compensation Mode
5.1.2. Uninterruptable Power Supply (UPS) Mode
5.1.3. Energy-Saving Mode
5.1.4. Idle Mode
6. Analysis and Discussion of the Simulation Results
6.1. Case 1: Voltage Sag Compensation
6.2. Case 2: Voltage Swell Compensation
6.3. Case 3: Unbalanced Voltage Sag Compensation
6.4. Case 4: Outage Compensation
6.5. Case 5: Energy Conservation Mode
7. Conclusions
Author Contributions
Funding
Institutional Review Board Statement
Informed Consent Statement
Conflicts of Interest
References
- Jimichi, T.; Fujita, H.; Akagi, H. Design and experimentation of a dynamic voltage restorer capable of significantly reducing an energy-storage element. IEEE Trans. Ind. Appl. 2008, 44, 817–825. [Google Scholar] [CrossRef]
- Khadkikar, V.; Chandra, A. A novel structure for three-phase four-wire distribution system utilizing unified power quality conditioner (UPQC). In 2006 International Conference on Power Electronic, Drives and Energy Systems; IEEE: New Delhi, Delhi, India, 2006; pp. 1–6. [Google Scholar]
- Kumar, C.; Mishra, M.K. Predictive voltage control of transformerless dynamic voltage restorer. IEEE Trans. Ind. Electron. 2014, 62, 2693–2697. [Google Scholar] [CrossRef]
- Ghosh, A.; Ledwich, G. Power Quality Enhancement Using Custom Power Devices; Springer Science & Business Media: New York, NY, USA, 2012. [Google Scholar]
- Cavalcanti, M.C.; Limongi, L.R.; Gomes, M.D.; Azevedo, G.M.; Genu, L.G. Eight-switch power conditioner for current harmonic compensation and voltage sag mitigation. IEEE Trans. Ind. Electron. 2015, 62, 4655–4664. [Google Scholar] [CrossRef]
- Javadi, A.; Hamadi, A.; Woodward, L.; Al-Haddad, K. Experimental investigation on a hybrid series active power compensator to improve power quality of typical households. IEEE Trans. Ind. Electron. 2016, 63, 4849–4859. [Google Scholar] [CrossRef]
- Rauf, A.M.; Sant, A.V.; Khadkikar, V.; Zeineldin, H.H. A novel ten-switch topology for unified power quality conditioner. IEEE Trans. Power Electron. 2015, 31, 6937–6946. [Google Scholar] [CrossRef]
- Xiong, L.; Zhuo, F.; Wang, F.; Liu, X.; Zhu, M.; Yi, H. A quantitative evaluation and comparison of harmonic elimination algorithms based on moving average filter and delayed signal cancellation in phase synchronization applications. J. Power Electron. 2016, 16, 717–730. [Google Scholar] [CrossRef]
- Von Jouanne, A.; Banerjee, B. Assessment of voltage unbalance. IEEE Trans. Power Deliv. 2001, 16, 782–790. [Google Scholar] [CrossRef]
- IEEE Recommended Practice and Requirements for Harmonic Control in Electric Power Systems; IEEE: Park Avenue, NY, USA, 2014.
- Rauf, A.M.; Khadkikar, V. An enhanced voltage sag compensation scheme for dynamic voltage restorer. IEEE Trans. Ind. Electron. 2014, 62, 2683–2692. [Google Scholar] [CrossRef]
- Chandrasekaran, K.; Ramachandaramurthy, V.K. An improved dynamic voltage restorer for power quality improvement. Int. J. Electr. Power Energy Syst. 2016, 82, 354–362. [Google Scholar] [CrossRef]
- Khooban, M.H.; Javidan, R. A novel control strategy for DVR: Optimal bi-objective structure emotional learning. Int. J. Electr. Power Energy Syst. 2016, 83, 259–269. [Google Scholar] [CrossRef]
- Jowder, F.A.L. Design and analysis of dynamic voltage restorer for deep voltage sag and harmonic compensation. IET Gener. Transm. Distrib. 2009, 3, 547–560. [Google Scholar] [CrossRef]
- Babaei, E.; Kangarlu, M.F. Sensitive load voltage compensation against voltage sags/swells and harmonics in the grid voltage and limit downstream fault currents using DVR. Electr. Power Syst. Res. 2012, 83, 80–90. [Google Scholar] [CrossRef]
- Omar, R.; Rahim, N.A. Voltage unbalanced compensation using dynamic voltage restorer based on supercapacitor. Int. J. Electr. Power Energy Syst. 2012, 43, 573–581. [Google Scholar] [CrossRef]
- Shahnia, F.; Majumder, R.; Ghosh, A.; Ledwich, G.; Zare, F. Voltage imbalance analysis in residential low voltage distribution networks with rooftop PVs. Electr. Power Syst. Res. 2011, 81, 1805–1814. [Google Scholar] [CrossRef]
- Lee, S.J.; Kim, H.; Sul, S.K.; Blaabjerg, F. A novel control algorithm for static series compensators by use of PQR instantaneous power theory. IEEE Trans. Power Electron. 2004, 19, 814–827. [Google Scholar] [CrossRef]
- Marei, M.I.; El-Saadany, E.F.; Salama, M.M. A new approach to control DVR based on symmetrical components estimation. IEEE Trans. Power Deliv. 2007, 22, 2017–2024. [Google Scholar] [CrossRef]
- Nielsen, J.G.; Blaabjerg, F. A detailed comparison of system topologies for dynamic voltage restorers. IEEE Trans. Ind. Appl. 2005, 41, 1272–1280. [Google Scholar] [CrossRef]
- Hassanein, W.S.; Ahmed, M.M.; Abed el-Raouf, M.O.; Ashmawy, M.G.; Mosaad, M.I. Performance improvement of off-grid hybrid renewable energy system using dynamic voltage restorer. Alex. Eng. J. 2020, 59, 1567–1581. [Google Scholar] [CrossRef]
- Olamaei, J.; Ebrahimi, S.; Moghassemi, A. Compensation of voltage sag caused by partial shading in grid-connected PV system through the three-level SVM inverter. Sustain. Energy Technol. Assess. 2016, 18, 107–118. [Google Scholar] [CrossRef]
- Sagha, H.; Mokhtari, G.; Arefi, A.; Nourbakhsh, G.; Ledwich, G.; Ghosh, A. A new approach to improve PV power injection in LV electrical systems using DVR. IEEE Syst. J. 2017, 12, 3324–3333. [Google Scholar] [CrossRef]
- Jayakumar, T.; Alexander Stonier, A. Implementation of solar PV system unified ZSI-based dynamic voltage restorer with U-SOGI control scheme for power quality improvement. Automatika 2020, 61, 371–387. [Google Scholar] [CrossRef]
- Kanagaraj, N.; Ramasamy, M.; Rezk, H.; Manesh, T. Modified bidirectional DC-DC Boost converter fed three-phase four-wire PV-DVR. J. Test. Eval. 2020, 48, 3087–3115. [Google Scholar] [CrossRef]
- Laird, I.; Lu, D.D.C. High step-up DC/DC topology and MPPT algorithm for use with a thermoelectric generator. IEEE Trans. Power Electron. 2012, 28, 3147–3157. [Google Scholar] [CrossRef]
- Chen, M.; Rosendahl, L.A.; Condra, T. A three-dimensional numerical model of thermoelectric generators in fluid power systems. Int. J. Heat Mass Transf. 2011, 54, 345–355. [Google Scholar] [CrossRef]
- Ding, F.; Li, P.; Huang, B.; Gao, F.; Ding, C.; Wang, C. Modeling and simulation of grid-connected hybrid photovoltaic/battery distributed generation system. In Proceedings of the CICED 2010 Proceedings, Nanjing, China, 13–16 September 2010; IEEE: Park Avenue, NY, USA, 2010; pp. 1–10. [Google Scholar]
- Teke, A.; Bayindir, K.Ç.; Tümay, M. Fast sag/swell detection method for fuzzy logic controlled dynamic voltage restorer. IET Gener. Transm. Distrib. 2010, 4, 1–12. [Google Scholar] [CrossRef]
- Ramasamy, M.; Thangavel, S. Experimental verification of PV based Dynamic Voltage Restorer (PV-DVR) with significant energy conservation. Int. J. Electr. Power Energy Syst. 2013, 49, 296–307. [Google Scholar] [CrossRef]
- Subudhi, B.; Pradhan, R. A comparative study on maximum power point tracking techniques for photovoltaic power systems. IEEE Trans. Sustain. Energy 2012, 4, 89–98. [Google Scholar] [CrossRef]
- Chaicharoenaudomrung, K.; Areerak, K.; Areerak, K.; Bozhko, S.; Hill, C.I. Maximum Power Point Tracking for Standalone Wind Energy Conversion System Using FLC and P&O Method. IEEJ Trans. Electr. Electron. Eng. 2020, 15, 1723–1733. [Google Scholar]
- Kanagaraj, N.; Rezk, H.; Gomaa, M.R. A Variable Fractional Order Fuzzy Logic Control Based MPPT Technique for Improving Energy Conversion Efficiency of Thermoelectric Power Generator. Energies 2020, 13, 4531. [Google Scholar] [CrossRef]
- Chouksey, A.; Awasthi, S.; Singh, S.K. Fuzzy cognitive network-based maximum power point tracking using a self-tuned adaptive gain scheduled fuzzy proportional integral derivative controller and improved artificial neural network-based particle swarm optimization. Fuzzy Sets Syst. 2020, 381, 26–50. [Google Scholar] [CrossRef]
- Li, Y.; Samad, S.; Ahmed, F.W.; Abdulkareem, S.S.; Hao, S.; Rezvani, A. Analysis and enhancement of PV efficiency with hybrid MSFLA–FLC MPPT method under different environmental conditions. J. Clean. Prod. 2020, 271, 122195. [Google Scholar] [CrossRef]
- Farajdadian, S.; Hosseini, S.H. Design of an optimal fuzzy controller to obtain maximum power in solar power generation system. Sol. Energy 2019, 182, 161–178. [Google Scholar] [CrossRef]
- Wang, Y.; Yang, Y.; Fang, G.; Zhang, B.; Wen, H.; Tang, H.; Chen, X. An advanced maximum power point tracking method for photovoltaic systems by using variable universe fuzzy logic control considering temperature variability. Electronics 2018, 7, 355. [Google Scholar] [CrossRef]
- Kanagaraj, N. Design and Performance Evaluation of Fuzzy Variable Fractional-Order [PI]λ Dµ Controller for a Class of First-Order Delay-Time Systems. Stud. Inform. Control 2019, 28, 443–452. [Google Scholar] [CrossRef]
- Verma, P.; Garg, R.; Mahajan, P. Asymmetrical interval type-2 fuzzy logic control based MPPT tuning for PV system under partial shading condition. ISA Trans. 2020, 100, 251–263. [Google Scholar] [CrossRef] [PubMed]
- Veeramanikandan, P.; Selvaperumal, S. Investigation of different MPPT techniques based on fuzzy logic controller for multilevel DC link inverter to solve the partial shading. Soft. Comput. 2021, 25, 3143–3154. [Google Scholar] [CrossRef]
- Shan, W.; Ma, Y.; Newcomb, R.W.; Jin, D. Analog circuit implementation of a variable universe adaptive fuzzy logic controller. IEEE Trans. Circuits Syst. II Express Briefs 2008, 55, 976–980. [Google Scholar] [CrossRef]
- Qin, L.; Hu, J.; Li, H.; Chen, W. Fuzzy logic controllers for specialty vehicles using a combination of phase plane analysis and variable universe approach. IEEE Access 2017, 5, 1579–1588. [Google Scholar] [CrossRef]
- Tang, S.; Sun, Y.; Chen, Y.; Zhao, Y.; Yang, Y.; Szeto, W. An enhanced MPPT method combining fractional-order and fuzzy logic control. IEEE J. Photovolt. 2017, 7, 640–650. [Google Scholar] [CrossRef]
- Datta, M.; Senjyu, T. Fuzzy control of distributed PV inverters/energy storage systems/electric vehicles for frequency regulation in a large power system. IEEE Trans. Smart Grid 2013, 4, 479–488. [Google Scholar] [CrossRef]
- Ramasamy, M.; Thangavel, S. Photovoltaic based dynamic voltage restorer with power saver capability using PI controller. Electr. Power Energy Syst. 2012, 36, 51–59. [Google Scholar] [CrossRef]































| Specifications | Value |
|---|---|
| Seebeck coefficient n-type (αn) | −634 µV/K |
| Seebeck coefficient p-type (αp) | 384 µV/K |
| Electrical conductivity n-type(σn) | 0.825 × 105 S/m |
| Electrical conductivity p-type(σp) | 2.18 × 105 S/m |
| Thermal conductivity n-type (kn) | 1.34 W/mK |
| Thermal conductivity p-type (kp) | 1.44 W/mK |
| Length (L) | 1.6 mm |
| Area (A) | 1.4 mm2 |
| Specifications | Value (unit) |
|---|---|
| Maximum output power | 148 W |
| Voltage at maximum power | 25 V |
| Current at maximum power | 5.95 A |
| The open-circuit voltage | 29 V |
| The short-circuit current | 6.5 A |
| Area of the solar panel | 1480 mm × 670 mm |
| Number of PV modules | (2 × 6) 12 |
| u(t) | e(t) | |||||
|---|---|---|---|---|---|---|
| NB | NS | ZE | PS | PB | ||
| ΔP(t) | NB | VL | VL | LW | ME | LW |
| NS | VL | LW | LW | HG | ME | |
| ZE | LW | LW | HG | ME | HG | |
| PS | ME | ME | HG | VH | VH | |
| PB | HG | HG | VH | VH | VH | |
| Level of the PV-TEG Output Power | Charge Controller Operation | |||
|---|---|---|---|---|
| Status of Switches | Battery Charging | Power Input to the DVR System | ||
| R1 | R2 | |||
| Normal/surplus compared to the load demand | On | Off | Using PV-TEG energy module | From the PV-TEG energy module |
| Insufficient/zero output during nighttime | Off | On | Using grid supply | From the battery bank |
| Mode of Operation | Status of Switches | ||||||||
|---|---|---|---|---|---|---|---|---|---|
| T1 | T2 | T3 | P1 | P2 | P3 | B1 | B2 | B3 | |
| Compensation | On | On | On | Off | Off | Off | Off | Off | Off |
| Uninterruptable Power Supply (UPS) | Off | Off | Off | On | On | On | Off | Off | Off |
| Energy saving | Off | Off | Off | On | On | On | Off | Off | Off |
| Idle | On | On | On | Off | Off | Off | On | On | On |
| Description | Parameter | Value |
|---|---|---|
| Three-phase AC source | Frequency, voltage | 50 Hz, 400 V |
| DC-link | Voltage | 300 V |
| Inductor-Capactor (LC) Filter | Per phase capacitance, inductance | 24 µF, 38 mH, |
| DC-DC boost converter | Switching frequency | 25 kHz |
| Inductance | 18.33 µH | |
| Load | Load resistance and inductance | 120 Ω, 0.5 mH |
| Energy storage battery bank | Capacity | 400 Ah |
| Nominal voltage | 300 V | |
| Injection transformer | Power rating | 4 kVA |
| Voltage | 230 V/460 V |
Publisher’s Note: MDPI stays neutral with regard to jurisdictional claims in published maps and institutional affiliations. |
© 2021 by the authors. Licensee MDPI, Basel, Switzerland. This article is an open access article distributed under the terms and conditions of the Creative Commons Attribution (CC BY) license (http://creativecommons.org/licenses/by/4.0/).
Share and Cite
Kanagaraj, N.; Rezk, H. Dynamic Voltage Restorer Integrated with Photovoltaic-Thermoelectric Generator for Voltage Disturbances Compensation and Energy Saving in Three-Phase System. Sustainability 2021, 13, 3511. https://doi.org/10.3390/su13063511
Kanagaraj N, Rezk H. Dynamic Voltage Restorer Integrated with Photovoltaic-Thermoelectric Generator for Voltage Disturbances Compensation and Energy Saving in Three-Phase System. Sustainability. 2021; 13(6):3511. https://doi.org/10.3390/su13063511
Chicago/Turabian StyleKanagaraj, N., and Hegazy Rezk. 2021. "Dynamic Voltage Restorer Integrated with Photovoltaic-Thermoelectric Generator for Voltage Disturbances Compensation and Energy Saving in Three-Phase System" Sustainability 13, no. 6: 3511. https://doi.org/10.3390/su13063511
APA StyleKanagaraj, N., & Rezk, H. (2021). Dynamic Voltage Restorer Integrated with Photovoltaic-Thermoelectric Generator for Voltage Disturbances Compensation and Energy Saving in Three-Phase System. Sustainability, 13(6), 3511. https://doi.org/10.3390/su13063511

