Turbulent Flow Heat Transfer through a Circular Tube with Novel Hybrid Grooved Tape Inserts: Thermohydraulic Analysis and Prediction by Applying Machine Learning Model
Abstract
1. Introduction
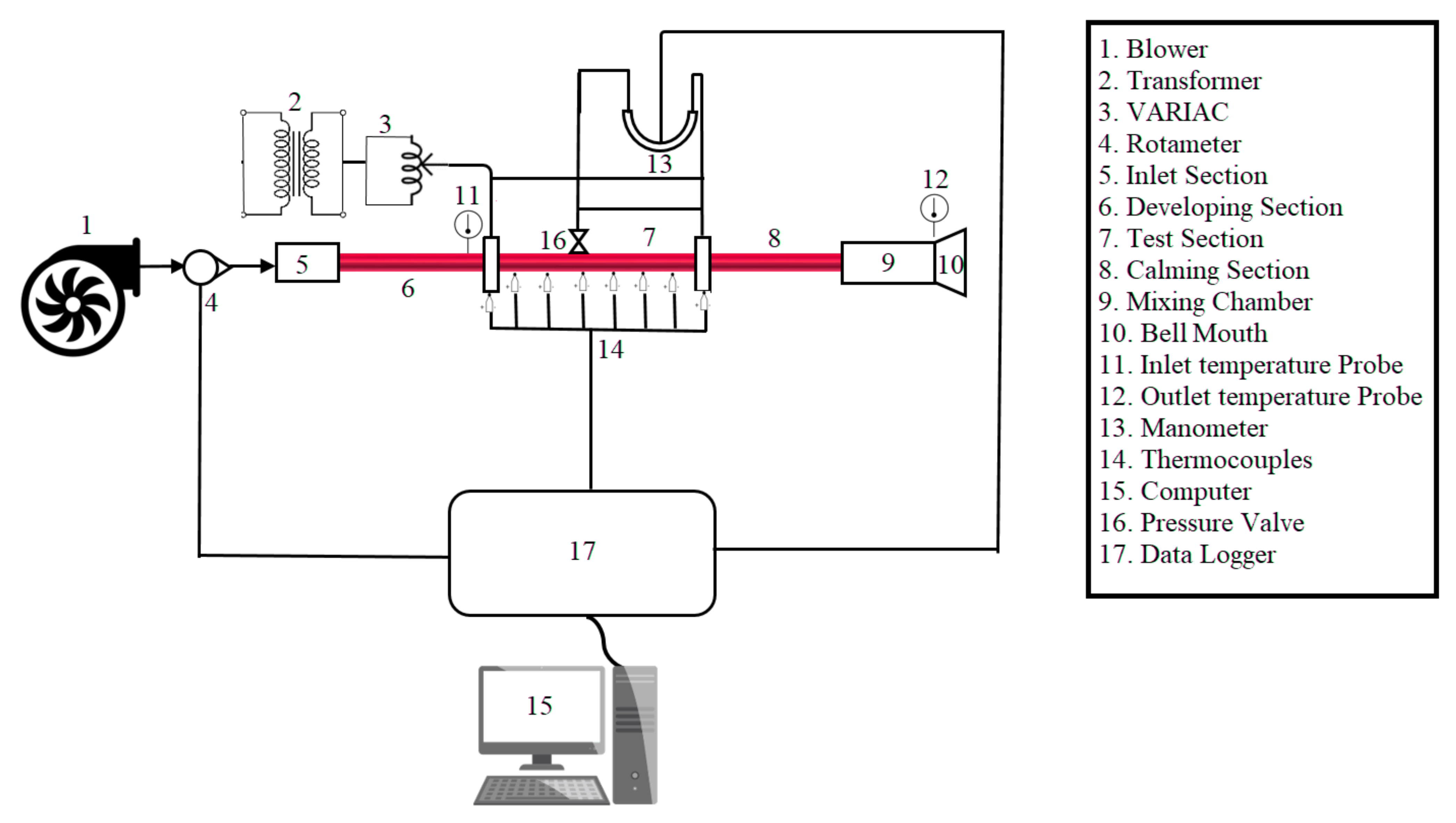
2. Experimental Test Rig and Procedure
3. Data Reduction
- Wave ratios (z = p/D) = 1.5, 2.25, and 3.0.
- Spring ratios (k = s/D) = 1.0, 2.0, and 3.0.
- Grooved depth ratio: (c = e/W) = 0.16, and 0.25.
- Channel Diameter (D) = 20.00 mm
- Length of Channel (L) = 2000.00 mm
- Tape diameter (W) = 12.00 mm
- Reynolds number: (Re) = 10,000 to 80,000.
4. Result and Discussion
4.1. Validation of Study
4.2. Influence of Hybrid Tapes on the Heat Transfer
4.3. Influence of Hybrid Tapes on the Friction Factor
4.4. Influence of Hybrid Tapes on the Colburn J-Factor
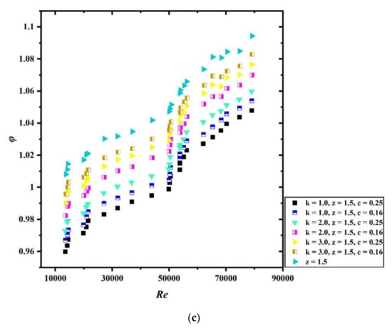
4.5. Influence of Thermo-Hydraulic Performance Factor
4.6. Influence of Exergy Efficiency
4.7. Influence of Irreversibility
4.8. Correlations for Predicting the Nusselt Number and Friction Factor
4.9. Comparability of Thermo-Hydraulic Performance of Present Investigation with Previous Articles
5. ANN-Based Heat Transfer Prediction
- Forward Propagation:Take the inputs, multiply by the weights (just use random numbers as weights)Let Y = WiIi = W1I1+W2I2+W3I3.Pass the result of the input and the first three hidden layers through a ReLu activation function and the last hidden layer through a sigmoid formula to calculate the neuron’s output. The Sigmoid function is used to normalize the result between 0 and 1: 1/(1 + e−y).ReLu stands for Rectified Linear Units. The formula is deceptively simple: max(0,z). Despite its name and appearance, it is not linear and provides the same benefits as Sigmoid but with better performance. It can be written as: A(z) = z if z > 0 or A(z) = 0 if z ≤ 0.
- Back PropagationCalculate the error, i.e., the difference between the actual output and the expected output. Depending on the error, adjust the weights by multiplying the error with the input and again with the gradient of the Sigmoid curve:Weight = Error Input Output (1-Output), here Output (1-Output) is derivative of sigmoid curve.
- Repeat steps 1 and 2 until the model is trained to have a considerable minimal error on the training set.
5.1. Model
5.2. Computational Environment
5.3. Predictions Using ANN
6. Conclusions
- An enhancement in Nu is recorded with an increment of Re for all the cases.
- Among the hybrid grrod tape the highest HT is noted for k = 1.0, z = 1.5 and c = 0.25, while k = 3.0, z = 3.0 and c = 0.16 gives the minimum HT. As expected, a smooth plain tube has the lowest thermal energy transport coefficient.
- The HT is found to rise with an increased grooved depth ratio (c). Likewise, average Nu declines with rise in spring ratio and wave ratio.
- An ANN model is used for regression analysis to predict the HT, PD, thermohydraulic efficiency, irreversibility and exergy efficiency.
- The models are evaluated to have an accuracy of 98.00% on unknown test data and the proposed model was able to reasonably forecast the Nu, f, η, irreversibility and exergy efficiency.
- The results obtained from the analysis can be conveniently used to design highly efficient tube type heat exchangers.
- From the above results, it is concluded that the use of hybrid grooved tape is proven to be an effective technique to enhance the thermal energy transport coefficient.
Author Contributions
Funding
Institutional Review Board Statement
Informed Consent Statement
Data Availability Statement
Acknowledgments
Conflicts of Interest
Nomenclature
| List of Symbols | |
| Cp | Specific heat of air |
| d | diameter of hole |
| D | Inner diameter of duct |
| Do | outer diameter of the tube |
| Exin | Exergy rate at inlet |
| Exout | Exergy rate at outlet |
| Exw | Exergy rate at wall |
| f | Friction factor |
| H | Perforation ratios |
| h | Heat transfer Coefficient |
| I | Current flow |
| j | Colburn j-factor |
| k | thermconductivity of working fluid |
| kBrass | Thermal Conductivity of Brass |
| L | Length of duct |
| m | mass flow rate of air |
| Ns | dimensionless entropy generation number |
| Nu | Nusselt number |
| P | pitch ratios |
| Pr | Prandtl number |
| Q | Heat flow rate of air |
| Qe | Electrical power |
| qw | wall heat flux |
| Re | Reynolds numbers |
| Rw | thermal resistance due to the tube thickness |
| Sgen | entropy generation |
| Tb | Bulk temperature |
| Ti | Inlet temperature |
| To | Outlet temperature |
| Tow | inner wall temperature |
| Tw | outer wall temperature |
| V | Velocity of flow |
| V | Voltage |
| y | Pitch of baffles |
| List of Special Symbols | |
| α | Angles of attack |
| ɳ | Thermo-hydraulic performance factor |
| ϕ | irreversibility factor |
| ηEx | Exergy efficiency |
| μ | Dynamic vicosity |
| ρ | Density of fluid |
Appendix A
| Sl. N0. | k | z | c | Re | Nu | f | € | ϕ | η |
|---|---|---|---|---|---|---|---|---|---|
| 1 | 3.5 | 1.25 | 0.1 | 15,000 | 74.94449 | 0.027896529 | 0.4049599 | 1.0255361 | 1.10463 |
| 2 | 3.25 | 1.25 | 0.1 | 15,000 | 76.19703 | 0.027941385 | 0.40768838 | 1.0120183 | 1.1171222 |
| 3 | 2.75 | 1.25 | 0.1 | 15,000 | 78.59604 | 0.027966946 | 0.4105916 | 1.0075738 | 1.1432143 |
| 4 | 2.5 | 1.25 | 0.1 | 15,000 | 79.68181 | 0.027993508 | 0.41275313 | 1.0064226 | 1.1568829 |
| 5 | 2.25 | 1.25 | 0.1 | 15,000 | 82.45161 | 0.028009633 | 0.41433546 | 1.0032004 | 1.1709807 |
| 6 | 1.5 | 1.25 | 0.1 | 15,000 | 80.6154 | 0.028029753 | 0.41603315 | 0.99071366 | 1.2137918 |
| 7 | 0.75 | 1.25 | 0.1 | 15,000 | 82.78461 | 0.02803702 | 0.41687986 | 0.979363 | 1.2509365 |
| 8 | 0.5 | 1.25 | 0.1 | 15,000 | 82.90505 | 0.028040016 | 0.41708946 | 0.9758411 | 1.2615612 |
| 9 | 3.5 | 1.25 | 0.1 | 30,000 | 105.9142 | 0.025163332 | 0.36211687 | 1.0652802 | 1.0604417 |
| 10 | 3.25 | 1.25 | 0.1 | 30,000 | 107.5696 | 0.025205487 | 0.3641713 | 1.0536784 | 1.0711048 |
| 11 | 2.75 | 1.25 | 0.1 | 30,000 | 110.5326 | 0.025275813 | 0.36620754 | 1.0494515 | 1.0930823 |
| 12 | 2.5 | 1.25 | 0.1 | 30,000 | 111.7336 | 0.025303954 | 0.36796233 | 1.0450904 | 1.1043295 |
| 13 | 2.25 | 1.25 | 0.1 | 30,000 | 112.7329 | 0.025304057 | 0.36903217 | 1.0313852 | 1.1157868 |
| 14 | 1.5 | 1.25 | 0.1 | 30,000 | 114.6386 | 0.025321627 | 0.3705678 | 1.0273325 | 1.1512022 |
| 15 | 0.75 | 1.25 | 0.1 | 30,000 | 114.8647 | 0.02532565 | 0.37125728 | 1.0175985 | 1.1816947 |
| 16 | 0.5 | 1.25 | 0.1 | 30,000 | 114.96 | 0.02534932 | 0.37137765 | 1.0132023 | 1.1904317 |
| 17 | 3.5 | 1.25 | 0.1 | 70,000 | 181.9311 | 0.02189166 | 0.26812845 | 1.0761287 | 1.0109086 |
| 18 | 3.25 | 1.25 | 0.1 | 70,000 | 183.4293 | 0.021941992 | 0.2694746 | 1.062348 | 1.0195662 |
| 19 | 2.75 | 1.25 | 0.1 | 70,000 | 185.9424 | 0.022034694 | 0.27199695 | 1.0591659 | 1.03712 |
| 20 | 2.5 | 1.25 | 0.1 | 70,000 | 186.9762 | 0.022077376 | 0.27290946 | 1.0426208 | 1.0461874 |
| 21 | 2.25 | 1.25 | 0.1 | 70,000 | 187.8639 | 0.022117933 | 0.27312136 | 1.03778 | 1.0554726 |
| 22 | 1.5 | 1.25 | 0.1 | 70,000 | 189.7114 | 0.0222286 | 0.27384406 | 1.0204102 | 1.083682 |
| 23 | 0.75 | 1.25 | 0.1 | 70,000 | 190.4456 | 0.022309408 | 0.27405784 | 1.0173815 | 1.0944406 |
| 24 | 0.5 | 1.25 | 0.1 | 70,000 | 190.7736 | 0.02232928 | 0.27524698 | 1.01518224 | 1.1138793 |
| Sl. N0. | k | z | c | Re | Nu | f | € | ϕ | η |
|---|---|---|---|---|---|---|---|---|---|
| 1 | 3.5 | 3.25 | 0.28 | 15,000 | 99.14539 | 0.028423136 | 0.4412319 | 1.0314634 | 1.4302515 |
| 2 | 3.25 | 3.25 | 0.28 | 15,000 | 103.4187 | 0.028544364 | 0.44755915 | 1.0272819 | 1.4734231 |
| 3 | 2.75 | 3.25 | 0.28 | 15,000 | 112.17 | 0.028796984 | 0.4597498 | 1.0193182 | 1.5643141 |
| 4 | 2.5 | 3.25 | 0.28 | 15,000 | 116.6163 | 0.028929144 | 0.46559364 | 1.0155753 | 1.61111 |
| 5 | 2.25 | 3.25 | 0.28 | 15,000 | 121.1064 | 0.029065672 | 0.47125572 | 1.0119531 | 1.6580449 |
| 6 | 1.5 | 3.25 | 0.28 | 15,000 | 134.7615 | 0.02950341 | 0.48730618 | 1.001807 | 1.8017614 |
| 7 | 0.75 | 3.25 | 0.28 | 15,000 | 148.1541 | 0.02997667 | 0.5021809 | 0.9928295 | 1.9442455 |
| 8 | 0.5 | 3.25 | 0.28 | 15,000 | 152.4243 | 0.030142082 | 0.5065795 | 0.9901281 | 1.9921432 |
| 9 | 3.5 | 3.25 | 0.28 | 30,000 | 130.8634 | 0.02585634 | 0.399407 | 1.070381 | 1.271512 |
| 10 | 3.25 | 3.25 | 0.28 | 30,000 | 135.6421 | 0.025970906 | 0.4055745 | 1.0671426 | 1.2995856 |
| 11 | 2.75 | 3.25 | 0.28 | 30,000 | 145.2435 | 0.026200473 | 0.41769168 | 1.060742 | 1.3594307 |
| 12 | 2.5 | 3.25 | 0.28 | 30,000 | 150.0174 | 0.026316453 | 0.42365086 | 1.0574657 | 1.391301 |
| 13 | 2.25 | 3.25 | 0.28 | 30,000 | 154.7254 | 0.026433293 | 0.4296502 | 1.0541134 | 1.424515 |
| 14 | 1.5 | 3.25 | 0.28 | 30,000 | 168.1773 | 0.02678757 | 0.4477441 | 1.0437487 | 1.5285946 |
| 15 | 0.75 | 3.25 | 0.28 | 30,000 | 180.5364 | 0.027143484 | 0.46519142 | 1.0331135 | 1.6262425 |
| 16 | 0.5 | 3.25 | 0.28 | 30,000 | 184.3489 | 0.027263673 | 0.47045577 | 1.0296415 | 1.6559497 |
| 17 | 3.5 | 3.25 | 0.28 | 70,000 | 205.4411 | 0.022758352 | 0.30190283 | 1.0865098 | 1.0828294 |
| 18 | 3.25 | 3.25 | 0.28 | 70,000 | 209.7859 | 0.022872882 | 0.30653584 | 1.0790627 | 1.1008663 |
| 19 | 2.75 | 3.25 | 0.28 | 70,000 | 218.1751 | 0.023103261 | 0.31605387 | 1.0767621 | 1.1384834 |
| 20 | 2.5 | 3.25 | 0.28 | 70,000 | 222.217 | 0.023218893 | 0.32094088 | 1.07392293 | 1.1582022 |
| 21 | 2.25 | 3.25 | 0.28 | 70,000 | 226.1546 | 0.023335073 | 0.32592186 | 1.0662208 | 1.1785398 |
| 22 | 1.5 | 3.25 | 0.28 | 70,000 | 237.2612 | 0.02368808 | 0.34142342 | 1.0608606 | 1.2429912 |
| 23 | 0.75 | 3.25 | 0.28 | 70,000 | 246.8087 | 0.024046663 | 0.3576844 | 1.0566078 | 1.308757 |
| 24 | 0.5 | 3.25 | 0.28 | 70,000 | 249.6042 | 0.02416103 | 0.36322233 | 1.0475805 | 1.330574 |
References
- Giwa, S.O.; Sharifpur, M.; Meyer, J.P. Effects of uniform magnetic induction on heat transfer performance of aqueous hybrid ferrofluid in a rectangular cavity. Appl. Therm. Eng. 2020, 170, 115004. [Google Scholar] [CrossRef]
- Joubert, J.C.; Sharifpur, M.; Solomon, A.B.; Meyer, J.P. Enhancement in heat transfer of a ferrofluid in a differentially heated square cavity through the use of permanent magnets. J. Magn. Magn. Mater. 2017, 443, 149–158. [Google Scholar] [CrossRef]
- Mahdavi, M.; Sharifpur, M.; Meyer, J.P. Implementation of diffusion and electrostatic forces to produce a new slip velocity in the multiphase approach to nanofluids. Powder Technol. 2017, 307, 153–162. [Google Scholar] [CrossRef]
- Adio, S.A.; Sharifpur, M.; Meyer, J.P. Influence of ultrasonication energy on the dispersion consistency of Al2O3–glycerol nanofluid based on viscosity data, and model development for the required ultrasonication energy density. J. Exp. Nanosci. 2016, 11, 630–649. [Google Scholar] [CrossRef]
- Bhattacharyya, S.; Chattopadhyay, H.; Bandyopadhyay, S.; Roy, S.; Pal, A.P.; Bhattacharjee, S. Experimental investigation on heat transfer enhancement by swirl generators in a solar air heater duct. Int. J. Heat Technol. 2016, 34, 191–196. [Google Scholar] [CrossRef]
- Yao, G.; Yang, H.; Zhao, J.; Wen, D. Experimental study on flow and heat transfer enhancement by elastic instability in swirling flow. Int. J. Therm. Sci. 2020, 157, 106504. [Google Scholar] [CrossRef]
- Thianpong, C.; Eiamsa-ard, P.; Wongcharee, K.; Eiamsa-ard, S. Compound heat transfer enhancement of a dimpled tube with a twisted tape swirl generator. Int. Commun. Heat Mass Transf. 2009, 36, 698–704. [Google Scholar] [CrossRef]
- Sheikholeslami, M.; Gorji-Bandpy, M.; Ganji, D.D. Review of heat transfer enhancement methods: Focus on passive methods using swirl flow devices. Renew. Sustain. Energy Rev. 2015, 49, 444–469. [Google Scholar] [CrossRef]
- Eiamsa-ard, S.; Promvonge, P. Enhancement of heat transfer in a tube with regularly-spaced helical tape swirl generators. Sol. Energy 2005, 78, 483–494. [Google Scholar] [CrossRef]
- Das, B.; Mondol, J.D.; Debnath, S.; Pugsley, A.; Smyth, M.; Zacharopoulos, A. Effect of the absorber surface roughness on the performance of a solar air collector: An experimental investigation. Renew. Energy 2020, 152, 567–578. [Google Scholar] [CrossRef]
- Yadav, S.; Kaushal, M.; Varun; Siddhartha. Nusselt number and friction factor correlations for solar air heater duct having protrusions as roughness elements on absorber plate. Exp. Therm. Fluid Sci. 2013, 44, 34–41. [Google Scholar] [CrossRef]
- Alammar, A.A.; Al-Mousawi, F.N.; Al-Dadah, R.K.; Mahmoud, S.M.; Hood, R. Enhancing thermal performance of a two-phase closed thermosyphon with an internal surface roughness. J. Clean. Prod. 2018, 185, 128–136. [Google Scholar] [CrossRef]
- Soontarapiromsook, J.; Mahian, O.; Dalkilic, A.S.; Wongwises, S. Effect of surface roughness on the condensation of R-134a in vertical chevron gasketed plate heat exchangers. Exp. Therm. Fluid Sci. 2018, 91, 54–63. [Google Scholar] [CrossRef]
- Prakash, C.; Saini, R.P. Heat transfer and friction in rectangular solar air heater duct having spherical and inclined rib protrusions as roughness on absorber plate. Exp. Heat Transf. 2019, 32, 469–487. [Google Scholar] [CrossRef]
- Nilpueng, K.; Keawkamrop, T.; Ahn, H.S.; Wongwises, S. Effect of chevron angle and surface roughness on thermal performance of single-phase water flow inside a plate heat exchanger. Int. Commun. Heat Mass Transf. 2018, 91, 201–209. [Google Scholar] [CrossRef]
- Giwa, S.O.; Sharifpur, M.; Meyer, J.P. Experimental study of thermo-convection performance of hybrid nanofluids of Al2O3-MWCNT/water in a differentially heated square cavity. Int. J. Heat Mass Transf. 2020, 148, 119072. [Google Scholar] [CrossRef]
- Mansoury, D.; Doshmanziari, F.I.; Kiani, A.; Chamkha, A.J.; Sharifpur, M. Heat Transfer and Flow Characteristics of Al2O3/Water Nanofluid in Various Heat Exchangers: Experiments on Counter Flow. Heat Transf. Eng. 2020, 41, 220–234. [Google Scholar] [CrossRef]
- Osman, S.; Sharifpur, M.; Meyer, J.P. Experimental investigation of convection heat transfer in the transition flow regime of aluminium oxide-water nanofluids in a rectangular channel. Int. J. Heat Mass Transf. 2019, 133, 895–902. [Google Scholar] [CrossRef]
- Mahdavi, M.; Garbadeen, I.; Sharifpur, M.; Ahmadi, M.H.; Meyer, J.P. Study of particle migration and deposition in mixed convective pipe flow of nanofluids at different inclination angles. J. Therm. Anal. Calorim. 2019, 135, 1563–1575. [Google Scholar] [CrossRef]
- Sharifpur, M.; Solomon, A.B.; Ottermann, T.L.; Meyer, J.P. Optimum concentration of nanofluids for heat transfer enhancement under cavity flow natural convection with TiO2—Water. Int. Commun. Heat Mass Transf. 2018, 98, 297–303. [Google Scholar] [CrossRef]
- Mahdavi, M.; Sharifpur, M.; Meyer, J.P. Discrete modelling of nanoparticles in mixed convection flows. Powder Technol. 2018, 338, 243–252. [Google Scholar] [CrossRef]
- Zaboli, M.; Nourbakhsh, M.; Ajarostaghi, S.S.M. Numerical evaluation of the heat transfer and fluid flow in a corrugated coil tube with lobe-shaped cross-section and two types of spiral twisted tape as swirl generator. J. Therm. Anal. Calorim. 2020. [Google Scholar] [CrossRef]
- Yang, L.; Han, H.; Li, Y.; Li, X. A Numerical Study of the Flow and Heat Transfer Characteristics of Outward Convex Corrugated Tubes with Twisted-Tape Insert. J. Heat Transfer. 2016, 138, 024501. [Google Scholar] [CrossRef]
- Bhattacharyya, S.; Benim, A.C.; Chattopadhyay, H.; Banerjee, A. Experimental investigation of heat transfer performance of corrugated tube with spring tape inserts. Exp. Heat Transf. 2019, 32, 411–425. [Google Scholar] [CrossRef]
- Bhattacharyya, S.; Vishwakarma, D.K.; Soni, M.K. Heat Transfer and Pressure Drop in Transitional Flow: A Short Review. IOP Conf. Ser. Mater. Sci. Eng. 2021, 1080, 012050. [Google Scholar] [CrossRef]
- Kazemi Moghadam, H.; Mousavi Ajarostaghi, S.S.; Poncet, S. Extensive numerical analysis of the thermal performance of a corrugated tube with coiled wire. J. Therm. Anal. Calorim. 2020, 140, 1469–1481. [Google Scholar] [CrossRef]
- Pethkool, S.; Eiamsa-ard, S.; Kwankaomeng, S.; Promvonge, P. Turbulent heat transfer enhancement in a heat exchanger using helically corrugated tube. Int. Commun. Heat Mass Transf. 2011, 38, 340–347. [Google Scholar] [CrossRef]
- Wang, W.; Zhang, Y.; Li, Y.; Han, H.; Li, B. Numerical study on fully-developed turbulent flow and heat transfer in inward corrugated tubes with double-objective optimization. Int. J. Heat Mass Transf. 2018, 120, 782–792. [Google Scholar] [CrossRef]
- T’Joen, C.; Jacobi, A.; De Paepe, M. Flow visualisation in inclined louvered fins. Exp. Therm. Fluid Sci. 2009, 33, 664–674. [Google Scholar] [CrossRef]
- Lyman, A.C.; Stephan, R.A.; Thole, K.A.; Zhang, L.W.; Memory, S.B. Scaling of heat transfer coefficients along louvered fins. Exp. Therm. Fluid Sci. 2002, 26, 547–563. [Google Scholar] [CrossRef]
- Sagar, P.; Teotia, P.; Sahlot, A.D.; Thakur, H.C. Heat transfer analysis and optimization of engine fins of varying surface roughness. Mater. Today Proc. 2017, 4, 8565–8570. [Google Scholar] [CrossRef]
- Bhattacharyya, S.; Chattopadhyay, H.; Haldar, A. Design of twisted tape turbulator at different entrance angle for heat transfer enhancement in a solar heater. Beni-Suef Univ. J. Basic Appl. Sci. 2018, 7, 118–126. [Google Scholar] [CrossRef]
- Bhattacharyya, S. The effects of short length and full length swirl generators on heat transfer and flow fields in a solar air heater tube. J. Therm. Anal. Calorim. 2020, 140, 1355–1369. [Google Scholar] [CrossRef]
- Nakhchi, M.E.; Esfahani, J.A. Numerical investigation of turbulent CuO–water nanofluid inside heat exchanger enhanced with double V-cut twisted tapes. J. Therm. Anal. Calorim. 2020. [Google Scholar] [CrossRef]
- Moghaddaszadeh, N.; Esfahani, J.A.; Mahian, O. Performance enhancement of heat exchangers using eccentric tape inserts and nanofluids. J. Therm. Anal. Calorim. 2019, 137, 865–877. [Google Scholar] [CrossRef]
- Indurain, B.; Uystepruyst, D.; Beaubert, F.; Lalot, S.; Helgadóttir, Á. Numerical investigation of several twisted tubes with non-conventional tube cross sections on heat transfer and pressure drop. J. Therm. Anal. Calorim. 2020, 140, 1555–1568. [Google Scholar] [CrossRef]
- Martínez, D.S.; García, A.; Solano, J.P.; Viedma, A. Heat transfer enhancement of laminar and transitional Newtonian and non-Newtonian flows in tubes with wire coil inserts. Int. J. Heat Mass Transf. 2014, 76, 540–548. [Google Scholar] [CrossRef]
- San, J.Y.; Huang, W.C.; Chen, C.A. Experimental investigation on heat transfer and fluid friction correlations for circular tubes with coiled-wire inserts. Int. Commun. Heat Mass Transf. 2015, 65, 8–14. [Google Scholar] [CrossRef]
- Moghaddam, H.A.; Sarmadian, A.; Shafaee, M. An experimental study on condensation heat transfer characteristics of R-600a in tubes with coiled wire inserts. Appl. Therm. Eng. 2019, 159, 113889. [Google Scholar] [CrossRef]
- Keklikcioglu, O.; Ozceyhan, V. Experimental investigation on heat transfer enhancement of a tube with coiled-wire inserts installed with a separation from the tube wall. Int. Commun. Heat Mass Transf. 2016, 78, 88–94. [Google Scholar] [CrossRef]
- Da Silva, F.A.S.; Dezan, D.J.; Pantaleão, A.V.; Salviano, L.O. Longitudinal vortex generator applied to heat transfer enhancement of a flat plate solar water heater. Appl. Therm. Eng. 2019, 158, 113790. [Google Scholar] [CrossRef]
- Wu, J.M.; Tao, W.Q. Numerical study on laminar convection heat transfer in a rectangular channel with longitudinal vortex generator. Part A: Verification of field synergy principle. Int. J. Heat Mass Transf. 2008, 51, 1179–1191. [Google Scholar] [CrossRef]
- Zhang, Q.; Wang, L.B.; Zhang, Y.H. The mechanism of heat transfer enhancement using longitudinal vortex generators in a laminar channel flow with uniform wall temperature. Int. J. Therm. Sci. 2017, 117, 26–43. [Google Scholar] [CrossRef]
- Min, C.; Qi, C.; Wang, E.; Tian, L.; Qin, Y. Numerical investigation of turbulent flow and heat transfer in a channel with novel longitudinal vortex generators. Int. J. Heat Mass Transf. 2012, 55, 7268–7277. [Google Scholar] [CrossRef]
- Ibrahim, M.M.; Essa, M.A.; Mostafa, N.H. A computational study of heat transfer analysis for a circular tube with conical ring turbulators. Int. J. Therm. Sci. 2019, 137, 138–160. [Google Scholar] [CrossRef]
- Mohammed, H.A.; Ali Abuobeida, I.A.M.; Vuthaluru, H.B.; Liu, S. Two-phase forced convection of nanofluids flow in circular tubes using convergent and divergent conical rings inserts. Int. Commun. Heat Mass Transf. 2019, 101, 10–20. [Google Scholar] [CrossRef]
- Acir, A.; Ata, I.; Canli, M.E. Investigation of effect of the circular ring turbulators on heat transfer augmentation and fluid flow characteristic of solar air heater. Exp. Therm. Fluid Sci. 2016, 77, 45–54. [Google Scholar] [CrossRef]
- Kongkaitpaiboon, V.; Nanan, K.; Eiamsa-ard, S. Experimental investigation of convective heat transfer and pressure loss in a round tube fitted with circular-ring turbulators. Int. Commun. Heat Mass Transf. 2010, 37, 568–574. [Google Scholar] [CrossRef]
- Sheikholeslami, M.; Gorji-Bandpy, M.; Ganji, D.D. Experimental study on turbulent flow and heat transfer in an air to water heat exchanger using perforated circular-ring. Exp. Therm. Fluid Sci. 2016, 70, 185–195. [Google Scholar] [CrossRef]
- Singh, S.; Pandey, A.; Kharkwal, H. Effects of serrated circular ring with rectangular winglets on thermal properties of tube heat exchanger: An experimental and numerical study. Exp. Heat Transf. 2020, 33, 572–585. [Google Scholar] [CrossRef]
- Promvonge, P.; Skullong, S. Thermo-hydraulic performance in heat exchanger tube with V-shaped winglet vortex generator. Appl. Therm. Eng. 2020, 164, 114424. [Google Scholar] [CrossRef]
- Sinha, A.; Ashoke Raman, K.; Chattopadhyay, H.; Biswas, G. Effects of different orientations of winglet arrays on the performance of plate-fin heat exchangers. Int. J. Heat Mass Transf. 2013, 57, 202–214. [Google Scholar] [CrossRef]
- Oneissi, M.; Habchi, C.; Russeil, S.; Bougeard, D.; Lemenand, T. Novel design of delta winglet pair vortex generator for heat transfer enhancement. Int. J. Therm. Sci. 2016, 109, 1–9. [Google Scholar] [CrossRef]
- Zhou, G.; Ye, Q. Experimental investigations of thermal and flow characteristics of curved trapezoidal winglet type vortex generators. Appl. Therm. Eng. 2012, 37, 241–248. [Google Scholar] [CrossRef]
- Hosseinnezhad, R.; Akbari, O.A.; Hassanzadeh Afrouzi, H.; Biglarian, M.; Koveiti, A.; Toghraie, D. Numerical study of turbulent nanofluid heat transfer in a tubular heat exchanger with twin twisted-tape inserts. J. Therm. Anal. Calorim. 2018, 132, 741–759. [Google Scholar] [CrossRef]
- Farshad, S.A.; Sheikholeslami, M. Simulation of exergy loss of nanomaterial through a solar heat exchanger with insertion of multi-channel twisted tape. J. Therm. Anal. Calorim. 2019, 138, 795–804. [Google Scholar] [CrossRef]
- Hosseinnejad, R.; Hosseini, M.; Farhadi, M. Turbulent heat transfer in tubular heat exchangers with twisted tape. J. Therm. Anal. Calorim. 2019, 135, 1863–1869. [Google Scholar] [CrossRef]
- Keklikcioglu, O.; Dagdevir, T.; Ozceyhan, V. Second law analysis of a mixture of ethylene glycol/water flow in modified heat exchanger tube by passive heat transfer enhancement technique. J. Therm. Anal. Calorim. 2020, 140, 1307–1320. [Google Scholar] [CrossRef]
- Ahmadi, K.; Khanmohammadi, S.; Khanmohammadi, S.; Bahiraei, M.; Bach, Q.V. Heat transfer assessment of turbulent nanofluid flow in a circular pipe fitted with elliptical-cut twisted tape inserts. J. Therm. Anal. Calorim. 2020. [Google Scholar] [CrossRef]
- Al-Obaidi, A.R.; Sharif, A. Investigation of the three-dimensional structure, pressure drop, and heat transfer characteristics of the thermohydraulic flow in a circular pipe with different twisted-tape geometrical configurations. J. Therm. Anal. Calorim. 2020. [Google Scholar] [CrossRef]
- Banihashemi, S.; Assari, M.R.; Javadi, S.; Vahidifar, S. Experimental study of the effect of disk obstacle rotating with Different angular ratios on heat transfer and pressure drop in a pipe with turbulent flow. J. Therm. Anal. Calorim. 2020. [Google Scholar] [CrossRef]
- Samruaisin, P.; Wongcharee, K.; Chuwattanakul, V.; Eiamsa-ard, S. Silver–water nanofluid flow and convective heat transfer in a microfin tube equipped with loose-fit twisted tapes. J. Therm. Anal. Calorim. 2020, 140, 2541–2554. [Google Scholar] [CrossRef]
- Samruaisin, P.; Kunnarak, K.; Chuwattanakul, V.; Eiamsa-ard, S. Effect of sparsely placed twisted tapes installed with multiple-transverse twisted-baffles on heat transfer enhancement. J. Therm. Anal. Calorim. 2020, 140, 1159–1175. [Google Scholar] [CrossRef]
- Pourfattah, F.; Sabzpooshani, M.; Bayer, Ö.; Toghraie, D.; Asadi, A. On the optimization of a vertical twisted tape arrangement in a channel subjected to MWCNT–water nanofluid by coupling numerical simulation and genetic algorithm. J. Therm. Anal. Calorim. 2020. [Google Scholar] [CrossRef]
- Outokesh, M.; Ajarostaghi, S.S.M.; Bozorgzadeh, A.; Sedighi, K. Numerical evaluation of the effect of utilizing twisted tape with curved profile as a turbulator on heat transfer enhancement in a pipe. J. Therm. Anal. Calorim. 2020, 140, 1537–1553. [Google Scholar] [CrossRef]
- Noorbakhsh, M.; Zaboli, M.; Mousavi Ajarostaghi, S.S. Numerical evaluation of the effect of using twisted tapes as turbulator with various geometries in both sides of a double-pipe heat exchanger. J. Therm. Anal. Calorim. 2020, 140, 1341–1353. [Google Scholar] [CrossRef]
- Maddah, H.; Ghazvini, M.; Ahmadi, M.H. Predicting the efficiency of CuO/water nanofluid in heat pipe heat exchanger using neural network. Int. Commun. Heat Mass Transf. 2019, 104, 33–40. [Google Scholar] [CrossRef]
- Sadeghzadeh, M.; Maddah, H.; Ahmadi, M.H.; Khadang, A.; Ghazvini, M.; Mosavi, A.; Nabipour, N. Prediction of Thermo-Physical Properties of TiO2-Al2O3/Water Nanoparticles by Using Artificial Neural Network. Nanomaterials 2020, 10, 967. [Google Scholar] [CrossRef]
- Ahmadi, M.H.; Ghazvini, M.; Maddah, H.; Kahani, M.; Pourfarhang, S.; Pourfarhang, A.; Heris, S.Z. Prediction of the pressure drop for CuO/(Ethylene glycol-water) nanofluid flows in the car radiator by means of Artificial Neural Networks analysis integrated with genetic algorithm. Phys. A Stat. Mech. Its Appl. 2020, 546, 124008. [Google Scholar] [CrossRef]
- Baghban, A.; Kahani, M.; Nazari, M.A.; Ahmadi, M.H.; Yan, W.M. Sensitivity analysis and application of machine learning methods to predict the heat transfer performance of CNT/water nanofluid flows through coils. Int. J. Heat Mass Transf. 2019, 128, 825–835. [Google Scholar] [CrossRef]
- Baghban, A.; Jalali, A.; Shafiee, M.; Ahmadi, M.H.; Chau, K.W. Developing an ANFIS-based swarm concept model for estimating the relative viscosity of nanofluids. Eng. Appl. Comput. Fluid Mech. 2019, 13, 26–39. [Google Scholar] [CrossRef]
- Maddah, H.; Aghayari, R.; Ahmadi, M.H.; Rahimzadeh, M.; Ghasemi, N. Prediction and modeling of MWCNT/Carbon (60/40)/SAE 10 W 40/SAE 85 W 90(50/50) nanofluid viscosity using artificial neural network (ANN) and self-organizing map (SOM). J. Therm. Anal. Calorim. 2018, 134, 2275–2286. [Google Scholar] [CrossRef]
- Giwa, S.O.; Sharifpur, M.; Goodarzi, M.; Alsulami, H.; Meyer, J.P. Influence of base fluid, temperature, and concentration on the thermophysical properties of hybrid nanofluids of alumina–ferrofluid: Experimental data, modeling through enhanced ANN, ANFIS, and curve fitting. J. Therm. Anal. Calorim. 2020. [Google Scholar] [CrossRef]
- Ahmadi, M.H.; Sadeghzadeh, M.; Maddah, H.; Solouk, A.; Kumar, R.; Chau, K.W. Precise smart model for estimating dynamic viscosity of SiO2/ethylene glycol–water nanofluid. Eng. Appl. Comput. Fluid Mech. 2019, 13, 1095–1105. [Google Scholar] [CrossRef]
- Sadeghzadeh, M.; Ahmadi, M.H.; Kahani, M.; Sakhaeinia, H.; Chaji, H.; Chen, L. Smart modeling by using artificial intelligent techniques on thermal performance of flat-plate solar collector using nanofluid. Energy Sci. Eng. 2019, 7, 1649–1658. [Google Scholar] [CrossRef]
- Ghajar, A.J.; Tam, L.-M. Heat Transfer Measurement and Correlations in the Transition Region for a Circular Tube with Three Different Inlet Conditions. Exp. Therm. Fluid Sci. 1994, 8, 79–90. [Google Scholar] [CrossRef]
- Tam, L.M.; Ghajar, A.J. Effect of Inlet Geometry and Heating on the Fully Developed Friction Factor in the Transition Region of a Horizontal Tube. Exp. Therm. Fluid Sci. 1997, 15, 52–64. [Google Scholar] [CrossRef]
- Ranjan, H.; Bharti, A.K.; Emani, M.S.; Meyer, J.P.; Saha, S.K. New combined heat transfer enhancement techniques used in laminar flow through non-circular ducts. Appl. Therm. Eng. 2019, 163, 114325. [Google Scholar] [CrossRef]
- Emani, M.S.; Ranjan, H.; Bharti, A.K.; Meyer, J.P.; Saha, S.K. Laminar flow heat transfer enhancement in square and rectangular channels having: (1) A wire-coil, axial and spiral corrugation combined with helical screw-tape with and without oblique teeth and a (2) spiral corrugation combined with twisted tapes with oblique teeth. Int. J. Heat Mass Transf. 2019, 144, 118707. [Google Scholar]
- Saha, S.K. Thermohydraulics of laminar flow through a circular tube having integral helical corrugations and fitted with helical screw-tape insert. Chem. Eng. Commun. 2013, 200, 418–436. [Google Scholar] [CrossRef]
- Saha, S.K.; Bhattacharyya, S.; Dayanidhi, G.L. Enhancement of heat transfer of laminar flow of viscous oil through a circular tube having integral axial rib roughness and fitted with helical screw-tape inserts. Heat Transf. Res. 2012, 43, 207–227. [Google Scholar] [CrossRef]
- Saha, S.K.; Bhattacharyya, S.; Pal, P.K. Thermohydraulics of laminar flow of viscous oil through a circular tube having integral axial rib roughness and fitted with center-cleared twisted-tape. Exp. Therm. Fluid Sci. 2012, 41, 121–129. [Google Scholar] [CrossRef]
- Bhattacharyya, S.; Saha, S.; Saha, S.K. Laminar flow heat transfer enhancement in a circular tube having integral transverse rib roughness and fitted with centre-cleared twisted-tape. Exp. Therm. Fluid Sci. 2013, 44, 727–735. [Google Scholar] [CrossRef]
- Bhattacharyya, S.; Pathak, M.; Sharifpur, M.; Chamoli, S.; Ewim, D.R.E. Heat transfer and exergy analysis of solar air heater tube with helical corrugation and perforated circular disc inserts. J. Therm. Anal. Calorim. 2020. [Google Scholar] [CrossRef]
- Meyer, J.P.; Everts, M. Single-phase mixed convection of developing and fully developed flow in smooth horizontal circular tubes in the laminar and transitional flow regimes. Int. J. Heat Mass Transf. 2018, 117, 1251–1273. [Google Scholar] [CrossRef]
- Sayed Ahmed, S.A.E.; Ibrahim, E.Z.; Ibrahim, M.M.; Essa, M.A.; Abdelatief, M.A.; El-Sayed, M.N. Heat transfer performance evaluation in circular tubes via internal repeated ribs with entropy and exergy analysis. Appl. Therm. Eng. 2018, 144, 1056–1070. [Google Scholar] [CrossRef]
- Zheng, N.; Liu, P.; Shan, F.; Liu, Z.; Liu, W. Heat transfer enhancement in a novel internally grooved tube by generating longitudinal swirl flows with multi-vortexes. Appl. Therm. Eng. 2016, 95, 421–432. [Google Scholar] [CrossRef]
- Meyer, J.P.; Everts, M.; Coetzee, N.; Grote, K.; Steyn, M. Heat transfer coefficients of laminar, transitional, quasi-turbulent and turbulent flow in circular tubes. Int. Commun. Heat Mass Transf. 2019, 105, 84–106. [Google Scholar] [CrossRef]
- Dittus, F.W.; Boelter, L.M.K. Heat Transfer in Automobile Radiators of Tubular Type, 443–461. Berkeley Univ. Calif. Publ. Eng. 1930, 2, 13. [Google Scholar]
- Wang, W.; Zhang, Y.; Li, B.; Li, Y. Numerical investigation of tube-side fully developed turbulent flow and heat transfer in outward corrugated tubes. Int. J. Heat Mass Transf. 2018, 116, 115–126. [Google Scholar] [CrossRef]
- Chang, S.W.; Yang, T.L.; Liou, J.S. Heat transfer and pressure drop in tube with broken twisted tape insert. Exp. Therm. Fluid Sci. 2007, 32, 489–501. [Google Scholar] [CrossRef]
- Promvonge, P. Thermal performance in circular tube fitted with coiled square wires. Energy Convers. Manag. 2008, 49, 980–987. [Google Scholar] [CrossRef]
- Mohammed, H.A.; Abbas, A.K.; Sheriff, J.M. Influence of geometrical parameters and forced convective heat transfer in transversely corrugated circular tubes. Int. Commun. Heat Mass Transf. 2013, 44, 116–126. [Google Scholar] [CrossRef]
- Eiamsa-ard, S.; Rattanawong, S.; Promvonge, P. Turbulent convection in round tube equipped with propeller type swirl generators. Int. Commun. Heat Mass Transf. 2009, 36, 357–364. [Google Scholar] [CrossRef]
- Pedamonti, D. Comparison of Non-Linear Activation Functions for Deep Neural Networks on MNIST Classification Task. Available online: https://arxiv.org/abs/1804.02763v1 (accessed on 15 December 2020).































| Output Parameters | Test Accuracy (%) |
|---|---|
| Nusselt Number | 99.43 |
| Irreversibility | 98.53 |
| Exergy Efficiency | 98.71 |
| Friction Factor | 98.59 |
| Thermohydraulic Efficiency | 98.10 |
| Wave Ratio | Spring Ratio | Corrugation Depth Ratio | Reynolds Number | |
|---|---|---|---|---|
| Count | 1679.00 | 1679.00 | 1679.00 | 1679.00 |
| Mean | 2.12 | 2.25 | 0.184 | 31,441.33 |
| Standard Deviation | 1.038 | 0.66 | 0.064 | 19,773.93 |
| Sl. No. | Parameters | Values |
|---|---|---|
| 1 | Spring Ratios (k) | 0.5, 0.75,1.5, 2.25, 2.5, 2.75, 3.25 and 3.5 |
| 2 | Wave Ratios (z) | 1.25, 1.75, 2.0, 2.5, 2.75 and 3.25 |
| 3 | Grooved Depth Ratio (c) | 0.1, 0.13, 0.19, 0.22 and 0.28 |
| 5 | Reynolds number (Re) | 10,000, 15,000, 20,000, 25,000, 30,000, 50,000 and 70,000 |
Publisher’s Note: MDPI stays neutral with regard to jurisdictional claims in published maps and institutional affiliations. |
© 2021 by the authors. Licensee MDPI, Basel, Switzerland. This article is an open access article distributed under the terms and conditions of the Creative Commons Attribution (CC BY) license (http://creativecommons.org/licenses/by/4.0/).
Share and Cite
Bhattacharyya, S.; Vishwakarma, D.K.; Chakraborty, S.; Roy, R.; Issakhov, A.; Sharifpur, M. Turbulent Flow Heat Transfer through a Circular Tube with Novel Hybrid Grooved Tape Inserts: Thermohydraulic Analysis and Prediction by Applying Machine Learning Model. Sustainability 2021, 13, 3068. https://doi.org/10.3390/su13063068
Bhattacharyya S, Vishwakarma DK, Chakraborty S, Roy R, Issakhov A, Sharifpur M. Turbulent Flow Heat Transfer through a Circular Tube with Novel Hybrid Grooved Tape Inserts: Thermohydraulic Analysis and Prediction by Applying Machine Learning Model. Sustainability. 2021; 13(6):3068. https://doi.org/10.3390/su13063068
Chicago/Turabian StyleBhattacharyya, Suvanjan, Devendra Kumar Vishwakarma, Shramona Chakraborty, Rahul Roy, Alibek Issakhov, and Mohsen Sharifpur. 2021. "Turbulent Flow Heat Transfer through a Circular Tube with Novel Hybrid Grooved Tape Inserts: Thermohydraulic Analysis and Prediction by Applying Machine Learning Model" Sustainability 13, no. 6: 3068. https://doi.org/10.3390/su13063068
APA StyleBhattacharyya, S., Vishwakarma, D. K., Chakraborty, S., Roy, R., Issakhov, A., & Sharifpur, M. (2021). Turbulent Flow Heat Transfer through a Circular Tube with Novel Hybrid Grooved Tape Inserts: Thermohydraulic Analysis and Prediction by Applying Machine Learning Model. Sustainability, 13(6), 3068. https://doi.org/10.3390/su13063068

