Optimal Coordinated Planning of Energy Storage and Tie-Lines to Boost Flexibility with High Wind Power Integration
Abstract
1. Introduction
- Using the chance-constrained approach to reflect the uncertainty associated with the wind speed uncertainty.
- Identifying the optimal ESS sizes and positions.
- Identifying optimal tie-line options.
- Co-optimization of the design approach to determine the optimum size and position of the ESS along with the optimal location of the feeders to increase the flexibility of the networks.
- Taking into account uncertainties about wind levels.
- The approach suggested provides greater flexibility as opposed to other approaches.
2. Problem Formulation
2.1. Objective Function
- is the total cost which should be minimized.
- is the generation cost related to distributed generators.
- is the investment cost related to ESS.
- is the investment cost related to new transmission lines.
- is the cost or penalties related to load shedding and wind curtailment.
2.2. Generator Constraints
2.3. ESS Constraints
2.4. Power Flow Constraints
2.5. Power Loss Constraints
2.6. Transmission Constraints
2.7. Chance-Constrained Method
2.8. Reliability Indices
3. Proposed Solution Methodology
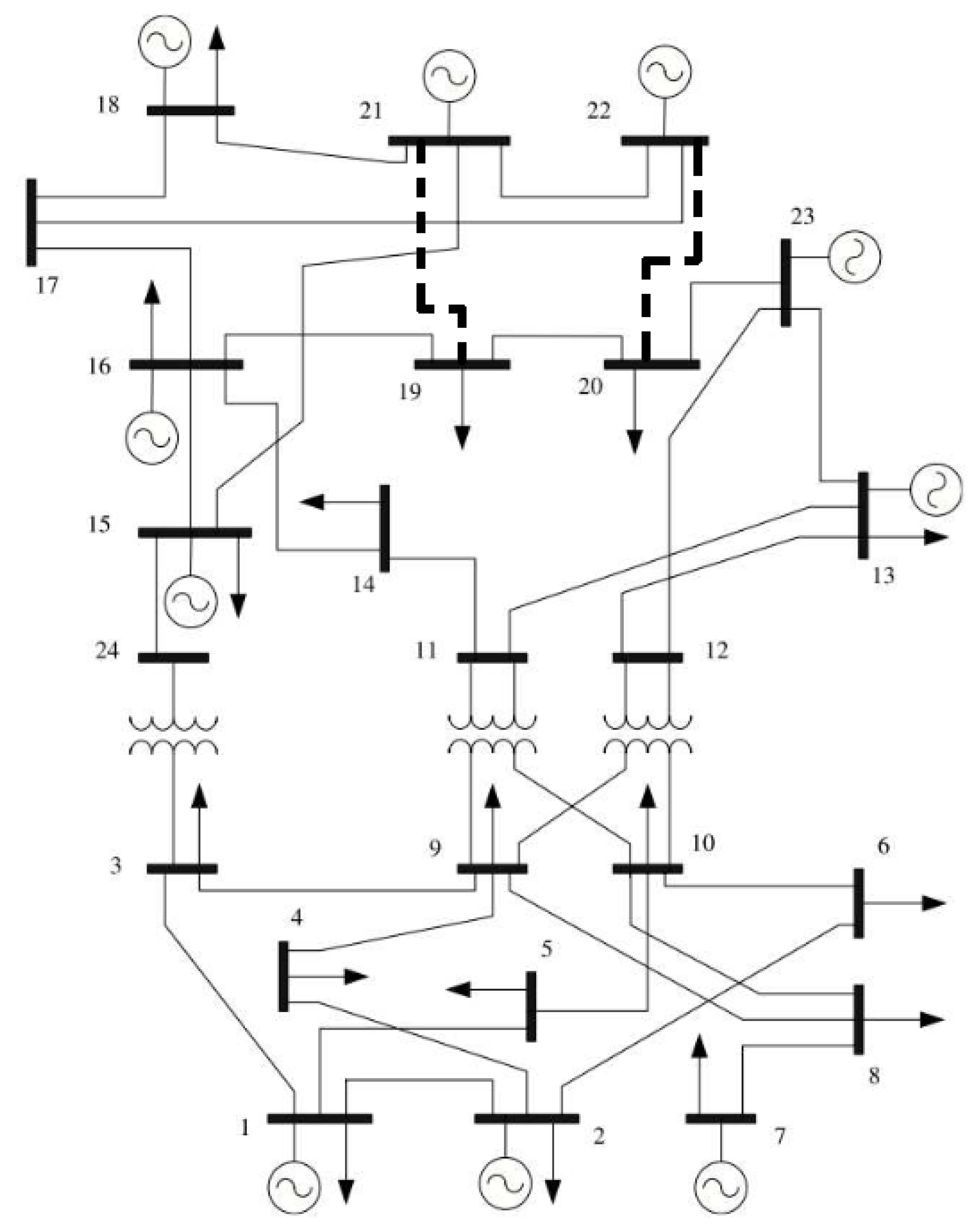
4. Case Study
5. Results and Discussions
- Calculation of net load ramping time series in both upward and downward (dn) directions for the entire planning horizon.
- Calculation of the versatile resources available up/dn within a defined time frame of interest (e.g., one hour), provided the availability and engagement status of each generation unit, start-up time, actual output level and total up- or down-ramping capabilities for the next cycle.
- To combine all time series to achieve the complete up/dn versatility time series available for all tools.
- Calculation of the empirical cumulative distribution function of up/dn available from the complete versatility time series available.
- Calculating the likelihood of inadequate ramping by removing the net load ramping needed in the obtained distribution function. The total of the time series up/down probabilities gives the IRRE.
6. Conclusions
Author Contributions
Funding
Data Availability Statement
Conflicts of Interest
Abbreviations
| Investment decision of branch k from bus j | |
| Time step | |
| Voltage angle at bus i at hour t | |
| Initial status of branch connecting bus i to bus j | |
| Capacity of wind farm at bus i | |
| Uncertain wind data | |
| Parameters of cost functions of generators | |
| Susceptance of branch connecting bus i to bus j | |
| Cost of energy unit of ESS | |
| Cost of power unit of ESS | |
| Investment cost related to ESS | |
| Generation cost related to distributed generators | |
| Investment cost of branch connecting bus i to bus j | |
| Cost or penalties related to load shedding and wind curtailment | |
| Investment cost related to new transmission lines | |
| Total cost | |
| Energy size of ESS at bus i | |
| Optimal energy size of ESS | |
| Stored energy in ESS at bus i at hour t | |
| M | Big number |
| Power size of ESS at bus i | |
| Optimal power size of ESS | |
| Output power of generator g at hour t | |
| Maximum limit of generator g | |
| Minimum limit of generator g | |
| Charging power of ESS at bus i at hour t | |
| Discharging power of ESS at bus i at hour t | |
| Load at bus i at hour t | |
| Output power of ESS at bus i at hour t | |
| Wind power at bus i at hour t | |
| Load shedding at bus i at hour t | |
| Wind curtailment at bus i at hour t | |
| Power flow from bus i to bus j at hour t | |
| Power flow in branch k from bus i to bus j at hour t | |
| Maximum limit of branch connecting bus i to bus j | |
| Ramp down limit of generator g | |
| Ramp up limit of generator g | |
| Value of loss of load | |
| Value of wind curtailment | |
| Normalized wind power at hour t | |
| Reactance of branch connecting bus i to bus j | |
| Loss of energy expectation at bus i | |
| Loss of load probability at bus i | |
| Expected demand not supplied at bus i |
References
- Bahramirad, S.; Camm, E. Practical modeling of Smart Grid SMSTM storage management system in a microgrid. In Proceedings of the IEEE Power Engineering Society Transmission and Distribution Conference, Orlando, FA, USA, 7–10 May 2012; pp. 1–7. [Google Scholar]
- Adefarati, T.; Bansal, R.C. Integration of renewable distributed generators into the distribution system: A review. IET Renew. Power Gener. 2016, 10, 873–884. [Google Scholar] [CrossRef]
- Bahramirad, S.; Reder, W.; Khodaei, A. Reliability-constrained optimal sizing of energy storage system in a microgrid. IEEE Trans. Smart Grid 2012, 3, 2056–2062. [Google Scholar] [CrossRef]
- Chen, S.X.; Gooi, H.B.; Wang, M.Q. Sizing of energy storage for microgrids. IEEE Trans. Smart Grid 2012, 3, 142–151. [Google Scholar] [CrossRef]
- Gao, D.W. Energy Storage for Sustainable Microgrid; Academic Press: Cambridge, MA, USA, 2015. [Google Scholar]
- Singh, S.; Singh, M.; Kaushik, S.C. Optimal power scheduling of renewable energy systems in microgrids using distributed energy storage system. IET Renew. Power Gener. 2016, 10, 1328–1339. [Google Scholar] [CrossRef]
- Upendra Roy, B.P.; Rengarajan, N. Feasibility Study of an Energy Storage System for Distributed Generation System in Islanding Mode. J. Energy Resour. Technol. Trans. ASME 2017, 139. [Google Scholar] [CrossRef]
- Elsir, M.T.; Abdulgalil, M.A.; Al-Awami, A.T.; Khalid, M. Sizing and allocation for solar energy storage system considering the cost optimization. In Proceedings of the 8th International Conference on Renewable Energy Research and Applications, ICRERA 2019, Brasov, Romania, 3–6 November 2019; pp. 407–412. [Google Scholar]
- Abdulgalil, M.A.; Khalid, M. Enhancing the reliability of a microgrid through optimal size of battery energy storage system. IET Gener. Transm. Distrib. 2019, 13, 1499–1508. [Google Scholar] [CrossRef]
- Bahramirad, S.; Daneshi, H. Optimal sizing of smart grid storage management system in a microgrid. In Proceedings of the 2012 IEEE PES Innovative Smart Grid Technologies, ISGT 2012, Washington, DC, USA, 16–20 January 2012; pp. 1–7. [Google Scholar]
- Salman, U.T.; Abdulgalil, M.A.; Wasiu, O.S.; Khalid, M. Energy management strategy considering battery efficiency for grid-tied microgrids during summer in the Kingdom of Saudi Arabia. In Proceedings of the 8th International Conference on Renewable Energy Research and Applications, ICRERA 2019, Brasov, Romania, 3–6 November 2019; pp. 422–427. [Google Scholar]
- Gupta, P.P.; Jain, P.; Sharma, S.; Bhakar, R. Reliability-Security Constrained Unit Commitment based on benders decomposition and Mixed Integer Non-Linear Programming. In Proceedings of the 2017 International Conference on Computer, Communications and Electronics, Comptelix 2017, Sanya, China, 25–26 June 2017; pp. 328–333. [Google Scholar]
- Nguyen, T.A.; Crow, M.L.; Elmore, A.C. Optimal sizing of a vanadium redox battery system for microgrid systems. IEEE Trans. Sustain. Energy 2015, 3, 729–737. [Google Scholar] [CrossRef]
- Abdulgalil, M.A.; Khater, M.N.; Khalid, M.; Alisamail, F. Sizing of energy storage systems to enhance microgrid reliability. In Proceedings of the IEEE International Conference on Industrial Technology, Lyon, France, 19–22 February 2018; pp. 1302–1307. [Google Scholar]
- Huang, Y.; Pardalos, P.M.; Zheng, Q.P. Two-Stage Stochastic Programming Models and Algorithms; Springer: Berlin/Heidelberg, Germany, 2017. [Google Scholar]
- Xiong, P.; Jirutitijaroen, P.; Singh, C. A Distributionally Robust Optimization Model for Unit Commitment Considering Uncertain Wind Power Generation. IEEE Trans. Power Syst. 2017, 32, 39–49. [Google Scholar] [CrossRef]
- Kim, H.J.; Kim, M.K. Multi-Objective Based Optimal Energy Management of Grid-Connected Microgrid Considering Advanced Demand Response. Energies 2019, 12, 4142. [Google Scholar] [CrossRef]
- Ma, Y.; Xie, K.; Dong, J.; Tai, H.M.; Hu, B. Optimal Generation Maintenance Schedule for Bundled Wind-Thermal Generation System. J. Energy Resour. Technol. Trans. ASME 2018, 140. [Google Scholar] [CrossRef]
- Javad Kasaei, M.; Gandomkar, M.; Nikoukar, J. Optimal Operational Scheduling of Renewable Energy Sources Using Teaching-Learning Based Optimization Algorithm by Virtual Power Plant. J. Energy Resour. Technol. Trans. ASME 2017, 139. [Google Scholar] [CrossRef]
- Li, Y.; Mohammed, S.Q.; Nariman, G.S.; Aljojo, N.; Rezvani, A.; Dadfar, S. Energy management of microgrid considering renewable energy sources and electric vehicles using the backtracking search optimization algorithm. J. Energy Resour. Technol. Trans. ASME 2020, 142. [Google Scholar] [CrossRef]
- Ma, S.; Zhou, D.; Zhang, H.; Weng, S.; Shao, T. Modeling and Operational Optimization Based on Energy Hubs for Complex Energy Networks with Distributed Energy Resources. J. Energy Resour. Technol. Trans. ASME 2019, 141. [Google Scholar] [CrossRef]
- Abdulgalil, M.A.; Khalid, M.; Alismail, F. Optimizing a Distributed Wind-Storage System Under Critical Uncertainties Using Benders Decomposition. IEEE Access 2019, 7, 77951–77963. [Google Scholar] [CrossRef]
- Abdulgalil, M.A.; Khalid, M.; Alismail, F. Optimal Sizing of Battery Energy Storage for a Grid-Connected Microgrid Subjected to Wind Uncertainties. Energies 2019, 12, 2412. [Google Scholar] [CrossRef]
- Yahya Soltani, N.; Nasiri, A. Chance-Constrained Optimization of Energy Storage Capacity for Microgrids. IEEE Trans. Smart Grid 2020, 11, 2760–2770. [Google Scholar] [CrossRef]
- Daneshvar, M.; Mohammadi Ivatloo, B.; Abapour, M.; Asadi, S.; Khanjani, R. Distributionally Robust Chance Constrained Transactive Energy Framework for Coupled Electrical and Gas Microgrids. IEEE Trans. Ind. Electron. 2020, 68, 347–357. [Google Scholar] [CrossRef]
- Lee, Y.J.; Joo, S.J.; Hwang, T. An analysis of Korean bank performance using chance-constrained data envelopment analysis. Int. J. Oper. Res. 2020, 38, 525–543. [Google Scholar] [CrossRef]
- Castillo-Lopez, M.; Ludivig, P.; Sajadi-Alamdari, S.A.; Sanchez-Lopez, J.L.; Olivares-Mendez, M.A.; Voos, H. A Real-Time Approach for Chance-Constrained Motion Planning with Dynamic Obstacles. IEEE Robot. Autom. Lett. 2020, 5, 3620–3625. [Google Scholar] [CrossRef]
- Silva, V.A.; Aoki, A.R.; Lambert-Torres, G. Optimal Day-Ahead Scheduling of Microgrids with Battery Energy Storage System. Energies 2020, 13, 5188. [Google Scholar] [CrossRef]
- Adamczyk, A. Sizing and Control Algorithms of a Hybrid Energy Storage System Based on Fuel Cells. Energies 2020, 13, 5147. [Google Scholar] [CrossRef]
- Fambri, G.; Badami, M.; Tsagkrasoulis, D.; Katsiki, V.; Giannakis, G.; Papanikolaou, A. Demand Flexibility Enabled by Virtual Energy Storage to Improve Renewable Energy Penetration. Energies 2020, 13, 5128. [Google Scholar] [CrossRef]
- Wei, J.; Zhang, Y.; Wang, J.; Cao, X.; Khan, M.A. Multi-period planning of multi-energy microgrid with multi-type uncertainties using chance constrained information gap decision method. Appl. Energy 2020, 260, 114188. [Google Scholar] [CrossRef]
- Chowdhury, N.; Pilo, F.; Pisano, G. Optimal energy storage system positioning and sizing with robust optimization. Energies 2020, 13, 512. [Google Scholar] [CrossRef]
- Li, Q.; Wang, J.; Zhang, Y.; Fan, Y.; Bao, G.; Wang, X. Multi-period generation expansion planning for sustainable power systems to maximize the utilization of renewable energy sources. Sustainability 2020, 12, 1083. [Google Scholar] [CrossRef]
- Ozturk, U.A.; Mazumdar, M.; Norman, B.A. A solution to the stochastic unit commitment problem using chance constrained programming. IEEE Trans. Power Syst. 2004, 19, 1589–1598. [Google Scholar] [CrossRef]
- Kim, W.W.; Park, J.K.; Yoon, Y.T.; Kim, M.K. Transmission expansion planning under uncertainty for investment options with various lead-times. Energies 2018, 11, 2429. [Google Scholar] [CrossRef]
- Lannoye, E.; Flynn, D.; O’Malley, M. Evaluation of power system flexibility. IEEE Trans. Power Syst. 2012, 27, 922–931. [Google Scholar] [CrossRef]
- Alismail, F.; Xiong, P.; Singh, C. Optimal Wind Farm Allocation in Multi-Area Power Systems Using Distributionally Robust Optimization Approach. IEEE Trans. Power Syst. 2018, 33, 536–544. [Google Scholar] [CrossRef]
- Soroudi, A. Power System Optimization Modeling in GAMS; Springer: Berlin/Heidelberg, Germany, 2017. [Google Scholar]
- Grigg, C.; Wong, P. The IEEE reliability test system—1996 a report prepared by the reliability test system task force of the application of probability methods subcommittee. IEEE Trans. Power Syst. 1999, 14, 1010–1020. [Google Scholar] [CrossRef]









| Bus | Bus 8 | Bus 19 | Bus 21 |
|---|---|---|---|
| Capacity | 200 MW | 150 MW | 100 MW |
| Parameter | Value |
|---|---|
| 1 h | |
| $120/MW | |
| $30/MWh | |
| $10,000 | |
| $50 |
| Bus | Bus 8 | Bus 16 | Bus 17 | Bus 22 |
|---|---|---|---|---|
| Power (MW) | 27.7 | 3.5 | 14.0 | 42.5 |
| Energy (MWh) | 50.3 | 8.4 | 19.8 | 84.7 |
| Term | Base | Deterministic | Probablistic |
|---|---|---|---|
| $92,530 | $89,210 | $83,940 | |
| 78.23% | 71.18% | 66.47% | |
| 13.14 MWh | 11.36 MWh | 10.21 MWh | |
| Availability | 97.9995% | 98.9395% | 99.9914% |
| Unavailability | 2.0005% | 1.0605% | 0.0086% |
| Term | Deterministic | Probabilistic |
|---|---|---|
| 3.59% | 9.28% | |
| 9.01% | 15.03% | |
| 13.55% | 22.30% | |
| Availability | 0.96% | 2.03% |
Publisher’s Note: MDPI stays neutral with regard to jurisdictional claims in published maps and institutional affiliations. |
© 2021 by the authors. Licensee MDPI, Basel, Switzerland. This article is an open access article distributed under the terms and conditions of the Creative Commons Attribution (CC BY) license (http://creativecommons.org/licenses/by/4.0/).
Share and Cite
Alismail, F.; Abdulgalil, M.A.; Khalid, M. Optimal Coordinated Planning of Energy Storage and Tie-Lines to Boost Flexibility with High Wind Power Integration. Sustainability 2021, 13, 2526. https://doi.org/10.3390/su13052526
Alismail F, Abdulgalil MA, Khalid M. Optimal Coordinated Planning of Energy Storage and Tie-Lines to Boost Flexibility with High Wind Power Integration. Sustainability. 2021; 13(5):2526. https://doi.org/10.3390/su13052526
Chicago/Turabian StyleAlismail, Fahad, Mohamed A. Abdulgalil, and Muhammad Khalid. 2021. "Optimal Coordinated Planning of Energy Storage and Tie-Lines to Boost Flexibility with High Wind Power Integration" Sustainability 13, no. 5: 2526. https://doi.org/10.3390/su13052526
APA StyleAlismail, F., Abdulgalil, M. A., & Khalid, M. (2021). Optimal Coordinated Planning of Energy Storage and Tie-Lines to Boost Flexibility with High Wind Power Integration. Sustainability, 13(5), 2526. https://doi.org/10.3390/su13052526

