Non-Invasive Monitoring of the Technical Condition of Power Units Using the FAM-C and FDM-A Electrical Methods
Abstract
1. Introduction
2. FAM-C and FDM-A Methods in Non-Invasive Monitoring of the Technical Condition of Aircraft Power Units
- -
- For the driving element:
- -
- For the driven element:
- -
- For the driving element:
- -
- For the driven element:
The General Description of the FAM-C and FDM-A Method for the Voltage from the AC and DC Generators
- Primary sampling done by the on-board generator, called generator-converter (analog sampling);
- Secondary sampling—done by the signal conditioning system with a counter card (digital sampling).
3. Results of Non-Invasive Monitoring of the Technical Condition of Aircraft Power Units Using FAM-C and FDM-A Methods
3.1. Measurement Results of the Voltage Frequency for the Rupture of the Generator Shaft in the MiG-29 Aircraft
3.2. Example of Disturbance Observability Board for the Aircraft Power Unit of the Mi-24 Helicopter
- Single-phase measurement channel: 1 × 115 V, 400 Hz—mechanical frequency range fp = 2–250 Hz, which allows for observability of characteristic sets;
- Three-phase measurement channel: 3 × 200 V, 400 Hz—mechanical frequency range fp = 180–1200 Hz, which allows for observability of characteristic sets;
- Three-phase measurement channel of the pilot exciter (taken from the diagnostic connector of the voltage regulator block): 3 × 48 V, 800 Hz—mechanical frequency range fp = 580–2500 Hz, which allows for the observability of characteristic sets;
- Slowly-changing—fp = 2–60 Hz;
- Middle-changing—fp = 60–640 Hz;
- Fast-changing—fp = 640–7000 Hz.
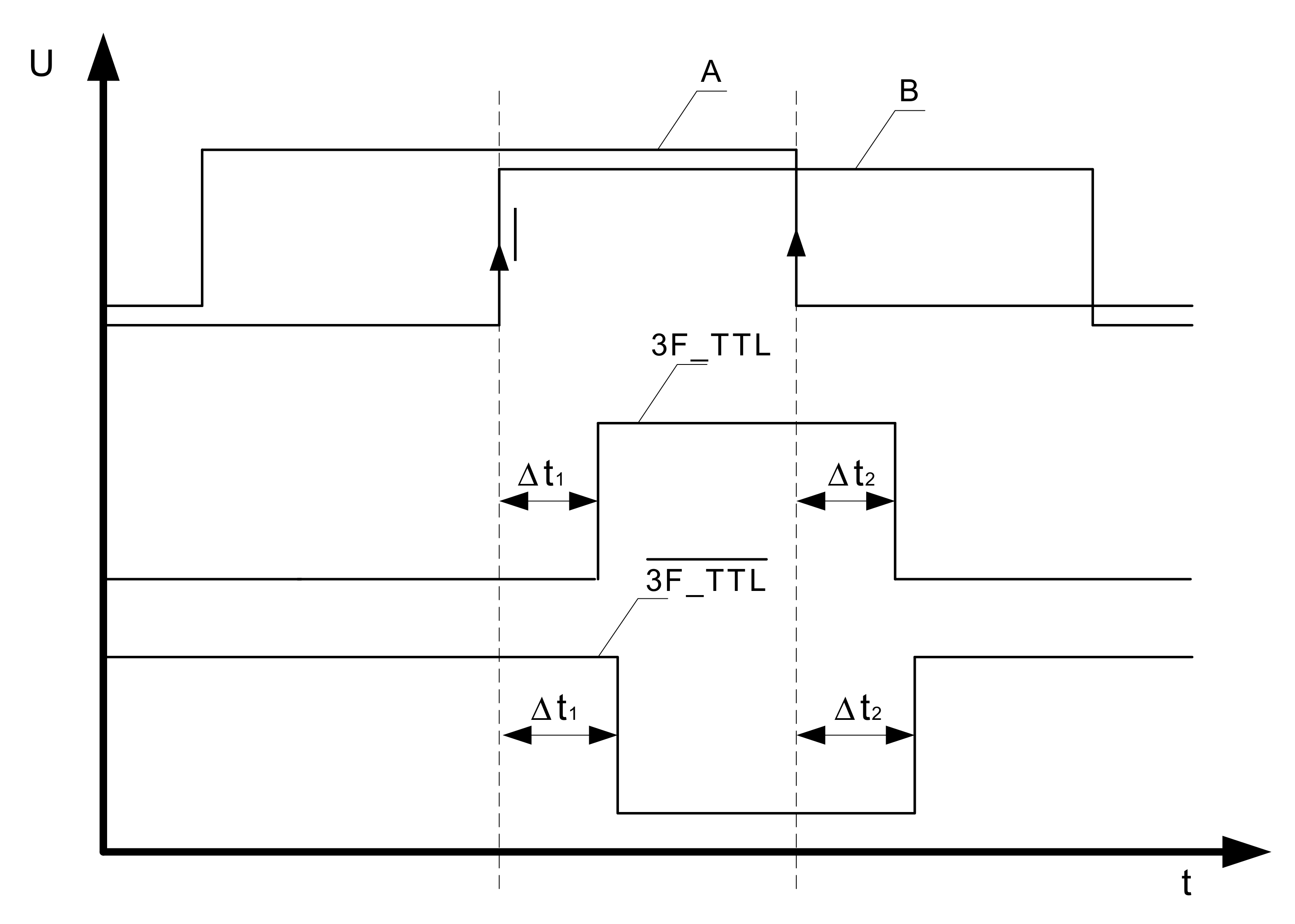
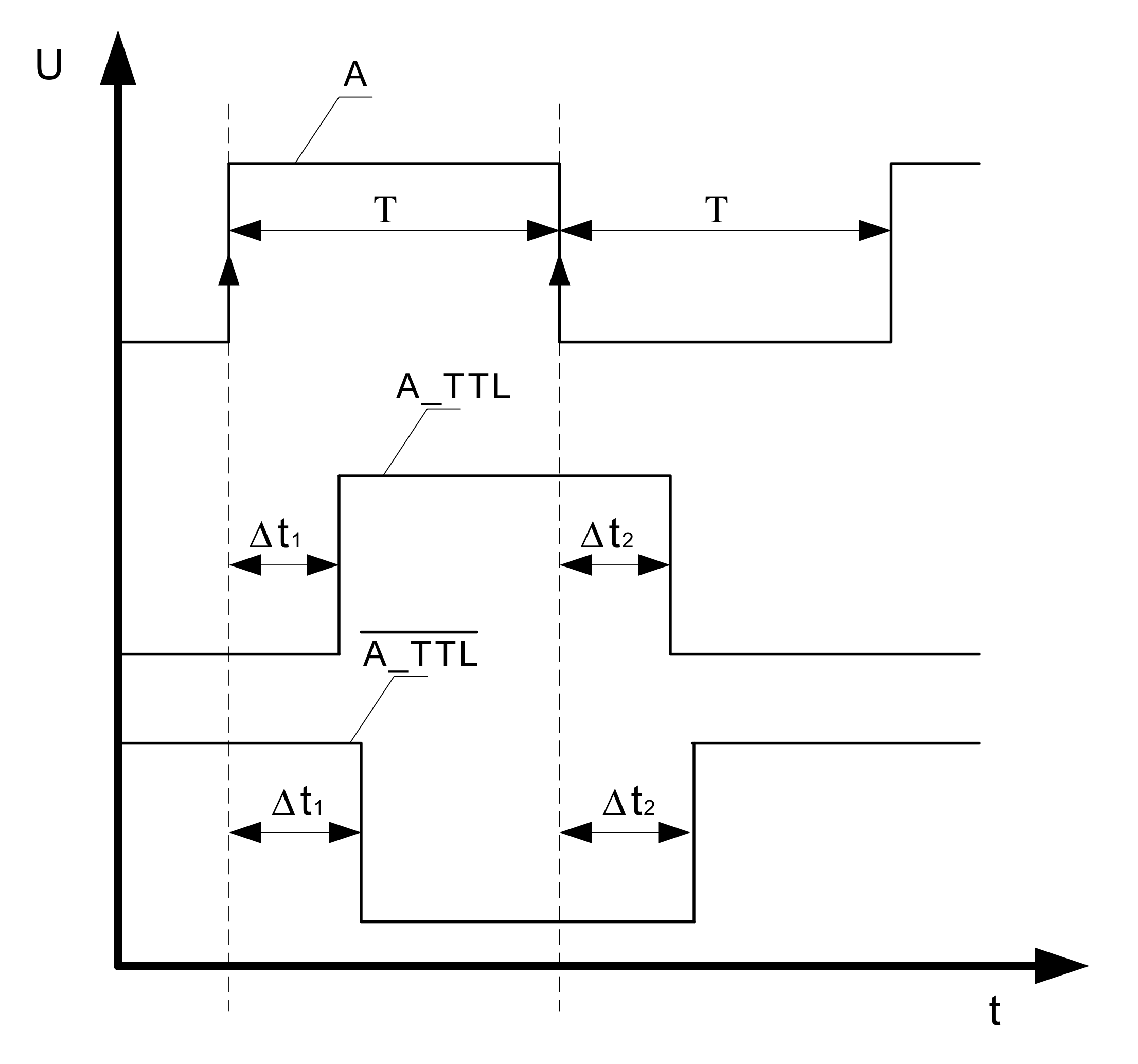
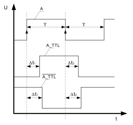
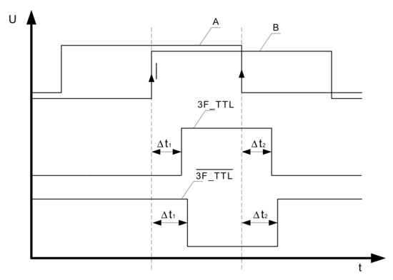
4. Detection Errors—Study of the Effect of Changing the Amplitude of a Sinusoidal Signal on the TTL Signal
4.1. Investigation of the Response Delay of the TTL Signals
4.2. Investigation of the Detection System of the Common Part of Adjacent Phases (Three-Phase Operation)
5. Conclusions
Author Contributions
Funding
Institutional Review Board Statement
Informed Consent Statement
Data Availability Statement
Conflicts of Interest
References
- Lei, Y.; Lin, J.; Zuo, M.; He, Z. Condition monitoring and fault diagnosis of planetary gearboxes: A review. Measurement 2014, 48, 292–305. [Google Scholar] [CrossRef]
- Stankovic, L.; Stankovic, I. Reconstrucion of sparse and nonsparse signals from a reduced set of samples. ETF J. Electr. Eng. 2015, 3, 18–21. [Google Scholar]
- Gębura, A.; Markiewicz, W. Presentations in FAM-C and FDM-A methods and some problems of a signals theory. Solid State Phenom. 2009, 147–149, 504–511. [Google Scholar] [CrossRef]
- Flotow, A.; Drumm, M.J. Engine Sensing Technology Hardware & Software to Monitor Engine Rotor Dynamic Using Blade Time-of-Arrival and Tip Clearance; Hood Technology: Hood River, OR, USA, 2002. [Google Scholar]
- Lindstedt, P. Praktyczna Diagnostyka Maszyn i Jej Teoretyczne Podstawy; Wydawnictwo Naukowe ASKON: Warszawa, Poland, 2002; ISBN 83-87545-61-9. [Google Scholar]
- Ahmad, W.; Khan, S.A.; Islam, M.M.M.; Kim, J.-M. A Reliable Technique for Remaining Useful Life Estimation of Rolling Element Bearings Using Dynamic Regression Models. Reliab. Eng. Syst. Saf. 2019, 184, 67–76. [Google Scholar] [CrossRef]
- Chen, Y.; Peng, G.; Zhu, Z.; Li, S. A novel deep learning method based on attention mechanism for bearing remaining useful life prediction. Appl. Soft Comput. 2020, 86, 105919. [Google Scholar] [CrossRef]
- Livebardon, T.; Moreau, S.; Gicquel, L.; Poinsot, T.; Bouty, E. Combining LES of combustion chamber and an actuator disk theory to predict combustion noise in a helicopter engine. Combust. Flame 2016, 165, 272–287. [Google Scholar] [CrossRef]
- Miao, L.; Zhang, H.; Ning, J. Law of torsional vibration and discussion on vibration suppression based on helicopter/engine system. Int. J. Turbo Jet-Engines 2016, 33, 55–67. [Google Scholar] [CrossRef]
- Amit, A.; Saifullah, K. Vibration analysis techniques for gearbox diagnostic. Int. J. Adv. Eng. Technol. 2012, 3, 4–12. [Google Scholar]
- Gao, T.; Li, Y.; Huang, X.; Wang, C. Data-Driven Method for Predicting Remaining Useful Life of Bearing Based on Bayesian Theory. Sensors 2020, 21, 182. [Google Scholar] [CrossRef]
- Gajewski, T. Praca Dyplomowa—Układ Kondycjonowania Sygnału z Izolacją Galwaniczną i Detektorem Fazowym. Ph.D. Thesis, Instytut Elektrotechniki Teoretycznej i Systemów Informacyjno-Pomiarowych, Warszawa, Poland, 2011. [Google Scholar]
- Nieto, P.G.; Garcia-Gonzalo, E.; Lasheras, F.S.; Juez, F.D.C. Hybrid PSO–SVM-based method for forecasting of the remaining useful life for aircraft engines and evaluation of its reliability. Reliab. Eng. Syst. Saf. 2015, 138, 219–231. [Google Scholar] [CrossRef]
- Gębura, A. Diagnosing turbine engine bearing structures with the aid of FAM-C and FDM-A methods. Pol. Marit. Res. 2009, 16, 53–60. [Google Scholar] [CrossRef][Green Version]
- Gębura, A. Diagnostic of aircraft power transmission track based on the analisys of generator’s frequency. J. Tech. Phys. 2002, 43, 61–68. [Google Scholar]
- Hinchi, A.Z.; Tkiouat, M. Rolling Element Bearing Remaining Useful Life Estimation Based on a Convolutional Long-Short-Term Memory Network. Procedia Computer Science. In Proceedings of the First International Conference on Intelligent Computing in Data Sciences, ICDS2017, Meknes, Morocco, 18–19 December 2017. [Google Scholar] [CrossRef]
- Wen, J.; Gao, H.; Zhang, J. Bearing Remaining Useful Life Prediction Based on a Nonlinear Wiener Process Model. Shock. Vib. 2018, 2018, e4068431. [Google Scholar] [CrossRef]
- Bojdo, N.; Filippone, A. Comparative study of helicopter engine particle separators. J. Aircr. 2014, 51, 1030–1042. [Google Scholar] [CrossRef]
- Draganić, A.; Brajović, M.; Orović, I.; Stanković, S. A Software Tool for Compressive Sensing based Time-Frequency Analysis. In Proceedings of the 2015 57th International Symposium ELMAR (ELMAR), Conference Paper, Zadar, Croatia, 28–30 September 2015. [Google Scholar]
- Muetze, A.; Strangas, E.G. The Useful Life of Inverter-Based Drive Bearings: Methods and Research Directions from Localized Maintenace to Prognosis. IEEE Ind. Appl. Mag. 2016, 22, 63–73. [Google Scholar] [CrossRef]
- Henriksson, M.; Sjöqvist, L.; Seiffer, D. Helicopter engine exhaust rotor downwash effects on laser beams. In Proceedings of the SPIE, San Francisco, CA, USA, 7–12 February 2015; The International Society for Optical Engineering: Bellingham, WA, USA, 2015. [Google Scholar]
- Zieja, M.; Ważny, M.; Stępień, S. Outline of a method for estimating the durability of components or device assemblies while maintaining the required reliability level. Ekspolatacja Niezawodn. Maint. Reliab. 2018, 20, 260–266. [Google Scholar] [CrossRef]
- Tomaszek, H.; Zieja, M.; Ważny, M. A method for reliability assessment of structural components of aircraft and sea-going ships with taking into account a given failure generation model. Polish Maritime Research. Pol. Marit. Res. 2016, 23, 83–90. [Google Scholar] [CrossRef][Green Version]
- Ahrabian, A.; Looney, D.; Stanković, L.; Mandic, D.P. Synchrosqueezing-based time-frequency analysis of multivariate data. Signal Process. 2015, 106, 331–341. [Google Scholar] [CrossRef]
- Antoszkiewicz, K. Generacja i Synteza Częstotliwości; Oficyna Wydawnicza Politechniki Warszawskiej: Warszawa, Poland, 2015. [Google Scholar]
- Cao, H.; Xi, S.; Chen, X.; Wang, S. Zoom synchrosqueezing transform and iterative demodulation: Methods with application. Mech. Syst. Signal Process. 2016, 72–73, 695–711. [Google Scholar] [CrossRef]
- Heng, A.; Zhang, S.; Tan, C.; Mathew, J. Rotating Machinery Prognostics: State of the Art, Challenges and Opportunities. Mechanical Systems and Signal Processing. Mech. Syst. Signal Process. 2009, 23, 724–739. [Google Scholar] [CrossRef]
- Lee, M.Y.; Tang, J. A Modified EM-Algorithm for Estimating the Parameters of Inverse Gaussian Distribution Based on Time-Censored Wiener Degradation Data. Stat. Sin. 2007, 17, 873–893. [Google Scholar]
- Zio, E. Reliability engineering: Old problems and new challenges. Reliab. Eng. Syst. Saf. 2009, 94, 125–141. [Google Scholar] [CrossRef]
- Cao, Y.; Wu, Z.; Huang, J. Numerical simulation of aerodynamic interactions among helicopter rotor, fuselage, engine and body of revolution. Sci. China Ser. E Technol. Sci. 2014, 57, 1206–1218. [Google Scholar] [CrossRef]
- Samuel, M.P. Differential degradation assessment of helicopter engines operated in marine environment. Def. Sci. J. 2014, 64, 371–377. [Google Scholar] [CrossRef]




















Publisher’s Note: MDPI stays neutral with regard to jurisdictional claims in published maps and institutional affiliations. |
© 2021 by the authors. Licensee MDPI, Basel, Switzerland. This article is an open access article distributed under the terms and conditions of the Creative Commons Attribution (CC BY) license (https://creativecommons.org/licenses/by/4.0/).
Share and Cite
Zieja, M.; Gębura, A.; Szelmanowski, A.; Główczyk, B. Non-Invasive Monitoring of the Technical Condition of Power Units Using the FAM-C and FDM-A Electrical Methods. Sustainability 2021, 13, 13329. https://doi.org/10.3390/su132313329
Zieja M, Gębura A, Szelmanowski A, Główczyk B. Non-Invasive Monitoring of the Technical Condition of Power Units Using the FAM-C and FDM-A Electrical Methods. Sustainability. 2021; 13(23):13329. https://doi.org/10.3390/su132313329
Chicago/Turabian StyleZieja, Mariusz, Andrzej Gębura, Andrzej Szelmanowski, and Bartłomiej Główczyk. 2021. "Non-Invasive Monitoring of the Technical Condition of Power Units Using the FAM-C and FDM-A Electrical Methods" Sustainability 13, no. 23: 13329. https://doi.org/10.3390/su132313329
APA StyleZieja, M., Gębura, A., Szelmanowski, A., & Główczyk, B. (2021). Non-Invasive Monitoring of the Technical Condition of Power Units Using the FAM-C and FDM-A Electrical Methods. Sustainability, 13(23), 13329. https://doi.org/10.3390/su132313329

