Development of Supercapacitor-Aided Hybrid Energy Storage System to Enhance Battery Life Cycle of Electric Vehicles
Abstract
:1. Introduction
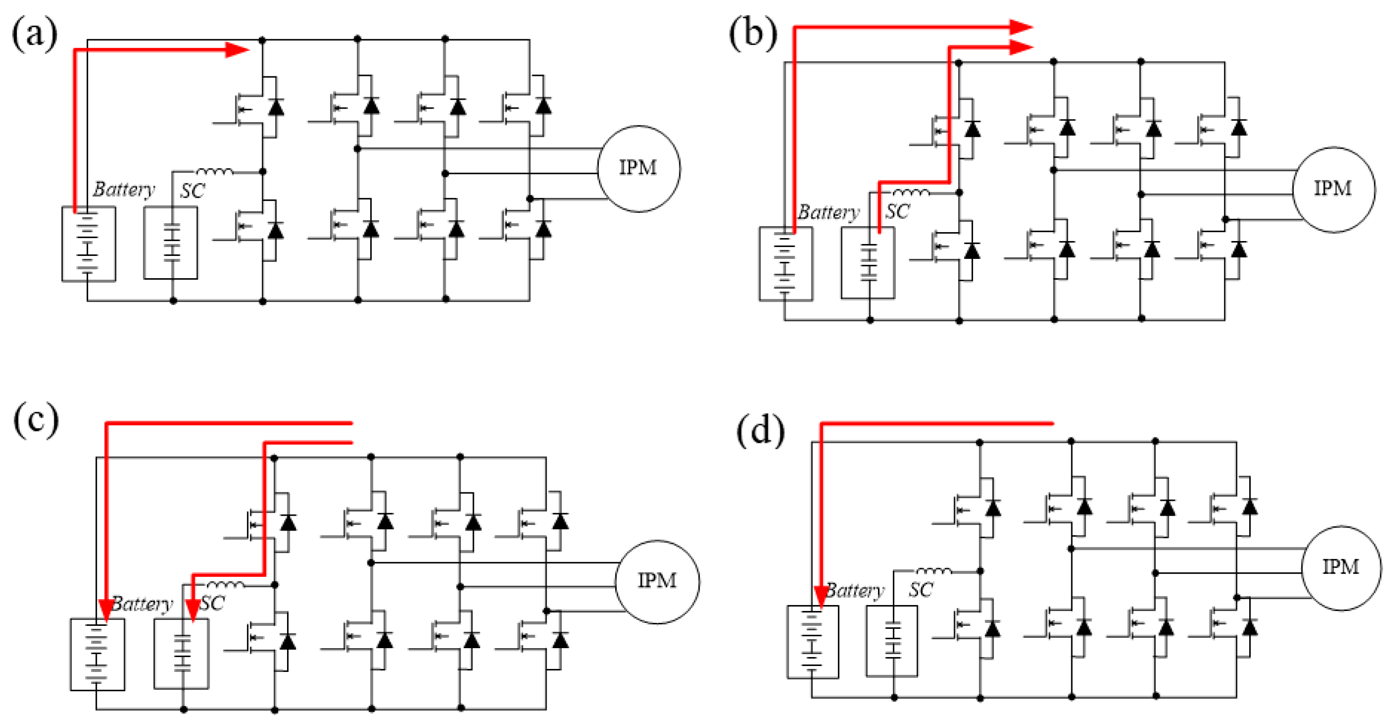
2. System Configuration and Operation
3. Proposed C-Rate Control Scheme
3.1. Capacity Characteristics Analysis of Lithium-Ion Battery under Cyclic Charge/Discharge
3.2. Proposed C-Rate Control Method
4. Simulation Study with ECE 40 Driving Cycle
5. Experimental Results
6. Conclusions
Author Contributions
Funding
Institutional Review Board Statement
Informed Consent Statement
Data Availability Statement
Acknowledgments
Conflicts of Interest
References
- Broussely, M.; Biensan, P.; Bonhomme, F.; Blanchard, P.; Herreyre, S.; Nechev, K.; Staniewicz, R.J. Main aging mechanisms in Li ion batteries. J. Power Sources 2005, 146, 90–96. [Google Scholar] [CrossRef]
- Vetter, J.; Novak, P.; Wagner, M.R.; Veit, C.; Moller, K.C.; Besenhard, J.O.; Winter, M.; Wohlfahrt-Mehrens, M.; Vogler, C.; Hammouche, A. Ageing mechanisms in lithium-ion batteries. J. Power Sources 2005, 147, 269–281. [Google Scholar] [CrossRef]
- Nagpure, S.C.; Bhushan, B. Nanomaterials for electrical energy storage devices. In Encyclopedia of Nanotechnology; Springer: Dordrecht, The Netherlands, 2016; pp. 2473–2485. [Google Scholar]
- Saleem, A.M.; Desmaris, V.; Enoksson, P. Performance enhancement of carbon nanomaterials for supercapacitors. J. Nanomater. 2016, 2016, 1537269. [Google Scholar] [CrossRef] [Green Version]
- Gao, L.; Dougal, R.A.; Liu, S. Power enhancement of an actively controlled battery/ultracapacitor hybrid. IEEE Trans. Power Electron. 2005, 20, 236–243. [Google Scholar] [CrossRef]
- Cao, J.; Emadi, A. A new battery/ultracapacitor hybrid energy storage system for electric, hybrid, and plug-in hybrid electric vehicles. IEEE Trans. Power Electron. 2012, 27, 122–132. [Google Scholar]
- Han, X.B.; Ouyang, M.G.; Lu, L.G.; Li, J.Q. Cycle life of commercial lithium-ion batteries with lithium titanium oxide anodes in electric vehicles. Energies 2014, 7, 4895–4909. [Google Scholar] [CrossRef] [Green Version]
- Shen, J.; Dusmez, S.; Khaligh, A. Optimization of sizing and battery cycle life in battery/ultracapacitor hybrid energy storage systems for electric vehicle applications. IEEE Trans. Industr. Inform. 2014, 10, 2112–2121. [Google Scholar] [CrossRef]
- Rotenberg, D.; Vahidi, A.; Kolmanovsky, I. Ultracapacitor assisted powertrains: Modeling, control, sizing, and the impact on fuel economy. IEEE Trans. Control Syst. Technol. 2011, 19, 576–589. [Google Scholar] [CrossRef]
- Zhang, L.; Hu, X.; Wang, Z.; Sun, F.; Deng, J.; Dorrell, D.G. Multiobjective optimal sizing of hybrid energy storage system for electric vehicles. IEEE Trans. Veh. Technol. 2018, 67, 1027–1035. [Google Scholar] [CrossRef]
- Eldeeb, H.H.; Elsayed, A.T.; Lashway, C.R.; Mohammed, O. Hybrid energy storage sizing and power splitting optimization for plug-in electric vehicles. IEEE Trans. Ind. Appl. 2019, 55, 2252–2262. [Google Scholar] [CrossRef]
- Asensio, M.; Magallan, G.A.; Amaya, E.G.; De Angelo, C.H. Efficiency and performance analysis of battery-ultracapacitor based semi-active hybrid energy systems for electric vehicles. IEEE Lat. Am. Trans. 2018, 16, 2581–2590. [Google Scholar] [CrossRef]
- Naseri, F.; Farjah, E.; Ghanbari, T. An efficient regenerative braking system based on battery/supercapacitor for electric, hybrid, and plug-in hybrid electric vehicles with BLDC motor. IEEE Trans. Veh. Technol. 2017, 66, 3724–3738. [Google Scholar] [CrossRef]
- Manandhar, U.; Tummuru, N.R.; Kollimalla, S.K.; Ukil, A.; Beng, G.H.; Chaudhari, K. Validation of faster joint control strategy for battery- and supercapacitor-based energy storage system. IEEE Trans. Ind. Electron. 2018, 65, 3286–3295. [Google Scholar] [CrossRef]
- Hredzak, B.; Agelidis, V.G. Model predictive control of a hybrid battery-ultracapacitor power source. In Proceedings of the 7th International Power Electronics and Motion Control Conference, Harbin, China, 2–5 June 2012; pp. 2294–2299. [Google Scholar]
- Hredzak, B.; Agelidis, V.G.; Jang, M. A model predictive control system for a hybrid battery-ultracapacitor power source. IEEE Trans. Power Electron. 2014, 29, 1469–1479. [Google Scholar] [CrossRef]
- Pai, F.S.; Huang, S.J. A novel design of line-interactive uninterruptible power supplies without load current sensors. IEEE Trans. Power Electron. 2006, 21, 202–210. [Google Scholar]
- Jing, W.L.; Lai, C.H.; Wong, S.H.W.; Wong, M.L.D. Battery-supercapacitor hybrid energy storage system in standalone DC microgrids: A review. IET Renew. Power Gener. 2017, 11, 461–469. [Google Scholar] [CrossRef]
- Grbovic, P.J.; Delarue, P.; Moigne, P.L.; Bartholomeus, P. A three-terminal ultracapacitor-based energy storage and PFC device for regenerative controlled electric drives. IEEE Trans. Ind. Electron. 2012, 59, 301–316. [Google Scholar] [CrossRef]
- Hwang, J.J.; Chen, Y.J.; Kuo, J.K. The study on the power management system in a fuel cell hybrid vehicle. Int. J. Hydrogen Energy 2012, 37, 4476–4489. [Google Scholar] [CrossRef]
- Hung, Y.H.; Wu, C.H. A combined optimal sizing and energy management approach for hybrid in-wheel motors of EVs. Appl. Energy 2015, 139, 260–271. [Google Scholar] [CrossRef]
- Hsieh, M.F.; Weng, Y.C. A low torque ripple direct torque control method for interior permanent magnet motor. Appl. Sci. 2020, 10, 1723. [Google Scholar] [CrossRef] [Green Version]













| HESS Structure | Features | |
|---|---|---|
| Passive | Pros | Simple structure Low cost of required device |
| Cons | Unstable system voltage Uncontrollable power distribution | |
| Semi-active | Pros | Flexible system configuration Lower cost of devices |
| Cons | Caution needed in stability of system voltage Higher requirement for DC–DC converter | |
| Active | Pros | High system flexibility High system efficiency |
| Cons | High cost of system and related devices Efficiency affected by DC–DC converter | |
| HESS Parameters | |
| Rated Battery Voltage | 48 V |
| Battery Capacity | 11.2 Ah |
| Supercapacitor | 40 F/38 V |
| Converter Switching Frequency | 20 KHz |
| Inductor L | 130 MH |
| Converter Rated Power | 2000 W |
| PMSM Parameters | |
| Armature resistance Rs | 27 mΩ |
| Direct-axis inductance Ld | 308 μH |
| Quadrature-axis inductance Lq | 362 μH |
| Rotor flux linkage λ | 0.0128 Wb |
| Pole pair P | 4 |
| Rated speed Vm | 3000 rpm |
| Rated torque Tm | 7 Nm |
| Rated power Pm | 2000 W |
| Switching frequency of inverter | 20 kHz |
| Vin | Iin | Vout | Iout | Input Power (watt) | Output Power (watt) | Eff. |
|---|---|---|---|---|---|---|
| Boost mode | ||||||
| 38 | 15.1 | 52.4 | 10.4 | 574.9 | 544.6 | 94.7% |
| 38 | 30.0 | 51.3 | 20.8 | 1140.8 | 1066.2 | 93.5% |
| 38 | 55.0 | 49.9 | 38.2 | 2090.8 | 1903.9 | 91.1% |
| Buck mode | ||||||
| 48 | 10.1 | 37.3 | 12.5 | 482.4 | 464.5 | 96.3% |
| 48 | 25.3 | 38.7 | 30.0 | 1213.4 | 1160.7 | 95.7% |
| 48 | 45.1 | 38.8 | 52.4 | 2162.9 | 2031.0 | 93.9% |
Publisher’s Note: MDPI stays neutral with regard to jurisdictional claims in published maps and institutional affiliations. |
© 2021 by the authors. Licensee MDPI, Basel, Switzerland. This article is an open access article distributed under the terms and conditions of the Creative Commons Attribution (CC BY) license (https://creativecommons.org/licenses/by/4.0/).
Share and Cite
Hsieh, M.-F.; Chen, P.-H.; Pai, F.-S.; Weng, R.-Y. Development of Supercapacitor-Aided Hybrid Energy Storage System to Enhance Battery Life Cycle of Electric Vehicles. Sustainability 2021, 13, 7682. https://doi.org/10.3390/su13147682
Hsieh M-F, Chen P-H, Pai F-S, Weng R-Y. Development of Supercapacitor-Aided Hybrid Energy Storage System to Enhance Battery Life Cycle of Electric Vehicles. Sustainability. 2021; 13(14):7682. https://doi.org/10.3390/su13147682
Chicago/Turabian StyleHsieh, Min-Fu, Po-Hsun Chen, Fu-Sheng Pai, and Rui-Yang Weng. 2021. "Development of Supercapacitor-Aided Hybrid Energy Storage System to Enhance Battery Life Cycle of Electric Vehicles" Sustainability 13, no. 14: 7682. https://doi.org/10.3390/su13147682
APA StyleHsieh, M.-F., Chen, P.-H., Pai, F.-S., & Weng, R.-Y. (2021). Development of Supercapacitor-Aided Hybrid Energy Storage System to Enhance Battery Life Cycle of Electric Vehicles. Sustainability, 13(14), 7682. https://doi.org/10.3390/su13147682

