A Novel Machine Learning-Based Framework for Optimal and Secure Operation of Static VAR Compensators in EAFs
Abstract
1. Introduction
1.1. Necessity and Significance
1.2. Literature Review
1.3. Contributions and Novelties
- Assessing the security of EAFs notwithstanding different cyber attacks, including time-delay attack, replay attack and, FDIA on SVCs;
- Proposing an intelligent ADM based on SVR and prediction intervals for stopping cyber attacks in EAFs;
- Employing a new modification method based on TLA (MTLA) for adjusting the SVR model optimally.
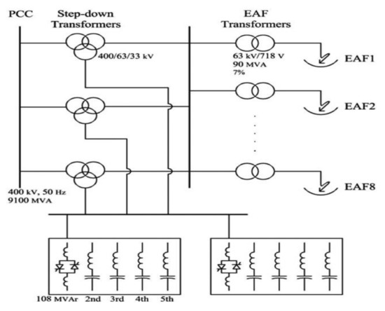
2. EAF as a Cyber-Physical System
- Connected to the power system, to regulate the transmission voltage, this is called “transmission SVC”;
- Connected close to large industrial loads, to enhance the power quality, this is called “industrial SVC”.
3. Cyber Attack Model
3.1. Time-Delay Attack
3.2. Replay Attack
3.3. False Data Injection Attack (FDIA)
4. Anomaly Detection Model-Based Prediction Intervals
4.1. Prediction Interval-Based ADM
4.2. Support Vector Regression Based on MTLA
5. Simulation Results
6. Discussion
- EAF as a cyber-physical system: The performance of the EAF for reactive power compensation depends on the SVC. Fundamentally, the SVC structure comprises a control system (as the cyber layer) and power electronic devices (as the physical layer) which makes it vulnerable to cyber attacks. This article proves the necessity of assessing the cyber security of EAFs from a new perspective.
- Precise ADM: Compared to the other anomaly detection methods, the proposed ADM shows superior performance considering the prediction interval-based structure. Making use of the LUBE method, the proposed model is equipped with a lower and an upper bound based on specific probabilities which can estimate the reliability and health probability of the incoming reactive power data. According to the confusion matrix, the proposed ADM method could reach 94.22%, 5.78%, 4.66%, and 95.34% for HR, MR, FR and CR, respectively. The superiority of the model over the conservative and support vector machine is proved.
- Evolving nature: The proposed MTLA approach could provide a more optimal training process for LUBE to reach the highest PICL and lowest PIW. Such an evolving concept would enhance the quality of LUBE by creating more fitting prediction intervals. The proposed MTLA is equipped with three modification methods for avoiding premature convergence and more optimal search abilities.
7. Conclusions
Author Contributions
Funding
Institutional Review Board Statement
Informed Consent Statement
Data Availability Statement
Acknowledgments
Conflicts of Interest
Nomenclature
| w/b | Weight/bias factors in support vector model (b∈). |
| C | Tradeoff constant between two terms. |
| K(xt,x) | Kernel function. |
| Ms | Mean of the class population in TLA. |
| Iter | Iteration counter. |
| N/Np | Amount of TLA population/forecast data. |
| CI/CO/CA/CN | Set of inlier/outliers/positive data/negative data. |
| Ai | Distance between ith solution and XT. |
| R | Underlying target range used for normalizing prediction intervals. |
| TF | Random value equivalent to 1 or 2 in TLA. |
| Ut/Lt | Higher and lower bounds of the PIs. |
| XiIter | Position of ith solution (student) in iteration number Iter. |
| x,y | Input/output sample points. |
| XT | Position of the best solution (teacher) in TLA. |
| α | Confidence level complement. |
| ε | Small constant value. |
| Θε | Loss function in SVR. |
| σ | Kernel function standard deviation. |
| Γ | Small constant value for neighboring local search. |
| ξ | Preparation error. |
| β* & β | Lagrangian multipliers. |
| μf,k | Fuzzy membership function value for the kth index. |
| γ1,…,γ8 | Random values in the range [0, 1]. |
| μref,k | Fuzzy reference value for kth index. |
| Δ | Scale parameter in the exponential model. |
| τ | Delay parameter in the delay attack. |
References
- Roslan, N.H.; Ismail, M.; Khalid, N.H.A.; Muhammad, B. Properties of concrete containing electric arc furnace steel slag and steel sludge. J. Build. Eng. 2020, 28, 101060. [Google Scholar] [CrossRef]
- Esfahani, M.T.; Vahidi, B. A predictive reactive power measuring based on time series and DLSL algorithm for compensating applications. IEEE Trans. Instrum. Meas. 2015, 64, 2646–2656. [Google Scholar] [CrossRef]
- Naji Alhasnawi, B.; Jasim, B.H.; Anvari-Moghaddam, A.; Blaabjerg, F. A New Robust Control Strategy for Parallel Operated Inverters in Green Energy Applications. Energies 2020, 13, 3480. [Google Scholar] [CrossRef]
- Hsu, Y.J.; Chen, K.H.; Huang, P.Y.; Lu, C.N. Electric arc furnace voltage flicker analysis and prediction. IEEE Trans. Instrum. Meas. 2011, 60, 3360–3368. [Google Scholar] [CrossRef]
- Nami, H.; Anvari-Moghaddam, A.; Arabkoohsar, A. Thermodynamic, economic, and environmental analyses of a waste-fired trigeneration plant. Energies 2020, 13, 2476. [Google Scholar] [CrossRef]
- Júnior, H.G.; Liberado, E.V.; Pomilio, J.A.; Marafão, F.P. General-compensation-purpose Static var Compensator prototype. HardwareX 2019, 5, e00049. [Google Scholar]
- Spasojevic, B. The time domain method for power line reactive energy measurement. IEEE Trans. Instrum. Meas. 2007, 56, 2033–2042. [Google Scholar] [CrossRef]
- Morsi, W.G.; Diduch, C.P.; Chang, L.; El-Hawary, M.E. Wavelet-based reactive power and energy measurement in the presence of power quality disturbances. IEEE Trans. Power Syst. 2010, 26, 1263–1271. [Google Scholar] [CrossRef]
- Chow, T.W.S.; Yam, Y.F. Measurement and evaluation of instantaneous reactive power using neural networks. IEEE Trans. Power Deliv. 1994, 9, 1253–1260. [Google Scholar] [CrossRef]
- Golshan, M.H.; Samet, H. Updating stochastic models of arc furnace reactive power by genetic algorithm. In Proceedings of the 14th International Conference on Harmonics and Quality of Power-ICHQP 2010, Bergamo, Italy, 26–29 September 2010; pp. 1–9. [Google Scholar]
- Samet, H.; Mojallal, A. Enhancement of electric arc furnace reactive power compensation using Grey–Markov prediction method. IET Gener. Transm. Distrib. 2014, 8, 1626–1636. [Google Scholar] [CrossRef]
- Zhang, D.J.; Zhang, G.L.; Zhang, N.N. The operating conditions prediction of electric arc furnace based on least squares support vector machines. In Proceedings of the 2010 International Conference on Computer, Mechatronics, Control and Electronic Engineering, Changchun, China, 24–26 August 2010; Volume 3, pp. 263–266. [Google Scholar]
- Govindarasu, M.; Hann, A.; Sauer, P. Cyber-physical systems security for smart grid. Power Syst. Eng. Res. Cent. 2012. Available online: https://pserc.wisc.edu/documents/research_documents/futuregrid/info_architecture/Govindarasu_BA_Info_PSERC_DOE_Poster_2011.pdf (accessed on 14 May 2021).
- Chen, B.; Butler-Purry, K.L.; Nuthalapati, S.; Kundur, D. Network delay caused by cyber-attacks on SVC and its impact on transient stability of smart grids. In Proceedings of the 2014 IEEE PES General Meeting, Conference and Exposition, National Harbor, MD, USA, 27–31 July 2014; pp. 1–5. [Google Scholar]
- Ten, C.W.; Yamashita, K.; Yang, Z.; Vasilakos, A.V.; Ginter, A. Impact assessment of hypothesized cyberattacks on interconnected bulk power systems. IEEE Trans. Smart Grid 2017, 9, 4405–4425. [Google Scholar] [CrossRef]
- Lee, R.M.; Assante, M.J.; Conway, T. German steel mill cyber-attack. Ind. Control Syst. 2014, 30, 62. [Google Scholar]
- Chen, B.; Mashayekh, S.; Butler-Purry, K.L.; Kundur, D. Impact of cyber attacks on transient stability of smart grids with voltage support devices. IEEE Power Energy Soc. Gen. Meet. 2013. [Google Scholar] [CrossRef]
- Kavousi-Fard, A. Modeling uncertainty in tidal current forecast using prediction interval-based SVR. IEEE Trans. Sustain. Energy 2016, 8, 708–715. [Google Scholar] [CrossRef]
- Yu, K.; While, L.; Reynolds, M.; Wang, X.; Liang, J.J.; Zhao, L.; Wang, Z. Multiobjective optimization of ethylene cracking furnace system using self-adaptive multiobjective teaching-learning-based optimization. Energy 2018, 148, 469–481. [Google Scholar] [CrossRef]
- Langner, R. Stuxnet: Dissecting a cyberwarfare weapon. IEEE Secur. Priv. 2011, 9, 49–51. [Google Scholar] [CrossRef]
- Chen, B.; Butler-Purry, K.L.; Kundur, D. Impact analysis of transient stability due to cyber-attack on FACTS devices. In Proceedings of the 2013 North American Power Symposium (NAPS), Manhattan, KS, USA, 22–24 September 2013; pp. 1–6. [Google Scholar]
- Davis, C.M.; Tate, J.E.; Okhravi, H.; Grier, C.; Overbye, T.J.; Nicol, D. SCADA cyber security testbed development. In Proceedings of the 2006 38th North American Power Symposium, Carbondale, IL, USA, 17–19 September 2006; pp. 483–488. [Google Scholar]
- Khosravi, A.; Nahavandi, S.; Creighton, D.; Atiya, A.F. Lower upper bound estimation method for construction of neural network-based prediction intervals. IEEE Trans. Neural Netw. 2010, 22, 337–346. [Google Scholar] [CrossRef]
- Lan, T.; Jermsittiparsert, K.; Alrashood, S.T.; Rezaei, M.; Mohamed, M.A. An advanced machine learning based energy management of renewable microgrids considering hybrid electric vehicles’ charging demand. Energies 2021, 14, 569. [Google Scholar] [CrossRef]
- Wang, Q.; Jin, T.; Mohamed, M.A. A Fast and Robust Fault Section Location Method for Power Distribution Systems Considering Multisource Information. IEEE Syst. J. 2021. [Google Scholar] [CrossRef]
- Mohamed, M.A.; Eltamaly, A.M.; Alolah, A.I. Sizing and techno-economic analysis of stand-alone hybrid photovoltaic/wind/diesel/battery power generation systems. J. Renew. Sustain. Energy 2015, 7, 063128. [Google Scholar] [CrossRef]
- Mohamed, M.A.; Eltamaly, A.M.; Alolah, A.I. PSO-based smart grid application for sizing and optimization of hybrid renewable energy systems. PLoS ONE 2016, 11, e0159702. [Google Scholar] [CrossRef] [PubMed]









| Algorithm | PICL | PIW | PIB | Fuzzy Function |
|---|---|---|---|---|
| LUBE-GA | 89.8729 | 27.5210 | 12.5624 | 0.22166 |
| LUBE-PSO | 90.4106 | 24.4186 | 9.5277 | 0.10532 |
| LUBE-TLA | 92.1732 | 25.3168 | 7.4624 | 0.11167 |
| LUBE-MTLA | 94.8264 | 21.5539 | 6.2764 | 0.04234 |
| Cyber Attack | HR (%) | MR (%) | FR (%) | CR (%) |
|---|---|---|---|---|
| FDIA | 95.23% | 4.76% | 9.52% | 90.47% |
| Replay Attack | 94.11% | 5.88% | 2.59% | 97.41% |
| Time-Delay Attack | 93.28% | 6.71% | 1.87% | 98.13% |
| Outlier Algorithm | HR (%) | MR (%) | FR (%) | CR (%) |
|---|---|---|---|---|
| Conservative LUBE | 86.21% | 13.79% | 11.40% | 89.60% |
| Support Vector Machine-Based LUBE | 91.93% | 8.07% | 8.52% | 91.48% |
| Proposed Model | 94.22% | 5.78% | 4.66% | 95.34% |
Publisher’s Note: MDPI stays neutral with regard to jurisdictional claims in published maps and institutional affiliations. |
© 2021 by the authors. Licensee MDPI, Basel, Switzerland. This article is an open access article distributed under the terms and conditions of the Creative Commons Attribution (CC BY) license (https://creativecommons.org/licenses/by/4.0/).
Share and Cite
Zeng, L.; Xia, T.; Elsayed, S.K.; Ahmed, M.; Rezaei, M.; Jermsittiparsert, K.; Dampage, U.; Mohamed, M.A. A Novel Machine Learning-Based Framework for Optimal and Secure Operation of Static VAR Compensators in EAFs. Sustainability 2021, 13, 5777. https://doi.org/10.3390/su13115777
Zeng L, Xia T, Elsayed SK, Ahmed M, Rezaei M, Jermsittiparsert K, Dampage U, Mohamed MA. A Novel Machine Learning-Based Framework for Optimal and Secure Operation of Static VAR Compensators in EAFs. Sustainability. 2021; 13(11):5777. https://doi.org/10.3390/su13115777
Chicago/Turabian StyleZeng, Li, Tian Xia, Salah K. Elsayed, Mahrous Ahmed, Mostafa Rezaei, Kittisak Jermsittiparsert, Udaya Dampage, and Mohamed A. Mohamed. 2021. "A Novel Machine Learning-Based Framework for Optimal and Secure Operation of Static VAR Compensators in EAFs" Sustainability 13, no. 11: 5777. https://doi.org/10.3390/su13115777
APA StyleZeng, L., Xia, T., Elsayed, S. K., Ahmed, M., Rezaei, M., Jermsittiparsert, K., Dampage, U., & Mohamed, M. A. (2021). A Novel Machine Learning-Based Framework for Optimal and Secure Operation of Static VAR Compensators in EAFs. Sustainability, 13(11), 5777. https://doi.org/10.3390/su13115777

