Reduction of Inrush Current in a Shockwave Non-Thermal Food Processing System Using an Exponential Clock Pulse Generator
Abstract
1. Introduction
2. Non-Thermal Food Processing System Utilizing Underwater Shockwaves
2.1. System Configuration
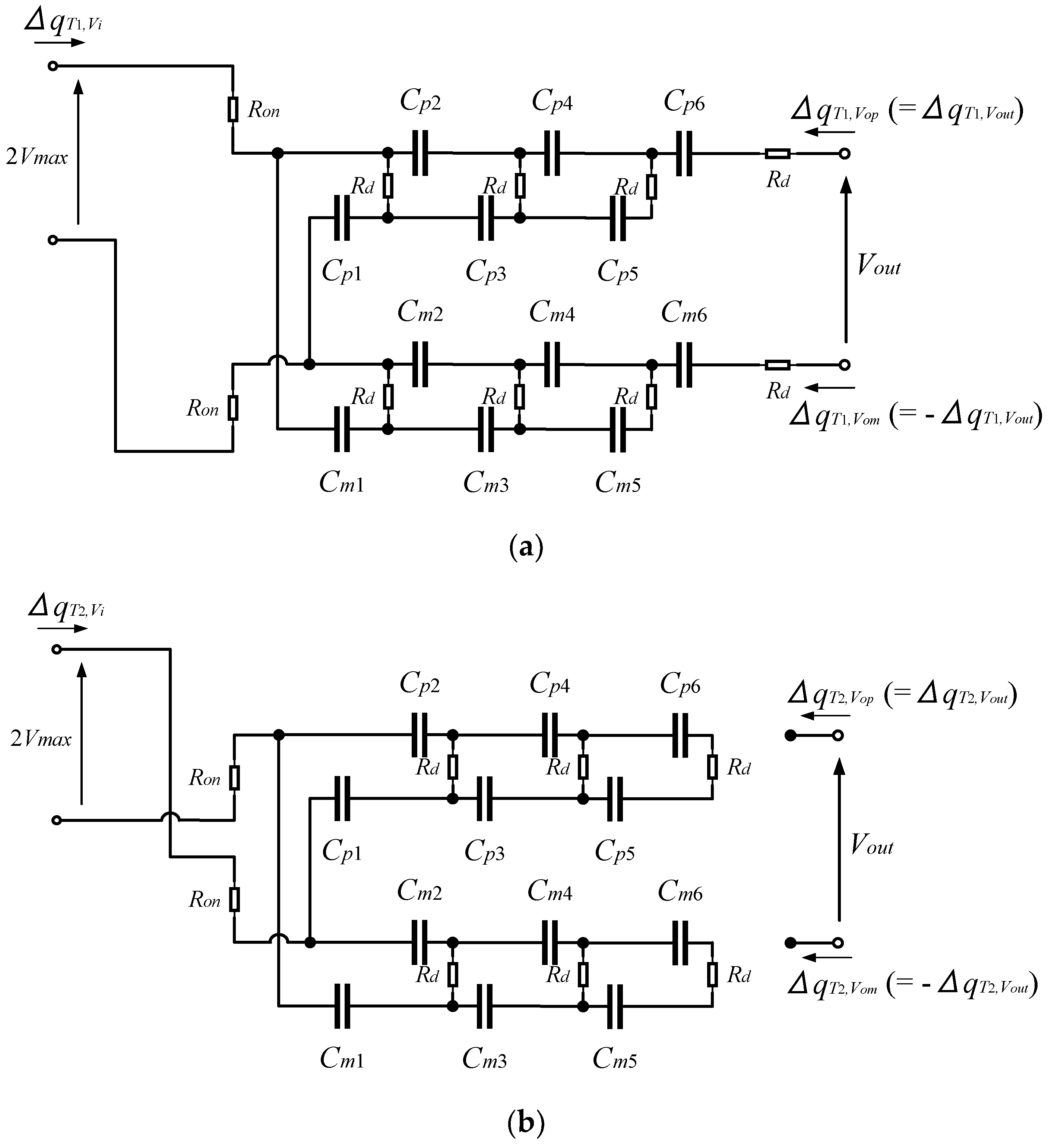
2.2. High Voltage Generator
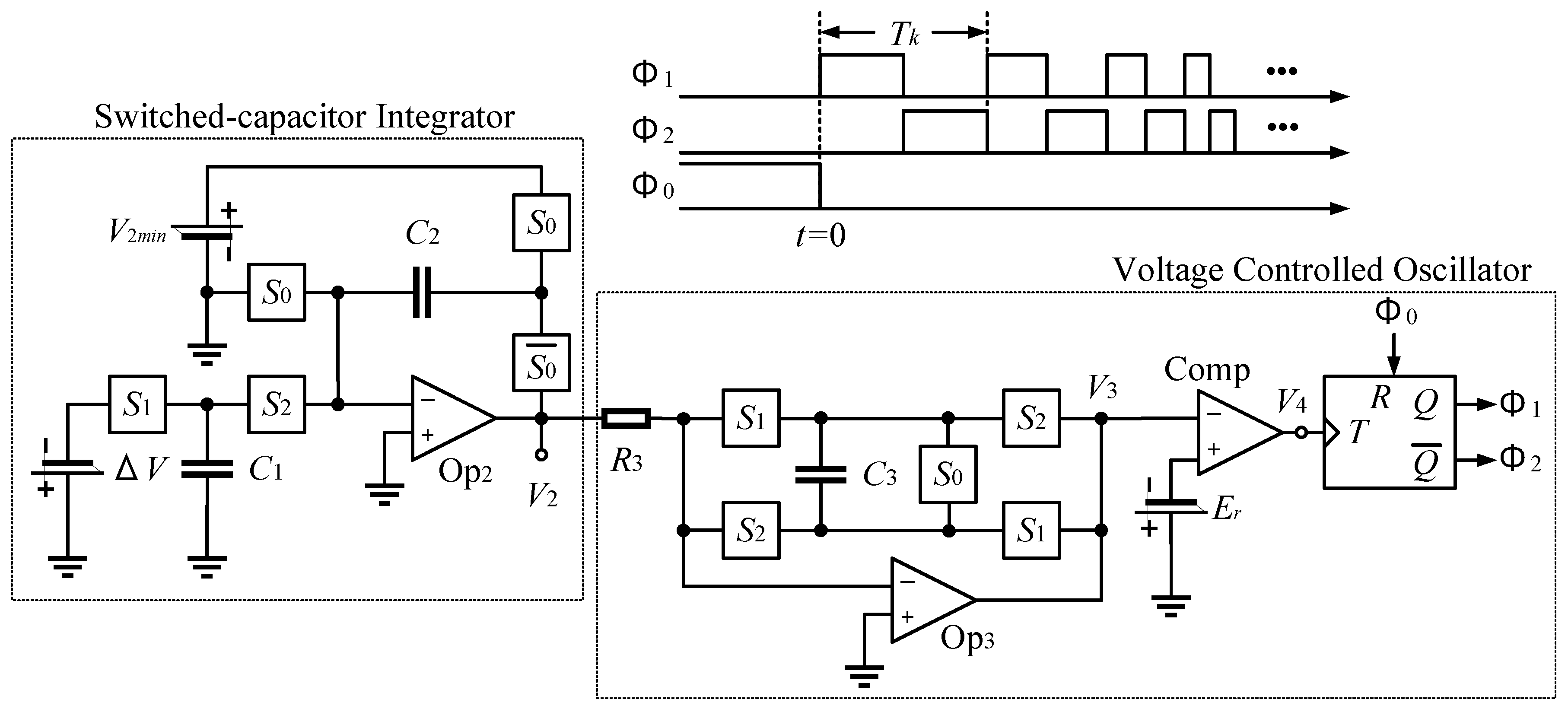
2.3. Clock Pulse Generator
2.4. Electrodes for Pulsed Wire Discharge
3. Experimental Study
3.1. Experimental Setup of the Non-Thermal Food Processing System
3.2. Reduction of Inrush Currents by the Exponential Clock Pulse Generator
3.3. Non-Thermal Food Processing Utilizing Underwater Shockwaves
4. Conclusions
Author Contributions
Funding
Conflicts of Interest
References
- Garcia-Gonzalez, L.; Geeraerd, A.H.; Spilimbergo, S.; Elst, K.; Van Ginneken, L.; Debevere, J.; Van Impe, J.F.; Devlieghere, F. High pressure carbon dioxide inactivation of microorganisms in foods: The past, the present and the future. Int. J. Food Microbiol. 2007, 17, 1–28. [Google Scholar] [CrossRef]
- Rastogi, N.K. Application of high-intensity pulsed electrical fields in food processing. Food Rev. Int. 2003, 19, 229–251. [Google Scholar] [CrossRef]
- Valizadeh, R.; Kargarsana, H.; Shojaei, M.; Mehbodnia, M. Effect of high intensity pulsed electric fields on microbial inactivation of cow milk. J. Anim. Vet. Adv. 2009, 8, 2638–2643. [Google Scholar]
- Stoica, M.; Mihalcea, L.; Borda, D.; Alexe, P. Non-thermal novel food processing technologies. An overview. J. Agroaliment. Process. Technol. 2013, 19, 212–217. [Google Scholar]
- Wang, C.Y.; Huang, H.W.; Hsu, C.P.; Yang, B.B. Recent Advances in Food Processing Using High Hydrostatic Pressure Technology. Crit. Rev. Food Sci. Nutr. 2016, 56, 527–540. [Google Scholar] [CrossRef]
- Chawla, R.; Patil, G.R.; Singh, A.K. High hydrostatic pressure technology in dairy processing: A review. J. Food Sci. Technol. 2011, 48, 260–268. [Google Scholar] [CrossRef]
- Hartyáni, P.; Dalmadi, L.; Cserhalmi, Z.; Kántor, D.B.; Tóth-Markus, M.; Sass-Kiss, A. Physical–chemical and sensory properties of pulsed electric field and high hydrostatic pressure treated citrus juices. Innov. Food Sci. Emerg. Technol. 2011, 12, 255–260. [Google Scholar] [CrossRef]
- Vega-Gálvez, A.; Giovagnoli, C.; Pérez-Won, M.; Reyes, J.E.; Vergara, J.; Miranda, M.; Uribe, E.; Scala, K.D. Application of high hydrostatic pressure to aloe vera (Aloe barbadensis Miller) gel: Microbial inactivation and evaluation of quality parameters. Innov. Food Sci. Emerg. Technol. 2012, 13, 57–63. [Google Scholar] [CrossRef]
- Devlieghere, F.; Vermeiren, L.; Debevere, J. New preservation technologies: Possibilities and limitations. Int. Dairy J. 2004, 14, 273–285. [Google Scholar] [CrossRef]
- Bilbao-Sáinz, C.; Younce, F.L.; Rascom, B.; Clark, S. Protease stability in bovine milk under combined thermal-high hydrostatic pressure treatment. Innov. Food Sci. Emerg. Technol. 2009, 10, 314–320. [Google Scholar] [CrossRef]
- Boussetta, N.; Lanoisellé, J.L.; Bedel-Cloutour, C.; Vorobiev, E. Extraction of soluble matter from grape pomace by high voltage electrical discharges for polyphenol recovery: Effect of sulphur dioxide and thermal treatments. J. Food Eng. 2009, 95, 192–198. [Google Scholar] [CrossRef]
- Moubarik, A.; El-Belghiti, K.; Vorobiev, E. Kinetic model of solute aqueous extraction from Fennel (Foeniculum vulgare) treated by pulsed electric field, electrical discharges and ultrasonic irradiations. Food Bioprod. Process. 2011, 89, 356–361. [Google Scholar] [CrossRef]
- Boussetta, N.; Vorobiev, E.; Reess, T.; De Ferron, A.; Pecastaing, L.; Ruscassié, R.; Lanoisellé, J.L. Scale-up of high voltage electrical discharges for polyphenols extraction from grape pomace: Effect of the dynamic shock waves. Innov. Food Sci. Emerg. Technol. 2012, 16, 129–136. [Google Scholar] [CrossRef]
- Jayaram, S.; Castle, G.S.P.; Margaritis, A. Effects of high electric field pulses on Lactobacillus brevis at elevated temperatures. IEEE Ind. Appl. Soc. Annu. Meet. 1991, 5, 674–681. [Google Scholar]
- García, D.; Gómez, N.; Mañas, P.; Raso, J.; Pagán, R. Pulsed electric fields cause bacterial envelopes permeabilization depending on the treatment intensity, the treatment medium Ph and the microorganism investigated International. J. Food Microbiol. 2007, 113, 219–227. [Google Scholar] [CrossRef] [PubMed]
- Grimi, N.; Mamouni, F.; Lebovka, N.; Vorobiev, E.; Vaxelaire, J. Impact of apple processing modes on extracted juice quality: Pressing assisted by pulsed electric fields. J. Food Eng. 2011, 103, 52–61. [Google Scholar] [CrossRef]
- Syed, Q.A.; Ishaq, A.; Rahman, U.U.; Aslam, S.; Shukat, R. Pulsed electric field technology in food preservation: A review. Nutr. Health Food Eng. 2017, 6, 168–172. [Google Scholar]
- Min, S.; Evrendilek, G.; Zhang, H. Pulsed Electric Fields: Processing system, microbial and enzyme inhibition, and shelf life extension of foods. IEEE Trans. Plasma Sci. 2007, 35, 59–73. [Google Scholar] [CrossRef]
- Niemira, B.A. Cold plasma decontamination of foods. Annu. Rev. Food Sci. Technol. 2012, 3, 125–142. [Google Scholar] [CrossRef]
- Deng, S.; Ruan, R.; Mok, C.K.; Huang, G.; Lin, X.; Chen, P. Inactivation of Escherichia coli on almonds using nonthermal plasma. J. Food Sci. 2007, 72, M62–M66. [Google Scholar] [CrossRef]
- Misra, N.; Tiwari, B.; Raghavarao, K.; Cullen, P. Nonthermal plasma inactivation of food-borne pathogens. Food Eng. Rev. 2011, 3, 159–170. [Google Scholar] [CrossRef]
- Shimojima, K.; Miyafuji, Y.; Naha, K.; Higa, O.; Matsubara, R.; Higa, K.; Higa, Y.; Matsui, T.; Takemoto, A.; Tanaka, S.; et al. Development of the rice-powder manufacturing system using underwater shock wave. Int. J. Multiphys. 2012, 6, 355–364. [Google Scholar] [CrossRef]
- Higa, O.; Shimojima, K.; Higa, Y.; Takemoto, A.; Itoh, S.; Yasuda, A.; Iyama, H.; Watanabe, T. Production of Rice Powder Milling Flour Device and Characterization by Numerical Simulation. In Proceedings of the ASME 2016 Pressure Vessels & Piping Division Conference, Vancouver, BC, Canada, 17–21 July 2016; p. PVP2016-63588. [Google Scholar]
- Shimojima, K.; Higa, O.; Higa, Y.; Takemoto, A.; Iyama, H.; Yasuda, A.; Tanaka, S.; Fukami, R.; Itoh, S.; Watanabe, T. Design and production of food processing machine using under water shock wave for practical application. In Proceedings of the 15th World Congress on Advances in Nutrition, Food Science & Technology, Edinburgh, Scotland, 11–12 September 2017. [Google Scholar]
- Udagawa, Y.; Suzuki, M. Effects of Underwater Shock Waves on Artemia salina (Basic Study on Microorganisms Treatment Technology Using Underwater Shock Waves). Trans. Jpn. Soc. Mech. Eng. Ser. B 2013, 79, 804–808. [Google Scholar] [CrossRef]
- Higa, O.; Matsubara, R.; Higa, K.; Miyafuji, Y.; Gushi, T.; Omine, Y.; Naha, K.; Shimojima, K.; Fukuoka, H.; Maehara, H.; et al. Mechanism of the Shock Wave Generation and Energy Efficiency by Underwater Discharge. Int. J. Multiphys. 2012, 6, 89–97. [Google Scholar] [CrossRef]
- Shinzato, S.; Higa, Y.; Tamaki, T.; Iyama, H.; Itoh, S. Computational simulation of underwater shock wave propagation using smoothed particle hydrodynamics. Mater. Sci. Forum 2013, 767, 86–91. [Google Scholar] [CrossRef]
- Higa, Y.; Shimojima, K.; Iyama, H.; Higa, O.; Takemoto, A.; Itoh, S.; Yasuda, A. Computational simulation for evaluation of food softening treatment vessel using underwater shockwave. In Proceedings of the ASME 2016 Pressure Vessels and Piping Conference, Vancouver, BC, Canada, 17–21 July 2016; p. V004T04A007. [Google Scholar]
- Zhang, C.H.; Namihira, T.; Kiyan, T.; Nakashima, K.; Katsuki, S.; Akiyama, H.; Ito, H.; Imaizumi, Y. Investigation of shockwave produced by large volume pulsed discharge under water. In Proceedings of the IEEE Pulsed Power Conference, Monterey, CA, USA, 13–15 June 2005; pp. 1377–1380. [Google Scholar]
- Miyafuji, Y.; Shimojima, K.; Tanaka, S.; Naha, K.; Aka, T.; Maehara, H.; Itoh, S. Development of the pressure vessel for manufacturing the rice-powder using the underwater shock wave. In Proceedings of the ASME 2011 Pressure Vessels and Piping Conference, Baltimore, MA, USA, 17–21 July 2011; pp. 53–56. [Google Scholar]
- Naha, K.; Shimojima, K.; Miyafuji, Y.; Itoh, S. Development of the pressure vessel for manufacturing the rice-powder using the underwater shock wave. In Proceedings of the ASME 2012 Pressure Vessels and Piping Conference, Toronto, ON, Canada, 15–19 July 2012; pp. 49–52. [Google Scholar]
- Iyama, H.; Nishi, M.; Higa, Y.; Shimojima, K.; Higa, O.; Itoh, S. Numerical Simulation on Manufacturing of Pressure Vessel for Shock Food Processing Using Explosive Forming. In Proceedings of the ASME 2016 Pressure Vessels & Piping Division Conference, Vancouver, BC, Canada, 17–21 July 2016; p. PVP2016–64020. [Google Scholar]
- Shimojima, K.; Higa, Y.; Higa, O.; Takemoto, A.; Iyama, H.; Watanabe, T.; Kawai, H.; Hokamoto, K.; Itoh, S. Design and production of pressure vessel for food processing machine using underwater shock using measurement of particle velocity and results of numerical analysis. Int. J. Multiphys. 2019, 13, 283–293. [Google Scholar]
- Higa, O.; Yasuda, A.; Higa, Y.; Sshimojima, K.; Hokamoto, K.; Itoh, S. Optical Examination of Shockwave Propagation Induced by an Underwater Wire Explosion. Int. J. Multiphys. 2016, 10, 343–353. [Google Scholar]
- Henzan, R.; Higa, Y.; Higa, O.; Shimojima, K.; Itoh, S. Numerical Simulation of Electrical Discharge Characteristics Induced by Underwater Wire Explosion. Mater. Sci. Forum 2018, 910, 72–77. [Google Scholar] [CrossRef]
- Shimojima, K.; Higa, Y.; Higa, O.; Takemoto, A.; Kawai, H.; Hokamoto, K.; Iyama, H.; Watanabe, T.; Itoh, S. Experimental Study for the Tenderness of Meat using Underwater Shock Waves Generation by Wire Electrical Discharges. Explosion Shock Waves and High Strain Rate Phenomena. Mater. Res. Proc. 2019, 13, 35–40. [Google Scholar]
- Iyama, H.; Higa, Y.; Nishi, M.; Itoh, S. Magnesium alloy forming using underwater shock wave by wire electric discharge. Int. J. Multiphys. 2019, 13, 269–282. [Google Scholar]
- Lamantia, A.; Maranesi, P.; Radrizzani, L. The dynamics of the Cockcroft-Walton voltage multiplier. In Proceedings of the 21st Annual IEEE Conference on Power Electronics Specialists, San Antonio, TX, USA, 6 August 2002; pp. 485–490. [Google Scholar]
- Wang, J.; Luerkens, P. Complete model of parasitic capacitances in a cascade voltage multiplier in the high voltage generator. In Proceedings of the 2013 IEEE ECCE Asia Downunder, Melbourne, VIC, Australia, 3–6 June 2013; pp. 18–24. [Google Scholar]
- Young, C.H.; Ko, C.C.; Chen, M.H.; Wu, C.C. A Cockcroft-Walton voltage multiplier with PFC using ZC-ZVT auxiliary circuit. In Proceedings of the IECON 2011—37th Annual Conference of the IEEE Industrial Electronics Society, Melbourne, VIC, Australia, 7–10 November 2011; pp. 1000–1005. [Google Scholar]
- Iqbal, S.; Besar, R. A bipolar Cockcroft-Walton voltage multiplier for gas lasers. Am. J. Appl. Sci. 2007, 4, 795–801. [Google Scholar] [CrossRef][Green Version]
- Eguchi, K.; Oota, I.; Terada, S.; Zhu, H. 2x/3x step-up switched-capacitor (SC) AC-DC converters for RFID tags. Int. J. Intell. Eng. Syst. 2011, 4, 1–9. [Google Scholar]
- Iqbal, S. A hybrid symmetrical voltage multiplier. IEEE Trans. Power Electron. 2014, 29, 6–12. [Google Scholar] [CrossRef]
- Abe, K.; Sasaki, H.; Oota, I.; Eguchi, K. Improvement of an output voltage efficiency of a high voltage generator for non-thermal food processing systems. ICIC Express Lett. 2015, 9, 3087–3092. [Google Scholar]
- Eguchi, K.; Pongswatd, S.; Terada, S.; Oota, I. Parallel-connected high voltage multiplier with symmetrical structure. Appl. Mech. Mater. 2014, 619, 173–177. [Google Scholar] [CrossRef]
- Gosset, G.; Flandre, D. A very high efficiency ultra-low-power 13.56MHz voltage rectifier in 150nm SOI CMOS. In Proceedings of the 2009 IEEE International Symposium on Radio-Frequency Integration Technology (RFIT), Singapore, 9 January–11 December 2009; pp. 347–350. [Google Scholar]
- Ding, X.; Liu, Y.; Zhao, D.; Wu, W. Generalized Cockcroft-Walton Multiplier Voltage Z-Source Inverters. IEEE Trans. Power Electron. 2020, 35, 7175–7190. [Google Scholar] [CrossRef]
- Eguchi, K.; Wongjan, A.; Julsereewong, A.; Do, A.; Oota, I. Design of a high-voltage multiplier combined with Cockcroft-Walton voltage multipliers and switched-capacitor AC-AC converters. Int. J. Innov. Comput. Inf. Control 2017, 13, 1007–1019. [Google Scholar]
- Jaiwanglok, A.; Eguchi, K.; Julsereewong, A. Switched capacitor-based high voltage multiplier with 220V@50Hz input for generating underwater shockwaves. Int. J. Innov. Comput. Inf. Control 2020, 16, 1109–1116. [Google Scholar]
- Eguchi, K.; Jaiwanglok, A.; Julsereewong, A.; Asadi, F.; Abe, H.; Oota, I. Design of a non-thermal food processing system utilizing wire discharge of dual electrodes in underwater. Int. J. Innov. Comput. Inf. Control 2018, 14, 847–860. [Google Scholar]
- Aziz, A.; Terada, S.; Eguchi, K.; Oota, I. Clock generator with exponentially increasing frequency using switched-capacitor circuit. Int. J. Electr. Electron. Eng. Telecommun. 2020, 9, 49–55. [Google Scholar]
- Abe, K.; Ogata, R.; Eguchi, K.; Smerpitak, K.; Pongswatd, S. Study on non-thermal food processing utilizing an underwater shockwave. Indian J. Sci. Technol. 2017, 10, 1–5. [Google Scholar] [CrossRef]















| Topology | Gain | Response Speed | Voltage Stress on Circuit Components | |
|---|---|---|---|---|
| Conventional | Cockcroft–Walton circuit | 2N | Slow | 2Vmax |
| [38] (1990) | ||||
| Conventional | Bipolar Cockcroft–Walton voltage multiplier | 4N | Slow | 2Vmax |
| [41] (2007) | ||||
| Conventional | Cascade-connected voltage doubler | 2N | Slow | (2Vmax)N |
| [46] (2009) | ||||
| Conventional | Hybrid symmetrical voltage multiplier | 2N | Slow | 2Vmax |
| [43] (2014) | ||||
| Conventional | Bipolar Cockcroft–Walton voltage multiplier + AC/AC | 8N + 2 | Slow | 4Vmax |
| [48] (2017) | ||||
| Conventional | Series-connected bipolar voltage multiplier | 8N + 4 1 | Fast | 8Vmax 1 |
| [49] (2020) | ||||
| Conventional | Hybrid Cockcroft–Walton/Dickson multiplier | 4 × M 2 | Slow | 4Vmax |
| [47] (2020) | ||||
| Proposed | Modified bipolar Cockcroft–Walton voltage multiplier | 8N + 2 | Fast | 4Vmax |
| Block Name | Circuit Component | Value |
|---|---|---|
| Full Waveform Rectifier | Capacitor | 33 μF |
| Diode | 1N4007 | |
| Bipolar Cockcroft–Walton Circuit | Power MOSFET | 2SK447 |
| Driver IC | IR2110PBF | |
| Capacitor | 1 μF | |
| Diode | 1N4007 |
| Name | Circuit Component |
|---|---|
| Comparator Comp | LM311N |
| Operational amplifiers Op2, Op2 | LM318 |
| CMOS switches S0, , S1, S2 | TC4066 |
| Flip-flop | TC4013 |
| Name | Value |
|---|---|
| Capacitor C1 | 0.1 nF |
| Capacitor C2 | 4.7 nF |
| Capacitor C3 | 47.8 nF |
| Resistor R1 | 0.95 kΩ |
| Step voltage | 0.4 V |
| Reference voltage | 3.0 V |
| Before Processing | After Processing | |
|---|---|---|
| Traditional | 147.8 | 73.5 |
| Proposed (Left side) | 138.5 | 70.6 |
| Proposed (Right side) | 136.7 | 64.2 |
© 2020 by the authors. Licensee MDPI, Basel, Switzerland. This article is an open access article distributed under the terms and conditions of the Creative Commons Attribution (CC BY) license (http://creativecommons.org/licenses/by/4.0/).
Share and Cite
Eguchi, K.; Asadi, F.; Shibata, A.; Abe, H.; Oota, I. Reduction of Inrush Current in a Shockwave Non-Thermal Food Processing System Using an Exponential Clock Pulse Generator. Sustainability 2020, 12, 6095. https://doi.org/10.3390/su12156095
Eguchi K, Asadi F, Shibata A, Abe H, Oota I. Reduction of Inrush Current in a Shockwave Non-Thermal Food Processing System Using an Exponential Clock Pulse Generator. Sustainability. 2020; 12(15):6095. https://doi.org/10.3390/su12156095
Chicago/Turabian StyleEguchi, Kei, Farzin Asadi, Akira Shibata, Hiroto Abe, and Ichirou Oota. 2020. "Reduction of Inrush Current in a Shockwave Non-Thermal Food Processing System Using an Exponential Clock Pulse Generator" Sustainability 12, no. 15: 6095. https://doi.org/10.3390/su12156095
APA StyleEguchi, K., Asadi, F., Shibata, A., Abe, H., & Oota, I. (2020). Reduction of Inrush Current in a Shockwave Non-Thermal Food Processing System Using an Exponential Clock Pulse Generator. Sustainability, 12(15), 6095. https://doi.org/10.3390/su12156095

