A System Engineering Approach Using FMEA and Bayesian Network for Risk Analysis—A Case Study
Abstract
1. Introduction
2. Description of PEMFC and Power Conditioner
2.1. PEMFC System
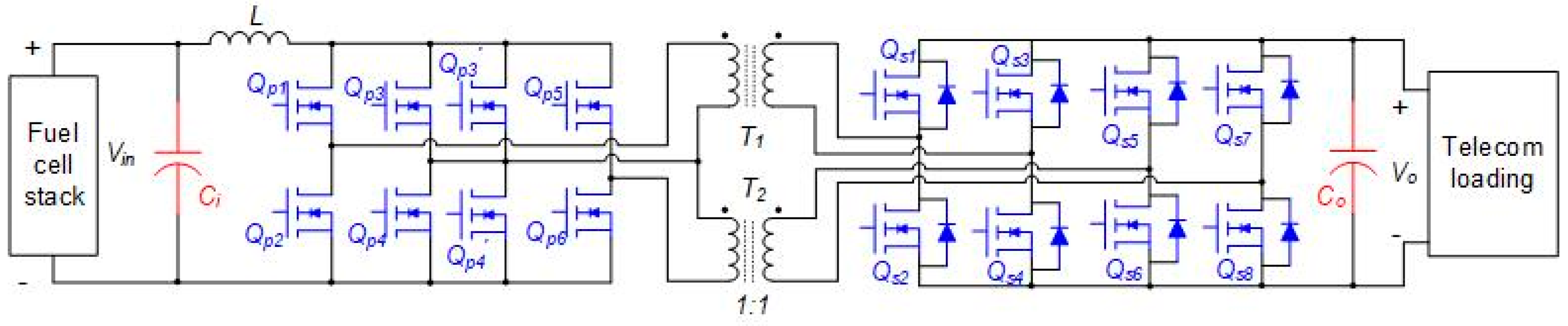
2.2. Power Conditioner Sub-System
3. System Engineering Approach Based FMEA of Power Conditioner
3.1. Boundary Diagram and FMEA Interface Matrix
3.2. Function Block Diagram and Parameter Diagram
3.3. Relationship of Functions and Failure Modes
3.4. FMEA Results
4. Risk Analysis
5. Bayesian Network
- Joint failure modes and causes are merged;
- For all failure causes two states are defined with equal probability of failure for their states: false and true;
- Conditional probability tables (CPTs) are built. The maximum entropy theory is used to specify each probability of failure. Figure 13 shows two examples of conditional probability tables (CPTs).
6. Conclusions
Author Contributions
Funding
Conflicts of Interest
References
- Barbir, F. Front Matter. In PEM Fuel Cells; Elsevier: Amsterdam, The Netherladns, 2013; p. iii. ISBN 9780123877109. [Google Scholar]
- Zawodzinski, T.A. PEM fuel cells: How things work. ACS Div. Fuel Chem. Prepr. 2004, 49, 470. [Google Scholar]
- Wu, J.; Yuan, X.Z.; Martin, J.J.; Wang, H.; Zhang, J.; Shen, J.; Wu, S.; Merida, W. A review of PEM fuel cell durability: Degradation mechanisms and mitigation strategies. J. Power Sources 2008, 184, 104–119. [Google Scholar] [CrossRef]
- Krishnan, K.J.; Kalam, A.; Zayegh, A. Experimental investigation of H2 generator and PEM fuel cell as a remote area back-up power. Procedia Eng. 2012, 49, 66–73. [Google Scholar] [CrossRef]
- Modarres, M. Risk Analysis in Engineering: Techniques, Tools, and Trends; CRC Press: Boca Raton, FL, USA, 2006. [Google Scholar]
- Rastayesh, S.; Bahrebar, S.; Sepanloo, K. Time Dependent Reliability of Emergency Diesel Generator Station. Indian J. Sci. Res. 2014, 1, 453–460. [Google Scholar]
- Bahrebar, S.; Rastayesh, S.; Sepanloo, K. Dynamic Availability Assessment on Tehran Research Reactor Water Cooling System. Indian J. Sci. Res. 2014, 1, 471–474. [Google Scholar]
- Rastayesh, S.; Bahrebar, S. Importance Analysis of a Typical Diesel Generator Using Dynamic Fault Tree. Int. J. Curr. Life Sci. 2014, 4, 697–700. [Google Scholar]
- Rastayesh, S.; Long, L.; Sørensen, J.D.; Thöns, S. Risk Assessment and Value of Action Analysis for Icing Conditions of Wind Turbines Close to Highways. Energies 2019, 12, 2653. [Google Scholar] [CrossRef]
- Modarres, M.; Kaminskiy, M.; Krivtsov, V. Reliability Engineering and Risk Analysis: A Practical Guide, 3rd ed.; CRC Press: Boca Raton, FL, USA, 2010. [Google Scholar]
- Barends, D.M.; Oldenhof, M.T.; Vredenbregt, M.J.; Nauta, M.J. Risk analysis of analytical validations by probabilistic modification of FMEA. J. Pharm. Biomed. Anal. 2012, 64–65, 82–86. [Google Scholar] [CrossRef]
- Narayanagounder, S.; Gurusami, K. A New Approach for Prioritization of Failure Modes in Design FMEA using ANOVA. World Acad. Sci. Eng. Technol. 2009, 3, 524–531. [Google Scholar]
- Rhee, S.J.; Ishii, K. Using cost based FMEA to enhance reliability and serviceability. Adv. Eng. Inform. 2003, 17, 179–188. [Google Scholar] [CrossRef]
- Arabian-Hoseynabadi, H.; Oraee, H.; Tavner, P.J. Failure Modes and Effects Analysis (FMEA) for wind turbines. Int. J. Electr. Power Energy Syst. 2010, 32, 817–824. [Google Scholar] [CrossRef]
- Kim, K.O.; Zuo, M.J. General model for the risk priority number in failure mode and effects analysis. Reliab. Eng. Syst. Saf. 2018, 169, 321–329. [Google Scholar] [CrossRef]
- Whiteley, M.; Dunnett, S.; Jackson, L. Failure Mode and Effect Analysis, and Fault Tree Analysis of Polymer Electrolyte Membrane Fuel Cells. Int. J. Hydrogen Energy 2016, 41, 1187–1202. [Google Scholar] [CrossRef]
- Benmouna, A.; Becherif, M.; Depernet, D.; Gustin, F.; Ramadan, H.S.; Fukuhara, S. Fault diagnosis methods for Proton Exchange Membrane Fuel Cell system. Int. J. Hydrogen Energy 2017, 42, 1534–1543. [Google Scholar] [CrossRef]
- Nielsen, J.J.; Sørensen, J.D. Bayesian Networks as a Decision Tool for O&M of Offshore Wind Turbines. In ASRANet, Proceedings of the Integrating Stuctural Analysis, Risk & Reliability: 5th International ASRANet Conference, Edinburgh, UK, 14–16 June 2010; ASRANet Ltd.: Glasgow, UK, 2010. [Google Scholar]
- Trukhanov, S.V.; Troyanchuk, I.O.; Trukhanov, A.V.; Fita, I.M.; Vasil’ev, A.N.; Maignan, A.; Szymczak, H. Magnetic properties of La0.70Sr0.30MnO2.85 anion-deficient manganite under hydrostatic pressure. JETP Lett. 2006, 83, 33–36. [Google Scholar] [CrossRef]
- Trukhanov, S.V.; Trukhanov, A.V.; Turchenko, V.A.; Trukhanov, A.V.; Tishkevich, D.I.; Trukhanova, E.L.; Zubar, T.I.; Karpinsky, D.V.; Kostishyn, V.G.; Panina, L.V.; et al. Magnetic and dipole moments in indium doped barium hexaferrites. J. Magn. Magn. Mater. 2018, 457, 83–96. [Google Scholar] [CrossRef]
- Trukhanov, A.V.; Grabchikov, S.S.; Solobai, A.A.; Tishkevich, D.I.; Trukhanov, S.V.; Trukhanova, E.L. AC and DC-shielding properties for the Ni80Fe20/Cu film structures. J. Magn. Magn. Mater. 2017, 443, 142–148. [Google Scholar] [CrossRef]
- Arpaia, P.; Buzio, M.; Capatina, O.; Eiler, K.; Langeslag, S.A.E.; Parrella, A.; Templeton, N.J. Effects of temperature and mechanical strain on Ni-Fe alloy CRYOPHY for magnetic shields. J. Magn. Magn. Mater. 2019, 475, 514–523. [Google Scholar] [CrossRef]
- Zhang, J. PEM Fuel Cell Electrocatalysts and Catalyst Layers: Fundamentals and Applications; Springer Science & Business Media: Berlin/Heidelberg, Germany, 2008; ISBN 9781848009356. [Google Scholar]
- Zhou, D.; Wang, H.; Blaabjerg, F.; Kor, S.K.; Blom-Hansen, D. System-level reliability assessment of power stage in fuel cell application. In Proceedings of the 2016 IEEE Energy Conversion Congress and Exposition (ECCE), Milwaukee, WI, USA, 18–22 September 2016; pp. 1–8. [Google Scholar]
- Bahrebar, S.; Zhou, D.; Rastayesh, S.; Wang, H.; Blaabjerg, F. Reliability assessment of power conditioner considering maintenance in a PEM fuel cell system. Microelectron. Reliab. 2018, 88–90, 1177–1182. [Google Scholar] [CrossRef]
- Zhou, D.; Wang, H.; Blaabjerg, F. Mission Profile Based System-Level Reliability Analysis of DC/DC Converters for a Backup Power Application. IEEE Trans. Power Electron. 2018, 33, 8030–8039. [Google Scholar] [CrossRef]
- Jensen, F.; Morris, A.S.; Levin, M.A.; Kalal, T.T.; Pascoe, N.; Carlson, C. Effective FMEAs; Wiely: Hoboken, NJ, USA, 2012. [Google Scholar]
- Rastayesh, S.; Bahrebar, S.; Bahman, A.S.; Sørensen, J.D.; Blaabjerg, F. Lifetime Estimation and Failure Risk Analysis in a Power Stage Used in Wind-Fuel Cell Hybrid Energy Systems. Electronics 2019, 8, 1412. [Google Scholar] [CrossRef]
- Faber, M.H. Statistics and Probability Theory; Topics in Safety, Risk, Reliability and Quality; Springer: Dordrecht, The Netherlands, 2012; Volume 18, ISBN 978-94-007-4055-6. [Google Scholar]
- Kjaerulff, U.B.; Madsen, A.L. Bayesian Networks and Influence Diagrams: A Guide to Construction and Analysis; Springer: New York, NY, USA, 2008; ISBN 9780387741017. [Google Scholar]
- Hamza, Z.; Abdallah, T. Mapping Fault Tree into Bayesian Network in safety analysis of process system. In Proceedings of the 2015 4th International Conference on Electrical Engineering (ICEE), Bounerdes, Algeria, 13–15 December 2015; pp. 1–5. [Google Scholar]














| PEMFC | Balance of Plant | PEMFC Stack | Power Conditioner |
|---|---|---|---|
| Balance of plant | PMED1 | ||
| PEMFC stack | PMED1 | PE1 | |
| Power conditioner | PE1 |
| Power Conditioner | Auxiliary Power Supply | Power Stage | Controller | Gate Driver | PCB |
|---|---|---|---|---|---|
| Auxiliary Power Supply | PED1 | PD1 | PED1 | P1 | |
| Power Stage | PED1 | PED1 | P1 | ||
| Controller | PD1 | PD1 | P1 | ||
| Gate Driver | PED1 | PED1 | PD1 | P1 | |
| PCB | P1 | P1 | P1 | P1 |
| ID | Item | Function | Failure Mode | Failure Causes | Failure Effects | S | O | D | R P N |
|---|---|---|---|---|---|---|---|---|---|
| 1.1.2.1 | MOSFET | Switch electrical current at desired time interval | Short circuit, loss of gate control, and increased leakage current due to gate oxide | High temperature | Time dependent dielectric breakdown | 9 | 7 | 5 | 315 |
| High electric field | |||||||||
| Over-voltage | |||||||||
| Control electrical current | High power dissipation, loss of gate control and device burn-out due to silicon die | High electric field | Latch-up, Increased forward voltage | 8 | 7 | 5 | 280 | ||
| Over-voltage | |||||||||
| Ionizing radiation | |||||||||
| Rectify current at desired time interval | High leakage current due to substrate interface | High temperature | Hot electrons | 8 | 7 | 8 | 448 | ||
| High current | |||||||||
| Over-voltage | |||||||||
| High current density | |||||||||
| Protection and regulation | Open circuit due to bond wire and die attach | High temperature | Bond-wire cracking, lift-off; delamination of die attach | 7 | 4 | 6 | 168 | ||
| High current density | |||||||||
| 1.1.2.2 | Capacitor | Store the electrical power | Short circuit between electrodes | Excessive applied voltage | Unable to store | 9 | 4 | 6 | 216 |
| Stabilize the DC voltage | Open circuit | Mechanical stress | Breakdown of terminal leads and corrosion | 8 | 4 | 8 | 256 | ||
| Use of adhesive/coating material | |||||||||
| Filtering and tuning circuit | Current and electrolyte evaporation | Deterioration of sealant material | Insufficient sealing | 7 | 7 | 8 | 392 | ||
| Control and provide safety in operation | Capacitance reduction | Excessive ripple current | Electrolyte reduction, anode foil capacitance reduction, cathode foil capacitance reduction and deterioration of oxide film | 7 | 7 | 6 | 294 | ||
| High temperature | |||||||||
| Excessive applied voltage | |||||||||
| Reverse voltage applied | |||||||||
| 1.1.2.3 | Transformer | Increase or decrease power from one voltage level to another level | Short circuit between windings and core, besides short circuit between primary and secondary windings | High temperature | Impaired/improper operation | 9 | 4 | 6 | 216 |
| Electrical overstress | |||||||||
| Poor isolation | Impaired/improper operation | ||||||||
| Low dielectric withstanding voltage | |||||||||
| Connection between windings and core for induction and keeping frequency the same | Open circuit between windings and core | High Temperature | Does not connect | 8 | 4 | 6 | 192 | ||
| Provide electrical isolation between source and load where it is connected | Leakage inductance | Faulty design and manufacturing techniques | Impaired/improper operation | 5 | 3 | 7 | 105 | ||
| Store electromagnetism energy for reinforcement and boost-buck in circuit | Corona discharge and current losses | Poor design | High heat dissipation | 4 | 4 | 7 | 112 | ||
| 1.1.2.4 | Choke | Store of energy in magnetic field in the coil | Short circuit between windings and core | Nicks and kink in the wire | Does not connect | 9 | 3 | 7 | 189 |
| High temperature | |||||||||
| Resist changes of the flowing current | Open circuit between windings and core | Thermal overstress | Limited or not operation | 8 | 4 | 6 | 192 | ||
| Wear-out of winding insulation | |||||||||
| Smoothing or filtering the outputs from the rectifying circuits | Measured value is not the specified value | Manufacturing defect | Improper operation | 7 | 3 | 7 | 147 | ||
| Improper assembly/soldering | |||||||||
| Faulty layout and mounting of components | |||||||||
| Use boost-buck circuit and provide a high initial voltage | Inductance leakage and does not properly work | Overload and overstress | Does not function properly | 6 | 4 | 7 | 168 |
| Failure Cause | MOSFET Probability of Failure (%) |
|---|---|
| High Temperature | 82.97 |
| Over Voltage | 79.78 |
| High Current Density | 77.00 |
| High Electric Field | 73.93 |
| Ionizing Radiation | 68.67 |
© 2019 by the authors. Licensee MDPI, Basel, Switzerland. This article is an open access article distributed under the terms and conditions of the Creative Commons Attribution (CC BY) license (http://creativecommons.org/licenses/by/4.0/).
Share and Cite
Rastayesh, S.; Bahrebar, S.; Blaabjerg, F.; Zhou, D.; Wang, H.; Dalsgaard Sørensen, J. A System Engineering Approach Using FMEA and Bayesian Network for Risk Analysis—A Case Study. Sustainability 2020, 12, 77. https://doi.org/10.3390/su12010077
Rastayesh S, Bahrebar S, Blaabjerg F, Zhou D, Wang H, Dalsgaard Sørensen J. A System Engineering Approach Using FMEA and Bayesian Network for Risk Analysis—A Case Study. Sustainability. 2020; 12(1):77. https://doi.org/10.3390/su12010077
Chicago/Turabian StyleRastayesh, Sima, Sajjad Bahrebar, Frede Blaabjerg, Dao Zhou, Huai Wang, and John Dalsgaard Sørensen. 2020. "A System Engineering Approach Using FMEA and Bayesian Network for Risk Analysis—A Case Study" Sustainability 12, no. 1: 77. https://doi.org/10.3390/su12010077
APA StyleRastayesh, S., Bahrebar, S., Blaabjerg, F., Zhou, D., Wang, H., & Dalsgaard Sørensen, J. (2020). A System Engineering Approach Using FMEA and Bayesian Network for Risk Analysis—A Case Study. Sustainability, 12(1), 77. https://doi.org/10.3390/su12010077

