Cooperation of Voltage Controlled Active Power Filter with Grid-Connected DGs in Microgrid
Abstract
1. Introduction
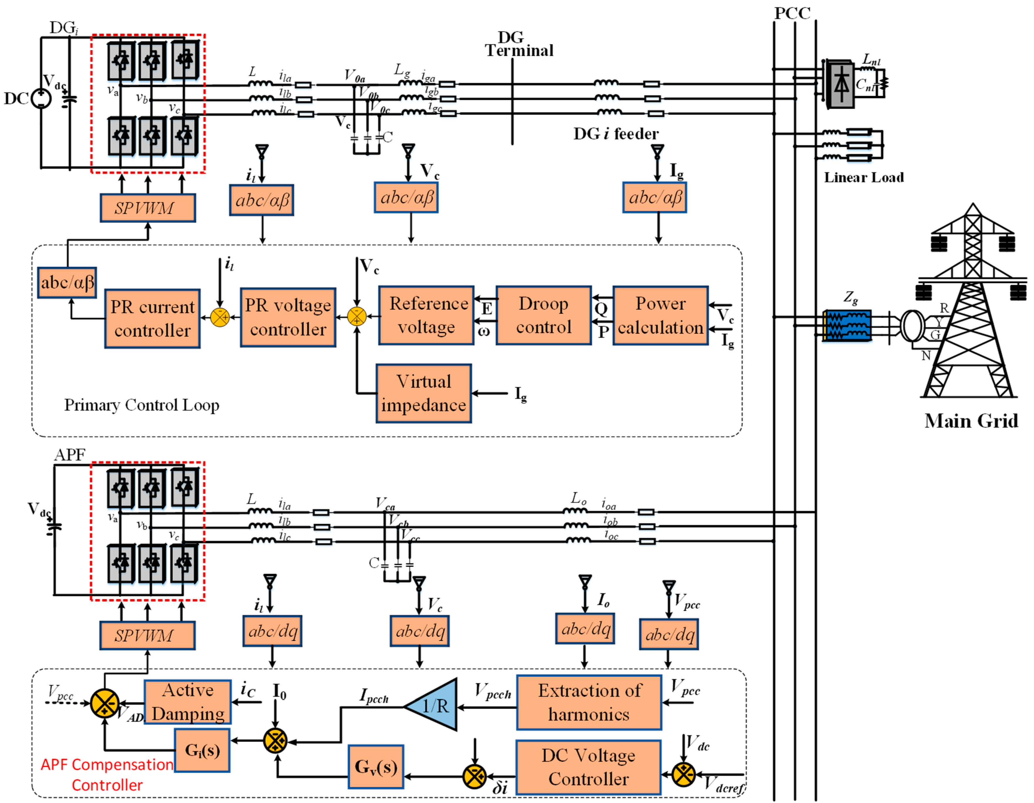
2. Control Architecture (DGs+APF)
3. Primary Control of DG
3.1. Droop Control
3.2. Virtual Impedance
3.3. Voltage and Current Controller
4. Design Procedure of the Voltage Controlled APF
4.1. DC Voltage Controller
4.2. Fundamental Current Control Loop
4.3. Harmonic Voltage Control Loop
4.4. Active Damping Compensation Control Loop
5. Comparative Simulations
6. Conclusions
Author Contributions
Funding
Acknowledgments
Conflicts of Interest
References
- Ebadian, M.; Talebi, M.; Ghanizadeh, R. A new approach based on instantaneous power theory for improving the performance of UPQC under unbalanced and distortional load conditions. Automatika 2015, 56, 226–237. [Google Scholar] [CrossRef]
- Singh, B.; Haddad, A.; Chandra, A. A review of active filters for power quality improvement. IEEE Trans. Ind. Electron. 1999, 46, 960–971. [Google Scholar] [CrossRef]
- Boukezata, B.; Chaoui, A.; Gaubert, J.P.; Hachemi, M. Power quality improvement by an active power filter in grid-connected photovoltaic systems with optimized direct power control strategy. Electr. Power Compon. Syst. 2016, 44, 2036–2047. [Google Scholar] [CrossRef]
- Dionise, T.J.; Lorch, V. Voltage distortion on an electrical distribution system. IEEE Ind. Appl. Mag. 2010, 16, 48–55. [Google Scholar] [CrossRef]
- Akagi, H. New trends in active Filters for power conditioning. IEEE Trans. Ind. Appl. 1996, 32, 1312–1322. [Google Scholar] [CrossRef]
- Khadem, S.K.; Basu, M.; Conlon, M.F. Intelligent islanding and seamless reconnection technique for microgrid with UPQC. IEEE J. Emerg. Sel. Top. Power Electron. 2015, 3, 483–492. [Google Scholar] [CrossRef]
- Jintakosonwit, P.; Fujita, H.; Akagi, H.; Ogasawara, S. Implementation and performance of cooperative control of shunt active filters for harmonic damping throughout a power distribution system. IEEE Trans. Ind. Appl. 2003, 39, 556–564. [Google Scholar] [CrossRef]
- Xie, C.; Zhao, X.; Savaghebi, M.; Meng, L.; Guerrero, J.M.; Vasquez, J.C. Multi-Rate Fractional-Order Repetitive Control of Shunt Active Power Filter. IEEE J. Emerg. Sel. Top. Power Electron. 2016, 5, 809–819. [Google Scholar] [CrossRef]
- Khadem, S.K.; Basu, M.; Conlon, M.F. Parallel operation of inverters and active power filters in distributed generation system—A review. Renew. Sustain. Energy Rev. 2011, 15, 5155–5168. [Google Scholar] [CrossRef]
- Green, T.C.; Marks, J.H. Control techniques for active power filters. IEE Proc. Electr. Power Appl. 2005, 152, 369–381. [Google Scholar] [CrossRef]
- Hashempour, M.M.; Lee, T.L. Integrated Power Factor Correction and Voltage Fluctuation Mitigation of Microgrid Using STATCOM. In Proceedings of the 2017 IEEE 3rd International Future Energy Electronics Conference and ECCE Asia (IFEEC 2017—ECCE Asia), Kaohsiung, Taiwan, 3–7 June 2017; pp. 1215–1219. [Google Scholar]
- Tareen, W.U.K.; Mekhielf, S. Three-Phase Transformerless Shunt Active Power Filter with Reduced Switch Count for Harmonic Compensation in Grid-Connected Applications. IEEE Trans. Power Electron. 2018, 33, 4868–4881. [Google Scholar] [CrossRef]
- Menniti, D.; Burgio, A.; Pinnarelli, A.; Sorrentino, N. Grid-interfacing active power filters to improve the power quality in a microgrid. In Proceedings of the 13th International Conference on Harmonics and Quality of Power, Wollongong, NSW, Australia, 28 September–1 October 2008; pp. 1–6. [Google Scholar]
- Mindykowski, J.; Xiaoyan, X.; Tarasiuk, T. A new concept of harmonic current detection for shunt active power filters control. Meas. J. Int. Meas. Confed. 2013, 46, 4334–4341. [Google Scholar] [CrossRef]
- Yeetum, W.; Kinnares, V. Parallel Active Power Filter Based on Source Current Detection for Anti-Parallel Resonance with Robustness to Parameter Variations in Power Systems. IEEE Trans. Ind. Electron. 2019, 66, 876–886. [Google Scholar] [CrossRef]
- Hashempour, M.M.; Savaghebi, M.; Vasquez, J.C.; Guerrero, J.M. A control architecture to coordinate distributed generators and active power filters coexisting in a microgrid. IEEE Trans. Smart Grid 2016, 7, 2325–2336. [Google Scholar] [CrossRef]
- He, J.; Li, Y.W.; Munir, M.S. A flexible harmonic control approach through voltage-controlled DG-grid interfacing converters. IEEE Trans. Ind. Electron. 2012, 59, 444–455. [Google Scholar] [CrossRef]
- Nagarapu, S.; Khamuruddin, S.; Kumaraswamy, D. Grid Interconnection of Renewable Energy Sources with Power-Quality Improvement Features. IEEE Trans. Power Deliv. 2010, 3, 23–28. [Google Scholar]
- Zhao, X.; Meng, L.; Xie, C.; Guerrero, J.M.; Wu, X.; Vasquez, J.C.; Savaghebi, M. A voltage feedback based harmonic compensation strategy for current-controlled converters. IEEE Trans. Ind. Appl. 2018, 54, 2616–2627. [Google Scholar] [CrossRef]
- Zhao, X.; Meng, L.; Xie, C.; Guerrero, J.M.; Wu, X. A Unified Voltage Harmonic Control Strategy for Coordinated Compensation with VCM and CCM Converters. IEEE Trans. Power Electron. 2018, 33, 7132–7147. [Google Scholar] [CrossRef]
- Munir, H.M.; Zou, J.; Xie, C.; Li, K.; Zhao, X.; Guerrero, J.M. Direct harmonic voltage control strategy for shunt active power filter. In Proceedings of the IECON 2017—43rd Annual Conference of the IEEE Industrial Electronics Society, Beijing, China, 29 October–1 November 2017; pp. 1101–1106. [Google Scholar]
- Noroozian, R.; Gharehpetian, G.B. An investigation on combined operation of active power filter with photovoltaic arrays. Int. J. Electr. Power Energy Syst. 2013, 46, 392–399. [Google Scholar] [CrossRef]
- Rahmani, S.; Hamadi, A.; Al-Haddad, K.; Dessaint, L.A. A combination of shunt hybrid power filter and thyristor-controlled reactor for power quality. IEEE Trans. Ind. Electron. 2014, 61, 2152–2164. [Google Scholar] [CrossRef]
- Han, B.; Bae, B.; Kim, H.; Baek, S. Combined operation of unified power-quality conditioner with distributed generation. IEEE Trans. Power Deliv. 2006, 21, 330–338. [Google Scholar] [CrossRef]
- Li, Y.W.; He, J. Distribution system harmonic compensation methods: An overview of DG-interfacing inverters. IEEE Ind. Electron. Mag. 2014, 8, 18–31. [Google Scholar] [CrossRef]
- Tareen, W.; Aamir, M.; Mekhilef, S.; Nakaoka, M.; Seyedmahmoudian, M.; Horan, B.; Memon, M.; Baig, N. Mitigation of power quality issues due to high penetration of renewable energy sources in electric grid systems using three-phase APF/STATCOM technologies: A review. Energies 2018, 11, 1491. [Google Scholar] [CrossRef]
- He, J.; Li, Y.W.; Blaabjerg, F.; Wang, X. Active harmonic filtering using current-controlled, grid-connected DG units with closed-loop power control. IEEE Trans. Power Electron. 2014, 29, 642–653. [Google Scholar]
- Sun, X.; Han, R.; Shen, H.; Wang, B.; Lu, Z.; Chen, Z. A double-resistive active power filter system to attenuate harmonic voltages of a radial power distribution feeder. IEEE Trans. Power Electron. 2016, 31, 6203–6216. [Google Scholar] [CrossRef]
- He, J.; Member, S.; Li, Y.W.; Member, S.; Bosnjak, D.; Harris, B. Investigation and Active Damping of Multiple Resonances in a Parallel-Inverter-Based Microgrid. IEEE Trans. Power Electron. 2013, 28, 234–246. [Google Scholar] [CrossRef]
- Wang, X.; Zou, J.; Zhao, J.; Xie, C.; Li, K.; Munir, H.; Josep, M.G. A Novel Model Predictive Control Strategy to Eliminate Zero Sequence Circulating Current in Paralleled Three-Level Inverters. IEEE J. Emerg. Sel. Top. Power Electron. 2018. [Google Scholar] [CrossRef]
- Xie, C.; Zhao, X.; Li, K.; Zou, J.; Josep, M.G. A New Tuning Method of Multi-Resonant Current Controllers for Grid-Connected Voltage Source Converters. IEEE J. Emerg. Sel. Top. Power Electron. 2018. [Google Scholar] [CrossRef]
- Li, H.; Han, Y.; Yang, P.; Xiong, J.; Wang, C. A Proportional Harmonic Power Sharing Scheme for Hierarchical Controlled Microgrids Considering Unequal Feeder Impedances and Nonlinear Loads. In Proceedings of the 2017 IEEE Energy Conversion Congress and Exposition (ECCE), Cincinnati, OH, USA, 1–5 October 2017; pp. 5–9. [Google Scholar]
- Mousavi, S.Y.; Jalilian, A.; Savaghebi, M.; Ge, J.M. Autonomous control of current and voltage controlled DG interface inverters for reactive power sharing and harmonics compensation in islanded microgrids. IEEE Trans. Power Electron. 2018, 33, 9375–9386. [Google Scholar] [CrossRef]
- Lee, T.L.; Cheng, P.T. Design of a new cooperative harmonic filtering strategy for distributed generation interface converters in an islanding network. IEEE Trans. Power Electron. 2007, 22, 1919–1927. [Google Scholar] [CrossRef]
- He, J.; Li, Y.W. Analysis, design, and implementation of virtual impedance for power electronics interfaced distributed generation. IEEE Trans. Ind. Appl. 2011, 47, 2525–2538. [Google Scholar] [CrossRef]
- Yepes, A.G.; Freijedo, F.D.; López, Ó.; Doval-Gandoy, J. Analysis and design of resonant current controllers for voltage-source converters by means of Nyquist diagrams and sensitivity function. IEEE Trans. Ind. Electron. 2011, 58, 5231–5250. [Google Scholar] [CrossRef]
- Basso, T.S.; DeBlasio, R. IEEE 1547 series of standards: Interconnection issues. IEEE Trans. Power Electron. 2004, 19, 1159–1162. [Google Scholar] [CrossRef]











| System Parameters | Value |
| Grid voltage | 220 V/50 Hz |
| Grid feeder | Lg = 3.3 mH, Rg = 0.15 Ω |
| Switching frequency (f), Nominal Voltage (V) | f = 10 kHz, V = 230 V |
| Reference DC link voltage | 650 V |
| DGs | |
| Input and output filter inductances + filter capacitors of DGs | L and Lg = 1.8 mH, C = 9 µF |
| Physical DG feeders | DG1 feeder inductance LDG1 = 6 mH, DG1 feeder resistance RDG1 = 0.3 Ω; DG2 feeder inductance LDG2 = 4 mH, DG2 feeder resistance RDG2 = 0.25 Ω; DG3 feeder inductance LDG3 = 2 mH, DG3 feeder resistance RDG3 = 0.15 Ω |
| Load Parameters | Value |
| Linear Load | R = 1 × 10−3 Ω, L = 10 × 10−3 H |
| Non-linear Load | LNL = 300 × 10−6 H, CNL = 250 × 10−6 F, RNL = 50 Ω |
| Unbalanced Load | R = 230 Ω |
| APF | |
| System Parameters | Value |
| LCL filter (APF converter) | Converter side inductor L = 1.8 mH, Parasitic resistance of L (R1 = 200 mΩ) Grid Side Inductor Lo = 0.9 mH, Parasitic resistance of Lo (R2 = 0.4 mΩ) Capacitor Cf = 9 µF |
| Load Parameters | Value |
| Non-Linear Load | DC Smoothing inductor, LL = 1.8 mH DC Load, RL = 150Ω |
| Voltage and Current Loops | Value |
| Kp, Ki, ωhi, ω | 0.175, 1.25, 5, 100 pi |
| Kih | (h = −5) 50, (h = 7) 40, (h = −11) 20, (h = 13) 20 and (h = −17) 10 |
| Power Control Parameters | Value |
| Active power and reactive power control | dp1 = 1 × 10−4, dq1 = 1 × 10−4; dp2 = 5 × 10−5, dq2 = 5 × 10−5; dp3 = 1 × 10−4, dq3 = 1 × 10−4 |
| Virtual harmonic resistance | Rv = 2 Ω, Lv = 6 mH |
| Test Steps | Total Harmonic Distortion (THD) % | ||||
|---|---|---|---|---|---|
| (DGs with traditional R-APF) | DG1 current | DG2 current | DG3 current | Vpcc voltage | Grid current Ig |
| 23.95% | 31.03% | 26.62% | 3.22% | 10.19% | |
| (DGs with proposed-APF) | DG1 current | DG2 current | DG3 current | Vpcc voltage | Grid current Ig |
| 3.74% | 4.78% | 4.38% | 2.28% | 1.62% | |
© 2018 by the authors. Licensee MDPI, Basel, Switzerland. This article is an open access article distributed under the terms and conditions of the Creative Commons Attribution (CC BY) license (http://creativecommons.org/licenses/by/4.0/).
Share and Cite
Munir, H.M.; Zou, J.; Xie, C.; Guerrero, J.M. Cooperation of Voltage Controlled Active Power Filter with Grid-Connected DGs in Microgrid. Sustainability 2019, 11, 154. https://doi.org/10.3390/su11010154
Munir HM, Zou J, Xie C, Guerrero JM. Cooperation of Voltage Controlled Active Power Filter with Grid-Connected DGs in Microgrid. Sustainability. 2019; 11(1):154. https://doi.org/10.3390/su11010154
Chicago/Turabian StyleMunir, Hafiz Mudassir, Jianxiao Zou, Chuan Xie, and Josep M. Guerrero. 2019. "Cooperation of Voltage Controlled Active Power Filter with Grid-Connected DGs in Microgrid" Sustainability 11, no. 1: 154. https://doi.org/10.3390/su11010154
APA StyleMunir, H. M., Zou, J., Xie, C., & Guerrero, J. M. (2019). Cooperation of Voltage Controlled Active Power Filter with Grid-Connected DGs in Microgrid. Sustainability, 11(1), 154. https://doi.org/10.3390/su11010154

