Optimal Power Scheduling for a Medium Voltage AC/DC Hybrid Distribution Network
Abstract
1. Introduction
- (1)
- The concept of DCSOP is proposed and the detailed model of DCSOP is presented.
- (2)
- A medium voltage AC/DC hybrid distribution network architecture based on ACSOP, DCSOP and interlinking converter is proposed to increase the renewable penetration and reduce operation cost.
- (3)
- An energy management scheme based on DOPF considering multiple key elements of the hybrid distribution system is proposed.
2. System Description
2.1. Generic Description of the AC/DC Hybrid Distribution Network
2.2. Flexible Demand
2.3. SOP
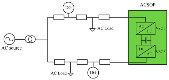
2.3.1. ACSOP
- (1)
- Flexible Power Flow Control: The back-to-back VSCs can generate the desired waveforms separately, enabling independent reactive power control at both interface terminals, which is useful for system loss reduction.
- (2)
- Instantaneous Voltage Control: The ACSOP controls its terminal voltage waveforms dynamically in milliseconds, enabling voltage profile improvement throughout the system.
- (3)
- Fault Isolation: In the system whose feeders are connected by a mechanical tie switch, the faults and disturbances can spread across the feeders. In contrast, faults and disturbances can be isolated from other normal feeders via ACSOPs, and the over-current is limited since the fault current is controllable.
2.3.2. DCSOP
3. Proposed Dispatch Scheme
3.1. Objectives
3.2. Power Balance Equations
3.3. Security Constraints
3.4. Constraints of the Distributed Generator (DG) Operation
3.5. Constraints of the Energy Storage System (ESS)
3.6. Constraints of the Interlinking Converter
3.7. Constraints of Trading with Grid
3.8. Constraints of Flexible Demand
3.9. Constraints of SOP
4. Case Study
4.1. Case 1
4.1.1. System Description
- (1)
- Scenario 1 which is a pure AC system with traditional radial architecture, and ignores the equipment, i.e., the AC/DC converter, DC flexible demand, and SOPs, is used as the reference to compare with other scenarios.
- (2)
- Based on Scenario 1, Scenario 2 is built by converting Feeder A1 and A2 into DC feeders.
- (3)
- Based on Scenario 2, Scenario 3 is built by adding an AC/DC converter which connects the AC subgrid and DC subgrid.
- (4)
- Based on Scenario 3, Scenario 4 is built by adding DC flexible demand, with the interruptible loads deployed at Bus A12 and the deferrable loads deployed at Bus A11.
- (5)
- Based on Scenario 4, Scenario 5 is built by adding an ACSOP between Bus B7 and Bus B14, and adding a DCSOP between Bus A6 and Bus A12, to form a normally closed looped network. The detailed description of Scenario 5 is shown in Figure 1.
4.1.2. Implementation
4.1.3. Results and Discussion
4.2. Case 2
4.2.1. System Description
- (1)
- Scenario 1 which is a pure AC system, is used as the reference to compare with other scenarios.
- (2)
- Based on Scenario 1, Scenario 2 is built by converting one IEEE 33-node AC system into a DC system.
- (3)
- Based on Scenario 2, Scenario 3 is built by adding an AC/DC converter which connects the AC subgrid and DC subgrid, at Bus A22 and B25.
- (4)
- Based on Scenario 3, Scenario 4 is built by adding a DC flexible demand, with the interruptible loads deployed at Bus A15 and the deferrable loads deployed at Bus A27.
- (5)
- Based on Scenario 4, Scenario 5 is built by adding an ACSOP between Bus B18 and Bus B33, and adding a DCSOP between Bus A18 and Bus A33.
4.2.2. Results and Discussion
5. Conclusions
Acknowledgments
Author Contributions
Conflicts of Interest
References
- Elsayed, A.T.; Mohamed, A.A.; Mohammed, O.A. DC microgrids and distribution systems: An overview. Electr. Power Syst. Res. 2015, 119, 407–417. [Google Scholar] [CrossRef]
- Reed, G.F.; Grainger, B.M.; Korytowski, M.J.; Taylor, E.J. Modeling, analysis, and validation of a preliminary design for a 20 kV medium voltage DC substation. In Proceedings of the IEEE Energytech, Cleveland, OH, USA, 25–26 May 2011; pp. 1–8. [Google Scholar]
- Zhang, P.; Yan, F.W.; Du, C.Q. A comprehensive analysis of energy management strategies for hybrid electric vehicles based on bibliometrics. Renew. Sustain. Energy Rev. 2015, 48, 88–104. [Google Scholar] [CrossRef]
- Deng, C.; Liang, N.; Tan, J.; Wang, G. Multi-Objective Scheduling of Electric Vehicles in Smart Distribution Network. Sustainability 2016, 8, 1234. [Google Scholar] [CrossRef]
- Jiang, H.; Zhang, Y.; Zhang, J.J.; Gao, D.W.; Muljadi, E. Synchrophasor-Based Auxiliary Controller to Enhance the Voltage Stability of a Distribution System with High Renewable Energy Penetration. IEEE Trans. Smart Grid 2015, 6, 2107–2115. [Google Scholar] [CrossRef]
- Hammerstrom, D.J. AC Versus DC Distribution Systems Did We Get it Right? In Proceedings of the IEEE Power Energy Society General Meeting, Tampa, FL, USA, 24–28 June 2007; pp. 1–5. [Google Scholar]
- Sparacino, A.R.; Grainger, B.M.; Kerestes, R.J.; Reed, G.F. Design and Simulation of a DC Electric Vehicle Charging Station Connected to a MVDC Infrastructure. In Proceedings of the IEEE Energy Conversion Congress and Exposition, Raleigh, NC, USA, 15–20 September 2012; pp. 1168–1175. [Google Scholar]
- Radwan, A.A.A.; Mohamed, Y.A.R.I. Assessment and Mitigation of Interaction Dynamics in Hybrid AC/DC Distribution Generation Systems. IEEE Trans. Smart Grid 2012, 3, 1382–1393. [Google Scholar] [CrossRef]
- Mohsenian-Rad, H.; Davoudi, A. Towards Building an Optimal Demand Response Framework for DC Distribution Networks. IEEE Trans. Smart Grid 2014, 5, 2626–2634. [Google Scholar] [CrossRef]
- Grainger, B.; Reed, G.; Mcdermott, T.; Mao, Z.; Kounev, V.; Tipper, D. Analysis of an offshore medium voltage DC microgrid environment—Part I: Power sharing controller design. In Proceedings of the IEEE PES T&D Conference and Exposition, Chicago, IL, USA, 14–17 April 2014; pp. 1–5. [Google Scholar]
- Agamy, M.; Dong, D.; Garces, L.; Zhang, Y.; Dame, M.; Wu, X. A High Power Medium Voltage Resonant Dual Active Bridge for MVDC Ship Power Networks. IEEE J. Emerg. Sel. Top. Power Electron. 2017, 5, 88–99. [Google Scholar] [CrossRef]
- Starke, M.; Tolbert, L.; Ozpineci, B. AC vs. DC distribution: A loss comparison. In Proceedings of the IEEE/PES Transmission and Distribution Conference and Exposition, Chicago, IL, USA, 21–24 April 2008; pp. 1–7. [Google Scholar]
- Eajal, A.A.; Shaaban, M.F.; Ponnambalam, K.; El-Saadany, E.F. Stochastic Centralized Dispatch Scheme for AC/DC Hybrid Smart Distribution Systems. IEEE Trans. Sustain. Energy 2016, 7, 1046–1059. [Google Scholar] [CrossRef]
- Long, C.; Wu, J.; Thomas, L.; Jenkins, N. Optimal Operation of Soft Open Points in Medium Voltage Electrical Distribution Networks with Distributed Generation. Appl. Energy 2016, 184, 427–437. [Google Scholar] [CrossRef]
- Bloemink, J.M.; Green, T.C. Increasing Distributed Generation Penetration using Soft Normally-Open Points. In Proceedings of the IEEE Power Energy Society General Meeting, Minneapolis, MN, USA, 25–29 July 2010; pp. 1–8. [Google Scholar]
- Bloemink, J.M.; Green, T.C. Increasing Photovoltaic Penetration with Local Energy Storage and Soft Normally-Open Points. In Proceedings of the IEEE Power Energy Society Genera Meeting, Detroit, MI, USA, 24–28 July 2011; pp. 1–8. [Google Scholar]
- Cao, W.; Wu, J.; Jenkins, N.; Wang, C.; Green, T. Operating Principle of Soft Open Points for Electrical Distribution Network Operation. Appl. Energy 2016, 164, 245–257. [Google Scholar] [CrossRef]
- Chub, A.; Vinnikov, D.; Blaabjerg, F.; Peng, F. A review of galvanically isolated impedance-source DC–DC converters. IEEE Trans. Power Electron. 2016, 31, 2808–2828. [Google Scholar] [CrossRef]
- Gill, S.; Kockar, I.; Ault, G.W. Dynamic Optimal Power Flow for Active Distribution Networks. IEEE Trans. Power Syst. 2014, 29, 121–131. [Google Scholar] [CrossRef]
- Beerten, J.; Cole, S.; Belmans, R. Generalized Steady-State VSC MTDC Model for Sequential AC/DC Power Flow Algorithms. IEEE Trans. Power Syst. 2012, 27, 821–829. [Google Scholar] [CrossRef]
- Shi, W.B.; Xie, X.R.; Chu, C.C.; Gadh, R. Distributed Optimal Energy Management in Microgrids. IEEE Trans. Smart Grid 2015, 6, 1137–1146. [Google Scholar] [CrossRef]
- Bignucolo, F.; Caldon, R.; Prandoni, V. Radial MV networks voltage regulation with distribution management system coordinated controller. Electr. Power Syst. Res. 2008, 78, 634–645. [Google Scholar] [CrossRef]
- Madani, R.; Sojoudi, S.; Lavaei, J. Convex Relaxation for Optimal Power Flow Problem: Mesh Networks. IEEE Trans. Power Syst. 2015, 30, 199–211. [Google Scholar] [CrossRef]
- Baradar, M.; Hesamzadeh, M.R.; Ghandhari, M. Second-Order Cone Programming for Optimal Power Flow in VSC-Type AC-DC Grids. IEEE Trans. Power Syst. 2013, 28, 4282–4291. [Google Scholar] [CrossRef]
- Huang, S.; Wu, Q.; Wang, J.; Zhao, H. A Sufficient Condition on Convex Relaxation of AC Optimal Power Flow in Distribution Networks. IEEE Trans. Power Syst. 2017, 32, 1359–1368. [Google Scholar] [CrossRef]
- Yan, W.; Liu, F.; Chung, C.Y.; Wong, K.P. A hybrid genetic algorithm-interior point method for optimal reactive power flow. IEEE Trans. Power Syst. 2006, 21, 1163–1169. [Google Scholar] [CrossRef]
- Baran, M.E.; Wu, F.F. Network reconfiguration in distribution systems for loss reduction and load balancing. IEEE Trans. Power Deliv. 1989, 4, 1401–1407. [Google Scholar] [CrossRef]
- Lantz, E.; Wiser, R.; Hand, M. The Past and Future Cost of Wind Energy. In Proceedings of the World Renewable Energy Forum, Denver, CO, USA, 13–17 May 2012; pp. 3508–3515. [Google Scholar]
- Fraunhofer ISE. Current and Future Cost of Photovoltaics. Long-Term Scenarios for Market Development, System Prices and LCOE of UtilityScale PV Systems, Study on Behalf of Agora Energiewende, Freiburg and Berlin. 2015. Available online: www.agoraenergiewende.de/fileadmin/Projekte/2014/KostenPhotovoltaik-2050/AgoraEnergiewende_Current_and_Future_Cost_of_PV_Feb2015_web.pdf (accessed on 12 February 2016).
- Wang, C.; Song, G.; Li, P.; Ji, H.; Zhao, J.; Wu, J. Optimal siting and sizing of soft open points in active electrical distribution networks. Appl. Energy 2017, 189, 301–309. [Google Scholar] [CrossRef]
















| Control Mode | VSC1 | VSC2 | Scenario |
|---|---|---|---|
| 1 | PDC control | VACθ control | Normal |
| 2 | VACθ control | PDC control | Normal |
| 3 | VDC control | VACθ control | Network fault at the VSC1 side |
| 4 | VACθ control | VDC control | Network fault at the VSC2 side |
| Scenario | Curtailment | Bus A6 | Bus B6 | Bus B14 | Total (MWh) | Cost ($10,000) |
|---|---|---|---|---|---|---|
| 1 | MWh | 10.8 | 27.3 | 10.1 | 48.2 | 1.98 |
| % | 10.3 | 30.1 | 9.7 | 9.8 | ||
| 2 | MWh | 4.9 | 27.3 | 10.1 | 42.3 | 1.93 |
| % | 4.7 | 30.1 | 9.7 | 8.6 | ||
| 3 | MWh | 4.3 | 17.4 | 6.9 | 28.6 | 1.82 |
| % | 4.1 | 19.2 | 6.7 | 5.8 | ||
| 4 | MWh | 2.7 | 9.4 | 4.8 | 16.9 | 1.72 |
| % | 2.5 | 10.3 | 4.7 | 3.4 | ||
| 5 | MWh | 0 | 0.92 | 0 | 0.92 | 1.51 |
| % | 0 | 1.0 | 0 | 0.19 |
| Scenario 1 | Scenario 2 | Scenario 3 | Scenario 4 | Scenario 5 | |
|---|---|---|---|---|---|
| Curtailment (MWh) | 13.52 | 11.96 | 8.49 | 5.32 | 1.53 |
| Cost ($1000) | 6.13 | 6.09 | 5.97 | 5.85 | 5.67 |
© 2018 by the authors. Licensee MDPI, Basel, Switzerland. This article is an open access article distributed under the terms and conditions of the Creative Commons Attribution (CC BY) license (http://creativecommons.org/licenses/by/4.0/).
Share and Cite
Zhu, Z.; Liu, D.; Liao, Q.; Tang, F.; Zhang, J.J.; Jiang, H. Optimal Power Scheduling for a Medium Voltage AC/DC Hybrid Distribution Network. Sustainability 2018, 10, 318. https://doi.org/10.3390/su10020318
Zhu Z, Liu D, Liao Q, Tang F, Zhang JJ, Jiang H. Optimal Power Scheduling for a Medium Voltage AC/DC Hybrid Distribution Network. Sustainability. 2018; 10(2):318. https://doi.org/10.3390/su10020318
Chicago/Turabian StyleZhu, Zhenshan, Dichen Liu, Qingfen Liao, Fei Tang, Jun Jason Zhang, and Huaiguang Jiang. 2018. "Optimal Power Scheduling for a Medium Voltage AC/DC Hybrid Distribution Network" Sustainability 10, no. 2: 318. https://doi.org/10.3390/su10020318
APA StyleZhu, Z., Liu, D., Liao, Q., Tang, F., Zhang, J. J., & Jiang, H. (2018). Optimal Power Scheduling for a Medium Voltage AC/DC Hybrid Distribution Network. Sustainability, 10(2), 318. https://doi.org/10.3390/su10020318

