Day-Ahead Two-Stage Bidding Strategy for Multi-Photovoltaic Storage Charging Stations Based on Bidding Space
Abstract
1. Introduction
- We propose a novel bidding space model that effectively captures the competitive and cooperative interactions among multiple charging stations.
- Building on this model, we develop a two-stage day-ahead bidding framework for multiple PSCSs and a market optimization clearing method, which is solved using the Karush–Kuhn–Tucker (KKT) conditions and pairwise theory within the MATLAB environment utilizing the GUROBI solver.
- Our model incorporates the temporal correlation between energy storage systems and PV generation, which is an aspect not addressed in the existing literature.
2. PSCS Bidding Space Model
2.1. EVC Schedulable Space
2.2. Energy Storage Dispatchable Space
3. PSCS Day-Ahead Bidding Model
3.1. PSCS Day-Ahead Bidding Strategy Framework
3.2. PSCS Bidding Model
4. Two-Stage Multi-PSCS Market Bidding
4.1. Stage I—PSCS Bidding Model
- Bidding Upper Model—PSCS Profit Maximization
- Bidding Lower Models—Market Clearance
- Game Equilibrium Analysis
4.2. Stage II—Market Clearance Optimization Model
4.3. The Linearization of the Model
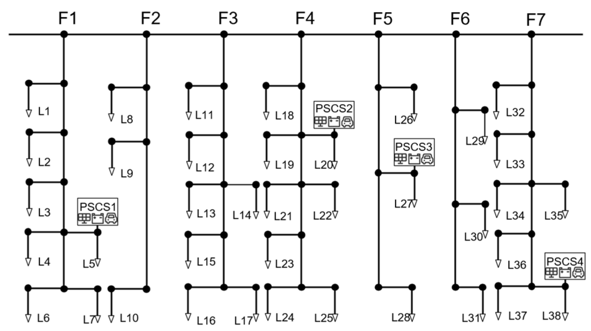
5. Case Study
5.1. Test System and Case Design
5.2. An Analysis of the Day-Ahead Charging Decision Plan
5.3. Analysis of Cost of Day-Ahead Electricity Purchased
5.4. Analysis of Quoted Prices and Quotations
6. Conclusions
Author Contributions
Funding
Data Availability Statement
Conflicts of Interest
Nomenclature
| the upper limit of electric power | |
| the upper limit of discharge power | |
| / | the lower/upper limits of the electric energy of the EVC |
| the change in the electric energy of the EVC | |
| the upper limit of PV power output | |
| the grid-connected state variable of the n-th EV | |
| / | the upper/lower limits of the rated power of the n-th EV |
| / | the upper limits of the rated charging/discharging power of the n-th EV |
| the set of EVCs aggregated by the i-th operator PSCSi | |
| / | the initial power when the n-th EV is connected to the grid/when it is off the grid |
| / | the charging/discharging power of the energy storage system of the i-th operator PSCSi |
| / | the rated charging and discharging power of the energy storage system |
| the residual power of the energy storage system | |
| the self-depletion coefficient | |
| / | the charging and discharging loss coefficients |
| the rated power | |
| the day-ahead purchase cost of PSCSi | |
| the reported tariffs of PSCSi | |
| / | the expected power purchased/sold by PSCSi |
| the EVC discharge power of PSCSi | |
| the energy storage discharge power of PSCSi | |
| the PV power of PSCSi | |
| / | the EVC and energy storage charging power of PSCSi |
| / | the upper and lower bounds of allowable offers |
| the price of the generator’s m-th offer segment | |
| the power of the generator’s m-th offer segment | |
| the day-ahead locational marginal price | |
| / | the remaining power of the energy storage system/EVC in PSCSi |
| the transmission power of the branch | |
| / | the power consumption power and the power generation power of the PSCS at node b |
| the power at time t of the node whose parent node is the bus branch of the power plant | |
| / | the power purchased/sold by PSCSi in the final clearing |
Abbreviations
| PSCS | photovoltaic storage charging station |
| KKT | Karush–Kuhn–Tucker |
| EVC | electric vehicle cluster |
| PV | photovoltaic |
| CSO | charging station operator |
| DSO | distribution system operator |
| EV | electric vehicle |
| MPEC | mathematical program with equilibrium constraints |
| MLP | mixed-integer linear programming |
| LMP | locational marginal price |
References
- Yang, C.; Zhao, Y.; Li, X.; Zhou, X. Electric vehicles, load response, and renewable energy synergy: A new stochastic model for innovation strategies in green energy systems. Renew. Energy 2024, 238, 121890. [Google Scholar] [CrossRef]
- Bukhari, A.; Aboulola, O.I.; Rehman, A.U.; Alharbi, A.; Alosaimi, W.; Daud, A. Renewable energy driven on-road wireless charging infrastructure for electric vehicles in smart cities: A prototype design and analysis. Energy Rep. 2024, 12, 5145. [Google Scholar] [CrossRef]
- Colak, A.; Fescioglu-Unver, N. Deep reinforcement learning based resource allocation for electric vehicle charging stations with priority service. Energy 2024, 313, 133637. [Google Scholar] [CrossRef]
- Liang, Z.; Qian, T.; Korkali, M.; Glatt, R.; Hu, Q. A Vehicle-to-Grid planning framework incorporating electric vehicle user equilibrium and distribution network flexibility enhancement. Appl. Energy 2024, 376, 124231. [Google Scholar] [CrossRef]
- Khan, M.O.; Kirmani, S.; Rihan, M. Impact assessment of electric vehicle charging on distribution networks. Renew. Energy Focus 2024, 50, 100599. [Google Scholar] [CrossRef]
- Chen, X.; Geng, X.; Xie, D.; Gou, Z. Photovoltaic-energy storage-integrated charging station retrofitting: A study in Wuhan city. Transp. Res. Part D Transp. Environ. 2024, 132, 104241. [Google Scholar] [CrossRef]
- Chen, X.; Gou, Z.; Gui, X. A holistic assessment of the photovoltaic-energy storage-integrated charging station in residential areas: A case study in Wuhan. J. Build. Eng. 2023, 79, 107947. [Google Scholar] [CrossRef]
- Huang, W.; Wang, J.; Wang, J.; Zhou, M.; Cao, J.; Cai, L. Capacity optimization of PV and battery storage for EVCS with multi-venues charging behavior difference towards economic targets. Energy 2024, 313, 133833. [Google Scholar] [CrossRef]
- Song, Y.; Liu, T.; Ye, B.; Li, Y. Linking carbon market and electricity market for promoting the grid parity of photovoltaic electricity in China. Energy 2020, 221, 118924. [Google Scholar] [CrossRef]
- Vellachami, S.; Hasanov, A.S.; Brooks, R. Risk transmission from the energy markets to the carbon market: Evidence from the recursive window approach. Int. Rev. Financ. Anal. 2023, 89, 102715. [Google Scholar] [CrossRef]
- Lu, Y. Idiosyncratic information spillover and connectedness network between the electricity and carbon markets in Europe. J. Commod. Mark. 2022, 25, 100185. [Google Scholar]
- He, J.; Qi, Z. Decision-making research on multi-day rolling transaction of wind power plant under Shanxi power market system. In Proceedings of the International Conference on Computer, Artificial Intelligence, and Control Engineering (CAICE 2023), Shanghai, China, 24–26 March 2023; Shanxi Longyuan New Energy Co., Ltd. (China): Yangquan, China, 2023. [Google Scholar]
- Domínguez-Navarro, J.A.; Dufo-López, R.; Yusta-Loyo, J.M.; Artal-Sevil, J.S.; Bernal-Agustín, J.L. Design of an electric vehicle fast-charging station with integration of renewable energy and storage systems. Int. J. Electr. Power Energy Syst. 2019, 105, 46. [Google Scholar] [CrossRef]
- Chaudhari, K.; Ukil, A.; Kumar, K.N.; Manandhar, U.; Kollimalla, S.K. Hybrid Optimization for Economic Deployment of ESS in PV-Integrated EV Charging Stations. IEEE Trans. Ind. Inform. 2018, 14, 106. [Google Scholar] [CrossRef]
- Raut, K.; Shendge, A.; Chaudhari, J.; Lamba, R.; Alshammari, N.F. Modeling and simulation of photovoltaic powered battery-supercapacitor hybrid energy storage system for electric vehicles. J. Energy Storag. 2024, 82, 110324. [Google Scholar] [CrossRef]
- Duan, X.; Hu, Z.; Song, Y. Bidding Strategies in Energy and Reserve Markets for an Aggregator of Multiple EV Fast Charging Stations with Battery Storage. IEEE Trans. Intell. Transp. Syst. 2021, 22, 471. [Google Scholar] [CrossRef]
- Liu, L.; Zhang, Z.; Xu, J.; Wang, P. A Bayesian Game Based Bidding Scheme for Mobile Charging Services in IoEV. IEEE Trans. Serv. Comput. 2024, 17, 349. [Google Scholar] [CrossRef]
- Sarker, M.R.; Pandžić, H.; Sun, K.; Ortega-Vazquez, M.A. Optimal operation of aggregated electric vehicle charging stations coupled with energy storage. IET Gener. Transm. Distrib. 2018, 12, 1127. [Google Scholar] [CrossRef]
- Zhao, Y.; Jia, X.; Yang, Q.; Li, D.; An, D. Towards incentive compatible auction mechanism for electric vehicles bidding in microgrids. In Proceedings of the 2018 33rd Youth Academic Annual Conference of Chinese Association of Automation (YAC), Nanjing, China, 18–20 May 2018; pp. 334–339. [Google Scholar]
- Zhang, J.; Zhang, Y.; Li, T.; Jiang, L.; Li, K.; Yin, H.; Ma, C. A Hierarchical Distributed Energy Management for Multiple PV-Based EV Charging Stations. In Proceedings of the IECON 2018—44th Annual Conference of the IEEE Industrial Electronics Society, Washington, DC, USA, 21–23 October 2018; pp. 1603–1608. [Google Scholar]
- Huang, C.; Wang, C.; Li, K.; Xie, N. Joint optimization of bidding and pricing strategy for electric vehicle aggregator considering multi-agent interactions. Appl. Energy 2024, 360, 122810. [Google Scholar]
- Wu, W.; Zhu, J.; Liu, Y.; Luo, T.; Chen, Z.; Dong, H. A Coordinated Model for Multiple Electric Vehicle Aggregators to Grid Considering Imbalanced Liability Trading. IEEE Trans. Smart Grid 2024, 15, 1876–1890. [Google Scholar] [CrossRef]
- Chowdhury, N.; Billinton, R. A reliability test system for educational purposes-spinning reserve studies in isolated and interconnected systems. IEEE Trans. Power Syst. 1991, 6, 1578–1583. [Google Scholar] [CrossRef]












| Literature | Research Subject | Energy Storage System | Photovoltaic |
|---|---|---|---|
| 16 | Single CSO | √ | × |
| 17 | Single CSO | × | × |
| 18 | Single CSO | √ | × |
| 19 | Single CSO | × | × |
| 20 | Single CSO | × | √ |
| 21 | multiple CSOs | × | × |
| 22 | multiple CSOs | × | × |
| This article | multiple CSOs | √ | √ |
| PSCS1 | PSCS2 | PSCS3 | PSCS4 | |
|---|---|---|---|---|
| EVC capacity/kW | 1150 | 950 | 950 | 950 |
| Photovoltaic capacity/kW | 160 | 790 | 790 | 160 |
| Energy storage capacity/(kW/kW·h) | 120/240 | 270/540 | 270/540 | 120/240 |
| Time Interval | Feeder Full Load Factor | |||||||
|---|---|---|---|---|---|---|---|---|
| 1–8 | 0.61 | 0.61 | 0.61 | 0.61 | 0.58 | 0.58 | 0.58 | 0.58 |
| 9–16 | 0.57 | 0.57 | 0.57 | 0.57 | 0.57 | 0.57 | 0.57 | 0.57 |
| 17–24 | 0.59 | 0.59 | 0.59 | 0.59 | 0.64 | 0.64 | 0.64 | 0.64 |
| 25–32 | 0.76 | 0.76 | 0.76 | 0.76 | 0.88 | 0.88 | 0.88 | 0.88 |
| 33–40 | 0.96 | 0.96 | 0.96 | 0.96 | 0.98 | 0.98 | 0.98 | 0.98 |
| 41–48 | 1.00 | 1.00 | 1.00 | 1.00 | 1.00 | 1.00 | 1.00 | 1.00 |
| 49–56 | 0.97 | 0.97 | 0.97 | 0.97 | 0.97 | 0.97 | 0.97 | 0.97 |
| 57–64 | 0.93 | 0.93 | 0.93 | 0.93 | 0.89 | 0.89 | 0.89 | 0.89 |
| 65–72 | 0.90 | 0.90 | 0.90 | 0.90 | 0.94 | 0.94 | 0.94 | 0.94 |
| 73–80 | 0.91 | 0.91 | 0.91 | 0.91 | 0.86 | 0.86 | 0.86 | 0.86 |
| 81–88 | 0.84 | 0.84 | 0.84 | 0.84 | 0.83 | 0.83 | 0.83 | 0.83 |
| 89–96 | 0.76 | 0.76 | 0.76 | 0.76 | 0.67 | 0.67 | 0.67 | 0.67 |
| Participation Mode | PSCS1 | PSCS2 | PSCS3 | PSCS4 | |
|---|---|---|---|---|---|
| power purchase cost | centralized dispatch mode | 1638 | 2174 | 2039 | 1283 |
| price acceptance mode | 1562 | 2088 | 1709 | 1143 | |
| quantity–price offer mode | 1473 | 2006 | 1908 | 1105 |
Disclaimer/Publisher’s Note: The statements, opinions and data contained in all publications are solely those of the individual author(s) and contributor(s) and not of MDPI and/or the editor(s). MDPI and/or the editor(s) disclaim responsibility for any injury to people or property resulting from any ideas, methods, instructions or products referred to in the content. |
© 2025 by the authors. Published by MDPI on behalf of the World Electric Vehicle Association. Licensee MDPI, Basel, Switzerland. This article is an open access article distributed under the terms and conditions of the Creative Commons Attribution (CC BY) license (https://creativecommons.org/licenses/by/4.0/).
Share and Cite
Yan, F.; Wei, L.; Yang, J.; Shi, B. Day-Ahead Two-Stage Bidding Strategy for Multi-Photovoltaic Storage Charging Stations Based on Bidding Space. World Electr. Veh. J. 2025, 16, 41. https://doi.org/10.3390/wevj16010041
Yan F, Wei L, Yang J, Shi B. Day-Ahead Two-Stage Bidding Strategy for Multi-Photovoltaic Storage Charging Stations Based on Bidding Space. World Electric Vehicle Journal. 2025; 16(1):41. https://doi.org/10.3390/wevj16010041
Chicago/Turabian StyleYan, Fulu, Lifeng Wei, Jun Yang, and Binbin Shi. 2025. "Day-Ahead Two-Stage Bidding Strategy for Multi-Photovoltaic Storage Charging Stations Based on Bidding Space" World Electric Vehicle Journal 16, no. 1: 41. https://doi.org/10.3390/wevj16010041
APA StyleYan, F., Wei, L., Yang, J., & Shi, B. (2025). Day-Ahead Two-Stage Bidding Strategy for Multi-Photovoltaic Storage Charging Stations Based on Bidding Space. World Electric Vehicle Journal, 16(1), 41. https://doi.org/10.3390/wevj16010041
