Optimization Control Strategy for Light Load Efficiency of Four-Switch Buck-Boost Converter
Abstract
1. Introduction
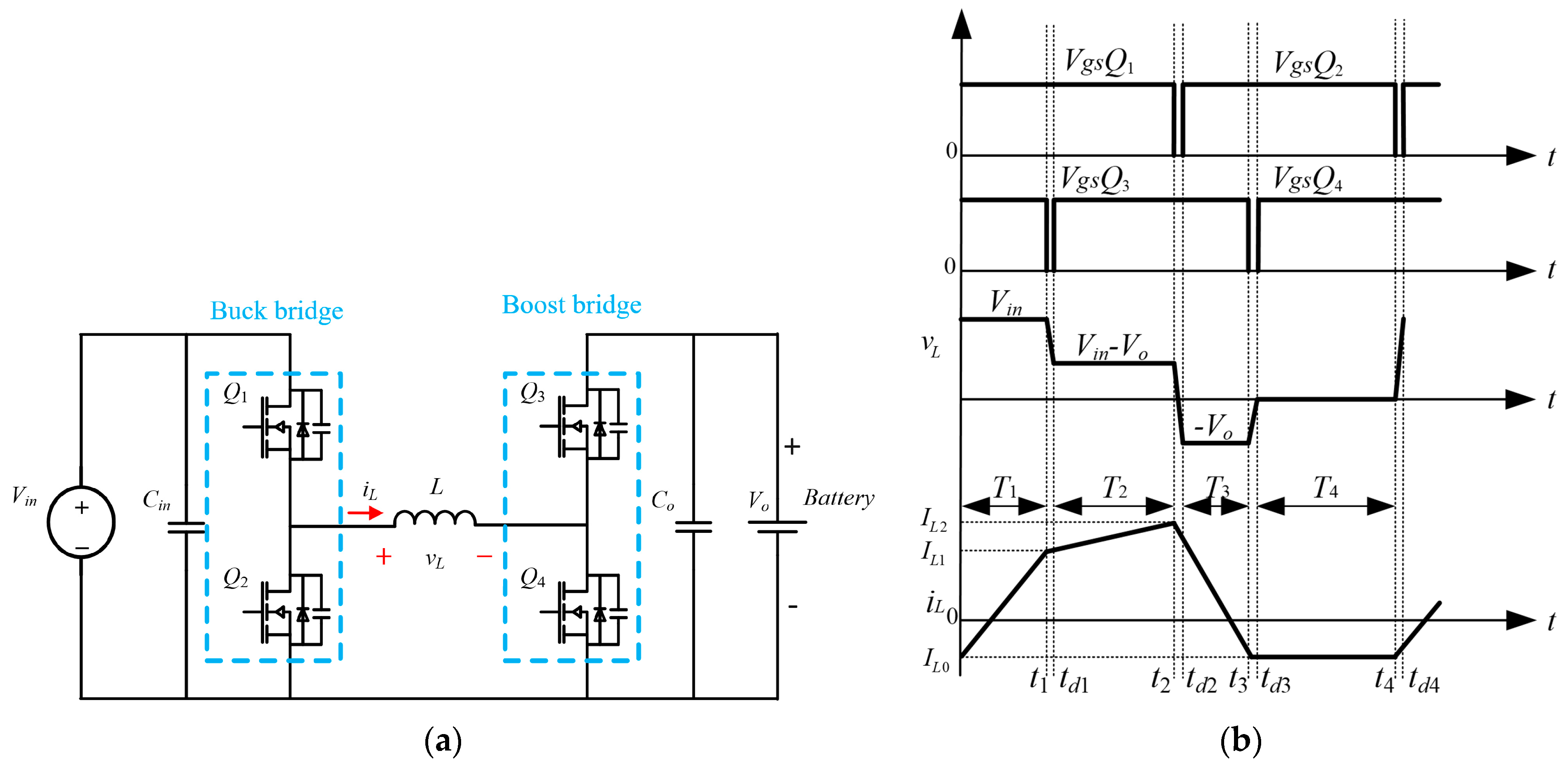
2. Basic Principles of FSBB Converter Topology
3. Multi-Frequency PCCM-ZVS Control Strategy Based on Minimum Power Loss
3.1. FSBB Converter Control Degrees of Freedom
3.2. Quantitative Relationship between Converter Losses and Switching Frequency
3.3. Multi-Frequency PCCM-ZVS Control Strategy Based on Minimum Ploss
- (1)
- Set the range and step size of input voltage and load power to form a two-dimensional empty matrix of input voltage and load.
- (2)
- Substitute Vin = Vinmin and rated power and calculate Equations (2)–(5) and (8) to obtain the minimum switching frequency fsmin allowed by the FSBB converter.
- (3)
- Substituting Vin = Vinmin and rated power into Equation (16) to obtain the maximum switching frequency fsmax allowed by the FSBB converter.
- (4)
- For a specific input voltage and load, traverse all fs in the range from the lowest switching frequency to the highest switching frequency and solve Equations (2)–(5) to obtain the values of T1–T4, substitute them into Equations (7)–(10) to obtain the circuit parameters used to calculate the loss, such as ILrms and ILp. Finally, Ploss is obtained through Equations (11)–(15), and a one-to-one correspondence is established with fs.
- (5)
- Select the fs corresponding to the minimum Ploss as the optimal switching frequency under the specific input voltage and load.
- (6)
- According to steps (4)–(5), further, traverse all input voltages and loads to obtain the optimal switching frequency to form a two-dimensional matrix.
3.4. Construction of Closed-Loop Control System
4. Experimental Results
5. Conclusions
Author Contributions
Funding
Data Availability Statement
Acknowledgments
Conflicts of Interest
References
- Rosero, J.A.; Ortega, J.A.; Aldabas, E. Moving towards a more electric aircraft. IEEE Aerosp. Electron. Syst. Mag. 2007, 22, 3–9. [Google Scholar] [CrossRef]
- Abuaish, A.; Kazerani, M. Single-phase bidirectional integrated onboard battery charger for EVs featuring a battery-supercapacitor hybrid energy storage system. In Proceedings of the 2017 IEEE International Conference on Industrial Technology (ICIT), Toronto, ON, Canada, 22–25 March 2017; pp. 543–548. [Google Scholar]
- Yu, Z.; Kapels, H.; Hoffmann, K.F. High efficiency bidirectional DC-DC converter with wide input and output voltage ranges for battery systems. In Proceedings of the PCIM Europe 2015; International Exhibition and Conference for Power Electronics, Intelligent Motion, Renewable Energy and Energy Management, Nuremberg, Germany, 9–21 May 2015; pp. 1–8. [Google Scholar]
- Wu, H.; Sun, K.; Chen, L. High step-up/step-down soft-switching bidirectional DC–DC converter with coupled-inductor and voltage matching control for energy storage systems. IEEE Trans. Ind. Electron. 2016, 63, 2892–2903. [Google Scholar] [CrossRef]
- Shan, L.; Lifeng, S.; Zhang, Z. Study on three-mode control method for four-switch buck-boost converter. J. Power Supply 2019, 17, 111–119. [Google Scholar]
- Guohua, Z.; Senlin, Q.; Zhang, X. Wide gain and high efficiency cascaded four switch Buck/Boost LLC converter. Trans. China Electrotech. Soc. 2024, 39, 1103–1115. [Google Scholar]
- Qi, L.; Leilei, S.; Xu, Q. The research and design of high-efficiency control strategy for four-switch buck-boost converter. Proc. CSEE 2024, 1, 58–68. [Google Scholar]
- Yilong, C.; Dan, W.; Zhu, D. four-mode control strategy based on four-switch buck-boost converter. J. Power Supply 2022, 20, 111–118. [Google Scholar]
- Sahu, B. A Low Voltage, dynamic; noninverting, synchronous buck-boost converter for portable applications. IEEE Trans. Power Electron. 2004, 19, 443–452. [Google Scholar] [CrossRef]
- Yao, C.; Ruan, X.; Cao, W. A two-mode control scheme with input voltage feed-forward for the two-switch buck-boost dc–dc converter. IEEE Trans. Power Electron. 2014, 29, 2037–2048. [Google Scholar] [CrossRef]
- Waffler, S.; Kolar, J. A novel low-loss modulation strategy for high-power bidirectional buck + boost converters. IEEE Trans. Power Electron. 2009, 24, 1589–1599. [Google Scholar] [CrossRef]
- Zhou, Z.; Li, H.; Wu, X. A constant frequency ZVS control system for the four-switch buck-boost DC-DC converter with reduced inductor current. IEEE Trans. Power Electron. 2018, 34, 5996–6003. [Google Scholar] [CrossRef]
- Haiyan, L.; Zhu, L. High frequency and high efficiency control of four switch buck-boost converter. J. Mech. Electr. Eng. 2017, 34, 1309–1315. [Google Scholar]
- Liu, Q.; Qian, Q.; Zheng, M.; Xu, S.; Sun, W.; Wang, T. An improved quadrangle control method for four-switch buck boost converter with reduced loss and decoupling strategy. IEEE Trans. Power Electron. 2021, 36, 10827–10841. [Google Scholar] [CrossRef]
- Fang, J.; Ruan, X.; Huang, X. A PWM plus phase-shift control for four-switch buck-boost converter to achieve ZVS in full input voltage and load range. IEEE Trans. Ind. Electron. 2022, 69, 12698–12709. [Google Scholar] [CrossRef]
- Liu, F.; Xu, J.; Chen, Z. A multi-Frequency PCCM ZVS modulation scheme for optimizing overall efficiency of four-switch buck–boost converter with wide input and output voltage ranges. IEEE Trans. Ind. Electron. 2023, 70, 12431–12441. [Google Scholar] [CrossRef]
- Liu, F.; Xu, J.; Chen, Z. A constant frequency ZVS modulation scheme for four-switch buck-boost converter with wide input and output voltage ranges and reduced inductor current. IEEE Trans. Ind. Electron. 2023, 70, 4931–4941. [Google Scholar] [CrossRef]
- Tian, A simplified real-time digital control scheme for ZVS four-switch buck-boost with low inductor current. IEEE Trans. Ind. Electron. 2022, 69, 7920–7929. [CrossRef]
















| Circuit Parameters | Value | Circuit Parameters | Value |
|---|---|---|---|
| Input voltage (Vin/V) | 210–330 | Inductance (L/µH) | 7.0 |
| Output voltage (Vo/V) | 270 | Input capacitance (Cin/µF) | 66 |
| Rated power (Po/W) | 3000 | Output capacitance (Co/µF) | 66 |
| Min frequency (fsmin/kHz) | 130 | Step frequency (∆fs/kHz) | 10 |
| Max frequency (fsmax/kHz) | 200 | Dead time (tdead/ns) | 100 |
Disclaimer/Publisher’s Note: The statements, opinions and data contained in all publications are solely those of the individual author(s) and contributor(s) and not of MDPI and/or the editor(s). MDPI and/or the editor(s) disclaim responsibility for any injury to people or property resulting from any ideas, methods, instructions or products referred to in the content. |
© 2024 by the authors. Published by MDPI on behalf of the World Electric Vehicle Association. Licensee MDPI, Basel, Switzerland. This article is an open access article distributed under the terms and conditions of the Creative Commons Attribution (CC BY) license (https://creativecommons.org/licenses/by/4.0/).
Share and Cite
Gao, S.; Zhang, F.; Mei, H. Optimization Control Strategy for Light Load Efficiency of Four-Switch Buck-Boost Converter. World Electr. Veh. J. 2024, 15, 469. https://doi.org/10.3390/wevj15100469
Gao S, Zhang F, Mei H. Optimization Control Strategy for Light Load Efficiency of Four-Switch Buck-Boost Converter. World Electric Vehicle Journal. 2024; 15(10):469. https://doi.org/10.3390/wevj15100469
Chicago/Turabian StyleGao, Siyuan, Fanghua Zhang, and Hongxin Mei. 2024. "Optimization Control Strategy for Light Load Efficiency of Four-Switch Buck-Boost Converter" World Electric Vehicle Journal 15, no. 10: 469. https://doi.org/10.3390/wevj15100469
APA StyleGao, S., Zhang, F., & Mei, H. (2024). Optimization Control Strategy for Light Load Efficiency of Four-Switch Buck-Boost Converter. World Electric Vehicle Journal, 15(10), 469. https://doi.org/10.3390/wevj15100469

