Design Method of Double-Boost DC/DC Converter with High Voltage Gain for Electric Vehicles
Abstract
1. Introduction
2. Topology and Operating Principle of the Proposed Converter
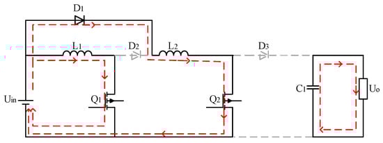
2.1. Topology of Double-Boost Converter
2.2. Operating Principle of Double-Boost Converter
3. Modeling of Double-Boost Converter
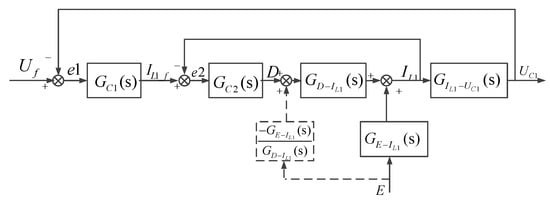
4. Design of the Double-Boost Converter Controller
4.1. Calculation of Inductor and Capacitor of Converter
4.2. Design of Feedforward Double Closed-Loop Feedback Controller
5. Simulation and Experimental Results Analysis
5.1. Simulation Results and Analysis
5.2. Experimental Platform Construction
5.3. Function Test of the Prototype
5.4. Control Algorithm Verification
5.5. Efficiency Test of the Prototype
6. Conclusions
- (1)
- Considering the voltage gain, device stress, and number of components, the proposed converter has certain advantages over traditional boost converters and four-phase interleaved converters. Compared to four-phase interleaved DC/DC converters, this converter has a simple operating principle and only requires two of the same PWM signals.
- (2)
- For the double-boost converter, the proposed feedforward double closed-loop control is more robust than the feedforward double closed-loop control; when the load and input voltage change suddenly, it can make the output voltage return to stability faster.
- (3)
- This can be obtained through the construction of the experimental prototype of the proposed double-boost converter and by comparison with the four-phase interleaved DC/DC converter and the traditional boost converter. In terms of the actual voltage gain and system efficiency under different conditions, the proposed double converter has obvious advantages. The efficiency is measured and compared from three aspects: different output voltages, different loads and different frequencies: In addition, the output voltage ripple of the proposed double-boost converter is smaller than that of the traditional boost converter. Although it is slightly larger than the four-phase interleaved DC/DC converter, the double-boost converter has the advantages of fewer devices, simple control and high efficiency, making up for the output voltage ripple, which is slightly higher than the four-phase interleaved disadvantages of DC/DC converters.
Author Contributions
Funding
Conflicts of Interest
Glossary
| Electric vehicle | EV |
| New energy vehicles | NEVs |
| D | Duty cycle of PWM |
| TS | A PWM period |
| WL | Energy absorbed by inductor during ON state |
| WL’ | Energy released by inductor during OFF state |
| GD | Voltage gain |
| ΔIL | The inductor current ripple |
| ΔU | The output voltage ripple |
| f | Switching frequency |
| Average value of the duty cycle | |
| Average value inductor current | |
| Average value output voltage | |
| Average value input voltage | |
| AC small-signal component of D | |
| AC small-signal component of UC1 | |
| AC small-signal component of E | |
| AC small-signal component of IL1 | |
| Transfer function of D to the inductor current IL1 | |
| The transfer function from input voltage to inductor current | |
| The transfer function of the inductor current IL1 to output voltage | |
| The transfer function of duty cycle to output voltage | |
| GC1(s) | The transfer function of voltage PI controller |
| GC2(s) | The transfer function of current PI controller |
| Gf(s) | The transfer function of feedforward control |
References
- Zachary, C.; Dustin, B.; Siyu, Y.; Andreas, H.; Jun, L.; Michael, F.; Zhongwei, C. Batteries and fuel cells for emerging electric vehicle markets. Nat. Energy 2018, 3, 279–289. [Google Scholar]
- Yujie, W.; Zhendong, S.; Zonghai, C. Energy management strategy for battery/supercapacitor/fuel cell hybrid source vehicles based on finite state machine. Appl. Energy 2019, 254, 113707. [Google Scholar]
- Wei, G.; Quanming, L.; Yang, Z.; Xingyu, L.; Luowei, Z. A high step-up DC-DC converter with zero input current ripple. Trans. China Electrotech. Soc. 2018, 33, 284–292. [Google Scholar]
- Moradisizkoohi, H.; Elsayad, N.; Mohammed, O.A. A family of three-port three-level converter based on asymmetrical bidirectional half-bridge topology for fuel cell electric vehicle applications. IEEE Trans. Power Electron. 2019, 34, 11706–11724. [Google Scholar] [CrossRef]
- García-Vite, P.M.; Rosas-Caro, J.C.; Martínez-Salazar, A.L.; de Jesus Chavez, J.; Valderrábano-González, A.; Sánchez-Huerta, V.M. Quadratic buck-boost converter with reduced input current ripple and wide conversion range. IET Power Electron. 2019, 12, 3977–3986. [Google Scholar] [CrossRef]
- Ali, A.; Hossein, A.; Amir, F. A novel high step-up DC/DC converter based on integrating coupled inductor and switched-capacitor techniques for renewable energy applications. IEEE Trans. Power Electron. 2015, 30, 4255–4263. [Google Scholar]
- Milad, B.; Jean-Philippe, M.; Gael, M.; Serge, P.; Mathieu, W.; Farid, M.; Majid, Z. Design and modeling of an equalizer for fuel cell energy management systems. IEEE Trans. Power Electron. 2019, 34, 10925–10935. [Google Scholar]
- Changyong, L.; Jinbin, Z.; Ling, M.; Mingjie, Z.; Yutong, L. A high step-down DC-DC converter. Trans. China Electrotech. Soc. 2019, 34, 4264–4271. [Google Scholar]
- Si, C.; Luowei, Z.; Quanming, L.; Wei, G.; Yuqi, W.; Pengju, S.; Xiong, D. Research on topology of the high step-up boost converter with coupled inductor. IEEE Trans. Power Electron. 2019, 34, 10733–10745. [Google Scholar]
- Hanging, W.; Arnaud, G.; Daniel, H. A review of DC/DC converter-based electrochemical impedance spectroscopy for fuel cell electric vehicles. Renew. Energy 2019, 141, 124–138. [Google Scholar]
- Reza, B.M.; Faeghi, B.H.A. A high efficiency nonisolated buckboost converter based on ZETA converter. IEEE Trans. Ind. Electron. 2020, 67, 1991–1998. [Google Scholar]
- Ilhan, K.; Sude, K.; Naci, G.; Hasan, U. Design and application of PEM fuel cell-based cascade boost converter. Electr. Eng. 2019. [Google Scholar] [CrossRef]
- Qian, L.; Huangfu, Y.; Liangcai, X.; Jiang, W.; Rui, M.; Dongdong, Z.; Fei, G. An improved floating interleaved boost converter with the zero-ripple input current for fuel cell applications. IEEE Trans. Energy Convers. 2019, 34, 2168–2179. [Google Scholar]
- Arab, A.S.; Shokrollahi, M.J. A novel high voltage gain noncoupled inductor SEPIC converter. IEEE Trans. Ind. Electron. 2019, 66, 7099–7108. [Google Scholar]
- Fernao, P.V.; Armando, C.; Daniel, F.; Fenando, S.J. High step-up DC-DC converter for fuel cell vehicles based on merged quadratic boost-cuk. IEEE Trans. Veh. Technol. 2019, 68, 7521–7530. [Google Scholar]
- Banaei, M.R.; Sani, S.G. Analysis and implementation of a new SEPIC-based single switch buck-boost dc-dc converter with continuous input current. IEEE Trans. Power Electron. 2018, 33, 10317–10325. [Google Scholar] [CrossRef]
- Yun, Z.; Lei, Z.; Mark, S.; Ping, W. Single-Switch, Wide Voltage-Gain Range, Boost DC–DC Converter for Fuel Cell Vehicles. IEEE Trans. Veh. Technol. 2018, 67, 134–145. [Google Scholar]
- Yun, Z.; Heyu, L.; Jing, L.; Mark, S.; Changliang, X. A DC-DC Boost Converter with a Wide Input Range and High Voltage Gain for Fuel Cell Vehicles. IEEE Trans. Power Electron. 2018, 34, 4100–4111. [Google Scholar]
- Shahin, A.; Hinaje, M.; Martin, J.; Pierfederici, S.; Rael, S.; Davat, B. High Voltage Ratio DC–DC Converter for Fuel-Cell Applications. IEEE Trans. Ind. Electron. 2010, 57, 3944–3955. [Google Scholar] [CrossRef]
- Vinnikov, D.; Roasto, I.; Strzelecki, R.; Adamowicz, M. Step-Up DC/DC Converters With Cascaded Quasi-Z-Source Network. IEEE Trans. Ind. Electron. 2012, 59, 3727–3736. [Google Scholar] [CrossRef]
- Jiexun, L.; Dawei, G.; Yue, W. High Power High Voltage Gain Interleaved DC-DC Boost Converter Application. In Proceedings of the 2015 6th International Conference on Power Electronics Systems and Applications (PESA), Hong Kong, China, 15–17 December 2015. [Google Scholar]
- Zhidong, Q.; Jin, P.; Di, H. Pre-stage power converter of proton exchange membrane fuel cell based on fractional order PID controller. Trans. China Electrotech. Soc. 2019, 34, 236–243. [Google Scholar]
- Abdelmalek, S.; Dali, A.; Bettayeb, M.; Bakdi, A. A new effective robust nonlinear controller based on PSO for interleaved DC–DC boost converters for fuel cell voltage regulation. Soft Comput. 2020. [Google Scholar] [CrossRef]
- Aljohani, T.M.; Ebrahim, A.F.; Mohammed, O. Hybrid Microgrid Energy Management and Control Based on Metaheuristic-Driven Vector-Decoupled Algorithm Considering Intermittent Renewable Sources and Electric Vehicles Charging Lot. Energies 2020, 13, 3423. [Google Scholar] [CrossRef]
- Szymanski, J.R.; Zurek-Mortka, M.; Wojciechowski, D.; Poliakov, N. Unidirectional DC/DC Converter with Voltage Inverter for Fast Charging of Electric Vehicle Batteries. Energies 2020, 13, 4791. [Google Scholar] [CrossRef]
- Rodríguez Licea, M.A. Fault Tolerant Boost Converter with Multiple Serial Inputs and Output Voltage Regulation for Vehicle-to-Aid Services. Energies 2020, 13, 1694. [Google Scholar] [CrossRef]
- Wang, P.; Zhou, L.; Zhang, Y.; Li, J.; Sumner, M. Input-Parallel Output-Series DC-DC Boost Converter with a Wide Input Voltage Range For Fuel Cell Vehicles. IEEE Trans. Veh. Technol. 2017, 66, 7771–7781. [Google Scholar] [CrossRef]
- Axelrod, B.; Berkovich, Y.; Shenkman, A.; Golan, G. Diode-capacitor voltage multipliers combined with boost-converters: Topologies and characteristics. IET Power Electron. 2012, 5, 873–884. [Google Scholar] [CrossRef]






















| Device Name. | Current Stress |
|---|---|
| Diode D1 | Io(1 + D)/2(1 − D) |
| Diode D2 | Io/(1 − D) |
| Diode D3 | Io/(1 − D) |
| Switch device Q1 | Io(1 + D)/2(1 − D) |
| Switch device Q2 | Io(1 + D)/2(1 − D) |
| Output capacitor C1 | Io[D/(1 − D)]1/2 |
| Converter | Traditional Boost | Four-Phase Interleaving | Double-Boost |
|---|---|---|---|
| Number of inductors | 1 | 4 | 2 |
| Number of capacitors | 1 | 2 | 1 |
| Number of switch devices | 1 | 4 | 2 |
| Number of diodes | 1 | 4 | 3 |
| Total number of devices | 4 | 14 | 8 |
| Stress of switch devices | Uo | (Uo + Uin)/2 | (Uo + Uin)/2 |
| Capacitance | IoutD/(ΔU × f) | IoutD/2(ΔU × f) | IoutD/(ΔU × f) |
| Inductance | UinD/(ΔIL × f) | UinD/4(ΔIL × f) | UinD/2(ΔIL × f) |
| Theoretical voltage gain | 1/(1 − D) | (1 + D)/(1 − D) | (1 + D)/(1 − D) |
| Parameters | Values |
|---|---|
| Rated power P | 100 W |
| Input voltage Uin | 20 V |
| Rated output Voltage UO | 100 V |
| Rated load resistance RL | 100 Ω |
| Switching frequency f | 20 kHz |
| Inductor L1 and L2 | 0.35 mH |
| Capacitor | 47 μF |
| Power switches | IFR640N |
| Diodes | DFE10I600PM |
Publisher’s Note: MDPI stays neutral with regard to jurisdictional claims in published maps and institutional affiliations. |
© 2020 by the authors. Licensee MDPI, Basel, Switzerland. This article is an open access article distributed under the terms and conditions of the Creative Commons Attribution (CC BY) license (http://creativecommons.org/licenses/by/4.0/).
Share and Cite
Liu, Z.; Du, J.; Yu, B. Design Method of Double-Boost DC/DC Converter with High Voltage Gain for Electric Vehicles. World Electr. Veh. J. 2020, 11, 64. https://doi.org/10.3390/wevj11040064
Liu Z, Du J, Yu B. Design Method of Double-Boost DC/DC Converter with High Voltage Gain for Electric Vehicles. World Electric Vehicle Journal. 2020; 11(4):64. https://doi.org/10.3390/wevj11040064
Chicago/Turabian StyleLiu, Zhengxin, Jiuyu Du, and Boyang Yu. 2020. "Design Method of Double-Boost DC/DC Converter with High Voltage Gain for Electric Vehicles" World Electric Vehicle Journal 11, no. 4: 64. https://doi.org/10.3390/wevj11040064
APA StyleLiu, Z., Du, J., & Yu, B. (2020). Design Method of Double-Boost DC/DC Converter with High Voltage Gain for Electric Vehicles. World Electric Vehicle Journal, 11(4), 64. https://doi.org/10.3390/wevj11040064
