Abstract
Equipment to be installed in real-time industrial control system networks must be carefully characterized before commissioning to ensure it meets performance requirements. However, performance analysis tools may be expensive and come with stringent hardware and software requirements that render them out of reach for many small and medium enterprises. In this paper, we propose a software tool that leverages inexpensive, commonly available personal computer hardware and Linux-based, user-level open source software to enhance portability, flexibility, and ease of use without sacrificing measurement accuracy. An extensive evaluation of the tool’s custom-designed traffic generator shows that it compares favorably with related work. At the same time, the measurement system is able to achieve remarkable accuracy in determining the mean delay and delay variance of the device under test, as also demonstrated by a practical device evaluation example.
1. Introduction
Nowadays, many networked industrial control systems (ICSs) and cyber-physical systems (ICPs) frequently include commercial devices, like switches and firewalls, borrowed directly from the consumer market. However, the adoption of new equipment in these scenarios must be carefully thought about from many points of view to ensure that the proper network behavior is used and avoid hindering the system performance [1].
Communication delays are often critical in many real-time ICS and CPS applications, and real latencies have to be precisely evaluated before introducing a new device in the target environment. Unfortunately, some data of interest are seldom included in the public specifications or are difficult to obtain, especially for commercial off-the-shelf (COTS) pieces of hardware, and thus, information assessment must leverage black-box approaches [2], which cannot go without suitable means for laboratory testing and measurement.
The testing procedures, besides expertise, usually require powerful and expensive measurement tools that are neither cost-effective nor readily accessible in the research and development laboratories of many small and medium enterprises. The availability of simpler and less expensive techniques to measure the communication delay of a device under test (DUT)—such as the one proposed in this paper—can then be of tangible help when more sophisticated testing support is out of consideration. In addition, our solution can easily be extended to analyze other communication parameters of interest.
The contributions of our approach revolve around (a) the use of inexpensive and commonly available hardware (conventional PCs and widely available communication boards) and (b) the adoption of popular, open source software (Linux Ubuntu 20.04.3 LTS). Despite this, it is able to obtain sub-microsecond delay measures, a precision which is considered adequate for a large number of industrial applications. In fact, keeping hardware requirements as minimal as possible and focusing on portable software, enables the installation of the measurement software on suitably equipped, preexisting network nodes, when so desired, thus greatly reducing the hardware costs without sacrificing the reliability of the results.
The paper is organized as follows: Section 2 briefly discusses related work. Then, Section 3 and Section 4 present the measurement system architecture and show how communication delays can be evaluated. Section 5 focuses on traffic generators and briefly describes the features of a custom tool developed for this purpose. Section 6 and Section 7 provide experimental results, showing the delay evaluation for a commercial DUT as an example, while Section 8 draws some conclusions.
2. Related Works
Efficient and effective modern network management cannot be without latency, since it is a key factor deeply affecting performance, and subsequently QoS requirements, real-time constraints in industrial and critical infrastructures [3], and network behavior in general [4]. Many papers and tools propose techniques to measure latency at runtime, when the system is in operation [5]. Among them, [6] uses passive techniques without injecting ad hoc crafted packets in the network; thus relying only on preexisting traffic and with the undoubted advantage of leaving the system completely unaffected by those measurements. The other side of the coin is that a precise interpretation of the obtained data can be difficult, as they are computed by monitoring network packets whose statistical properties are a priori unknown and cannot be changed. On the other hand, [7] actively injects probe packets into the running system, providing complementary advantages and drawbacks with respect to passive techniques. Probe packets perturb the system to some extent, but their properties, (such as payload length and generation law) can be precisely controlled, leading to higher precision and confidence about measured data.
Latency evaluation has been addressed in different environments as follows: data centers [8,9], SDN-based networks [5,10,11], radio communications [12], smart grids [13], IoT systems [14], proactive intrusion response [15], and clouds [16], that is, complex infrastructures where measured timings range from microseconds to milliseconds and more. In this work, we propose an infrastructure and methodology able to deal with even sub-microsecond latency, allowing us to build and verify the behavioral model of a DUT, as [17], to derive models for specific DUTs only, namely, low-capacity programmable switches for industrial environments.
Latency evaluation, targeting individual hardware and/or software devices or small networks as DUTs, is aimed at obtaining deep knowledge about DUT behavior and performance. To achieve this, the obtained results must be both accurate and precise, starting from the first, unavoidable component, the traffic generator [18]. Some generators require ad hoc, i.e., not commonly available, hardware support to achieve their goals as follows: [19] is built on a FPGA, and [20] relies on a programmable switch ASIC.
One of the most well-known and widespread traffic generators is iperf3 [21], but it does not match our needs in terms of packet generation periodicity and burstiness, as shown in Section 5. The authors of [22] propose a very precise, PTP-based measurement setup, further enhanced by removing the uncertainty caused by PTP synchronization. The achieved precision relies on an ad hoc external reference clock, thus affecting portability, one of our main goals.
MoonGen [23,24] has very good performance, even comparable to costly hardware-based generators [25] if traffic is generated exploiting the hardware assistance [26,27] provided by few Intel NICs like the X550 [28], when they are managed by specific Linux device drivers and kernel versions. Further requirements are posed, for instance, on the number of available CPU cores. Those demanding hardware and software requirements make MoonGen poorly compatible with our goal of supporting a wide variety of packet generation platforms, possibly already deployed for different purposes, in the network under test, as mentioned in Section 1.
Actually, despite MoonGen also having two operating modes that do not require special NICs, they were found unable to fully satisfy the requirements of the present work, as discussed in Section 5 in more details.
3. Measurement System Architecture
In its most basic form, the measurement system architecture revolves around the following three main roles. A sender transmits test packets with programmable length, content, and frequency. The DUT receives, processes, and then possibly forwards them to the receiver , as it would do if the network were normally operated. Informally speaking, the measurement goal is to evaluate the time needed by DUT to process packets. By varying packet length, content, frequency and possibly other operating conditions, complete and sophisticated performance figures can be obtained, thus enabling users to understand whether or not the considered DUT is well-suited for their purposes.
In order to consistently measure the time taken by each packet to traverse the DUT, the and ought to share the same reference clock or be synchronized in some way. Moreover, the time measurement should ideally be unaffected by possible delays in the output and input queues of ’s and ’s network interface ports, respectively. A convenient way to meet both requirements is to host both and on the same node/board, called the test manager , and let them use the same (multi-port) network interface card (NIC). The NIC must be able to timestamp outgoing and incoming traffic in hardware according to the same time base or, at least, the time bases having a well-known mutual relationship.
Flexibility in changing the configuration, in particular in remote cases, can be achieved by introducing a manageable switch () in the system. This non-functional requirement is a key aspect in practical situations, as it enables users to run tests on multiple devices without recabling the system and operating remotely.
3.1. Base Architecture
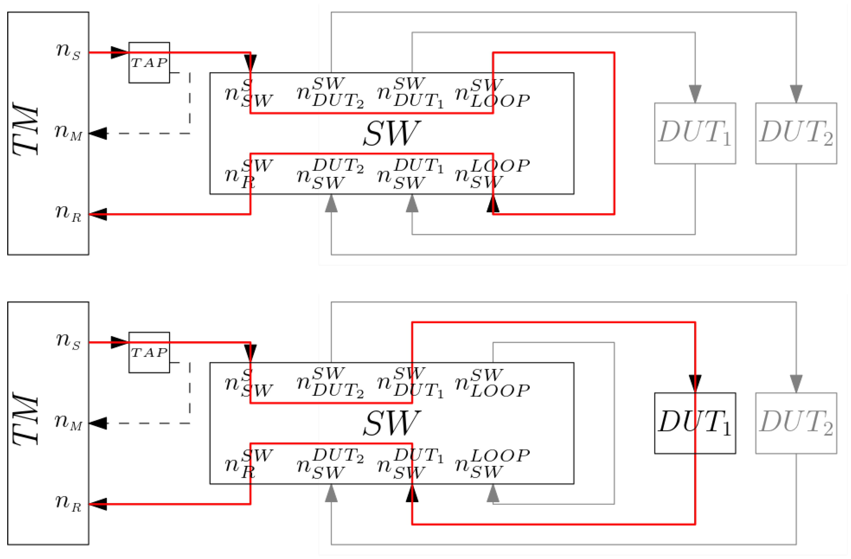
Figure 1 depicts the system architecture, where is the test manager acting as sender and receiver . runs suitable software tools to generate the needed traffic, send it through port , and then analyze packets received through port .
Figure 1.
Architecture of the measurement system.
For example, in the case of the testbed implemented in our laboratory, all ports belong to the same PCI Express StarTech® ST4000SPEXI 4-Port Gigabit Ethernet Network Card, [29] based on theIntel Corporation®, Santa Clara (CA), USA, I350 quad-port Ethernet controller [30]. The card is manufactured by StarTech.com Ltd., London (ON), Canada. As detailed in Section 4.1, the I350 is able to accurately timestamp incoming and, with some limitations, outgoing packets. Moreover, our is based on an Intel Pentium CPU G870 @3.10 Ghz and runs Linux Ubuntu 20.04.3 LTS as operating system.
All ports are isolated from each other by means of the Linux Namespace functionality to ensure that each port is managed by its own logical instance of the TCP/IP protocol stack. In turn, this guarantees that packets flow from one port to another in the intended way, preventing any route optimization that might be put into effect, when all ports are managed by the same protocol stack instance.
In Figure 1, is a network tap which duplicates packets outgoing from in order to return them back to through the monitoring port . The purpose of is addressed in more detail in Section 4.2, which discusses common shortcomings in packet timestamping and how to manage them.
The configuration determines the actual path of packets from to . These connection paths can be easily configured and changed with the aid of two port-based VLANs. and in Figure 1 are the devices under test.
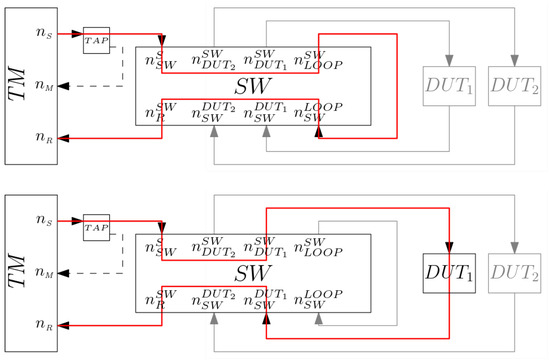
3.2. Baseline () Configuration
The system itself can impair the collection of measurements by introducing some kind of either deterministic or random delay along the packet transmission path. To cope with this aspect, DUT is replaced by a deterministic component with negligible delay (e.g., a simple cable), as in the baseline configuration () shown in the upper half of Figure 2. In this situation, is instructed to implement the path highlighted in red by programming two VLANs as
Figure 2.
Measurement system in the (upper) and (lower) configurations. Relevant network paths are highlighted in red.
As is well known, port-based VLANs are used to create groups of isolated ports on a switch. Thus, thanks to , a packet arriving at port may only egress from , while all the other active ports of the switch are ignored. The same is true for with respect to ports and .
is needed for evaluating the impact of the measuring system itself with respect to DUT latency. Possible delays affecting are due to hardware component timings, whereas we are mostly interested in measuring the latency of DUTs driven by sophisticated software. For this purpose, it is worth noting that, in practice, for many devices of interest the impact of the baseline (tenth of nanoseconds) could be negligible when compared to the expected DUT latencies in the order of several microseconds. Section 4 shows how to take delays into account and Section 6 provides the experimental results regarding this aspect.
3.3. DUT Testing () Configuration
The testing configuration () is similar to , but packets are forced to flow through the measured DUT ( in the lower half of Figure 2). In this case the two port-based VLANs are, respectively, as follows:
As differences between and are kept as small as possible, the measured delay can effectively be modeled as having exactly two contributions. The first one depends on the measurement system itself and is assessed by means of , while the second is due to only and comes into play in . As already mentioned, the creation and configuration of port-based VLANs enhance the system flexibility and enable the creation of various kinds of packet routes, even passing through multiple DUTs, without requiring any physical recabling.
4. Delay Measurement
4.1. I350 Packet Timestamping Capability
The testbed developed to test the effectiveness of our measurement system leverages the I350’s ability to timestamp packets on the transmit and receive paths of each port. Actually, the controller timestamps packets as specified by the IEEE 1588 [31] and 802.1AS [32] Precision Time Protocol (PTP) standards. Hence, most parts of the ’s design presented in this paper are applicable to other network controllers offering timestamping based on the same standards.
Timestamps are taken from SYSTIM, a per-port 72 bit counter, and each counter is updated every 8 ns. SYSTIM is cleared when various forms of board- and port-level reset and initialization take place and, as a consequence, registers belonging to different ports hold different values at the same absolute time, because in a Linux system NIC ports are initialized in sequence at boot. Since there is no way to reliably read all SYSTIM registers at exactly the same time to determine their offsets once and for all, these differences must be compensated while correlating timestamps taken on different ports.
When using the most basic timestamping mechanism, the hardware stores timestamps in a dedicated pair of per-port registers—one for the transmit and one for the receive path. These timestamps are latched, to prevent further timestamps from overwriting them until they are read by software. This mechanism is adequate when the goal is to support PTP exchanges, but is ill-suited for general-purpose packet timestamping because it makes timestamps hard to correlate with the corresponding packet. This is especially true when the software might not always be able to retrieve a timestamp before the next one is taken, leading the hardware to discard one or more timestamps when it tries to store them into a latched register.
For this reason, the I350 implements an additional timestamp storage mechanism, available only on the receive path. Timestamps are still taken as before, but they are put in a dedicated header stored just before the Ethernet MAC header in the packet receive buffers. In this way, the hardware itself uniquely associates timestamps with packets without having to rely on stringent software timings. This is the mechanism used when most Linux tools ask for hardware-assisted timestamping on the I350, and this is also one main reason why only receive-path timestamps have been considered in this paper, leading to the introduction of in Figure 1.
4.2. Delay Measurement Technique
Table 1 summarizes the notation used in the following part of the paper. Let be the value of the timestamp counter of a generic port X at time t, where t is a global, absolute time reference. Then,
represents the offset of the timestamp counter of port X with respect to global time, at time t. In general, when for the reasons mentioned above. Instead, assuming that no port resets occur after initialization
Table 1.
Notation used in the paper.
Considering a packet p, the total delay it incurs when going through the measurement network is given by
where is the time at which p leaves port and is the time when it reaches port (see the configuration in the lower half of Figure 2). cannot be accurately determined in general. However, and help in overcoming this limit. In fact, short-circuiting packets sent by to through brings the following two main advantages:
- Outgoing packets can be timestamped accurately, because they are mirrored into ’s receive path, where the I350 has no timestamping constraints.
- no longer performs any measurement involving , and becomes completely independent from the packet generator, which could then even be hosted on a different network node.
The first advantage broadens the range of network controller cards can use, because it simplifies the requirements they must satisfy. The second one makes more general because it can accommodate external traffic generators without changing the measurement technique. Completely automatic tests are still possible too, provided those generators support some form of remote management.
At the same time, adding to the measurement path does not have any adverse side effect because it introduces the same, fixed delay along both the and paths. In this way the arrival of the packet at still accurately reflects the time at which the same packet enters at its port and we can write the following:
which expresses in terms of quantities that can be measured. Moreover, the calibration technique discussed in the following and based on differential delay measurement with/without DUT, makes irrelevant for DUT delay calculation, provided it is fixed.
Specializing (1) for ports and at and , respectively, and taking (2) into account, we can write the following:
According to (6), can be calculated only if , , and are known. However, let us consider the total delay incurred by a packet p in the two distinct configurations of the system as follows:
Assuming that the delay , introduced by , is the same in the two configurations
Denoting by and the transit times of p through ports and in configuration , and by and the analogous transit times in configuration , from (6) and (7) we obtain the following:
In summary, (8) shows that the following properties hold:
- can be measured by means of timestamps taken at ports and .
- The exact values of , , and are irrelevant for the measurement, as long as they remain unvaried.
The reasoning can be further generalized to prove that, as cancels in (8), so does any other delay that is fixed and common to both configurations being considered. In turn, this makes very robust with respect to any fixed source of delay (not due to the DUT) along the measurement path, which may be hard to characterize at times.
5. Packet Generators
5.1. Evaluation Purpose and Method
One relatively crude way of testing a DUT is to flood it with as much traffic as possible and evaluate how many packets the device is able to process successfully versus how many of them get dropped. By contrast, more sophisticated testing techniques require much finer control of the inter-packet interval, not only in terms of ensuring that a given number of input packets per second hits the DUT on average but also to guarantee that the inter-packet interval stays as stable as possible during the measurement.
In fact, it has been shown [33] that, for at least some kinds of DUT like firewalls, any input traffic burstiness may trigger an internal change of state in the DUT. In turn, this leaves the DUT temporarily unable to process even the number of packet per seconds it would be able to under normal circumstances. If the measurement goal is, for instance, to accurately measure the maximum number of packets per second the DUT can handle without any drops, burstiness may clearly lead to misleading results.
In our approach, measurements involve several experiments with different input stream characteristics. Each experiment is characterized by the packet type being used (always UDP in this paper), the packet length l, the nominal inter-packet interval , and the number of packets m ( when we refer to a specific inter-packet interval ). In the following, l represents the total Ethernet packet length, including the trailing CRC but excluding the L1 preamble, SFD, and IPG. The way to express varies from one tool to another. Namely, some tools compute indirectly from the given target bandwidth, link speed, and packet length. However, for clarity here we will still reason in terms of regardless of the tool at hand.
As discussed previously, in order to determine the quality of a packet generator for our purposes, we need a good knowledge of the statistical distribution of . We evaluated the following three different tools: Iperf3 [21], MoonGen [23,24], and our custom s/w tool called Rtgen. The first two are the most promising tools among those surveyed in Section 2, while the third has been developed in-house specifically for this work.
5.2. In-House Packet Generator (Rtgen)
The architecture of the in-house packet generator is relatively simple and has been optimized for performance based on the inner workings of the kernel scheduler and protocol stack. The main loop runs in user space as a high-priority, real-time SCHED_FIFO thread. Its timing source is the clock_nanosleep() system call, invoked immediately before scheduling the transmission of each test packet. To avoid the accumulation of timing errors, the system call is invoked with the TIMER_ABSTIME flag set and given an absolute time reference based on the CLOCK_MONOTONIC clock. When the main loop detects an overload that led the generator to miss a transmission deadline, one of two possible behaviors can be selected by means of a runtime option as follows:
- The generator may try to maintain the nominal average packet transmission rate by transmitting a burst of packets after the overload interval.
- Otherwise, it may skip the transmissions that could not be scheduled on time. In this way there will be no bursts in generated traffic, but the actual average packet transmission rate will be lower than nominal.
The second option has been selected for the experiments described in this paper, to avoid stressing the DUT with bursts of packets whose transmission rate would necessarily be higher than nominal. No measurable impact has been observed on the actual versus nominal packet transmission rate due to the very low probability of overload during the experiments. Upon transmission, the user-space thread provides only the UDP payload while the in-kernel protocol stack and Ethernet device driver are responsible for overall packet assembly and its on-wire transmission, respectively. The whole process is started by means of a send() system call with the MSG_EOR flag set.
High-resolution timestamps are taken at various critical points within the main loop. They come from the clock_gettime() system call, querying either the CLOCK_MONOTONIC or the CLOCK_MONOTONIC_RAW clock. Besides being used to detect overloads, as described previously, they also provide a way to calculate the actual packet generation rate and ensure it is correct. Based on the same information it could also be possible to fine-tune the reference timing points passed to clock_nanosleep(), but this has been left to future work.
5.3. Evaluation Technique
The experiments for the tool comparison in this paper have been carried out using the topology with links running at 100 Mb/s. Initially, l has been set to 64 B (the minimum packet length allowed by the standard) and has been varied, in a few discrete steps, from 100 µs down to 10 µs, in order to bring close to its minimum value, which is approximately 6.7 µs for these values of link speed and l. Further experiments performed with larger l (and not shown here) confirmed that this scenario represents the most critical case for packet generators, because it maximizes the computational and network processing burden put on them. The maximum inter-packet interval was set at = 100 µs, corresponding to a link load of less than 10% when , because lower loads were considered of no interest for DUT evaluation.
Generators were configured to nominally send packets per experiments. The number of packets actually sent may differ, depending on the rate control algorithm used by each generator, but was found to be within of the nominal value in all cases.
If and are the absolute times at which two consecutive packets arrive at the port (), then represents exactly the inter-packet interval, as introduces a constant, albeit unknown, delay. Taking (5) into account, we have , meaning that we can ignore the offset . The sample mean and standard deviation of the inter-packet interval have been used as estimators of the true mean and standard deviation to evaluate packet generators’ performance.
5.4. Results and Discussion
Table 2 summarizes the results of the comparison discussed in Section 5.1, listing the measured , , and range (maximum minus minimum inter-packet delay). Figure 3 shows the inter-packet delay frequency distribution obtained in the experiments. Four groups of three plots are arranged in a square grid, and each group concerns a different value of . Within a group, each plot highlights with a darker color the frequency distribution of one tool with respect to the others, in the same order as they are listed in Table 2.
Table 2.
Generators’ performance data for nominal samples; ; = 100, 50, 25, and 10 µs.
Figure 3.
Frequency distribution of for the experiments shown in Table 2. The vertical range of each plot is from 0 to 100% relative frequency.
The vertical range of each plot is the relative frequency, from 0 to 100%, while horizontal ranges are the same within each group and have been divided into 40 uniform histogram bins. Readability plots have also been hand-picked around the nominal , which has been highlighted with a vertical, dashed line. In the case of Iperf3, a fraction of the samples fell out of the selected horizontal range and is not displayed; this fraction is reported as HOR in the plots.
As shown in Table 2, all tools were able to reach a very close to the target (within less than error) in all experiments. However, the and range of Iperf3 are not ideal and worse than the other generators in all but one case. A closer analysis of Iperf3’s frequency distributions plotted in Figure 3 shows they are often multimodal, with a peak close to the minimum possible of 6.7 µs. This corresponds to bursts of (almost) back-to-back packets in the packet stream. To compensate for those bursts, Iperf3’s rate control mechanism also sends other packets with an inter-packet delay higher than the nominal . The anomaly becomes less evident at = 10 µs because the inter-packet interval during the burst is inherently closer to the nominal and becomes less detrimental.
Starting from Iperf3 version 3.20, a command-line argument allows users to set how often Iperf3 compares the actual generated bandwidth with respect to the nominal one, and adjusts the rate accordingly. However, despite setting this parameter to 10 µs, which is the same as the minimum nominal , we still observed the bursts shown in the figure. As mentioned in Section 5.1, those bursts could affect the DUT by temporarily overloading it and led us to rule out Iperf3 from further use.
The performance of MoonGen and Rtgen is similar, with a slight advantage in favor of MoonGen, in terms of both and range, at = 100 µs. However, this is no longer the case for smaller , where Rtgen’s becomes one order of magnitude smaller than MoonGen’s, although MoonGen’s range is still marginally better. Another aspect highlighted in Figure 3 is that MoonGen’s frequency distributions also become multimodal when 50 µs. The total absence of bursts in Rtgen’s generated stream is unsurprising, since this was a specific requirement during its design. Instead, the wider range of inter-packet delays of Rtgen versus MoonGen is likely due to unexpected thread scheduling delays, which should be further investigated in future work.
The lack of a distinct advantage of MoonGen in the range of of interest in this paper, combined with the stricter hardware and software requirement posed by MoonGen with respect to Rtgen as described in Section 2, made Rtgen the most appropriate generator for the next set of experiments, presented as follows.
6. Baseline Topology Evaluation
Baseline Characterization
The topology can be characterized by using the Rtgen generator under experimental conditions similar to those described in Section 5. As before, test streams consist of UDP packets per experiment, but the inter-packet interval has been increased to = 150 µs to accommodate larger values of l without overloading the links. Various Ethernet packet lengths have been used, from 64 B to 1472 B in 64 B steps. For each packet, we measured the difference . As explained in Section 4, this difference is the packet delay plus the fixed timestamp counter offsets and . The mean differences are plotted in Figure 4 as a function of l and the corresponding summary statistics are listed in Table 3, with a larger step size for conciseness. With and being unknown, the absolute values of the mean differences are of no particular significance—albeit their relationship with l definitely is. For this reason, they have not been shown in the table.
Figure 4.
Mean for varying l in the topology versus a linear interpolation; = 150 µs.
Table 3.
Summary statistics of delay for varying l, nominal samples; = 150 µs.
For all values of l but two, the frequency distribution of was found to be light-tailed, as also confirmed by the values of Pearson’s kurtosis being less than 3, the kurtosis of a normal distribution. Actually, measurements only comprised two or three discrete values. Consistently with a measured range of 80 ns or 160 ns, these discrete values are exactly 80 ns apart. This corresponds to 8 bit times at 100 Mb/s and suggests that the only source of delay variability in the topology is due to byte-wide serialization/deserialization, which occurs at the MAC/PHY interface of the two Ethernet links used for communication. The skewness varied, suggesting that the frequency proportion among discrete values may shift from one experiment to another, but it was found to still be compatible with the other summary statistics listed in Table 3. Among them, the most relevant one is , which affects the width of the confidence intervals that the measurement system can determine for DUT delay and variance.
As shown in Figure 4, which contrasts experimental data with a linear interpolation, the mean delay increases linearly with l, by 160 ns for each additional byte in the packet. This is consistent with the physical setup of shown in the upper half of Figure 2, in which the store-and-forward switch receives and transmits each packet twice. Thus, each byte in the packet needs to be stored (and then forwarded) twice, which indeed takes exactly . Furthermore, this result confirms that, as expected, does not introduce any additional, unexplained packet length-dependent delay.
7. Example: DUT Evaluation
As an example, we used the measurement system to test an off-the-shelf commercial 5-port Ethernet switch [34] as DUT in the topology. In this test the DUT auto-negotiated a speed of 100 Mb/s because was so configured. This type of device represents a significant benchmark to evaluate our method, as it is expected to introduce a small average delay with a narrow distribution and small delay variability. Therefore, it might be difficult to tell apart the actual DUT’s delay and delay variability from the background measurement noise that the measurement system itself introduces.
Measurements and were performed in the and topologies—for system calibration and DUT evaluation, respectively—using packet streams consisting of packets of bytes each, generated every = 150 µs. Table 4 contains the summary statistics of the results and Figure 5 depicts the corresponding delay distributions. As before, the absolute values of the delays are not shown in the table because they are of no particular significance, whereas their difference enables us to evaluate the DUT’s behavior.
Table 4.
Summary statistics of and delay; nominal samples; = 150 µs; .
Figure 5.
Delay distributions of and , , = 150 µs, uniform 80 ns bins.
As expected, this DUT does not dramatically affect network performance because it introduces a delay of around 8 µs, as roughly indicated by the distance between the mode of the two distributions shown in Figure 5. At the same time, its limited effect on delay variability becomes visible when looking at the shape of the those distributions, and even more clearly in the larger values of and range listed in Table 4 for with respect to .
8. Conclusions
Our approach has shown that sub-microsecond delay measurements can be reasonably achieved with the aid of conventional hardware and open-source software. This can be significantly useful in a number of networked industrial applications, where the adoption of a new device cannot abstract from assessing the impact on the whole system performance before its actual deployment. This is particularly true for small and medium enterprises that cannot afford the acquisition of complex and expensive laboratory testing equipment.
The solution presented in this paper requires moderate expertise and has modest hardware and software requirements that make it easily deployable in a variety of real-world network scenarios. The system includes a built-in traffic generator and also supports external alternatives. This, together with its ability to be configured and calibrated remotely, without any manual intervention, enhances its flexibility and makes fully automatic measurement cycles possible.
Experimental results show that the built-in traffic generator compares favorably with respect to related work in many cases, although external generators can still be used when desired, for instance, to explore specific traffic patterns the built-in generator is currently unable to support.
The baseline system configuration was fully characterized regarding packet transit delay and delay variability.
Finally, the evaluation of an exemplar DUT, that is particularly demanding because of its intrinsically small delay and delay variance, was performed successfully, reaching remarkably tight confidence interval widths for the mean DUT delay and delay variance. Areas of future work include the further improvement of the built-in traffic generator and the characterization of a larger set of DUTs.
Author Contributions
Conceptualization, I.C.B., A.V. and L.D.; Methodology, I.C.B., A.V. and L.D.; Software, M.C. and I.C.B.; Data curation, M.C.; Writing—original draft, M.C., I.C.B., A.V. and L.D.; Writing—review and editing, M.C., I.C.B., A.V. and L.D. All authors have read and agreed to the published version of the manuscript.
Funding
This work was partially supported by the project SERICS (PE00000014) under the MUR National Recovery and Resilience Plan funded by the European Union—NextGenerationEU.
Data Availability Statement
The original contributions presented in the study are included in the article, further inquiries can be directed to the corresponding author.
Conflicts of Interest
The authors declare no conflicts of interest.
References
- Cheminod, M.; Durante, L.; Valenzano, A. Review of Security Issues in Industrial Networks. IEEE Trans. Ind. Informat. 2013, 9, 277–293. [Google Scholar] [CrossRef]
- Cheminod, M.; Durante, L.; Seno, L.; Valenzano, A. Performance Evaluation and Modeling of an Industrial Application-Layer Firewall. IEEE Trans. Ind. Informat. 2018, 14, 2159–2170. [Google Scholar] [CrossRef]
- Chefrour, D. Evolution of network time synchronization towards nanoseconds accuracy: A survey. Comput. Commun. 2022, 191, 26–35. [Google Scholar] [CrossRef]
- Iorio, M.; Risso, F.; Casetti, C. When Latency Matters: Measurements and Lessons Learned. SIGCOMM Comput. Commun. Rev. 2021, 51, 2–13. [Google Scholar] [CrossRef]
- Chefrour, D. One-Way Delay Measurement From Traditional Networks to SDN: A Survey. ACM Comput. Surv. 2021, 54, 1–35. [Google Scholar] [CrossRef]
- Shahzad, M.; Liu, A.X. Accurate and Efficient Per-Flow Latency Measurement Without Probing and Time Stamping. IEEE/ACM Trans. Netw. 2016, 24, 3477–3492. [Google Scholar] [CrossRef]
- Deng, L.; Zheng, H.; Liu, X.Y.; Feng, X.; Chen, Z.D. Network Latency Estimation With Leverage Sampling for Personal Devices: An Adaptive Tensor Completion Approach. IEEE/ACM Trans. Netw. 2020, 28, 2797–2808. [Google Scholar] [CrossRef]
- KIO Networks. How Do you Measure Latency. 2022. Available online: https://kiodatacenters.com/en/blog-data-center/en-us/blog/data-center/how-do-you-measure-latency (accessed on 28 January 2025).
- Popescu, D.A.; Moore, A.W. Measuring Network Conditions in Data Centers Using the Precision Time Protocol. IEEE Trans. Netw. Service Manag. 2021, 18, 3753–3770. [Google Scholar] [CrossRef]
- Liao, L.; Leung, V.C.M.; Chen, M. An Efficient and Accurate Link Latency Monitoring Method for Low-Latency Software-Defined Networks. IEEE Trans. Instrum. Meas. 2019, 68, 377–391. [Google Scholar] [CrossRef]
- Franco, D.; Ollora Zaballa, E.; Zang, M.; Atutxa, A.; Sasiain, J.; Pruski, A.; Rojas, E.; Higuero, M.; Jacob, E. A comprehensive latency profiling study of the Tofino P4 programmable ASIC-based hardware. Comput. Commun. 2024, 218, 14–30. [Google Scholar] [CrossRef]
- Curtis, P.D.; Plummer, A.T., Jr.; Annis, E.; La Cholter, W.J. Traffic Generation System for the Defense Advanced Research Projects Agency Spectrum Collaboration Challenge. Johns Hopkins Univ. Appl. Phys. Lab. Tech. Dig. 2021, 35, 58–68. Available online: https://secwww.jhuapl.edu/techdigest/Content/techdigest/pdf/V35-N01/35-01-Curtis.pdf (accessed on 28 January 2025).
- Feizimirkhani, R.; Bratcu, A.I.; Bésanger, Y.; Labonne, A.; Braconnier, T. A methodology for the evaluation of the message transmission delay over IEC 61850 communication network—A real-time HV/MV substation case study. Sustain. Energy Grids Netw. 2021, 28, 100555. [Google Scholar] [CrossRef]
- Ikonen, J.; Nelimarkka, N.; Nardelli, P.H.J.; Mattila, N.; Melgarejo, D.C. Experimental Evaluation of End-to-End Delay in a Sigfox Network. IEEE Netw. Lett. 2022, 4, 194–198. [Google Scholar] [CrossRef]
- Etxezarreta, X.; Garitano, I.; Iturbe, M.; Zurutuza, U. Low delay network attributes randomization to proactively mitigate reconnaissance attacks in industrial control systems. Wirel. Netw. 2024, 30, 5077–5091. [Google Scholar] [CrossRef]
- Phanekham, D.; Jones, R. What a Trip! Measuring Network Latency in the Cloud. 2020. Available online: https://cloud.google.com/blog/products/networking/using-netperf-and-ping-to-measure-network-latency (accessed on 28 January 2025).
- Van Bemten, A.; Đerić, N.; Zerwas, J.; Blenk, A.; Schmid, S.; Kellerer, W. Loko: Predictable Latency in Small Networks. In Proceedings of the 15th ACM Int. Conf. on Emerging Networking Experiments And Technologies (CoNEXT), Orlando, FL, USA, 9–12 December 2019; pp. 355–369. [Google Scholar] [CrossRef]
- Adeleke, O.A.; Bastin, N.; Gurkan, D. Network Traffic Generation: A Survey and Methodology. ACM Comput. Surv. 2022, 55, 1–23. [Google Scholar] [CrossRef]
- Park, T.; Shin, S.; Shin, I.; Lee, K. Formullar: An FPGA-based network testing tool for flexible and precise measurement of ultra-low latency networking systems. Computer Networks 2021, 185, 107689. [Google Scholar] [CrossRef]
- Chen, Y.; Tian, B.; Tian, C.; Dai, L.; Zhou, Y.; Ma, M.; Tang, M.; Zheng, H.; Yang, Z.; Chen, G.; et al. Norma: Towards Practical Network Load Testing. In Proceedings of the 20th USENIX Symposium on Networked Systems Design and Implementation (NSDI 23). USENIX Association, Boston, MA, USA, 17–19 April 2023; pp. 1733–1749. Available online: https://www.usenix.org/system/files/nsdi23-chen-yanqing.pdf (accessed on 28 January 2025).
- ESnet/Lawrence Berkeley National Laboratory. iperf3: A TCP, UDP, and SCTP Network Bandwidth Measurement Tool. Available online: https://github.com/esnet/iperf (accessed on 28 January 2025).
- Chao, I.C.; Lin, S.Y.; Lee, K.B.; Proctor, F.; Shen, C.C.; Chang, F.R. Precise latency measurement of unidirectional-data-flow network equipment. In Proceedings of the IEEE Inernational Frequency Control Symp. (FCS), Taipei, Taiwan, 19–22 May 2014; pp. 1–3. [Google Scholar] [CrossRef]
- Emmerich, P.; Gallenmüller, S.; Raumer, D.; Wohlfart, F.; Carle, G. MoonGen: A Scriptable High-Speed Packet Generator. In Proceedings of the ACM Internet Measurement Conference (IMC), Tokyo, Japan, 28–30 October 2015; pp. 275–287. [Google Scholar] [CrossRef]
- Gallenmüller, S.; Wiedner, F.; Naab, J.; Carle, G. Ducked Tails: Trimming the Tail Latency of(f) Packet Processing Systems. In Proceedings of the 17th Inernational Conf. on Network and Service Management (CNSM), Izmir, Turkey, 25–29 October 2021; pp. 537–543. [Google Scholar] [CrossRef]
- Primorac, M.; Bugnion, E.; Argyraki, K. How to Measure the Killer Microsecond. SIGCOMM Comput. Commun. Rev. 2017, 47, 61–66. [Google Scholar] [CrossRef]
- Emmerich, P.; Raumer, D.; Gallenmüller, S.; Wohlfart, F.; Carle, G. Throughput and Latency of Virtual Switching with Open vSwitch: A Quantitative Analysis. J. Netw. Syst. Manag. 2018, 26, 314–338. [Google Scholar] [CrossRef]
- Grigorjew, A.; Diederich, P.; Hoßffeld, T.; Kellerer, W. Affordable Measurement Setups for Networking Device Latency with Sub-Microsecond Accuracy. In Proceedings of the Würzburg Workshop on Next-Generation Communication Networks (WueWoWas), Würzburg, Germany, 11–13 July 2022. [Google Scholar] [CrossRef]
- Intel Corp. Intel® Ethernet Controller X550 Datasheet, rev. 2.6. 2023. Available online: https://www.intel.com/content/www/us/en/content-details/333369/intel-ethernet-controller-x550-datasheet.html (accessed on 28 January 2025).
- Startech® 4-Port Gigabit Ethernet Network Card—PCI Express, Intel® I350 NIC. Available online: https://www.startech.com/en-us/networking-io/st4000spexi (accessed on 28 January 2025).
- Intel Corp. Intel® Ethernet Controller I350 Datasheet, rev. 2.6. 2017. Available online: https://www.intel.com/content/dam/www/public/us/en/documents/datasheets/ethernet-controller-i350-datasheet.pdf (accessed on 28 January 2025).
- IEEE Std 1588-2008; IEEE Standard for a Precision Clock Synchronization Protocol for Networked Measurement and Control Systems. IEEE: Piscataway, NJ, USA, 2008. [CrossRef]
- IEEE Std 802.1AS-2011; IEEE Standard for Local and Metropolitan Area Network—Timing and Synchronization for Time-Sensitive Applications in Bridged Local Area Networks. IEEE: Piscataway, NJ, USA, 2011. [CrossRef]
- Cheminod, M.; Cibrario Bertolotti, I.; Durante, L.; Seno, L.; Valenzano, A. Open-source firewalls for industrial applications: A laboratory study of Linux IPFire behavior. In Proceedings of the 48th Annual Conf. of the IEEE Industrial Electronics Society (IECON), Brussels, Belgium, 17–20 October 2022; pp. 1–6. [Google Scholar] [CrossRef]
- Netgear. Netgear® 5-Port, 8-Port and 16-Port Gigabit Ethernet Unmanaged Switches. Available online: https://www.netgear.com/media/GS105v5_GS108v4_GS116v2_tcm148-70594.pdf (accessed on 28 January 2025).
Disclaimer/Publisher’s Note: The statements, opinions and data contained in all publications are solely those of the individual author(s) and contributor(s) and not of MDPI and/or the editor(s). MDPI and/or the editor(s) disclaim responsibility for any injury to people or property resulting from any ideas, methods, instructions or products referred to in the content. |
© 2025 by the authors. Licensee MDPI, Basel, Switzerland. This article is an open access article distributed under the terms and conditions of the Creative Commons Attribution (CC BY) license (https://creativecommons.org/licenses/by/4.0/).




