Supercritical Antisolvent Technique for the Production of Breathable Naringin Powder
Abstract
1. Introduction
2. Materials and Methods
2.1. Materials
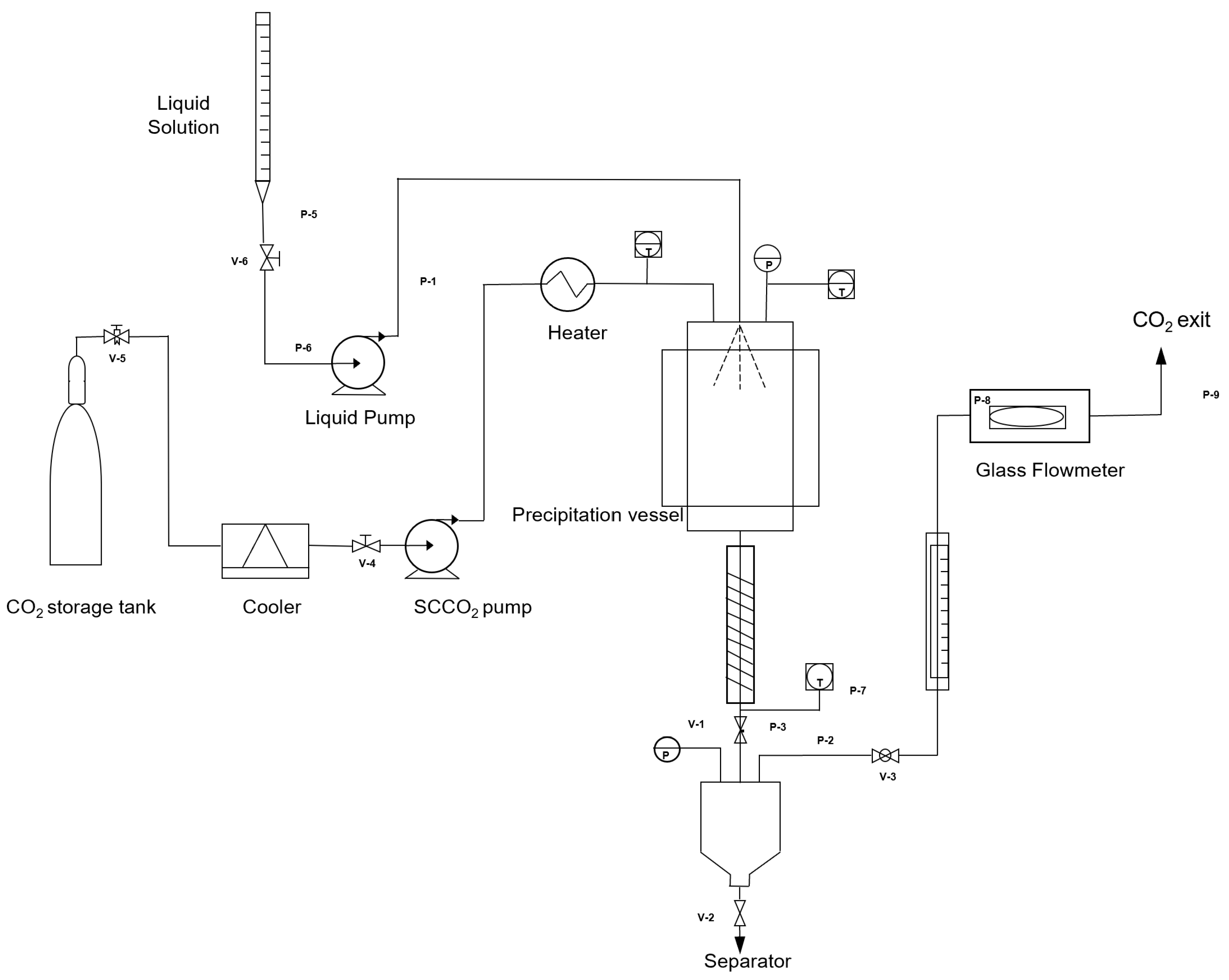
2.2. Micronization Method
2.3. Particle Morphology and Size Distribution
2.4. Powder Density
2.5. X-ray Powder Diffraction Analyses (XRPD)
2.6. Particle Breathability Analyses
2.7. In Vitro Permeation Study
2.8. Viability and Proliferation Assay on NuLi-1 Cell Line
2.9. Statistical Analyses
3. Results
3.1. Powder Preparation and Characterization
3.2. In Vitro Drug Permation Studies
3.3. In Vitro Cytotoxicity
4. Conclusions
Author Contributions
Funding
Institutional Review Board Statement
Informed Consent Statement
Data Availability Statement
Acknowledgments
Conflicts of Interest
References
- Carocho, M.; Ferreira, I.C.F.R. A review on antioxidants, prooxidants and related controversy: Natural and synthetic compounds, screening and analysis methodologies and future perspectives. Food Chem. Toxicol. 2013, 51, 15–25. [Google Scholar] [CrossRef]
- Del Gaudio, P.; Russo, P.; Dorado, R.R.; Sansone, F.; Mencherini, T.; Gasparri, F.; Aquino, R.P. Submicrometric hypromellose acetate succinate particles as carrier for soy isoflavones extract with improved skin penetration performance. Carbohydr. Polym. 2017, 165, 22–29. [Google Scholar] [CrossRef] [PubMed]
- Khan, R.S.; Grigor, J.; Winger, R.; Win, A. Functional food product development—Opportunities and challenges for food manufacturers. Trends Food Sci. Technol. 2013, 30, 27–37. [Google Scholar] [CrossRef]
- Nijveldt, R.J.; van Nood, E.; van Hoorn, D.E.C.; Boelens, P.G.; van Norren, K.; van Leeuwen, P.A.M. Flavonoids: A review of probable mechanisms of action and potential applications. Am. J. Clin. Nutr. 2001, 74, 418–425. [Google Scholar] [CrossRef] [PubMed]
- Rahman, I.; Biswas, S.K.; Kode, A. Oxidant and antioxidant balance in the airways and airway diseases. Eur. J. Pharmacol. 2006, 533, 222–239. [Google Scholar] [CrossRef]
- Liang, Z.; Ni, R.; Zhou, J.; Mao, S. Recent advances in controlled pulmonary drug delivery. Drug Discov. Today 2015, 20, 380–389. [Google Scholar] [CrossRef]
- Buhl, R.; Meyer, A.; Vogelmeier, C. Oxidant-protease interaction in the lung: Prospects for antioxidant therapy. Chest 1996, 110 (Suppl. S6), 267S–272S. [Google Scholar] [CrossRef]
- Blomberg, A. Airway inflammatory and antioxidant responses to oxidative and particulate air pollutants—experimental exposure studies in humans. Clin. Exp. Allergy 2000, 30, 310–317. [Google Scholar] [CrossRef]
- Fokkens, W.J.; Scheeren, R.A. Upper airway defence mechanisms. Paediatr. Respir. Rev. 2000, 1, 336–341. [Google Scholar] [CrossRef]
- Guo, R.F.; Ward, P.A. Role of oxidants in lung injury during sepsis. Antioxid. Redox Signal. 2007, 9, 1991–2002. [Google Scholar] [CrossRef]
- Schwarz, K.B. Oxidative stress during viral infection: A review. Free Radic. Biol. Med. 1996, 21, 641–649. [Google Scholar] [CrossRef]
- Auriemma, G.; Russo, P.; Del Gaudio, P.; García-González, C.A.; Landín, M.; Aquino, R.P. Technologies and Formulation Design of Polysaccharide-Based Hydrogels for Drug Delivery. Molecules 2020, 25, 3156. [Google Scholar] [CrossRef] [PubMed]
- Martín, L.; González-Coloma, A.; Adami, R.; Scognamiglio, M.; Reverchon, E.; Della Porta, G.; Urieta, J.; Mainar, A. Supercritical antisolvent fractionation of ryanodol from Persea indica. J. Supercrit. Fluids 2011, 60, 16–20. [Google Scholar] [CrossRef]
- Oronsky, B.; Larson, C.; Hammond, T.C.; Oronsky, A.; Kesari, S.; Lybeck, M.; Reid, T.R. A Review of Persistent Post-COVID Syndrome (PPCS). Clin. Rev. Allergy Immunol. 2021, 1–9. [Google Scholar] [CrossRef] [PubMed]
- Manniello, M.D.; Del Gaudio, P.; Porta, A.; Aquino, R.P.; Russo, P. Aerodynamic properties, solubility and in vitro antibacterial efficacy of dry powders prepared by spray drying: Clarithromycin versus its hydrochloride salt. Eur. J. Pharm. Biopharm. 2016, 104, 1–6. [Google Scholar] [CrossRef] [PubMed]
- Ruggiero, V.; Aquino, R.P.; Del Gaudio, P.; Campiglia, P.; Russo, P. Post-COVID Syndrome: The Research Progress in the Treatment of Pulmonary sequelae after COVID-19 Infection. Pharmaceutics 2022, 14, 1135. [Google Scholar] [CrossRef]
- Sansone, F.M.T.; Picerno, P.; Esposito, T.; Del Gaudio, P.; Russo, P.; Pepe, G.; Lauro, M.R.; Aquino, R.P. Microencapsulation by spray drying of Lannea microcarpa extract: Technological characteristics and antioxidant activity. J. Pharm. Pharmacogn. Res. 2014, 2, 100–109. [Google Scholar]
- Del Gaudio, P.; Sansone, F.; Mencherini, T.; De Cicco, F.; Russo, P.; Aquino, R.P. Nanospray drying as a novel tool to improve technological properties of soy isoflavone extracts. Planta Med. 2017, 83, 426–433. [Google Scholar] [CrossRef]
- Manniello, M.D.; Del Gaudio, P.; Aquino, R.P.; Russo, P. Clarithromycin and N-acetylcysteine co-spray-dried powders for pulmonary drug delivery: A focus on drug solubility. Int. J. Pharm. 2017, 533, 463–469. [Google Scholar] [CrossRef]
- Telko, M.J.; Hickey, A.J. Dry Powder Inhaler Formulation. Respir. Care 2005, 50, 1209–1227. [Google Scholar]
- Chow, A.H.L.; Tong, H.H.Y.; Chattopadhyay, T.P.; Shekunov, B.Y. Particle engineering for pulmonary drug delivery. Pharm. Res. 2007, 24, 411–437. [Google Scholar] [CrossRef] [PubMed]
- Gilani, K.; Najafabadi, A.R.; Barghi, M.; Rafiee-Tehrani, M. The effect of water to ethanol feed ratio on physical properties and aerosolization behavior of spray dried cromolyn sodium particles. J. Pharm. Sci. 2005, 94, 1048–1059. [Google Scholar] [CrossRef] [PubMed]
- Loira-Pastoriza, C.; Todoroff, J.; Vanbever, R. Delivery strategies for sustained drug release in the lungs. Adv. Drug Deliv. Rev. 2014, 75, 81–91. [Google Scholar] [CrossRef]
- Chen, R.; Qi, Q.-L.; Wang, M.-T.; Li, Q.-Y. Therapeutic potential of naringin: An overview. Pharm. Biol. 2016, 54, 3203–3210. [Google Scholar] [CrossRef] [PubMed]
- John, A.M.; Najla, G.; Karel, G. Biological Properties of Citrus Flavonoids Pertaining to Cancer and Inflammation. Curr. Med. Chem. 2001, 8, 135–153. [Google Scholar]
- Fakhri, S.; Piri, S.; Majnooni, M.B.; Farzaei, M.H.; Echeverria, J. Targeting Neurological Manifestations of Coronaviruses by Candidate Phytochemicals: A Mechanistic Approach. Front. Pharmacol. 2021, 11, 621099. [Google Scholar] [CrossRef]
- Kumar, S.; Paul, P.; Yadav, P.; Kaul, R.; Maitra, S.S.; Jha, S.K.; Chaari, A. A multi-targeted approach to identify potential flavonoids against three targets in the SARS-CoV-2 life cycle. Comput. Biol. Med. 2022, 142, 105231. [Google Scholar] [CrossRef] [PubMed]
- Liu, W.; Zheng, W.; Cheng, L.; Li, M.; Huang, J.; Bao, S.; Xu, Q.; Ma, Z. Citrus fruits are rich in flavonoids for immunoregulation and potential targeting ACE2. Nat. Prod. Bioprospect. 2022, 12, 4. [Google Scholar] [CrossRef]
- Sansone, F.; Aquino, R.; Del Gaudio, P.; Colombo, P.; Russo, P. Physical characteristics and aerosol performance of naringin dry powders for pulmonary delivery prepared by spray-drying. Eur. J. Pharm. Biopharm. 2009, 72, 206–213. [Google Scholar] [CrossRef] [PubMed]
- Rossmann, M.; Braeuer, A.; Schluecker, E. Supercritical antisolvent micronization of PVP and ibuprofen sodium towards tailored solid dispersions. J. Supercrit. Fluids 2014, 89, 16–27. [Google Scholar] [CrossRef]
- Adami, R.; di Capua, A.; Reverchon, E. Supercritical Assisted Atomization for the production of curcumin-biopolymer microspheres. Powder Technol. 2017, 305, 455–461. [Google Scholar] [CrossRef]
- Hu, D.; Lin, C.; Liu, L.; Li, S.; Zhao, Y. Preparation, characterization, and in vitro release investigation of lutein/zein nanoparticles via solution enhanced dispersion by supercritical fluids. J. Food Eng. 2012, 109, 545–552. [Google Scholar] [CrossRef]
- Montes, A.; Gordillo, M.D.; Pereyra, C.; Santos, D.D.L.; De La Ossa, E.M. Ibuprofen–polymer precipitation using supercritical CO2 at low temperature. J. Supercrit. Fluids 2014, 94, 91–101. [Google Scholar] [CrossRef]
- Prosapio, V.; De Marco, I.; Scognamiglio, M.; Reverchon, E. Folic acid-PVP nanostructured composite microparticles by supercritical antisolvent precipitation. Chem. Eng. J. 2015, 277, 286–294. [Google Scholar] [CrossRef]
- Wang, W.; Liu, G.; Wu, J.; Jiang, Y. Co-precipitation of 10-hydroxycamptothecin and poly (l-lactic acid) by supercritical CO2 anti-solvent process using dichloromethane/ethanol co-solvent. J. Supercrit. Fluids 2013, 74, 137–144. [Google Scholar] [CrossRef]
- Adami, R.; Reverchon, E.; Järvenpää, E.; Huopalahti, R. Supercritical AntiSolvent micronization of nalmefene HCl on laboratory and pilot scale. Powder Technol. 2008, 182, 105–112. [Google Scholar] [CrossRef]
- Kim, Y.H.; Shing, K.S. Supercritical fluid-micronized ipratropium bromide for pulmonary drug delivery. Powder Technol. 2008, 182, 25–32. [Google Scholar] [CrossRef]
- Patomchaiviwat, V.; Paeratakul, O.; Kulvanich, P. Formation of inhalable rifampicin-poly(l-lactide) microparticles by supercritical anti-solvent process. AAPS Pharmscitech 2008, 9, 1119–1129. [Google Scholar] [CrossRef] [PubMed]
- Reverchon, E.; Adami, R.; Caputo, G. Production of Cromolyn Sodium Microparticles for Aerosol Delivery by Supercritical Assisted Atomization. AAPS Pharmscitech 2007, 8, 272–280. [Google Scholar] [CrossRef]
- Reverchon, E.; Della Porta, G.; Pallado, P. Supercritical antisolvent precipitation of salbutamol microparticles. Powder Technol. 2001, 114, 17–22. [Google Scholar] [CrossRef]
- Reverchon, E.; Adami, R.; Scognamiglio, M.; Fortunato, G.; Della Porta, G. Beclomethasone Microparticles for Wet Inhalation, Produced by Supercritical Assisted Atomization. Ind. Eng. Chem. Res. 2010, 49, 12747–12755. [Google Scholar] [CrossRef]
- De Paz, E.; Martin, A.; Every, H.; Cocero, M.J.; Alonso, M.J.C. Production of water-soluble quercetin formulations by antisolvent precipitation and supercritical drying. J. Supercrit. Fluids 2015, 104, 281–290. [Google Scholar] [CrossRef]
- Kurniawansyah, F.; Mammucari, R.; Foster, N. Inhalable curcumin formulations by supercritical technology. Powder Technol. 2015, 284, 289–298. [Google Scholar] [CrossRef]
- Baldino, L.; Della Porta, G.; Osseo, L.S.; Reverchon, E.; Adami, R. Concentrated oleuropein powder from olive leaves using alcoholic extraction and supercritical CO2 assisted extraction. J. Supercrit. Fluids 2018, 133, 65–69. [Google Scholar] [CrossRef]
- Chinnarasu, C.; Montes, A.; Ponce, M.F.; Casas, L.; Mantell, C.; Pereyra, C.; de la Ossa, E.M. Precipitation of antioxidant fine particles from Olea europaea leaves using supercritical antisolvent process. J. Supercrit. Fluids 2015, 97, 125–132. [Google Scholar] [CrossRef]
- Garcí-Abarrio, S.; Marqués, J.; Scognamiglio, M.; Della Porta, G.; Reverchon, E.; Mainar, A.; Urieta, J. Supercritical extraction and separation of antioxidants from residues of the wine industry. Procedia Eng. 2012, 42, 1762–1766. [Google Scholar] [CrossRef][Green Version]
- Meneses, M.A.; Caputo, G.; Scognamiglio, M.; Reverchon, E.; Adami, R. Antioxidant phenolic compounds recovery from Mangifera indica L. by-products by supercritical antisolvent extraction. J. Food Eng. 2015, 163, 45–53. [Google Scholar] [CrossRef]
- Natolino, A.; Da Porto, C.; Rodríguez-Rojo, S.; Moreno, T.; Cocero, M.J. Supercritical antisolvent precipitation of polyphenols from grape marc extract. J. Supercrit. Fluids 2016, 118, 54–63. [Google Scholar] [CrossRef]
- Sosa, M.; Rodríguez-Rojo, S.; Mattea, F.; Cismondi, M.; Cocero, M. Green tea encapsulation by means of high pressure antisolvent coprecipitation. J. Supercrit. Fluids 2011, 56, 304–311. [Google Scholar] [CrossRef]
- Visentin, A.; Rodríguez-Rojo, S.; Navarrete, A.; Maestri, D.; Cocero, M. Precipitation and encapsulation of rosemary antioxidants by supercritical antisolvent process. J. Food Eng. 2012, 109, 9–15. [Google Scholar] [CrossRef]
- Palazzo, I.; Lamparelli, E.P.; Ciardulli, M.C.; Scala, P.; Reverchon, E.; Forsyth, N.; Maffulli, N.; Santoro, A.; Della Porta, G. Supercritical emulsion extraction fabricated PLA/PLGA micro/nano carriers for growth factor delivery: Release profiles and cytotoxicity. Int. J. Pharm. 2021, 592, 120108. [Google Scholar] [CrossRef] [PubMed]
- Gimenez-Rota, C.; Palazzo, I.; Scognamiglio, M.R.; Mainar, A.; Reverchon, E.; Della Porta, G. β-Carotene, α-tocoferol and rosmarinic acid encapsulated within PLA/PLGA microcarriers by supercritical emulsion extraction: Encapsulation efficiency, drugs shelf-life and antioxidant activity. J. Supercrit. Fluids 2019, 146, 199–207. [Google Scholar] [CrossRef]
- Adami, R.; Osseo, L.S.; Huopalahti, R.; Reverchon, E. Supercritical AntiSolvent micronization of PVA by semi-continuous and batch processing. J. Supercrit. Fluids 2007, 42, 288–298. [Google Scholar] [CrossRef]
- Araus, K.A.; Casado, V.; del Valle, J.M.; Robert, P.S.; de la Fuente, J.C. Cosolvent effect of ethanol on the solubility of lutein in supercritical carbon dioxide. J. Supercrit. Fluids 2019, 143, 205–210. [Google Scholar] [CrossRef]
- Della Porta, G.; Campardelli, R.; Reverchon, E. Monodisperse biopolymer nanoparticles by Continuous Supercritical Emulsion Extraction. J. Supercrit. Fluids 2013, 76, 67–73. [Google Scholar] [CrossRef]
- Sansone, F.; Picerno, P.; Mencherini, T.; Russo, P.; Gasparri, F.; Giannini, V.; Lauro, M.R.; Puglisi, G.; Aquino, R.P. Enhanced technological and permeation properties of a microencapsulated soy isoflavones extract. J. Food Eng. 2013, 115, 298–305. [Google Scholar] [CrossRef]
- Chang, C.J.; Day, C.Y.; Ko, C.M.; Chiu, K.L. Densities and P-x-y diagrams for carbon dioxide dissolution in methanol, ethanol, and acetone mixtures. Fluid Phase Equilibr 1997, 131, 243–258. [Google Scholar] [CrossRef]
- Jennings, D.W.; Lee, R.J.; Teja, A.S. Vapor-liquid equilibria in the carbon dioxide + ethanol and carbon dioxide + 1-butanol systems. J. Chem. Eng. Data 1991, 36, 303–307. [Google Scholar] [CrossRef]
- Campardelli, R.; Della Porta, G.; Reverchon, E. Solvent elimination from polymer nanoparticle suspensions by continuous supercritical extraction. J. Supercrit. Fluids 2012, 70, 100–105. [Google Scholar] [CrossRef]








| Sample Code | T [°C] | P [bar] | ρ [Kg/L] | Qsol [mL/min] | xCO2 |
|---|---|---|---|---|---|
| SAE#1 | 40 | 80 | 0.28 | 1.0 | 0.98 |
| SAE#2 | 100 | 0.62 | 1.0 | 0.98 | |
| SAE#3 | 35 | 150 | 0.81 | 1.0 | 0.98 |
| SAE#4 | 150 | 0.81 | 0.5 | 0.99 |
| Sample Code | d10 (μm) | d50 (μm) | d90 (μm) | Dv Mean (μm) | Dose Loaded (mg) | Dose Emitted (%) | FPF (%) |
|---|---|---|---|---|---|---|---|
| SAE#1 | 3.31 | 9.78 | 17.64 | 10.38 | 5.5 | 97.2 ± 4.2 | 17.90 |
| SAE#2 | 3.95 | 9.55 | 19.73 | 11.57 | 20 | 93.9 ± 5.9 | 4.04 |
| SAE#3 | 5.63 | 12.60 | 24.87 | 14.00 | 15 | 94.5 ± 8.6 | 6.71 |
| SAE#4 | 2.37 | 6.80 | 12.16 | 7.08 | 9 | 96.0 ± 2.1 | 32.60 |
| Sample Code | P [bar] | ρ [Kg/L] | Qsol [mL/min] | xCO2 |
|---|---|---|---|---|
| SAE#5 | 90 | 0.24 | 1 | 0.98 |
| SAE#6 | 110 | 0.36 | 1 | 0.98 |
| SAE#7 | 110 | 0.36 | 0.5 | 0.99 |
| SAE#8 | 130 | 0.50 | 1 | 0.98 |
| SAE#9 | 130 | 0.50 | 0.5 | 0.99 |
| SAE#10 * | 130 | 0.50 | 0.5 | 0.99 |
| Sample Code | d10 (μm) | d50 (μm) | d90 (μm) | Dvmean (μm) | Dose Loaded (mg) | Dose Emitted (%) | FPF. (%) |
|---|---|---|---|---|---|---|---|
| SAE#5 | 1.975 | 7.087 | 19.220 | 7.21 | 12 | 93.8 ± 6.2 | 29.1 ± 2.1 |
| SAE#6 | 1.233 | 6.553 | 15.28 | 7.98 | 12 | 96.6 ± 5. 9 | 22.7 ± 3.1 |
| SAE#7 | 2.477 | 6.819 | 22.640 | 7.03 | 12 | 95.7 ± 8.6 | 23.4 ± 4.2 |
| SAE#8 | 0.692 | 1.806 | 4.74 | 2.31 | 11 | 105 ± 10.9 | 27.8 ± 2.9 |
| SAE#9 | 2.249 | 6.835 | 12.17 | 7.08 | 16 | 96.6 ± 3.3 | 36.8 ± 2.2 |
Publisher’s Note: MDPI stays neutral with regard to jurisdictional claims in published maps and institutional affiliations. |
© 2022 by the authors. Licensee MDPI, Basel, Switzerland. This article is an open access article distributed under the terms and conditions of the Creative Commons Attribution (CC BY) license (https://creativecommons.org/licenses/by/4.0/).
Share and Cite
Adami, R.; Russo, P.; Amante, C.; De Soricellis, C.; Della Porta, G.; Reverchon, E.; Del Gaudio, P. Supercritical Antisolvent Technique for the Production of Breathable Naringin Powder. Pharmaceutics 2022, 14, 1623. https://doi.org/10.3390/pharmaceutics14081623
Adami R, Russo P, Amante C, De Soricellis C, Della Porta G, Reverchon E, Del Gaudio P. Supercritical Antisolvent Technique for the Production of Breathable Naringin Powder. Pharmaceutics. 2022; 14(8):1623. https://doi.org/10.3390/pharmaceutics14081623
Chicago/Turabian StyleAdami, Renata, Paola Russo, Chiara Amante, Chiara De Soricellis, Giovanna Della Porta, Ernesto Reverchon, and Pasquale Del Gaudio. 2022. "Supercritical Antisolvent Technique for the Production of Breathable Naringin Powder" Pharmaceutics 14, no. 8: 1623. https://doi.org/10.3390/pharmaceutics14081623
APA StyleAdami, R., Russo, P., Amante, C., De Soricellis, C., Della Porta, G., Reverchon, E., & Del Gaudio, P. (2022). Supercritical Antisolvent Technique for the Production of Breathable Naringin Powder. Pharmaceutics, 14(8), 1623. https://doi.org/10.3390/pharmaceutics14081623

