Clay Nanotube Immobilization on Animal Hair for Sustained Anti-Lice Protection
Abstract
:1. Introduction
2. Materials and Methods
2.1. Halloysite Aqueous Dispersion for Hair Coating
2.2. Coating of the Animal Hair with Halloysite Dispersion
2.3. Hair Surface Study
2.4. Thermogravimetry of Pristine and Unwaxed Capybara Hair
2.5. Hydrophobicity Characterization of Hair Specimens
2.6. Loading of Halloysite Nanotubes with Permethrin
2.7. Surface Charge and Colloidal Stability Assessment of Halloysite
2.8. Drug Release Kinetics Evaluation
2.9. In Vitro Goat D. caprae Lice Eradication Bioassay
2.10. Hair Pretreatment with Wax to Maximize Halloysite Coverage
3. Results and Discussion
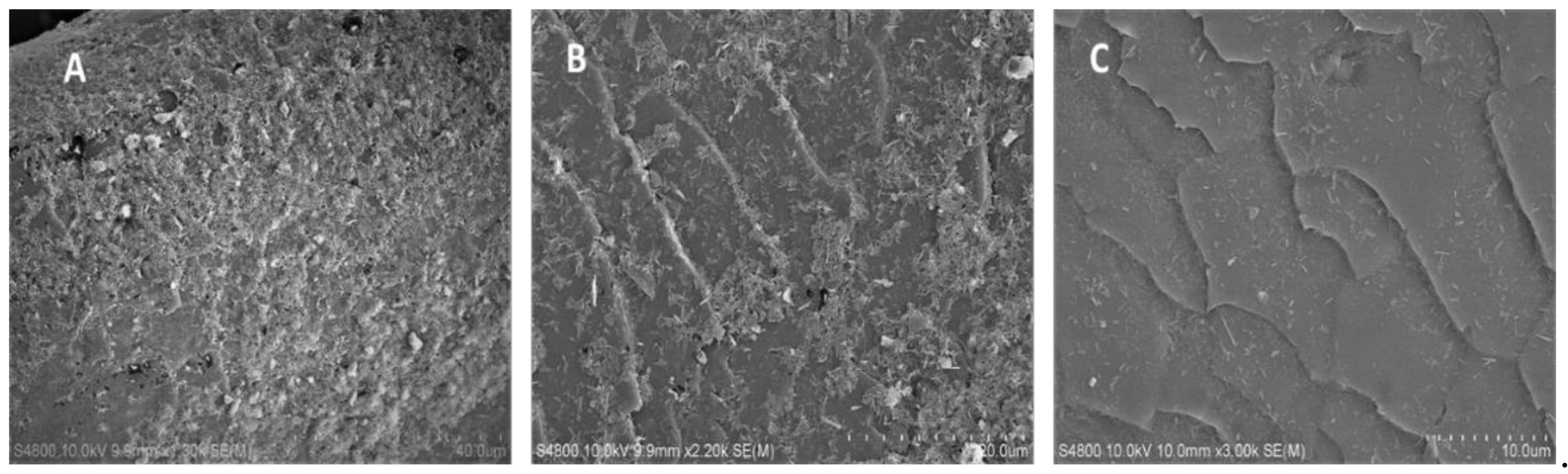
3.1. Surface Texture of Halloysite Coated Hair Cuticles
3.2. Hair Water Contact Angle, Waxing, and Halloysite-Drug Loading
3.3. Zeta Potential and Colloidal Stability of Halloysites
3.4. Goat Hair Pretreated with Wax Followed by Halloysite Coating for Anti-Lice Protection
3.5. Halloysite-Drug Formulation Antiparasite Efficiency on Goat Lice
4. Conclusions
Supplementary Materials
Author Contributions
Funding
Institutional Review Board Statement
Informed Consent Statement
Data Availability Statement
Acknowledgments
Conflicts of Interest
References
- Durden, L.A. Lice (Phthiraptera). In Medical and Veterinary Entomology; Wiley Online Library: London, UK, 2019; Chapter 7; pp. 79–106. [Google Scholar]
- Borrego-Sánchez, A.; Carazo, E.; Aguzzi, C.; Viseras, C.; Sainz-Díaz, C.I. Biopharmaceutical improvement of praziquantel by interaction with montmorillonite and sepiolite. Appl. Clay Sci. 2018, 160, 173–179. [Google Scholar] [CrossRef]
- Panchal, A.; Fakhrullina, G.; Fakhrullin, R.; Lvov, Y. Self-assembly of clay nanotubes on hair surface for medical and cosmetic formulations. Nanoscale 2018, 10, 18205–18216. [Google Scholar] [CrossRef]
- Santos, A.C.; Panchal, A.; Rahman, N.; Pereira-Silva, M.; Pereira, I.; Veiga, F.; Lvov, Y. Evolution of hair treatment and care: Prospects of nanotube-based formulations. Nanomaterials 2019, 9, 903. [Google Scholar] [CrossRef] [Green Version]
- Liu, M.; Fakhrullin, R.; Novikov, A.; Panchal, A.; Lvov, Y. Tubule nanoclay-organic heterostructures for biomedical applications. Macromol. Biosci. 2019, 19, 1800419. [Google Scholar] [CrossRef]
- Lvov, Y.M.; DeVilliers, M.M.; Fakhrullin, R.F. The application of halloysite tubule nanoclay in drug delivery. Expert Opin. DrugDeliv. 2016, 13, 977–986. [Google Scholar] [CrossRef] [PubMed]
- Cavallaro, G.; Lazzara, G.; Milioto, S. Exploiting the colloidal stability and solubilization ability of clay nanotubes/ionic surfactant hybrid nanomaterials. J. Phys. Chem. C 2012, 116, 21932–21938. [Google Scholar] [CrossRef]
- Guryanov, I.; Naumenko, E.; Akhatova, F.; Lazzara, G.; Cavallaro, G.; Nigamatzyanova, L.; Fakhrullin, R. Selective Cytotoxic Activity of Prodigiosin@halloysite Nanoformulation. Front. Bioeng. Biotechnol. 2020, 8, 424. [Google Scholar] [CrossRef]
- Fakhrullina, G.; Khakimova, E.; Akhatova, F.; Lazzara, G.; Parisi, F.; Fakhrullin, R. Selective Antimicrobial Effects of Curcumin@Halloysite Nanoformulation: A Caenorhabditis elegans Study. ACS Appl. Mater. Interfaces 2019, 11, 23050–23064. [Google Scholar] [CrossRef]
- Panchal, A.; Rahman, N.; Konnova, S.; Fakhrullin, R.; Zhang, D.; Blake, D.; John, V.; Ivanov, E.; Lvov, Y. Clay nanotube liquid marbles enhanced with inner biofilm formation for the encapsulation and storage of bacteria at room temperature. ACS Appl. Nano Mater. 2019, 3, 1263–1271. [Google Scholar] [CrossRef]
- Velasco, M.V.R.; Dias, T.C.D.S.; Freitas, A.Z.D.; Júnior, N.D.V.; Pinto, C.A.S.D.O.; Kaneko, T.M.; Baby, A.R. Hair fiber characteristics and methods to evaluate hair physical and mechanical properties. Braz. J. Pharm. Sci. 2009, 45, 153–162. [Google Scholar] [CrossRef]
- Rhein, L. Surfactant action on skin and hair: Cleansing and skin reactivity mechanisms. In Handbook for Cleaning/Decontamination of Surfaces; Elsevier: Amsterdam, The Netherlands, 2007; pp. 305–369. [Google Scholar]
- Tokunaga, S.; Tanamachi, H.; Ishikawa, K. Degradation of hair surface: Importance of 18-MEA and epicuticle. Cosmetics 2019, 6, 31. [Google Scholar] [CrossRef] [Green Version]
- Popescu, C.; Höcker, H. Hair—The most sophisticated biological composite material. Chem. Soc. Rev. 2007, 36, 1282–1291. [Google Scholar] [CrossRef]
- Donaldson, S.L.; Wirtz, T.B.; Hite, A.E. The social behaviour of capybaras at Evansville Zoo. Int. Zoo Yearb. 1975, 15, 201–206. [Google Scholar] [CrossRef]
- Yang SGN da, S.; da Silva, I.J.S.; Souza D da, S.E.; Fonseca CFDa Santiago AC Da, S.; Soares, P.C.; Oliveira, J.B. Multi-elemental exposure assessment through concentrations in hair of free-ranging capybaras (Hydrochoerus hydrochaeris Linnaeus, 1766) in the Atlantic Forest remnants, Northeast of Brazil. Chemosphere 2021, 262, 127800. [Google Scholar] [CrossRef]
- Kaufman, P.E.; Koehler, P.G.; Butler, J.F. External parasites of sheep and goats. EDIS 2006, 2006, 6–8. [Google Scholar]
- Stichele, R.H.V.; Dezeure, E.M.; Bogaert, M.G. Systematic review of clinical efficacy of topical treatments for head lice. BMJ 1995, 311, 604–608. [Google Scholar] [CrossRef] [Green Version]
- Strycharz, J.P.; Yoon, K.S.; Clark, J.M. A new ivermectin formulation topically kills permethrin-resistant human head lice (Anoplura: Pediculidae). J. Med. Entomol. 2008, 45, 75–81. [Google Scholar] [CrossRef]
- Santos, A.C.; Ferreira, C.; Veiga, F.; Ribeiro, A.; Panchal, A.; Lvov, Y.; Agarwal, A. Halloysite clay nanotubes for life sciences applications: From drug encapsulation to bioscaffold. Adv. Colloid Interface Sci. 2018, 257, 58–70. [Google Scholar] [CrossRef] [PubMed]
- Stein, B.; Franzke, M.; Baecker, S. Procter and Gamble Deutschland GmbH, 2003. Hair Wax Products CONTAINING Waxes, Non-Volatile Oils and Volatile Hydrophobic Materials. U.S. Patent 20060210487A1, 21 September 2006. [Google Scholar]
- Cavallaro, G.; Milioto, S.; Konnova, S.A.; Fakhrullina, G.; Akhatova, F.; Lazzara, G.; Fakhrullin, R.F.; Lvov, Y. Halloysite/keratin nanocomposite for human hair photoprotection coating. ACS Appl. Mater. Interfaces 2020, 12, 24348–24362. [Google Scholar] [CrossRef] [PubMed]
- Akhatova, F.; Fakhrullina, G.; Khakimova, E.; Fakhrullin, R. Atomic force microscopy for imaging and nanomechanical characterisation of live nematode epicuticle: A comparative Caenorhabditis elegans and Turbatrix aceti study. Ultramicroscopy 2018, 194, 40–47. [Google Scholar] [CrossRef]
- Taplin, P.D.; Meinking, T.L.; Porcelain, S.L.; Castillero, P.M.; Chen, J.A. Permethrin 5% dermal cream: A new treatment far scabies. J. Am. Acad. Dermatol. 1986, 15, 995–1001. [Google Scholar] [CrossRef]
- Borrego-Sánchez, A.; Sánchez-Espejo, R.; García-Villén, F.; Viseras, C.; Sainz-Díaz, C.I. Praziquantel–Clays as accelerated release systems to enhance the low solubility of the drug. Pharmaceutics 2020, 12, 914. [Google Scholar] [CrossRef]
- Yendluri, R.; Lvov, Y.; de Villiers, M.M.; Vinokurov, V.; Naumenko, E.; Tarasova, E.; Fakhrullin, R. Paclitaxel encapsulated in halloysite clay nanotubes for intestinal and intracellular delivery. J. Pharm. Sci. 2017, 106, 3131–3139. [Google Scholar] [CrossRef] [PubMed]
- Mishra, P.; Balaji, A.P.B.; Dhal, P.K.; Kumar, R.S.; Magdassi, S.; Margulis, K.; Tyagi, B.K.; Mukherjee, A. Chandrasekaran, N. Stability of nano-sized permethrin in its colloidal state and its effect on the physiological and biochemical profile of Culex tritaeniorhynchus larvae. Bull. Èntomol. Res. 2017, 107, 676–688. [Google Scholar] [CrossRef] [PubMed]
- Pumchan, A.; Cheycharoen, O.; Unajak, S.; Prasittichai, C. An oral biologics carrier from modified halloysite nanotubes. New J. Chem. 2021, 45, 9130–9136. [Google Scholar] [CrossRef]
- Awsiuk, K.; Stetsyshyn, Y.; Raczkowska, J.; Lishchynskyi, O.; Dąbczyński, P.; Kostruba, A.; Ohar, H.; Shymborska, Y.; Nastyshyn, S.; Budkowski, A. Temperature-controlled orientation of proteins on temperature-responsive grafted polymer brushes: Poly (butyl methacrylate) vs poly (butyl acrylate): Morphology, wetting, and protein adsorption. Biomacromolecules 2019, 20, 2185–2197. [Google Scholar] [CrossRef]
- Raczkowska, J.; Stetsyshyn, Y.; Awsiuk, K.; Lekka, M.; Marzec, M.; Harhay, K.; Ohar, H.; Ostapiv, D.; Sharan, M.; Yaremchuk, I.; et al. Temperature-responsive grafted polymer brushes obtained from renewable sources with potential application as substrates for tissue engineering. Appl. Surf. Sci. 2017, 407, 546–554. [Google Scholar] [CrossRef]
- Baidamshina, D.R.; Trizna, E.Y.; Holyavka, M.G.; Bogachev, M.; Artyukhov, V.G.; Akhatova, F.S.; Rozhina, E.V.; Fakhrullin, R.; Kayumov, A.R. Targeting microbial biofilms using Ficin, a nonspecific plant protease. Sci. Rep. 2017, 7, 46068. [Google Scholar] [CrossRef] [Green Version]
- Dankers, L.M. Physical Analysis of Human Hair. Master’s Thesis, University of Missouri, Rolla, MO, USA, 2007. [Google Scholar]
- Griffioen, K.; Van Gemst, D.B.; Pieterse, M.C.; Jacobs, F.; Van Oldruitenborgh-Oosterbaan, M.M.S. Culicoides species associated with sheep in the Netherlands and the effect of a permethrin insecticide. Veter J. 2011, 190, 230–235. [Google Scholar] [CrossRef] [PubMed]
- Lvov, Y.; Panchal, A.; Fu, Y.; Fakhrullin, R.; Kryuchkova, M.; Batasheva, S.; Stavitskaya, A.; Glotov, A.; Vinokurov, V. Interfacial self-assembly in halloysite nanotube composites. Langmuir 2019, 35, 8646–8657. [Google Scholar] [CrossRef]











| Surface Parameter: | Sq (µm) | Sz (µm) | Ssk | Sal (µm) |
|---|---|---|---|---|
| Capybara untreated hair | 1.5 ± 0.3 | 14.1 ± 5.3 | −0.5 ± 0.5 | 9.8 ± 1.4 |
| Capybara wax-removed hair | 1.5 ± 0.1 | 10.9 ± 1.4 | −0.62 ± 0.5 | 8.5 ± 2.1 |
| Capybara HNTs coated hair | 5.1 ± 3.8 | 33.3 ± 2.7 | −0.7 ± 0.4 | 5.6 ± 1.4 |
| Capybara wax-removed HNTs coated hair | 2.2 ± 0.1 | 17.8 ± 0.7 | −0.43 ± 0.1 | 3.4 ± 0.5 |
| Guinea pig untreated hair | 2.4 ± 0.3 | 25.3 ± 7.8 | −0.3 ± 1.3 | 2.5 ± 2.4 |
| Guinea pig HNTs-coated hair | 4.1 ± 1.1 | 49.6 ± 2.5 | −0.6 ± 1.0 | 1.7 ± 0.9 |
| Parameter | Rq (nm) | Ra (nm) | Adhesion (nN) | Young’s Modulus (MPa) |
|---|---|---|---|---|
| Capybara (waxed) | 171 ± 41 | 130 ± 31 | 5.3 ± 1.5 | 9.5 ± 1.9 |
| Capybara (wax-free) | 403 ± 59 | 314 ± 42 | 2.8 ± 1.7 | 12.4 ± 0.8 |
| Capybara + HNT | 137 ± 36 | 105 ± 26 | 7.4 ± 1.3 | 139.4 ± 38.6 |
| Guinea pig | 124 ± 22 | 100 ± 21 | 18.6 ± 3.2 | 63.5 ± 10.5 |
| Guinea pig + HNT | 115 ± 18 | 92 ± 10 | 8.6 ± 2.2 | 61.4 ± 26.2 |
| Experimental Formulation | Number of Lice Survived/Recorded Time (h) | ||||
|---|---|---|---|---|---|
| 0 | 4 | 8 | 16 | 24 | |
| Hair without any treatment | 10 | 10 | 10 | 10 | 10 ± 1 |
| Hair washed with 30% ethanol | 10 | 10 | 10 | 10 | 10 ± 1 |
| Hair coated with 5% unloaded HNT | 10 | 10 | 10 | 10 | 10 ± 1 |
| Hair coated with 10% unloaded HNT | 10 | 10 | 10 | 10 | 10 ± 1 |
| Experimental Formulation. | Number of Lice Survived/Recorded Time (h) | ||||
|---|---|---|---|---|---|
| 0 | 4 | 8 | 16 | 24 | |
| Hair treated with 0.5% permethrin | 10 | 1 ± 1 | 0 | 0 | 0 |
| Hair washed one time after 0.5% permethrin treatment | 10 | 5 ± 1 | 2 ± 1 | 0 | 0 |
| Hair washed two times after 0.5% permethrin treatment | 10 | 8 | 6 ± 1 | 6 ± 1 | 6 ± 1 |
| Experimental Formulation | Number of Lice Survived/Time (h) | ||||
|---|---|---|---|---|---|
| 0 | 4 | 8 | 16 | 24 | |
| Hair coated with permethrin—HNT, no washing | 10 | 2 ± 1 | 0 | 0 | 0 |
| Hair washed one time after permethrin-HNT treatment | 10 | 3 ± 1 | 1 ± 1 | 0 | 0 |
| Hair washed two times after permethrin-HNT treatment | 10 | 4 ± 1 | 3 ± 1 | 0 | 0 |
Publisher’s Note: MDPI stays neutral with regard to jurisdictional claims in published maps and institutional affiliations. |
© 2021 by the authors. Licensee MDPI, Basel, Switzerland. This article is an open access article distributed under the terms and conditions of the Creative Commons Attribution (CC BY) license (https://creativecommons.org/licenses/by/4.0/).
Share and Cite
Rahman, N.; Scott, F.H.; Lvov, Y.; Stavitskaya, A.; Akhatova, F.; Konnova, S.; Fakhrullina, G.; Fakhrullin, R. Clay Nanotube Immobilization on Animal Hair for Sustained Anti-Lice Protection. Pharmaceutics 2021, 13, 1477. https://doi.org/10.3390/pharmaceutics13091477
Rahman N, Scott FH, Lvov Y, Stavitskaya A, Akhatova F, Konnova S, Fakhrullina G, Fakhrullin R. Clay Nanotube Immobilization on Animal Hair for Sustained Anti-Lice Protection. Pharmaceutics. 2021; 13(9):1477. https://doi.org/10.3390/pharmaceutics13091477
Chicago/Turabian StyleRahman, Naureen, Faith Hannah Scott, Yuri Lvov, Anna Stavitskaya, Farida Akhatova, Svetlana Konnova, Gӧlnur Fakhrullina, and Rawil Fakhrullin. 2021. "Clay Nanotube Immobilization on Animal Hair for Sustained Anti-Lice Protection" Pharmaceutics 13, no. 9: 1477. https://doi.org/10.3390/pharmaceutics13091477
APA StyleRahman, N., Scott, F. H., Lvov, Y., Stavitskaya, A., Akhatova, F., Konnova, S., Fakhrullina, G., & Fakhrullin, R. (2021). Clay Nanotube Immobilization on Animal Hair for Sustained Anti-Lice Protection. Pharmaceutics, 13(9), 1477. https://doi.org/10.3390/pharmaceutics13091477

