Application of Box–Behnken Design to Investigate the Effect of Process Parameters on the Microparticle Production of Ethenzamide through the Rapid Expansion of the Supercritical Solutions Process
Abstract
1. Introduction
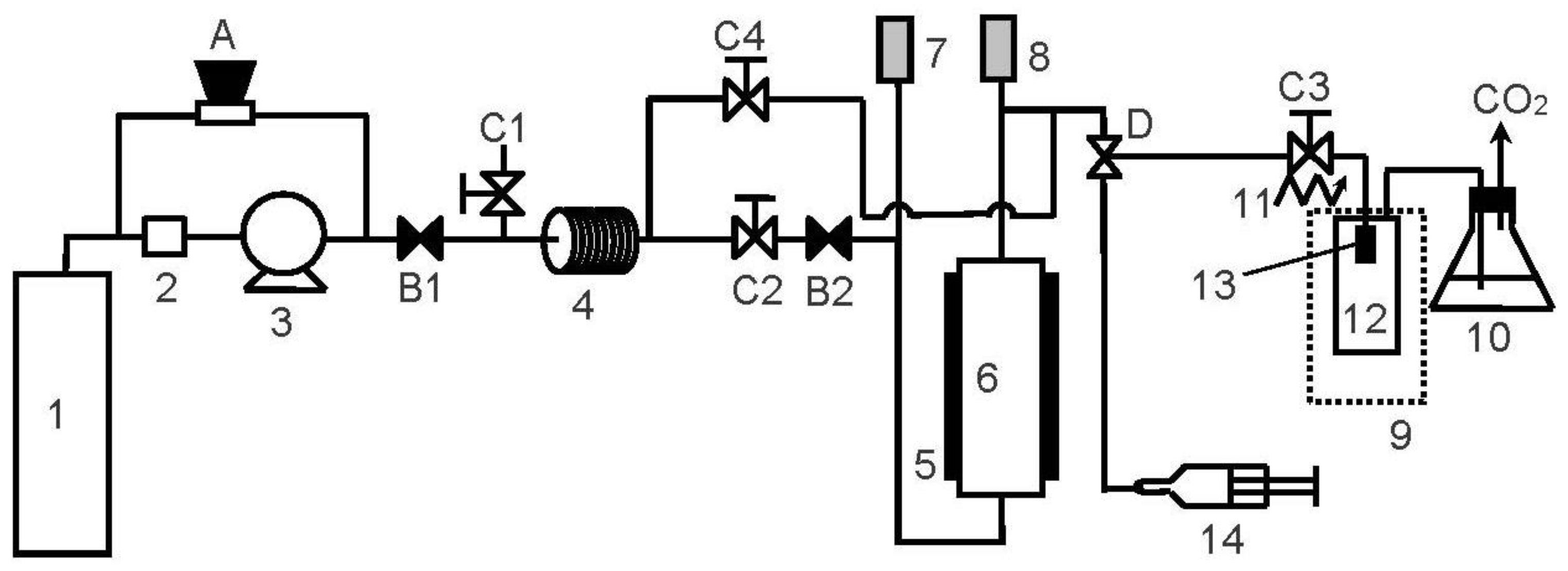
2. Materials and Methods
3. Results and Discussion
− 3.88 × 10−4 AC + 1.28 × 10−4 BC − 4.08 × 10−3 A2 + 1.67 × 10−5 B2 − 1.33 × 10−3 C2.
4. Conclusions
Supplementary Materials
Author Contributions
Funding
Conflicts of Interest
References
- Khadka, P.; Ro, J.; Kim, H.; Kim, I.; Kim, J.T.; Kim, H.; Cho, J.M.; Yun, G.; Lee, J. Pharmaceutical particle technologies: An approach to improve drug solubility, dissolution and bioavailability. Asian J. Pharm. Sci. 2014, 9, 304–316. [Google Scholar] [CrossRef]
- Kalepu, S.; Nekkanti, V. Improved delivery of poorly soluble compounds using nanoparticle technology: A review. Drug Deliv. Transl. Res. 2016, 6, 319–332. [Google Scholar] [CrossRef] [PubMed]
- Moschwitzer, J.P. Drug nanocrystals in the commercial pharmaceutical development process. Int. J. Pharm. 2013, 453, 142–156. [Google Scholar] [CrossRef]
- Fages, J.; Lochard, H.; Letourneau, J.J.; Sauceau, M.; Rodier, E. Particle generation for pharmaceutical applications using supercritical fluid technology. Powder Technol. 2004, 141, 219–226. [Google Scholar] [CrossRef]
- Long, B.; Ryan, K.M.; Padrela, L. From batch to continuous-new opportunities for supercritical CO2 technology in pharmaceutical manufacturing. Euro. J. Pharm. Sci. 2019, 137, 104971. [Google Scholar] [CrossRef] [PubMed]
- Matos, R.L.; de Melo, S.A.B.V.; Albuquerque, E.C.M.C.; Foster, N.R. Dense CO2 technology: Overview of recent applications for drug processing/formulation/delivery. Chem. Eng. Process. 2019, 140, 64–77. [Google Scholar] [CrossRef]
- Chakravarty, P.; Famili, A.; Nagapudi, K.; Al-Sayah, M.A. Using supercritical fluid technology as a green alternative during the preparation of drug delivery systems. Pharmaceutics 2019, 11, 629. [Google Scholar] [CrossRef]
- Kankala, R.K.; Zhang, Y.S.; Wang, S.B.; Lee, C.H.; Chen, A.Z. Supercritical fluid technology: An emphasis on drug delivery and related biomedical applications. Adv. Healthcare Mater. 2017, 6, 1700433. [Google Scholar] [CrossRef]
- Temelli, F. Perspectives on the use of supercritical particle formation technologies for food ingredients. J. Supercrit. Fluids 2018, 134, 244–251. [Google Scholar] [CrossRef]
- Paisana, M.C.; Müllers, K.C.; Wahl, M.A.; Pinto, J.F. Production and stabilization of olanzapine nanoparticles by rapid expansion of supercritical solutions (RESS). J. Supercrit. Fluids 2016, 109, 124–133. [Google Scholar] [CrossRef]
- Türk, M.; Bolten, D. Polymorphic properties of micronized mefenamic acid, nabumetone, paracetamol and tolbutamide produced by rapid expansion of supercritical solutions (RESS). J. Supercrit. Fluids 2016, 116, 239–250. [Google Scholar] [CrossRef]
- Chen, B.Q.; Kankala, R.K.; Wang, S.B.; Chen, A.Z. Continuous nanonization of lonidamine by modified-rapid expansion of supercritical solution process. J. Supercrit. Fluids 2018, 133, 486–493. [Google Scholar] [CrossRef]
- Montes, A.; Merino, R.; de los Santos, D.M.; Pereyra, C.; de la Ossa, E.J.M. Micronization of vanillin by rapid expansion of supercritical solutions process. J. CO2 Util. 2017, 21, 169–176. [Google Scholar] [CrossRef]
- Oliveira, G.E.; Pinto, J.F. Evaluation of the potential use of laminar extrudates on stabilizing micronized coumarin particles by supercritical fluids (RESS)-study of different RESS processing variables and mode of operation. AAPS Pharm. Sci. Technol. 2017, 18, 2792–2807. [Google Scholar] [CrossRef] [PubMed]
- Darias, V.; Bravo, L.; Abdallah, S.S.; Mateo, C.C.S.; Expósito-Orta, M.A.; Lissavetsky, J.; Manzanares, J. Synthesis and preliminary pharmacological study of thiophene analogues of the antipyretic and analgesic agent ethenzamide. Arch. Pharm. 1992, 325, 83–87. [Google Scholar] [CrossRef] [PubMed]
- Wang, P.J.; Guo, H.R. Frequent analgesics consumption in migraineurs: Comparison between chronic and episodic migraineurs. J. Headache Pain. 2004, 5, 30–35. [Google Scholar] [CrossRef]
- Danjo, K.; Nakata, T.; Otsuka, A. Preparation and dissolution behavior of ethenzamide solid dispersions using various sugars as dispersion carriers. Chem. Pharm. Bull. 1997, 45, 1840–1844. [Google Scholar] [CrossRef][Green Version]
- Kozak, A.; Marek, P.H.; Pindelska, E. Structural Characterization and pharmaceutical properties of three novel cocrystals of ethenzamide with aliphatic dicarboxylic acids. J. Pharm. Sci. 2019, 108, 1476–1485. [Google Scholar] [CrossRef]
- Fukunaka, T.; Sawaguchi, K.; Golman, B.; Shinohara, K. Variation in particle shape of active pharmaceutical ingredients prepared by fluidized-bed jet-milling. Yakugaku Zasshi 2005, 125, 951–957. [Google Scholar] [CrossRef][Green Version]
- Ozawa, M.; Hasegawa, K.; Yonezawa, Y.; Sunada, H. Preparation of solid dispersion for ethenzamide–carbopol and theophylline–carbopol systems using a twin screw extruder. Chem. Pharm. Bull. 2002, 50, 802–807. [Google Scholar] [CrossRef][Green Version]
- Mizoe, T.; Beppu, S.; Ozeki, T.; Okada, H. One-step preparation of drug-containing microparticles to enhance the dissolution and absorption of poorly water-soluble drugs using a 4-fluid nozzle spray drier. J. Control. Release 2007, 120, 205–210. [Google Scholar] [CrossRef] [PubMed]
- Bezerra, M.A.; Santelli, R.E.; Oliveira, E.P.; Villar, L.S.; Escaleir, L.A. Response surface methodology (RSM) as a tool for optimization in analytical chemistry. Talanta 2008, 76, 965–977. [Google Scholar] [CrossRef] [PubMed]
- Mäkelä, M. Experimental design and response surface methodology in energy applications: A tutorial review. Energy Convers. Manag. 2017, 151, 630–640. [Google Scholar] [CrossRef]
- Ciou, J.L.; Su, C.S. Measurement of solid solubilities of diuron in supercritical carbon dioxide and analysis of recrystallization by using the rapid expansion of supercritical solutions process. J. Suprcrit. Fluids 2016, 107, 753–759. [Google Scholar] [CrossRef]
- Keshavarz, A.; Karimi-Sabet, J.; Fattahi, A.; Golzary, A.A.; Rafiee-Tehrani, M.; Dorkoosh, F.A. Preparation and characterization of raloxifene nanoparticles using rapid expansion of supercritical solution (RESS). J. Supercrit. Fluids 2012, 63, 169–179. [Google Scholar] [CrossRef]
- Franco, P.; Reverchon, E.; de Marco, I. Zein/diclofenac sodium coprecipitation at micrometric and nanometric range by supercritical antisolvent processing. J. CO2 Util. 2018, 27, 366–373. [Google Scholar] [CrossRef]
- Maran, J.P.; Manikandan, S.; Priya, B.; Gurumoorthi, P. Box-Behnken design based multi-response analysis and optimization of supercritical carbon dioxide extraction of bioactive flavonoid compounds from tea (Camellia sinensis L.) leaves. J. Food Sci. Technol. 2015, 52, 92–104. [Google Scholar] [CrossRef]
- Khajeh, M. Optimization of process variables for essential oil components from Satureja hortensis by supercritical fluid extraction using Box-Behnken experimental design. J. Supercrit. Fluids 2011, 55, 944–948. [Google Scholar] [CrossRef]
- Naik, S.; Patel, D.; Surti, N.; Misra, A. Preparation of PEGylated liposomes of docetaxel using supercritical fluid technology. J. Supercrit. Fluids 2010, 54, 110–119. [Google Scholar] [CrossRef]
- Park, J.; Cho, W.; Kang, H.; Lee, B.B.J.; Kim, T.S.; Hwang, S.J. Effect of operating parameters on PVP/tadalafil solid dispersionsprepared using supercritical anti-solvent process. J. Supercrit. Fluids 2014, 90, 126–133. [Google Scholar] [CrossRef]






| Independent Variable | Symbol | Level | ||
|---|---|---|---|---|
| −1 | 0 | 1 | ||
| A: Extraction temperature | Text (°C) | 35 | 45 | 55 |
| B: Pre-expansion temperature | Tpre (°C) | 90 | 130 | 170 |
| C: Post-expansion temperature | Tpost (°C) | 0 | 20 | 40 |
| Exp. No. | A-Text (°C) | B-Tpre (°C) | C-Tpost (°C) | Mean Size (μm) | SD (c) (μm) | |
|---|---|---|---|---|---|---|
| Exp. | Pred. (b) | |||||
| 1 | −1 | 0 | −1 | 4.39 | 4.20 | 1.31 |
| 2 | −1 | −1 | 0 | 6.12 | 6.02 | 2.03 |
| 3 | −1 | 1 | 0 | 2.84 | 2.81 | 1.13 |
| 4 | −1 | 0 | 1 | 3.20 | 3.52 | 0.95 |
| 5 | 0 | −1 | −1 | 4.94 | 5.23 | 1.59 |
| 6 | 0 | 1 | −1 | 2.39 | 2.61 | 0.82 |
| 7 | 0 | −1 | 1 | 4.41 | 4.19 | 1.29 |
| 8 | 0 | 1 | 1 | 2.27 | 1.98 | 0.64 |
| 9 | 1 | 0 | −1 | 3.09 | 2.77 | 0.77 |
| 10 | 1 | −1 | 0 | 3.61 | 3.64 | 0.99 |
| 11 | 1 | 1 | 0 | 1.93 | 2.03 | 0.76 |
| 12 | 1 | 0 | 1 | 1.59 | 1.78 | 0.46 |
| 13 | 0 | 0 | 0 | 4.12 | 4.01 | 1.45 |
| 14 | 0 | 0 | 0 | 4.07 | 4.01 | 1.17 |
| 15 | 0 | 0 | 0 | 3.83 | 4.01 | 1.37 |
| Model | Results | |
|---|---|---|
| R2 | p-Value (Prob > F) | |
| Linear | 0.8619 | 0.0727 |
| 2FI | 0.8956 | 0.0646 |
| Quadratic | 0.9709 | 0.1159 |
| Source | Sum of Squares | Mean Square | p-Value (Prob > F) |
|---|---|---|---|
| Model | 20.32 | 2.26 | 0.0025 |
| A | 5.01 | 5.01 | 0.0014 |
| B | 11.64 | 11.64 | 0.0002 |
| C | 1.39 | 1.39 | 0.0197 |
| AB | 0.64 | 0.64 | 0.0706 |
| AC | 0.02 | 0.02 | 0.6757 |
| BC | 0.04 | 0.04 | 0.5827 |
| A2 | 0.62 | 0.62 | 0.0746 |
| B2 | 0.003 | 0.003 | 0.8891 |
| C2 | 1.04 | 1.04 | 0.0330 |
© 2020 by the authors. Licensee MDPI, Basel, Switzerland. This article is an open access article distributed under the terms and conditions of the Creative Commons Attribution (CC BY) license (http://creativecommons.org/licenses/by/4.0/).
Share and Cite
Hsu, Y.-T.; Su, C.-S. Application of Box–Behnken Design to Investigate the Effect of Process Parameters on the Microparticle Production of Ethenzamide through the Rapid Expansion of the Supercritical Solutions Process. Pharmaceutics 2020, 12, 42. https://doi.org/10.3390/pharmaceutics12010042
Hsu Y-T, Su C-S. Application of Box–Behnken Design to Investigate the Effect of Process Parameters on the Microparticle Production of Ethenzamide through the Rapid Expansion of the Supercritical Solutions Process. Pharmaceutics. 2020; 12(1):42. https://doi.org/10.3390/pharmaceutics12010042
Chicago/Turabian StyleHsu, Yung-Tai, and Chie-Shaan Su. 2020. "Application of Box–Behnken Design to Investigate the Effect of Process Parameters on the Microparticle Production of Ethenzamide through the Rapid Expansion of the Supercritical Solutions Process" Pharmaceutics 12, no. 1: 42. https://doi.org/10.3390/pharmaceutics12010042
APA StyleHsu, Y.-T., & Su, C.-S. (2020). Application of Box–Behnken Design to Investigate the Effect of Process Parameters on the Microparticle Production of Ethenzamide through the Rapid Expansion of the Supercritical Solutions Process. Pharmaceutics, 12(1), 42. https://doi.org/10.3390/pharmaceutics12010042

