Fire Regimes of Remnant Pitch Pine Communities in the Ridge and Valley Region of Central Pennsylvania, USA
Abstract
:1. Introduction
2. Materials and Methods
2.1. Study Site Descriptions
2.2. Data Collection
Fire-Scar Data
2.3. Fire-Scar Data Analysis
2.4. Fire and Climate Analysis
3. Results
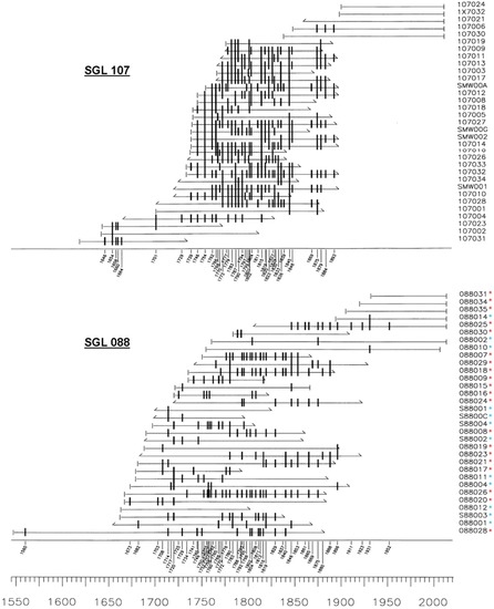
3.1. Tree-Ring and Fire-Scar Data
3.1.1. All-Time Period
3.1.2. Pre-European Settlement Period (Pre-1755)
3.1.3. European Settlement Period (1755 to 1914)
3.1.4. Fire-Suppression Period (1915 to 2013)
3.1.5. Intra-Site Fire Regime Characteristics across Time Periods
3.1.6. Aspect Influence at SGL 088
3.2. Fire and Drought
4. Discussion
4.1. Characterizing Historical Fire Regimes
4.1.1. Fire Frequency
4.1.2. Fire Severity and Extent
4.1.3. Fire Seasonality
4.2. Management Implications
5. Conclusions
Acknowledgments
Author Contributions
Conflicts of Interest
References
- Cohesive National Wildland Fire Management Strategy. The Final Phase in the Development of the National Cohesive Wildland Fire Management Strategy. 2014. Available online: https://www.forestsandrangelands.gov/strategy/documents/strategy/CSPhaseIIINationalStrategyApr2014.pdf (accessed on 15 May 2016).
- Brandt, L.; He, H.; Iverson, L.; Thompson, F.R., III; Butler, P.; Handler, S.; Janowiak, M.; Danielle, S.P.; Swanston, C.; Albrecht, M.; et al. Central Hardwoods Ecosystem Vulnerability Assessment and Synthesis: A Report from the Central Hardwoods Climate Change Response Framework Project; USDA Forest Service General Technical Report NRS-124; Northern Research Station: Newtown Square, PA, USA, 2014. [Google Scholar]
- Ryan, K.C.; Knapp, E.E.; Varner, J.M. Prescribed fire in North American forests and woodlands: History, current practice, and challenges. Front. Ecol. Environ. 2013, 11, e15–e24. [Google Scholar] [CrossRef]
- Engstrom, R.T.; Gilbert, S.; Hunter, M.L., Jr.; Merriwether, D.; Nowacki, G.J.; Spencer, P. Practical applications of disturbance ecology to natural resource management. In Ecological Stewardship: A Common Reference for Ecosystem Management; Johnson, N.C., Malik, A.J., Sexton, W.T., Szabo, R.C., Eds.; Elsevier: Oxford, UK, 1999; Volume 2. [Google Scholar]
- Swetnam, T.W.; Allen, C.D.; Betancourt, J.L. Applied historical ecology: Using the past to manage for the future. Ecol. Appl. 1999, 9, 1189–1206. [Google Scholar] [CrossRef]
- Stambaugh, M.C.; Marschall, J.M.; Guyette, R.P. Linking fire history to successional changes of xeric oak woodlands. For. Ecol. Manag. 2014, 320, 83–95. [Google Scholar] [CrossRef]
- Abrams, M.D. Fire and the development of oak forests. BioScience 1992, 42, 346–353. [Google Scholar] [CrossRef]
- Lorimer, C.G. Historical and ecological roles of disturbance in eastern North American forests: 9000 Years of change. Wildl. Soc. Bull. 2001, 29, 425–439. [Google Scholar]
- Ruffner, C.M. Understanding the evidence for historical fire across eastern forests. In Fire in Eastern Oak Forests: Delivering Science to Land Managers, Proceedings of a Conference, Columbus, OH, USA, 15–17 November 2005; Dickinson, M.B., Ed.; Gen. Tech. Rep. NRS-P-1. Northern Research Station: Newtown Square, PA, USA, 2006; pp. 40–48. [Google Scholar]
- Nowacki, G.J.; Abrams, M.D. The demise of fire and ‘‘Mesophication’’ of forests in the eastern United States. BioScience 2008, 58, 123–138. [Google Scholar] [CrossRef]
- Taber, T.T. Logging Railroad Era of Lumbering in Pennsylvania. In Sunset along the Susquehanna; Lycoming Printing Company: Williamsport, PA, USA, 1972; Volume 4. [Google Scholar]
- Decoster, L.A. The Legacy of Penn’s Woods: A History of the Pennsylvania Bureau of Forestry; Pennsylvania Historical and Museum Commission: Harrisburg, PA, USA, 1995. [Google Scholar]
- Johnson, A.S.; Hale, P.E. The historical foundations of prescribed burning for wildlife: A Southeastern perspective. In The Role of Fire in Nongame Wildlife Management and Community Restoration; Ford, W.M., Russell, K.R., Moorman, C.E., Eds.; U.S.D.A. Forest Service Northeastern Research Station: Newtown Square, PA, USA, 2002; pp. 11–23. [Google Scholar]
- Donovan, G.H.; Brown, T.C. Be careful what you wish for: The legacy of Smokey Bear. Front. Ecol. Environ. 2007, 5, 73–79. [Google Scholar] [CrossRef]
- Lorimer, C.G. Development oak forests. For. Sci. 1984, 30, 3–22. [Google Scholar]
- Nowacki, G.J.; Abrams, M.D. Community, edaphic, and historical analysis of mixed oak forests of the Ridge and Valley Province in central Pennsylvania. Can. J. For. Res. 1992, 22, 790–800. [Google Scholar] [CrossRef]
- Harrod, J.C.; Harmon, M.E.; White, P.S. Post-fire succession and 20th century reduction in fire frequency on xeric southern Appalachian sites. J. Veg. Sci. 2000, 11, 465–472. [Google Scholar] [CrossRef]
- McEwan, R.W.; Muller, R.N. Spatial and temporal dynamics in canopy dominance of an old-growth central Appalachian forest. Can. J. For. Res. 2006, 36, 1536–1550. [Google Scholar] [CrossRef]
- Fei, S.L.; Kong, N.N.; Steiner, K.C.; Moser, W.K.; Steiner, E.B. Change in oak abundance in the eastern United States from 1980 to 2008. For. Ecol. Manag. 2011, 262, 1370–1377. [Google Scholar] [CrossRef]
- Rodewald, A.D.; Abrams, M.D. Floristics and avian community structure: Implications for regional changes in eastern forest composition. For. Sci. 2002, 48, 267–272. [Google Scholar]
- McShea, W.J.; Healy, W.M.; Devers, P.; Fearer, T.; Koch, F.H.; Stauffer, D.; Waldon, J. Forestry matters: Decline of oaks will impact wildlife in hardwood forests. J. Wildl. Manag. 2007, 71, 1717–1728. [Google Scholar] [CrossRef]
- Hutchinson, T.F.; Long, R.P.; Ford, R.D.; Sutherland, E.K. Fire history and the establishment of oaks and maples in second-growth forests. Can. J. For. Res. 2008, 38, 1184–1198. [Google Scholar] [CrossRef]
- Ratajczak, Z.; Nippert, J.B.; Collins, S.L. Woody encroachment decreases diversity across North American grasslands and savannas. Ecology 2012, 93, 697–703. [Google Scholar] [CrossRef] [PubMed]
- McCord, J.M.; Harper, C.A.; Greenberg, C.H. Brood cover and food resources for wild turkeys following silvicultural treatments in mature upland hardwoods. Wildl. Soc. Bull. 2014, 38, 265–272. [Google Scholar] [CrossRef]
- Pyne, S.J. Fire in America; University of Washington Press: Princeton, NJ, USA, 1982; p. 655. [Google Scholar]
- Pausas, J.G.; Keeley, J.E. A burning story: The role of fire in the history of life. BioScience 2009, 59, 593–601. [Google Scholar] [CrossRef]
- McShea, W.J.; Healy, W.M. (Eds.) Oak Forest Ecosystems: Ecology and Management for Wildlife; John Hopkins University Press: Baltimore, MD, USA, 2002; p. 432.
- Pennsylvania Fish and Boat Commission. Pennsylvania State Wildlife Action Plan. 2015. Available online: http://fishandboat.com/swap.htm (accessed on 15 May 2016).
- Harper, C.A.; Ford, W.M.; Lashley, M.A.; Moorman, C.E.; Stambaugh, M.C. Fire effects on wildlife in the Central Hardwoods and Appalachian Regions. Fire Ecol. 2016, 12, 127–159. [Google Scholar]
- Varner, M.J.; Arthur, M.A.; Clark, S.L.; Dey, D.C.; Hart, J.L.; Schweitzer, C.J. Fire in Eastern North American oak ecosystems: Filling the gaps. Fire Ecol. 2016, 12, 1–6. [Google Scholar]
- Stambaugh, M.C.; Guyette, R.P. Predicting spatio-temporal variability in fire return intervals using a topographic roughness index. For. Ecol. Manag. 2008, 254, 463–473. [Google Scholar] [CrossRef]
- Guyette, R.P.; Stambaugh, M.C.; Dey, D.C.; Muzika, R.M. Predicting fire frequency with chemistry and climate. Ecosystems 2012, 15, 322–335. [Google Scholar] [CrossRef]
- Cronon, W. Changes in the Land: Indians, Colonists and the Ecology of New England; Hill and Wang: New York, NY, USA, 1983. [Google Scholar]
- Crow, T.R. Reproductive mode and mechanisms for self-replacement of northern red oak (Quercus rubra)—A review. For. Sci. 1988, 34, 19–40. [Google Scholar]
- Brose, P.H.; Dey, D.C.; Guyette, R.P.; Marschall, J.M.; Stambaugh, M.C. The influence of drought and humans on the fire regimes of northern Pennsylvania, USA. Can. J. For. Res. 2013, 43, 757–767. [Google Scholar] [CrossRef]
- Johnson, L.B.; Kipfmueller, K.F. A fire history derived from Pinus resinosa Ait. for the Islands of Eastern Lac La Croix, Minnesota, USA. Ecol. Appl. 2016, 26, 1030–1046. [Google Scholar] [CrossRef] [PubMed]
- Pennsylvania Game Commission. PA Game Commission Strategic Plan 2015–2020. Available online: http://www.pgc.pa.gov/InformationResources/AboutUs/Documents/PGC%20Strategic%20Plan%202015-2020.pdf (accessed on 1 June 2016).
- Bowen, B.W. Preserving genes, species, or ecosystems? Healing the fractured foundations of conservation policy. Mol. Ecol. 1999, 8, S5–S10. [Google Scholar] [CrossRef] [PubMed]
- Little, S. Prescribed burning as a tool of forest management in the northeastern states. J. For. 1953, 51, 496–500. [Google Scholar]
- Vogl, R.J. Fire: A destructive menace or a natural process? In Recovery and Restoration of Damaged Ecosystems, Proceedings of the International Symposium, Blacksburg, VA, USA, 23–25 March 1975; Cairns, J., Jr., Dickson, K.L., Herricks, E.E., Eds.; University Press of Virginia: Charlottesville, VA, USA, 1977; pp. 261–289. [Google Scholar]
- Richardson, D.M. Ecology and Biogeography of Pinus; Cambridge University Press: Cambridge, UK, 1998. [Google Scholar]
- Keeley, J.E. Ecology and evolution of pine life histories. Ann. For. Sci. 2012, 69, 445–453. [Google Scholar] [CrossRef]
- Sevon, W.D. Physiographic Provinces of Pennsylvania, Map 13, 4th ed.; Pennsylvania Geologic Survey: Harrisburg, PA, USA, 2000. [Google Scholar]
- Schultz, C.H. (Ed.) The Geology of Pennsylvania; Geological Survey, Department of Conservation of Natural Resources: Harrisburg, PA, USA, 1999.
- Stone, B.; Gustafson, D.; Jones, B. Manual of procedure for State Game Land Cover Typing; Commonwealth of Pennsylvania Game Commission, Bureau of Wildlife Habitat Management, Forest Inventory and Analysis Section, Forestry Division: Harrisburg, PA, USA, 2006; revised 2007; p. 79.
- Ruffner, C.M.; Abrams, M.D. Relating land-use history and climate to the dendroecology of a 326-year-old Quercus prinus talus slope forest. Can. J. For. Res. 1998, 28, 347–358. [Google Scholar] [CrossRef]
- Stokes, M.A.; Smiley, T.L. Introduction to Tree-Ring Dating; University of Chicago Press: Chicago, IL, USA, 1968. [Google Scholar]
- Holmes, R.L. Computer-assisted quality control in tree-ring dating and measurement. Tree-Ring Bull. 1983, 43, 69–78. [Google Scholar]
- Grissino-Mayer, H.D. Evaluating crossdating accuracy: A manual and tutorial for the computer program COFECHA. Tree-Ring Res. 2001, 57, 205–221. [Google Scholar]
- Kaye, M.W.; Swetnam, T.W. An assessment of fire, climate, and Apache history in the Sacramento Mountains, New Mexico. Phys. Geogr. 1999, 20, 305–330. [Google Scholar]
- Smith, K.T.; Sutherland, E.K. Fire-scar formation and compartmentalization in oak. Can. J. For. Res. 1999, 29, 166–171. [Google Scholar] [CrossRef]
- Grissino-Mayer, H.D. FHX2-Software for analyzing temporal and spatial patterns in fire regimes from tree rings. Tree-Ring Res. 2001, 57, 115–124. [Google Scholar]
- Grissino-Mayer, H.D. Modeling fire interval data from the American Southwest with the Weibull distribution. Int. J. Wildl. Fire 1999, 9, 37–50. [Google Scholar] [CrossRef]
- SAS Institute Inc. SAS/STAT® 14.1 User’s Guide; SAS Institute Inc.: Cary, NC, USA, 2015. [Google Scholar]
- Matlack, G.R. Reassessment of the use of fire as a management tool in deciduous forests of eastern North America. Conserv. Biol. 2013, 27, 916–926. [Google Scholar] [CrossRef] [PubMed]
- Muller, E.K. A Concise Historical Atlas of Pennsylvania; Temple University Press: Philadelphia, PA, USA, 1989; p. 44. [Google Scholar]
- Jordan, J.W. A History of the Juniata Valley and Its People; Lewis Historical Publishing Co.: New York, NY, USA, 1913; Volume 1, p. 556. [Google Scholar]
- Richter, D.K. Facing East from Indian Country: A Native History of Early America; Harvard University Press: Cambridge, MA, USA, 2001. [Google Scholar]
- Mann, C.C. 1491: New Revelations of the Americas before Columbus; Knopf Publishing: New York, NY, USA, 2005. [Google Scholar]
- Hulbert, A.B. David Zeisberger’s History of the Northern American Indians in 18th Century Ohio, New York, and Pennsylvania; Wennawoods Publishing: Lewisburg, PA, USA, 1910. [Google Scholar]
- Wallace, P.A. Thirty Thousand Miles with John Heckewelder; Wennawoods Publishing: Lewisburg, PA, USA, 1958. [Google Scholar]
- Williams, M. Americans and Their Forests: A Historical Geography; Cambridge University Press: New York, NY, USA, 1989; p. 599. [Google Scholar]
- Fire History Analysis and Exploration System (FHAES). 2015. Available online: http://www.fhaes.org (accessed on 15 June 2016).
- Cook, E.R.; Meko, D.M.; Stahle, D.W.; Cleaveland, M.K. North American summer PDSI reconstructions. In IGBP PAGES/World Data Center for Paleoclimatology Data Contribution Series #2004–045; NOAA/NGDC Paleoclimatology Program: Boulder, CO, USA, 2004. [Google Scholar]
- Flatley, W.T.; Lafon, C.W.; Grissino-Mayer, H.D.; LaForest, L.B. Fire history, related to climate and land use in three southern Appalachian landscapes in the eastern United States. Ecol. Appl. 2013, 23, 1250–1266. [Google Scholar] [CrossRef] [PubMed]
- Aldrich, S.R.; Lafon, C.W.; Grissino-Mayer, H.D.; DeWeese, G.G. Fire history and its relations with land use and climate over three centuries in the central Appalachian Mountains, USA. J. Biogeogr. 2014, 41, 2093–2104. [Google Scholar] [CrossRef]
- Shumway, D.L.; Abrams, M.D.; Ruffner, C.M. A 400-year history of fire and oak recruitment in an old-growth oak forest in western Maryland, USA. Can. J. For. Res. 2001, 31, 1437–1443. [Google Scholar] [CrossRef]
- Brose, P.H.; Guyette, R.P.; Marschall, J.M.; Stambaugh, M.C. Fire history reflects human history in the Pine Creek Gorge of north-central Pennsylvania. Nat. Areas J. 2015, 35, 214–223. [Google Scholar] [CrossRef]
- Williams, G.W. References on the American Indian Use of Fire in Ecosystems; US Department of Agriculture, Forest Service: Washington, DC, USA, 2003.
- Nevle, R.J.; Bird, D.K.; Ruddiman, W.F.; Dull, R.A. Neotropical human-landscape interactions, fire, and atmospheric CO2 during European conquest. The Holocene 2011, 21, 853–864. [Google Scholar] [CrossRef]
- Guyette, R.P.; Muzika, R.M.; Dey, D.C. Dynamics of an anthropogenic fire regime. Ecosystems 2002, 5, 472–486. [Google Scholar]
- Guyette, R.P; Spetich, M.A.; Stambaugh, M.C. Historic fire regime dynamics and forcing factors in the Boston Mountains, Arkansas, USA. For. Ecol. Manag. 2006, 234, 293–304. [Google Scholar] [CrossRef]
- Stambaugh, M.C.; Guyette, R.P.; Marschall, J.M. Fire history in the Cherokee Nation of Oklahoma. Hum. Ecol. 2013, 41, 749–758. [Google Scholar] [CrossRef]
- Guyette, R.P.; Dey, D.C.; Stambaugh, M.C.; Muzika, R.M. Fire Scars Reveal Variability and Dynamics of Eastern Fire Regimes; GTR NRS-P-1; USDA Forest Service: Newtown Square, PA, USA, 2006; p. 304. [Google Scholar]
- Muzika, R.M.; Guyette, R.P.; Stambaugh, M.C.; Marschall, J.M. Fire, drought, and humans in a heterogeneous Lake Superior landscape. J. Sustain. For. 2015, 34, 49–70. [Google Scholar] [CrossRef]
- Stambaugh, M.C.; Guyette, R.P.; Marschall, J.M.; Dey, D.C. Scale dependence of oak woodland historical fire intervals: Contrasting the Barrens of Tennessee and Cross Timbers of Oklahoma, USA. Fire Ecol. 2016, 12, 65–84. [Google Scholar]
- Abrams, M.D.; Nowacki, G.J. Native Americans as active and passive promoters of mast and fruit trees in the eastern USA. Holocene 2008, 18, 1123–1137. [Google Scholar] [CrossRef]
- Pennsylvania Department of Conservation and Natural Resources. Wildfire Statistics. 2016. Available online: http://www.dcnr.state.pa.us/forestry/wildlandfire/firestatistics/index.htm (accessed on 25 May 2016).
- Farris, C.A.; Baisan, C.H.; Falk, D.A.; Yool, S.R.; Swetnam, T.W. Spatial and temporal corroboration of a fire-scar-based fire history in a frequently burned ponderosa pine forest. Ecol. Appl. 2010, 20, 1598–1614. [Google Scholar] [CrossRef] [PubMed]
- Sparks, J.C.; Masters, R.E.; Engle, D.M.; Palmer, W.; Bukenhofer, G.A. Effects of late growing-season and late dormant-season prescribed fire on herbaceous vegetation in restored pine-grassland communities. J. Veg. Sci. 1998, 9, 133–142. [Google Scholar] [CrossRef]
- Foti, T.L.; Glenn, S.M. The Ouachita Mountain landscape at the time of settlement. In Restoration of Old-Growth Forests in the Interior Highlands of Arkansas and Oklahoma; Henderson, D., Hedrick, L.D., Eds.; Ouachita National Forest and Winrock International Institute for Agricultural Development: Morillton, AR, USA, 1991. [Google Scholar]
- Abrams, M.D.; Ruffner, C.M. Physiographic analysis of witness-tree distribution (1765–1798) and present forest cover through north central Pennsylvania. Can. J. For. Res. 1995, 25, 659–668. [Google Scholar] [CrossRef]
- Guldin, J.M. Restoration and management of shortleaf pine in pure and mixed stands—Science, empirical observation, and the wishful application of generalities. In Shortleaf Pine Restoration and Ecology in the Ozarks, Proceedings of a Symposium, Springfield, MO, USA, 7–9 November 2006; Kabrick, J.M., Dey, D.C., Gwaze, D., Eds.; Gen. Tech. Rep. NRS-P-15. Department of Agriculture, Forest Service, Northern Research Station: Newtown Square, PA, USA, 2007; pp. 47–58. [Google Scholar]






| All Time | Pre-European Settlement | European Settlement | Fire Suppression | |||||
|---|---|---|---|---|---|---|---|---|
| 1663–2013 | 1644–2013 | ≤1754 | 1755–1914 | 1915–2013 | ||||
| Site | SGL088 | SGL107 | SGL088 | SGL107 | SGL088 | SGL107 | SGL088 | SGL107 |
| No. scars | 201 | 387 | 40 | 39 | 156 | 348 | 5 | 0 |
| No. fire years | 56 | 44 | 15 | 10 | 38 | 34 | 3 | 0 |
| MFI (years) | 5.1 | 5.7 | 5.6 | 12.0 a | 4.2 | 4.0 a | na | na |
| Standard deviation | 4.2 | 7.0 | 4.9 | 12.1 | 2.9 | 3.5 | na | na |
| Range (years) | 1–21 | 1–37 | 1–21 | 2–37 | 1–15 | 1–21 | na | na |
| WMI (years) | 4.3 | 4.3 | 4.8 | 9.2 | 3.8 | 3.4 | na | na |
| LEI (no. exceedence) | 1.3 (5) | 1.0 (0) | 1.5 (1) | 2.2 (1) | 1.3 (4) | 1.1 (3) | na | na |
| UEI (no. exceedence) | 9.5 (5) | 11.6 (3) | 10.6 (1) | 24.0 (2) | 7.5 (7) | 7.4 (2) | na | na |
| Mean percentage scarred | 18.7 a | 46.4 a | 14.6 b | 51.2 b | 19.7 c | 44.9 c | 26.2 | na |
| All Time | Pre-European Settlement | European Settlement | ||||
|---|---|---|---|---|---|---|
| 1663–2013 | 1644–2013 | ≤1754 | 1755–1914 | |||
| Site | SGL 088 | SGL 107 | SGL 088 | SGL 107 | SGL 088 | SGL 107 |
| Dormant | 57.2% | 54.5% | 52.5% | 33.3% | 58.3% | 56.9% |
| Early earlywood | 1.0% | 2.1% | 5.0% | 2.6% | 0.0% | 2.0% |
| Middle earlywood | 0.0% | 0.8% | 0.0% | 2.6% | 0.0% | 0.6% |
| Unidentified | 41.8% | 42.6% | 42.5% | 61.5% | 41.7% | 40.5% |
| Years with growing season fire scar (no.) | 1.8% (1) | 9.1% (4) | 6.7% (1) | 20.0% (2) | 0.0% | 5.9% (2) |
| All Time | Pre-European Settlement | European Settlement | Fire Suppression | |||||
|---|---|---|---|---|---|---|---|---|
| 1664–2013 | 1668–2013 | ≤1754 | 1755–1914 | 1915–2013 | ||||
| Unit (north vs. south) | north | south | north | south | north | south | north | south |
| No. scars | 47 | 154 | 17 | 22 | 28 | 129 | 2 | 2 |
| No. fire years | 28 | 53 | 7 | 12 | 20 | 38 | 1 | 2 |
| MFI (years) | 9.2 | 5.4 | 11.7 | 7.2 | 7.4 | 4.2 | na | na |
| Mean percentage scarred | 21.0% | 24.4% | 28.0% | 20.1% | 16.0% a | 25.0% a | 66.7% | 29.2% |
© 2016 by the authors; licensee MDPI, Basel, Switzerland. This article is an open access article distributed under the terms and conditions of the Creative Commons Attribution (CC-BY) license (http://creativecommons.org/licenses/by/4.0/).
Share and Cite
Marschall, J.M.; Stambaugh, M.C.; Jones, B.C.; Guyette, R.P.; Brose, P.H.; Dey, D.C. Fire Regimes of Remnant Pitch Pine Communities in the Ridge and Valley Region of Central Pennsylvania, USA. Forests 2016, 7, 224. https://doi.org/10.3390/f7100224
Marschall JM, Stambaugh MC, Jones BC, Guyette RP, Brose PH, Dey DC. Fire Regimes of Remnant Pitch Pine Communities in the Ridge and Valley Region of Central Pennsylvania, USA. Forests. 2016; 7(10):224. https://doi.org/10.3390/f7100224
Chicago/Turabian StyleMarschall, Joseph M., Michael C. Stambaugh, Benjamin C. Jones, Richard P. Guyette, Patrick H. Brose, and Daniel C. Dey. 2016. "Fire Regimes of Remnant Pitch Pine Communities in the Ridge and Valley Region of Central Pennsylvania, USA" Forests 7, no. 10: 224. https://doi.org/10.3390/f7100224
APA StyleMarschall, J. M., Stambaugh, M. C., Jones, B. C., Guyette, R. P., Brose, P. H., & Dey, D. C. (2016). Fire Regimes of Remnant Pitch Pine Communities in the Ridge and Valley Region of Central Pennsylvania, USA. Forests, 7(10), 224. https://doi.org/10.3390/f7100224
