Mechanical Properties of Wood: A Review
Abstract
1. Introduction: Wood as a Sustainable Building Material and the Recent Evolution of Wooden Construction
1.1. Timber Construction Is Modern, Sustainable, and Efficient
1.2. Sustainability Assessment as a Requirement
- -
- Reducing the use of concrete and cement as far as possible.
- -
- Reducing the consumption of water.
- -
- Use of timber
- -
- Use of local (zero-mile), easily recyclable materials where possible.
- -
- Improved energy efficiency and implement sustainable sources of energy (photovoltaic panels).
- -
- The design to reduce maintenance costs and allow reutilisation.
1.3. Trends in Timber Construction
2. Orthotropic Properties of Wood and Main Influencing Factors
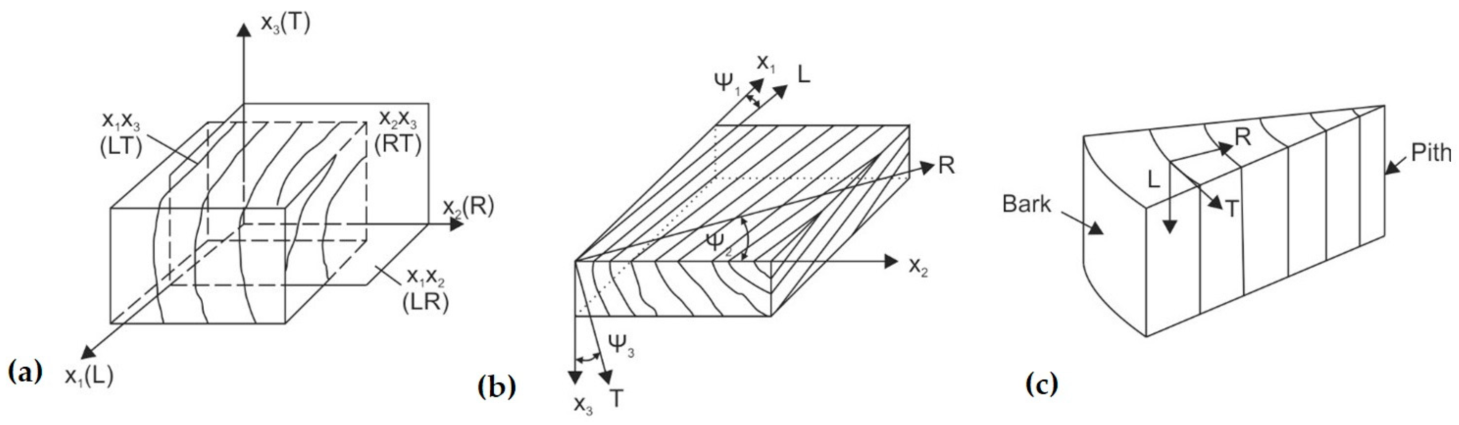
2.1. Structure of Wood
2.2. Structure-Property Relationship (Small Clear Specimens)

2.3. Orthotropic Mechanical Properties of Wood
2.3.1. Elastic Law and Stress-Strain Diagram (Hooke’s Law)
2.3.2. Generalised Hooke’s Law for Orthotropic Materials
- Orthotropic Properties of Solid Wood

3. Mechanical Properties of Wood
3.1. Brief Historical Introduction to Mechanical Characterisation
3.2. Standards for Solid Wood Testing
3.2.1. Need for Standardisation
3.2.2. First National and International Standardisation Organisations
3.2.3. Specimen Size
3.3. Timber Grading Systems
3.3.1. Introduction
3.3.2. Quality Requirements for Strength Grading
- Visual Strength Grading (VSG), based on visual inspection to ensure that the pieces do not have visible defects in excess of the limits specified in the relevant grading rule or standard;
- Machine Strength Grading (MSG) is when one or several values are obtained using a machine to perform nondestructive tests. Based on these measurements, properties are predicted. The lower the predictive accuracy of the grading method used, the greater the overlapping of quality grades [62].
- Rate of growth:
- Knots:
- in relation to the width and or thickness of timber on the basis of linear values;
- in relation to the cross-sectional area of timber on the basis of cross-sectional values;
- in relation to absolute values for a given range of timber sizes.
- The slope of grain:
- Fissures:
- Fungal and insect damage:
- Reaction wood:
- Distortion and wanes:
3.3.3. Visual Strength Grading
- American Lumber Standard Committee. Standard Grading Rules for Northeastern Lumber; published by the Northeast Lumber Manufacturers Association (NeLMA).
- American Lumber Standard Committee. Standard Specifications for Grades of California Redwood Lumber; published by the Redwood Inspection Service (RIS).
- American Lumber Standard Committee. Standard Grading Rules for Southern Pine; published by the Southern Pine Inspection Bureau (SPIB).
- American Lumber Standard Committee. Standard Grading Rules for West Coast Lumber; published by the Pacific Lumber Inspection Bureau (PLIB/WCLIB).
- American Lumber Standard Committee. Western Lumber Grading Rules; published by Western Wood Products Association (WWPA).
- Australian Standard AS 2082. Visually stress-graded hardwood for structural purposes.
- Australian Standard AS 2858. Timber–Softwood–Visually stress-graded for structural purposes.
- Austrian Standard ÖNORM DIN 4074-1. Strength grading of wood—Part 1: Coniferous sawed timber.
- Belgian Standard. Spécifications unifiées STS 04—Bois et panneaux base de bois.
- British Standard BS 4978. Visual strength grading of softwood.
- British Standard BS 5756. Visual strength grading of hardwood.
- Canadian Standard NLGA. Standard Grading Rules for Canadian Lumber.
- Czech Standard ČSN 73 2824-1. Strength grading of wood—Part 1: Coniferous sawed timber.
- French Standard NF B 52-001. Règles d’utilisation du bois dans les constructions—Classement visuel pour l’emploi en structure pour les principales essences résineuses et feuillues.
- German Standard DIN 4074 Teil 1. Sortierung von nadelholz nach der tragfahigkeit, nadelschnittholz.
- Irish Standard IS I27. Specifications for stress grading softwood timber.
- Italian Standard UNI 11035-1/-2. Structural timber—Visual strength grading for structural timbers.
- Japanese Standard JAS 143. Structural softwood lumber.
- Japanese Standard JAS 600. Structural lumber for wood frame construction.
- Korean Standard KS F 2151. Visual grading for softwood structural lumber.
- Malaysian Standard MS 1714. Specification for visual strength grading of tropical hardwood timber.
- Netherlands Standard NEN 5493. Quality requirements for hardwoods in civil engineering works and other structural applications.
- Netherlands Standard NEN 5499. Requirements for visually graded softwood for structural applications.
- New Zealand NZ S 3631. Timber Grading Rules.
- Nordic grading rules—INSTA 142. Nordic visual stress grading rules for timber.
- Portuguese Standard NP 4305. Maritime pine-sawn timber for structural uses.
- Slovak Standard STN 49 1531. Structural timber. Part 1: Visual strength grading.
- Slovenian Standard SIST DIN 4074-1. Strength grading of wood—Part 1: Coniferous sawed timber.
- Spanish Standard 56544. Visual strength grading for structural sawn timber. Softwood timber.
- Spanish Standard 56546. Visual strength grading for structural sawn timber. Hardwood timber.
- South African Standard SABS 1783. Sawn Softwood Timber.
- different species or groups of species;
- geographic origin;
- different dimensional requirements;
- varying requirements for different uses;
- quality of material available;
- historic influences or traditions.
3.3.4. Machine Strength Grading
3.4. Nondestructive Evaluation Methods
3.4.1. Introduction
3.4.2. Static Bending Methods
3.4.3. Acoustic Wave Methods
3.4.4. Transverse Vibration
3.4.5. X-ray CT Scanning
3.4.6. Proof Loading
3.4.7. Near-Infrared Spectroscopy
3.5. Mechanical Properties by Species and Source
- Douglas fir: Pseudotsuga menziesii (Mirb.) Franco
- European Larch: Larix decidua Mill.
- Maritime pine: Pinus pinaster Aiton
- Norway Spruce: Picea abies (L.) Karst.
- Radiata pine: Pinus radiata D. Don
- Salzmann, Corsican and Austrian pine: Pinus nigra Arnold subsp. salzmannii (Dunal) Franco, subsp. laricio (Poir.) Maire, subsp. nigra
- Scots pine: Pinus sylvestris L.
- Silver fir: Abies alba Mill.
- Sitka spruce: Picea sitchensis (Bong.) Carr.
- Douglas fir: Pseudotsuga menziesii (Mirb.) Franco
- Hem-fir: Abies amabilis Douglas ex J.Forbes, Abies concolor (Gordon & Glend.) Lindl. ex
- Hildebr., Abies grandis (Douglas ex D.Don) Lindl., Abies magnifica A. Murray bis, Abies procera Rehder, Tsuga heterophylla (Raf.) Sarg.
- S-P-F: Abies balsamea (L.) Mill., Abies lasiocarpa (Hook.) Nutt., Picea engelmannii Parry ex Engelm., Picea glauca (Moench) Voss, Picea mariana (Mill.) Britton, Sterns & Poggenb., Picea rubens Sarg., Pinus banksiana Lamb., Pinus contorta Douglas ex Loudon, Pinus ponderosa P.Lawson & C.Lawson
- Southern pine: Pinus echinata Mill., Pinus elliottii Engelm., Pinus palustris Mill., Pinus taeda L.
- Sitka spruce: Picea sitchensis (Bong.) Carr.
- Western larch: Larix occidentalis Nutt.
- Western red cedar: Thuja plicata Donn ex D.Don
- Western white Woods: Abies balsamea (L.) Mill., Abies lasiocarpa (Hook.) Nutt., Picea engelmannii Parry ex Engelm., Pinus contorta Douglas ex Loudon, Pinus lambertiana Douglas, Pinus monticola Douglas ex D.Don, Pinus ponderosa P.Lawson & C.Lawson, Tsuga mertensiana (Bong.) Carriere.
- American ash: Fraxinus americana L.
- American red oak: Quercus rubra L.
- Ekki (azobé): Lophira alata Banks ex C.F.Gaertn. f.
- European beech: Fagus sylvatica L.
- European oak: Quercus robur L., Quercus petraea (Matt.) Liebl.
- Ipé (Ebene verte): Handroanthus spp. Mattos
- Iroko: Milicia excelsa (Welw.) C.C.Berg, Milicia regia (A.Chev.) C.C.Berg
- Missanda (Tali): Erythrophleum ivorense A.Chev., Erythrophleum suaveolens (Guill. & Perr.) Brenan
- Sweet Chestnut: Castanea sativa Mill.
4. Factors Influencing Properties
4.1. Duration of Load
4.2. Moisture Content
4.2.1. General


4.2.2. MC Affecting Bending Strength (Modulus of Rupture—MOR)
4.2.3. MC Affecting Modulus of Elasticity (MOE) Parallel to the Grain
4.2.4. MC Affecting Density
4.2.5. MC Influence on Characteristic Values in Standards
4.3. Effect of Temperature on the Mechanical Properties of Timber
4.4. Effect of Size on the Mechanical Properties of Timber
4.4.1. General
4.4.2. Size Effect Explanations
- Tension:
- Bending:
- Compression:
- Tension perpendicular to grain:
4.4.3. Size Effect Factors
4.4.4. Size Effect in Structural Design Codes
- Sawn timber:
- Glued laminated timber:
- Laminated Veneer Lumber (LVL):
- National Design Specification for Wood Construction [146]:
- Sawn timber:
- Glued laminated timber:
5. Conclusions Remarks
Author Contributions
Funding
Data Availability Statement
Conflicts of Interest
Appendix A. Strength Grading Timber Machine Controlled Approved in Europe
- Cook Bolinders. Tecmach Ltd., Sanderson Centre, Lees Lane, Gosport, Hants. PO12 3UL. Mechanical bending type machine (minor axis) [mechanical stiffness]. Maximum feed speed 100–150 m/min.
- Computermatic Micromatic. Measuring and Process Control Ltd., Unit 2, Tabrums Industrial Estate, Battlesbridge, Essex, England SS11 7QX. Mechanical bending type machine (minor axis) [mechanical stiffness]. Maximum feed speed 105 m/min.
- Raute Timbergrader. VTT, P.O.Box 1000, FI-02044 VTT, Finland. Mechanical bending type machine (minor axis) [mechanical stiffness]. Maximum feed speed 48–124 m/min.
- EuroGrecomat-702. MiCROTEC s.r.l.–GmbH, Via Julius Durst 98, 39042 Bressanone (BZ), Italy. X-ray type machine [density, size, and position of knots]. Maximum feed speed 80–300 m/min.
- Goldeneye 702 (GoldenEye-702)/Goldeneye 802. MiCROTEC s.r.l.–GmbH, Via Julius Durst 98, 39042 Bressanone (BZ), Italy. X-ray type machine [density, size, and position of knots]. 702: Maximum feed speed 450 m/min (and able to do board splitting). 802: Maximum feed speed 850 m/min (and able to do board splitting).
- EuroGrecomat-704. MiCROTEC s.r.l.–GmbH, Via Julius Durst 98, 39042 Bressanone (BZ), Italy. X-ray type machine [density, size, and position of knots] combined with Mechanical bending type machine (minor axis) [mechanical stiffness]. Maximum feed speed 80–120 m/min.
- Dynagrade. Dynalyse AB, Brodalsvägen 7, SE-433 38 Partille, Sweden. Acoustic type machine (longitudinal resonance) [dynamic stiffness, without density]. Maximum feed speed 100–240 pieces/min.
- Viscan (ViSCAN). MiCROTEC s.r.l.–GmbH, Via Julius Durst 98, 39042 Bressanone (BZ), Italy. Acoustic type machine (longitudinal resonance) [dynamic stiffness, without density]. Maximum feed speed 180 pieces/min.
- EuroGrecomat-706. MiCROTEC s.r.l.–GmbH, Via Julius Durst 98, 39042 Bressanone (BZ), Italy. X-ray type machine [density, size, and position of knots] combined with Acoustic type machine (longitudinal resonance) [dynamic stiffness]. Maximum feed speed 150 pieces/min (acoustic) and 80–300 m/min (X-ray).
- Goldeneye 706 (GoldenEye-706)/Goldeneye 806. MiCROTEC s.r.l.–GmbH, Via Julius Durst 98, 39042 Bressanone (BZ), Italy. X-ray type machine [density, size, and position of knots] combined with Acoustic type machine (longitudinal resonance) [dynamic stiffness] (a Viscan). Maximum feed speed 180 pieces/min (acoustic) and 450 m/min (X-ray, 706 version) or 850 m/min (X-ray, 806 version) (and able to do board splitting).
- MTG 960 (MTG with balance). Brookhuis Applied Technologies BV, Institutenweg 15, 7521 PH Enschede, The Netherlands. A handheld portable grading machine (and weighing scales). Acoustic type machine (longitudinal resonance) [dynamic stiffness with density]. Maximum feed speed not stated (manual operation).
- Precigrader. Dynalyse AB, Brodalsvägen 7, SE-433 38 Partille, Sweden. Acoustic type machine (longitudinal resonance) [dynamic stiffness with density]. Maximum feed speed 180 pieces/min.
- Grademaster. Dimter GmbH Maschinenfabrik, Illertissen, Germany. Acoustic type machine (longitudinal resonance) [dynamic stiffness with density combined with Optical scanner for knot measurements]. Maximum feed speed 25 pieces/min and 180 m/min.
- Escan FWM/FW and mtgESCAN 962/966. Luxscan technologies, Z.A.R.E Ouest, L-4384 Ehlerange, Luxembourg. Brookhuis Applied Technologies BV, Institutenweg 15, 7521 PH Enschede, The Netherlands. Acoustic type machine (longitudinal resonance) [dynamic stiffness with density]. Maximum feed speed 180 pieces/min.
- Triomatic. CBS (Concept Bois Structure SARL), 4 Rue des Longs Champs, 25140 Les Écorces, France. Acoustic type machine (ultrasonic time of flight, and pin indentation density) [dynamic stiffness with density]. Maximum feed speed 30–40 pieces/min.
- CRP. Automatisation J.R.T Inc., 405 avenue Galilée, QC, Canada. Mechanical bending type machine (minor axis) [mechanical stiffness]. Maximum feed speed 250 m/min.
- Xyloclass T. XYLOMECA, 41 rue Michel Montaigne, 24700 Moulan Neuf, France. Acoustic type machine (longitudinal resonance) [dynamic stiffness with density]. Maximum feed speed 50 pieces/min.
- Noesys. SARL Esteves, Zone artisanale, Route du Malzieu, 48200 Saint chely d’Apcher, France. Acoustic type machine (edgewise flexural resonance) [dynamic stiffness with density]. Maximum feed speed 4 pieces/min.
- MTG 920 (MTG without balance). Brookhuis Applied Technologies BV, Institutenweg 15, 7521 PH Enschede, The Netherlands. A handheld portable grading machine. Acoustic type machine (longitudinal resonance) [dynamic stiffness without density]. Maximum feed speed not stated (manual operation).
- Viscan Plus (ViSCAN-PLUS). MiCROTEC s.r.l.–GmbH, Via Julius Durst 98, 39042 Bressanone (BZ), Italy. Acoustic type machine (longitudinal resonance) [dynamic stiffness with density]. Maximum feed speed 180 pieces/min.
- Xyloclass F. XYLOMECA, 41 rue Michel Montaigne, 24700 Moulan Neuf, France. Acoustic type machine (flexural resonance) [dynamic stiffness with density]. Maximum feed speed 20 pieces/min.
- Viscan Compact (ViSCAN-COMPACT). MiCROTEC s.r.l.–GmbH, Via Julius Durst 98, 39042 Bressanone (BZ), Italy. Acoustic type machine (longitudinal resonance) [dynamic stiffness with density]. Maximum feed speed 35 pieces/min. The maximum feed speed of a high-speed version (HSV) is 80 pieces/min.
- MTGbatch 962/966 (with balance). Brookhuis Applied Technologies BV, Institutenweg 15, 7521 PH Enschede, The Netherlands. Acoustic type machine (longitudinal resonance) [dynamic stiffness with density]. Maximum feed speed 30 pieces/min.
- MTGbatch 922/926 (without balance). Brookhuis Applied Technologies BV, Institutenweg 15, 7521 PH Enschede, The Netherlands. Acoustic type machine (longitudinal resonance) [dynamic stiffness without density]. Maximum feed speed 30 pieces/min.
- Rosgrade. Roséns Vision AB, Hulda Mellgrens gata 2, 421 32 Västra Frölunda, Sweden. Acoustic type machine (longitudinal resonance) [dynamic stiffness without density]. Maximum feed speed 100 pieces/min.
- EScan FM/F and mtgESCAN 922/926. Luxscan technologies, Z.A.R.E Ouest, L-4384 Ehlerange, Luxembourg. Brookhuis Applied Technologies BV, Institutenweg 15, 7521 PH Enschede, The Netherlands. Acoustic type machine (longitudinal resonance) [dynamic stiffness]. Maximum feed speed 180 pieces/min.
- E-CONTROL model AC. Innodura, 11 avenue Albert Einstein, 69 100 Villeurbanne, France. Acoustic type machine (longitudinal resonance) [dynamic stiffness with density]. Maximum feed speed 80 pieces/min (10 pieces/min for semi-automatic version).
- Rosgrade plus. Rosén & Co Maskin AB, 531 94 Lovene, Sweden. Acoustic type machine (longitudinal resonance) [dynamic stiffness with density]. Maximum feed speed 100 pieces/min.
- Viscan portable WITH balance (ViSCAN-portable_WITH_balance). MiCROTEC s.r.l.–GmbH, Via Julius Durst 98, 39042 Bressanone (BZ), Italy. A portable grading machine. Acoustic type machine (longitudinal resonance) [dynamic stiffness with density]. Maximum feed speed not stated (manual operation).
- Viscan portable WITHOUT balance (ViSCAN-portable_WITHOUT_balance). MiCROTEC s.r.l.–GmbH, Via Julius Durst 98, 39042 Bressanone (BZ), Italy. A portable grading machine. Acoustic type machine (longitudinal resonance) [dynamic stiffness without density]. Maximum feed speed not stated (manual operation).
- WoodEye Strength Grader. Microtec AB (Microtec Linköping), Idögatan 10, 582 78 Linköping, Sweden. Acoustic type machine (longitudinal resonance) [dynamic stiffness with density] combined with Laser tracheid effect type machine [slope of grain]. Maximum feed speed 180 pieces/min and 450 m/min.
- RS Strength Grader. RemaSawco AB, Snickaregatan 40, 582 26 Linköping, Sweden. Laser tracheid effect type machine [slope of grain]. Maximum feed speed 75 m/min.
- LuxScan OptiStrength XE. Luxscan technologies, Z.A.R.E Ouest, L-4384 Ehlerange, Luxembourg. X-ray type machine [density, size, and position of knots] combined with Acoustic type machine (longitudinal resonance) [dynamic stiffness] (an EScan F). Maximum feed speed 180 pieces/min (acoustic) 240 m/min (X-ray).
- LuxScan OptiStrength X. Luxscan technologies, Z.A.R.E Ouest, L-4384 Ehlerange, Luxembourg. X-ray type machine [density, size, and position of knots]. Maximum feed speed 240 m/min.
- STIG (strength timber grading machine for Slovenian spruce). ILKON–Inštitut za les in konstrukcije, Ulica Nadgoriških borcev 43, 1231 Ljubljana-Črnuče, Slovenia. A portable grading machine. Acoustic type machine (longitudinal resonance) [dynamic stiffness without density]. Maximum speed 10 s per piece (manual operation
- Finscan Nova (Boardmaster Nova). Microtec Innovating Wood Oy (Microtec Espoo), Klovinpellontie 1–3, FI-02180 Espoo, Finland. Camera scanning (visual and near-infrared) [knots, slope of grain, and other visual features]. Mirrors are used for edge scanning. Maximum speed 200 pieces/min.
- Finscan HD (Boardmaster HD). Microtec Innovating Wood Oy (Microtec Espoo), Klovinpellontie 1–3, FI-02180 Espoo, Finland. Camera scanning (visual) [knots, slope of grain, and other visual features]. All four sides are scanned directly. Maximum speed 130 pieces/min.
- MODULO. M. Manfred Hudel, 601 rue de Calonne, 62350 Saint Floris, France. Mechanical bending type machine (minor axis) [mechanical stiffness]. Semi-automatic operation with special instructions for multiple measurements depending on length.
- RS Strength Grader Density. RemaSawco AB, Snickaregatan 40, 582 26 Linköping, Sweden.
- Laser tracheid effect type machine [slope of grain] with [density]. Maximum feed speed 65 m/min.
Appendix B. List of Trade Names of Commercial Grading Equipment Machines Approved by the Board of Reviews
| Grading Machine | Agency Support | Machine Manufacturer | Board of Reviews (BOR) Action |
|---|---|---|---|
| 1. Metriguard Model 3300 Transverse Vibration E-Computer Metriguard Model 340 Transverse Vibration E Computer | WCLIB | Metriguard, Inc. P.O. Box 399. Pullman, WA 99163, USA | Granted Model 3300 approval on 12 July 1984 for:
|
| 2. Stress-O-Matic | WWPA | Industrial Woodworking Machines P.O. Box 1465. Garland, TX, USA | Granted approval around 1962. |
| 3. C-L-T (Continuous Lumber Tester) C-L-T Model 7200 HCLT (High Capacity Lumber Tester) | WWPA for C-L-T | Metriguard Inc. P.O. Box 399. Pullman, WA 99163, USA | Granted approval around 1962 for C-L-T. |
| 4. Cook Bolinder Model SG-TF NA | WWPA | Cook Bolinder Ltd. P.O. Box 42. Stansmore, Middlesex, GB HA7,4XD | Granted approval 23 January 1986. |
| 5. X-Ray Lumber Gauge [previously known as Advanced Stress Grader (BOR 10/26/89) no longer available] | SPIB | Newnes Machine Ltd. Company, Sherwood, OR, USA | Granted approval April 1995, subject to:
|
| 6. Dart M. S. R. Testing Machine | CMSA | Eldeco Pty Ltd. Albury, Australia | Granted approval 2 February 1995. |
| 7. Ersson ESG 240-Strength Grader | WCLIB | John Ersson Engineering AB Storvik, Sweden | Granted approval 5 February 1998 |
| 8. Dynagrade Strength Grading Machine | QLMA | Dynalyse AB Partille, Sweden | Granted approval 27 July 2000 |
| 9. Computermatic | WCLIB | Measuring and Process Control Ltd. Essex, UK | Granted approval 8 February 2001 |
| 10. Dimter 403 Grademaster | WCLIB | Dimter GmbH Maschineenfabric Illertissen, Germany | Granted approval 24 April 2003, with the following operational limitations of the machine:
|
| 11. Microtec GoldenEye Lumber Grading Machine | WCLIB | MiCROTEC Srl GmbH Bressanone, Italy | Granted approval 24 April 2003, with the following operation limitations of the machine:
|
| 12. Transverse MSR Grader (TMG) | QFIC | Centre de Recherche Industrielle du Quebec (CRIQ), QC, Canada | Granted approval 29 April 2004, with the following operation limitations of the machine:
|
| 13. Transverse MSR Grader (TMG) 12 | QFIC | Centre de Recherche Industrielle du Quebec (CRIQ), QC, Canada | Granted approval 22 July 2004, with the following operation limitations of the machine:
|
| 14. CRP 360 MSR Testing Machine | QFIC | Conception RP, St-Victor De Deauce, QC, Canada | Granted approval 22 July 2004, with the following operation limitations of the machine:
|
| 15. RE-II (formerly called XLG/LHG+Thumper Strength Grader) | SPIB | Weyerhaeuser | Granted approval 3 February 2005, with the following limitations of the machine:
|
| 16. Transverse MSR Grader (TMG) | QFIC | Centre de Recherche Industrielle du Quebec (CRIQ), QC, Canada | Granted approval 28 July 2005, with the following operation limitations of the machine:
|
| 17. RE-I (formerly called Stand Alone Thumper Strength Grader) | SPIB | Weyerhaeuser | Granted approval 28 July 2005, with the following limitations of the machine:
|
| 18. Falcon Engineering A-Grader | WCLIB | Falcon Engineering, Inglewood, New Zealand | Granted approval 27 July 2006, with the following operation limitations of the machine:
|
| 19. Microtec Goldeneye Model 706 Lumber Grading Machine | WCLIB | MiCROTEC Srl GmbH Bressanone, Italy | Granted approval 2 November 2006, with the following operation limitations of the machine:
|
| 20. Precigrader MSR Grading Machine | CLA | Dynalyse AB, Partille, Sweden | Granted approval 8 February 2007, with operation limitations of the machine as stated in the CLA submission. Modified speed limitation from 180 lugs/min to 260 lugs/min (see SPIB submission 24 January 2019 meeting) |
| 21. LHG:XLG With E-Valuator Stiffness Estimation with Vibration | WWPA | COE Newnes/McGehee | Granted approval 26 April 2007, with the following operation limitations of the machine:
|
| 22. RE-III (formerly called Thumper III) | SPIB | Weyerhaeuser | Granted approval 1 November 2007, with the following operation limitations of the machine:
|
| 23. Ecoustic Board Grader | WCLIB | Calibre Equipment Limited, Wellington, New Zealand | Granted approval 5 January 2012, with the following operation limitations of the machine:
|
| 24. Metriguard 2350 Sonic Grader | WCLIB | Metriguard, Inc. P.O. Box 399 Pullman, WA 99163, USA | Granted approval 18 October 2012, with the following operation limitations of the machine:
|
| 25. MTG | OLMA | Brookhuis Micro Electronics, Enschede, Netherlands | Granted approval 17 April 2014, with the following operation limitations of the machine
|
| 26. MTG BATCH | OLMA | Brookhuis Micro Electronics, Enschede, Netherlands | Granted approval 17 April 2014, with the following operation limitations of the machine
|
| 27. MTG ESCAN | OLMA | Brookhuis Micro Electronics, Enschede, Netherlands | Granted approval 17 April 2014, with the following operation limitations of the machine
|
| 28. VAB—MSR Lug Loader | QFIC | VAB Machines, Inc. Levis, QC, Canada | Granted approval on 26 April 2018, with the following operation limitations of the machine
|
| 29. Microtec Goldeneye Model 806 Lumber Grading Machine | WCLIB | MiCROTEC Srl GmbH Bressanone, Italy | Granted approval 24 January 2019, with the following operation limitations of the machine:
|
| 30. Microtec Goldeneye Model 802 Lumber Grading Machine | WCLIB | MiCROTEC Srl GmbH Bressanone, Italy | Granted approval 24 January 2019, with the following operation limitations of the machine:
|
| 31. USNR Thor Acoustic MSR Grader | PLIB | USNR Woodland, WA, USA | Granted approval 9 January 2020, with the following operation limitations of the machine:
|
References
- Eurostat Website 2018. Available online: https://ec.europa.eu/eurostat/statistics-explained/index.php?title=Wood_products_-_production_and_trade#Primary_wood_products (accessed on 8 February 2023).
- Sostenibilidad: Madera, hormigón o acero. J. Arquit. Madera 2015, 15, 28–33. Available online: https://arquitectura-madera.com/revista-arquitectura-y-madera/ (accessed on 5 June 2023).
- Ramage, M.; Burridge, H.; Busse-Wicher, M.; Fereday, G.; Reynolds, T.; Shah, D.U.; Li Yu, G.W.; Fleming, P.; Densley-Tingley, D.; Alwood, J.; et al. The Wood from the trees: The use of timber in construction. Renew. Sust. Energ. Rev. 2017, 68, 333–359. [Google Scholar] [CrossRef]
- Gordon, J.E. Structures or Why Things Don’t Fall Down; Penguin: London, UK, 1978. [Google Scholar]
- UN General Assembly. Transforming Our World: The 2030 Agenda for Sustainable Development. Resolution Adopted by the General Assembly on 25 September 2015. Available online: https://sdgs.un.org/2030agenda (accessed on 5 June 2023).
- European Commission. Single Market for Green Products Initiative. 2013. Available online: https://ec.europa.eu (accessed on 5 June 2023).
- Fazio, S.; Castelalni, V.; Sala, S.; Schau, E.; Secchi, M.; Zampori, L.; Diaconu, E. Supporting Information to the Characterisation Factors of Recommended EF Life Cycle Impact Assessment Methods; Publications Office of the European Union: Luxembourg, 2018. [Google Scholar]
- Passivhaus Institut. 2019. Available online: https://passivehouse.com (accessed on 5 June 2023).
- Lechón, Y.; de la Rúa, C.; Lechón, J.I. Environmental footprint and life cycle costing of a family house built on CLT structure. Analysis of hotspots and improvement measures. J. Build. Eng. 2021, 39, 102239. [Google Scholar] [CrossRef]
- Esteban, M.; de Miguel, A.; Lechón, J.I. Construcción con madera y sostenibilidad en las ciudades del siglo XXI… y siglos venideros. [Timber construction and sustainability in the 21th century cities and future centuries]. Montes 2018, 131, 53–57. [Google Scholar]
- Stamm, A.J. Wood and Cellulose Science; Ronald Press: New York, NY, USA, 1964. [Google Scholar]
- Fengel, D.; Wegener, G. Wood: Chemistry, Ultrastructure, Reactions; De Gruyter: Berlin, Germany; New York, NY, USA, 1984. [Google Scholar]
- Wagenführ, R. Anatomie des Holzes, 4th ed.; Fachbuchverlag: Leipzig, Germany, 1989. [Google Scholar]
- Butterfield, B. In Proceedings of the IAWA/IUFRO International Workshop of Significance of the Microfibril Angle to Wood Quality. Westport, New Zealand, 21–25 November 1997. [Google Scholar]
- Niemz, P.; Sonderegger, W. Physik des Holzes und der Holzwerkstoffe, 2nd ed.; Carl Hanser Verlag: München, Germany, 2021. [Google Scholar]
- Toumpanaki, E.; Shah, D.R.U.; Eichhorn, S.J. Beyond what meets the eye: Imaging and imagining wood mechanical-structural properties. Adv. Mater. 2021, 33, 2001613. [Google Scholar] [CrossRef]
- Keunecke, D. Elasto-Mechanical Characterisation of Yew and Spruce Wood with Regard to Structure-Property Relationships. Ph.D. Dissertation, ETH Zürich, Zürich, Switzerland, 2008; 159p. [Google Scholar] [CrossRef]
- Eder, M.; Rüggeberg, M.; Burgert, I. A close-up view of the mechanical design of arborescent plants at different levels of hierarchy—Requirements and structural solutions. N. Z. J. For. Sci. 2009, 39, 115–124. [Google Scholar]
- Stanzl-Tschegg, S.; Keunecke, D.; Tschegg, E. Fracture tolerance of reaction wood (yew and spruce wood in TR crack propagation system). J. Mech. Behav. Biomed. 2011, 4, 688–698. [Google Scholar] [CrossRef] [PubMed]
- Niemz, P.; Teischinger, A.; Sandberg, D. Springer Handbook of Wood Science and Technology; Springer: Heidelberg, Germany, 2023; in press. [Google Scholar]
- Sell, J. Eigenschaften und Kenngrössen von Holzarten, 4th ed.; Dietikon; Baufachverlag: Zürich, Switzerland, 1997. [Google Scholar]
- Ozyhar, T. Moisture and Time Dependent Orthotropic Mechanical Characterization of Beech Wood. Ph.D. Dissertation, ETH Zürich, Zürich, Switzerland, 2013. [Google Scholar] [CrossRef]
- Voigt, W. Lehrbuch der Kristallphysik; B.G. Teubner: Leipzig, Germany, 1928. [Google Scholar]
- Höring, G. Zur Elastizität des Fichtenholzes. Z. Für Tech. Phys. 1933, 12, 369–379. [Google Scholar]
- Keylwerth, R. Die Anisotrope Elastizität des Holzes und der Lagenhölzer; VDI Verlag: Düsseldorf, Germany, 1951. [Google Scholar]
- Kollmann, F.F.P. Technologie des Holzes und der Holzwerkstoffe, 2nd ed.; Springer: Berlin/Göttingen/Heidelberg, Germany, 1951. [Google Scholar]
- Bodig, J.; Jayne, B.A. Mechanics of Wood and Wood Composites, 1st ed.; Van Nostrand Reinhold: New York, NY, USA, 1982. [Google Scholar]
- Altenbach, H.; Altenbach, J.; Rikards, R. Einführung in die Mechanik der Laminat-und Sandwichtragwerke; Deutscher Verlag für Grundstoffindustrie: Stuttgart, Germany, 1996. [Google Scholar]
- Von Halász, R.; Scheer, C. Holzbau-Taschenbuch. Band 1: Grundlagen, Entwurf und Konstruktionen, 8th ed.; Ernst & Sohn: Berlin, Germany, 1986. [Google Scholar]
- Hankinson, R.L. Investigation of Crushing Strength of Spruce at Varying Angles of Grain; Air Force Information Circular No. 259; U.S. Air Service: Washington, DC, USA, 1921. [Google Scholar]
- Burgert, I. Die Mechanische Bedeutung der Holzstrahlen im Lebenden Baum. Ph.D. Thesis, Universität Hamburg, Hamburg, Germany, 2000. [Google Scholar]
- Sjölund, J. Effect of Cell Structure Geometric and Elastic Parameters on Wood Rigidity. Ph.D. Thesis, Universität Aalto, Espoo, Finland, 2015. [Google Scholar]
- Grimsel, M. Mechanisches Verhalten von Holz: Struktur- und Parameteridentifikation eines Anisotropen Werkstoffes. Ph.D. Thesis, TU Dresden, Dresden, Germany, 1999. [Google Scholar]
- Clauß, S.; Pescatore, C.; Niemz, P. Anisotropic elastic properties of common ash (Fraxinus excelsior L.). Holzforschung 2014, 68, 941–949. [Google Scholar] [CrossRef]
- Timoshenko, G. History of Strength of Materials; MxGraw-Hill Book Company, Inc.: New York, NY, USA; The Maple Press Company: York, PA, USA, 1953. [Google Scholar]
- Vitruvius. The Ten Books on Architecture; Morgan, M.H., Translator; Harvard University Press: Cambridge, MA, USA, 1914. [Google Scholar]
- Arriaga, F. Los Diez Libros de Arquitectura de Vitruvio y la Carpintería. Texto y Comentarios de lo Tratado en el Capítulo IX “De la Madera” del Libro Segundo (The Ten Books on Architecture of Vitruvius and the Carpentry. Text and Comments on Chapter IX “Timber” of the Second Book); AITIM: Madrid, Spain, 1996; No. 180; pp. 53–60. [Google Scholar]
- Galileo. Two New Sciences; Crew, H., de Salvio, A., Translators; The Macmillan Company: New York, NY, USA, 1933. [Google Scholar]
- Hooke, R. De Potentia Restitutiva; Royal Society: London, UK, 1678. [Google Scholar]
- Belidor, B.F. La Science des Ingeniénieurs; Source Gallica.bnf.fr/Bibliothèque Nationale de France; C. Jombert: Paris, France, 1729. [Google Scholar]
- Booth, L.G. The Strength Testing of Timber during the 17th and 18th Centuries. J. Inst. Wood Sci. 1964, 3, 5–30. [Google Scholar]
- Guilhiermoz, P. De L’équivalence des Anciennes Mesures; A Proposal d’une Publication Recénte; Bibliotheque de l’École des Chartes: Paris, France, 1913. [Google Scholar]
- ISO 13061-3:2014; Physical and Mechanical Properties of Wood. Test Methods for Small Clear Specimens. Part 3: Determination of Ultimate Strength in Static Bending. International Organization for Standardization: Geneva, Switzerland, 2014.
- ISO 13061-4:2014; Physical and Mechanical Properties of Wood. Test Methods for Small Clear Specimens. Part 4: Determination of Modulus of Elasticity in Static Bending. International Organization for Standardization: Geneva, Switzerland, 2014.
- ISO 13061-6:2014; Physical and Mechanical Properties of Wood. Test Methods for Small Clear Wood Specimens. Part 6: Determination of Ultimate Tensile Stress Parallel to Grain. International Organization for Standardization: Geneva, Switzerland, 2014.
- ISO 13061-17:2017; Physical and Mechanical Properties of Wood. Test Methods for Small Clear Wood Specimens. Part 17: Determination of Ultimate Stress in Compression Parallel to Grain. International Organization for Standardization: Geneva, Switzerland, 2017.
- ISO 13061-8:2022; Physical and Mechanical Properties of Wood. Test Methods for Small Clear Wood Specimens. Part 8: Determination of Ultimate Strength in Shearing Parallel to Grain. International Organization for Standardization: Geneva, Switzerland, 2022.
- ISO 13061-2:2014; Physical and Mechanical Properties of Wood. Test Methods for Small Clear Wood Specimens. Part 2: Determination of Density for Physical and Mechanical Tests. International Organization for Standardization: Geneva, Switzerland, 2014.
- ASTM D143:2021; Standard Test Methods for Small Clear Specimens of Timber. American Society for Testing and Materials: Philadelphia, PA, USA, 2021.
- Madsen, B.; Nielsen, L.F. Structural Behaviour of Timber; Timber Engineering Ltd.: North Vancouver, BC, Canada, 1992; 405p. [Google Scholar]
- ISO 8375:1985; Solid Timber in Structural Sizes. Determination of Some Physical and Mechanical Properties. International Organization for Standardization: Geneva, Switzerland, 1985.
- ISO 8375:2017; Timber Structures. Glued Laminated Timber. Test Methods for Determination of Physical and Mechanical Properties. International Organization for Standardization: Geneva, Switzerland, 2017.
- EN 408:2010+A1:2012; Timber Structures. Structural Timber and Glued Laminated Timber. Determination of Some Physical and Mechanical Properties. European Committee of Standardization (CEN): Brussels, Belgium, 2012.
- EN 384:2016+A2:2022; Structural Timber. Determination of Characteristic Values of Mechanical Properties and Density. European Committee of Standardization (CEN): Brussels, Belgium, 2022.
- ASTM D198-21:2021; Standard Test Methods of Static Tests for Lumber in Structural Sizes. American Society for Testing and Materials: Philadelphia, PA, USA, 2021.
- ISO 13910:2014; Timber Structures. Strength Graded Timber. Test Methods for Structural Properties. International Organization for Standardization: Geneva, Switzerland, 2014.
- Ridley-Ellis, D.; Stapel, P.; Baño, V. Strength grading of sawn timber in Europe: An explanation for engineers and researchers. Eur. J. Wood Prod. 2016, 74, 291–306. [Google Scholar] [CrossRef]
- EN 14081-1:2016+A1:2019; Timber Structures—Strength Graded Structural Timber with Rectangular Cross Section—Part 1: General Requirements. Committee of Standardization (CEN): Brussels, Belgium, 2019.
- EN 14081-2:2018; Timber Structures—Strength Graded Structural Timber with Rectangular CROSS section—Part 2: Machine Grading; Additional Requirements for Initial Type Testing. European Committee of Standardization (CEN): Brussels, Belgium, 2018.
- Ross, R.J. Wood Handbook: Wood as an Engineering Material; U.S. Dept. of Agriculture, Forest Service, Forest Products Laboratory: Madison, WI, USA, 2021; 509p. [Google Scholar]
- Wolfe, R. Research challenges for structural use of small-diameter round timbers. Forest Prod. J. 2000, 50, 21–29. [Google Scholar]
- Glos, P. Strength Grading. Basis of Design, Material Properties, Structural Components and Joints; Timber Engineering STEP 1; Centrum Hout: Almere, The Netherlands, 1995; pp. A6/1–A6/8. [Google Scholar]
- Glos, P. Technical and economical possibilities of timber strength grading in small and medium sized companies. In SAH Bulletin 1983/1’; Schweizerische Arbeitsgemeinschaft fur Holzforschung: Zurich, Switzerland, 1983. [Google Scholar]
- Center for Wood Science and Technology. Rate of Growth. 2016. Available online: https://blogs.napier.ac.uk/cwst/speed-of-growth/ (accessed on 26 October 2022).
- Johansson, C.J.; Boström, L.; Bräuner, L.; Hoffmeyer, P.; Holmqvist, C.; Solli, K.H. Laminations for Glued Laminated Timber. Establishment of Strength Classess for Visual Strength Grades and Machine Settings for Glulam Laminations of Nordic Origin; SP Report 1998:38; Swedish National Testing and Research Institute: Borås, Sweden, 1998. [Google Scholar]
- Thelandersson, S.; Larsen, H.J. Timber Engineering; Wiley & Sons Ltd.: Hoboken, NJ, USA, 2003; 496p, ISBN 978-0-470-84469-4. [Google Scholar]
- Hanhijärvi, A.; Ranta-Maunus, A.; Turk, G. Potential of Strength Grading of Timber with Combined Measurement Techniques; Report of the Combigrade-Project phase 1; VTT Publications: Espoo, Finland, 2005; VTT Publications 568. [Google Scholar]
- Fonselius, M.; Lindgren, C.; Makkonen, O. Lujuuslajittelu Nostaa Jalostusarvoa. Suomalaisen Sahatavaran Lujuus; Rakentavaa Tietoa 16.5.1997; VTT Rakennustekniikka: Espoo, Finland, 1997. (In Finnish) [Google Scholar]
- Glos, P. New Grading Methods. In Proceedings of the COST E29 Symposioum, Florence, Italy, 27–29 October 2004; CNR-Ivalsa: San Michele all’Adige, Italy, 2004. [Google Scholar]
- Esteban, M.; Arriaga, F.; Íñiguez, G.; Bobadilla, I.; Mateo, R. The effect of fissures on the strength of structural timber. Mater. Construcc. 2010, 60, 115–132. [Google Scholar] [CrossRef]
- Newlin, J.A. Shear in checked beams. Amer. Ry. Engin. Assoc. Bull. 1934, 364, 1001–1004. [Google Scholar]
- Newlin, J.A.; Heck, G.E.; March, H.W. New method of calculating longitudinal shear in checked wooden beams. Amer. Soc. Mech. Engin. Trans. 1934, 56, 739–744. [Google Scholar] [CrossRef]
- Rammer, D.R. Evaluation of recycled timber members. In Proceedings of the 5th ASCE Materials Engineering Congress, Cincinnati, OH, USA, 10–12 May 1999. [Google Scholar]
- Falk, R.H.; Green, D.; Rammer, D.; Lantz, S.F. Engineering evaluation of 55-year-old timber columns recycled from an industrial military building. For. Prod. J. 2000, 50, 71–76. [Google Scholar]
- Mori, T.; Kousoku, A.; Yoshiyuki, Y.; Komatsu, K. Relationships between strength properties and density or ultrasonic velocity of timber attacked by termite. J. Soc. Mater. Sci. 2010, 59, 297–302. [Google Scholar] [CrossRef]
- Clair, B.; Thibaut, B. Physical and Mechanical Properties of Reaction Wood. The Biology of Reaction Wood; Springer Series in Wood Science; Springe: Berlin/Heidelberg, Germany, 2014; 249p, ISBN 978-3-642-10813-6. [Google Scholar]
- Blankenhorn, P.R.; Bhuiyan, M.S.H. Wood: Sawn Materials. In Encyclopedia of Materials: Science and Technology, 2nd ed.; Elsevier Ltd.: Amsterdam, Netherlands, 2001; pp. 9722–9732. [Google Scholar] [CrossRef]
- Johansson, C.J.; Brundin, J.; Gruber, R. Stress Grading of Swedish and German Timber. A Comparison of Machine Stress Grading and Three Visual Grading Systems; Building Technology. SP Report 23:94; Swedish National Testing and Research Institute: Borås, Sweden, 1992. [Google Scholar]
- United Nations Commission for Europe. ECE Recommended Standards for Stress Grading and Finger-Jointing of Structural Coniferous Sawn Timber; Timber Bulletin for Europe; United Nations Commission for Europe: Geneva, Switzerland, 1982; Volume XXXIV, (Suppl. S16). [Google Scholar]
- ISO 9709:2018; Structural Timber—Visual Strength Grading—Basic Principles. International Organization for Standardization: Geneva, Switzerland, 2018.
- Lycken, A.; Ziethén, R.; Olofsson, D.; Fredriksson, M.; Brüchert, F.; Weidenhiller, A.; Broman, O. State of the Art Summary on Industrial Strength Grading, including Standards; RISE Report 2020:92; RISE Research Institutes of Sweden: Gothenburg, Sweden, 2020. [Google Scholar]
- Stapel, P.; van de Kuilen, J.W.G. Efficiency of visual strength grading of timber with respect to origin, species, cross section, and grading rules: A critical evaluation of the common standards. Holzforschung 2014, 68, 203–216. [Google Scholar] [CrossRef]
- EN 1912:2012+AC2013; Timber Structures. Strength Classes. Assignment of Visual Grades and Species. European Committee of Standardization (CEN): Brussels, Belgium, 2013.
- CEN TC124 WG2 TG1 blog. Grading Machines and Their Speeds. 2021. Available online: https://blogs.napier.ac.uk/cwst/grading-machines-speeds/ (accessed on 26 October 2022).
- American Lumber Standard Committee. List of Approved Machines. Available online: https://www.alsc.org/untreated_machinegraded_mod.htm (accessed on 26 October 2022).
- Ross, R.J.; Pellerin, R.F. Nondestructive Testing for Assessing Wood Members in Structures: A Review; General Technical Report FPL-GTR-70; Department of Agriculture, Forest Service, Forest Products Laboratory: Madison, WI, USA, 1994; 40p. [Google Scholar]
- Ross, R.J. Nondestructive Evaluation of Wood, 2nd ed.; General Technical Report FPL-GTR-238; U.S. Department of Agriculture, Forest Service, Forest Products Laboratory: Madison, WI, USA, 2015; 167p. [Google Scholar]
- Ross, R.J.; Wang, X. Nondestructive Testing and Evaluation of Wood: 50 Years of Research; International Nondestructive Testing and Evaluation of Wood Symposium Series; General Technical Report FPL-GTR-213; U.S. Department of Agriculture, Forest Service; Forest Products Laboratory: Madison, WI, USA, 2013; Volume 6, 702p. [Google Scholar]
- ASTM D4761-19:2019; Standard Test Methods for Mechanical Properties of Lumber and Wood-Based Structural Materials. American Society for Testing and Materials: Philadelphia, PA, USA, 2019.
- Schad, K.C.; Kretschmann, D.E.; McDonald, K.A.; Ross, R.J.; Green, D.W. Stress Wave Techniques for Determining Quality of Dimensional Lumber from Switch Ties; Res. Note FPL-RN-0265; Department of Agriculture, Forest Service, Forest Products Laboratory: Madison, WI, USA, 1995; 12p. [Google Scholar]
- Ross, R.J.; Erickson, J.R.; Brashaw, B.K.; Wang, X.; Verhey, S.R.; Forman, J.W.; Pilon, C.L. Yield and ultrasonic modulus of elasticity of red maple veneer. For. Prod. J. 2004, 54, 220–225. [Google Scholar]
- Allison, R.B.; Wang, X.; Senalik, C.A. Methods for nondestructive testing of urban trees. Forests 2020, 11, 1341. [Google Scholar] [CrossRef]
- Kasal, B.; Tannert, T. In-Situ Assessment of Structural Timber; RILEM State of the Art Reports; Springer: Berlin/Heidelberg, Germany, 2010; Volume 7, 124p. [Google Scholar]
- White, R.H.; Ross, R.J. Wood and Timber Condition Assessment Manual, 2nd ed.; General Technical Report FPL-GTR-234; U.S. Department of Agriculture, Forest Service, Forest Products Laboratory: Madison, WI, USA, 2014; 93p. [Google Scholar]
- Meyers, M.A. Dynamic Behavior of Materials; Wiley: New York, NY, USA, 1994. [Google Scholar]
- Wang, X. Acoustic measurements on trees and logs: A review and analysis. Wood Sci. Technol. 2013, 47, 965–975. [Google Scholar] [CrossRef]
- Bertholf, L.D. Use of Elementary Stress Wave Theory for Prediction of Dynamic Strain in Wood; Bull. 291; Washington State University, College of Engineering: Pullman, WA, USA, 1965. [Google Scholar]
- Ross, R.J. Stress wave propagation in wood products. In Proceedings of the 5th Nondestructive Testing of Wood Symposium, Pullman, WA, USA, 9–11 September 1985; Washington State University: Pullman, WA, USA, 1985; pp. 291–318. [Google Scholar]
- Kaiserlik, J.H.; Pellerin, R.F. Stress wave attenuation as an indicator of lumber strength. For. Prod. J. 1977, 27, 39–43. [Google Scholar]
- Ross, R.J.; McDonald, K.A.; Green, D.W.; Schad, K.C. Relationship between log and lumber modulus of elasticity. For. Prod. J. 1997, 47, 89–92. [Google Scholar]
- Carter, P.; Lausberg, M. Application of Hitman® Acoustic Technology. The Carter Holt Harvey Experience. In Tools and Technologies to Improve Log and Wood Product Segregation; Forest Industry Engineering Association, 2nd Wood Quality Workshop: Melbourne, Australia, 2003; 6p. [Google Scholar]
- Wang, X.; Carter, P.; Ross, R.J.; Brashaw, B.K. Acoustic assessment of wood quality of raw forest materials—A path to increased profitability. For. Prod. J. 2007, 57, 6–14. [Google Scholar]
- Harris, P.; Petherick, R.; Andrews, M. Acoustic resonance tools. In Proceedings of the 13th International Symposium on Nondestructive Testing of Wood, Berkeley, CA, USA, 19–21 August 2002; University of California: Berkeley, CA, USA, 2002; pp. 195–201. [Google Scholar]
- Andrews, M. Which acoustic speed? In Proceedings of the 13th International Symposium on Nondestructive Testing of Wood, Berkeley, CA, USA, 19–21 August 2002; University of California: Berkeley, CA, USA, 2003; pp. 156–165. [Google Scholar]
- Wang, X.; Ross, R.J.; Brashaw, B.K.; Punches, J.; Erickson, J.R.; Forsman, J.W.; Pellerin, R.F. Diameter effect on stress-wave evaluation of modulus of elasticity of small-diameter logs. Wood Fiber Sci. 2004, 36, 368–377. [Google Scholar]
- Arriaga, F.; Íñiguez-González, G.; Esteban, M.; Divós, F. Vibration method for grading of large cross-section coniferous timber species. Holzforschung 2012, 66, 381–387. [Google Scholar] [CrossRef]
- Jayne, B.A. Vibrational properties of wood as indices of quality. For. Prod. J. 1959, 9, 413–416. [Google Scholar]
- Pellerin, R.F. The contributions of transverse vibration grading to design and evaluation of 55-foot laminated beams. In Proceedings of the 2nd Nondestructive Testing of Wood Symposium, Spokane, WA, USA, 9 April 1965; Washington State University: Pullman, WA, USA, 1965; pp. 337–347. [Google Scholar]
- Pellerin, R.F. A vibrational approach to nondestructive testing of structural lumber. For. Prod. J. 1965, 15, 93–101. [Google Scholar]
- O’Halloran, M.R. Nondestructive Parameters for Lodgepole Pine Dimension Lumber. Master’s Thesis, Colorado State University, Fort Collins, CO, USA, 1969. [Google Scholar]
- Ross, R.J.; Geske, E.A.; Larson, G.L.; Murphy, J.F. Transverse Vibration Nondestructive Testing Using a Personal Computer; Res. Pap. FPL–RP–502; U.S. Department of Agriculture, Forest Service, Forest Products Laboratory: Madison, WI, USA, 1991. [Google Scholar]
- ASTM D6874:2021; Standard Test Methods for Nondestructive Evaluation of the Stiffness of Wood and Wood-Based Materials Using Transverse Vibration or Stress Wave Propagation. American Society for Testing and Materials: Philadelphia, PA, USA, 2021.
- Hounsfield, G.N. Computed medical imaging. J. Comput. Assist. Tomo. 1980, 4, 665–674. [Google Scholar] [CrossRef]
- Radon, J. On the determination of functions from their integrals along certain manifolds. Math. Phys. Kl. 1917, 69, 262–277. [Google Scholar] [CrossRef]
- Taylor, F.W.; Wagner, F.G.; McMillin, C.W.; Morgan, I.L.; Hopkins, F.F. Locating knots by industrial tomography. For. Prod. J. 1984, 34, 42–46. [Google Scholar]
- Funt, B.V.; Bryan, E.C. Detection of internal log defects by automatic interpretation of computer tomography images. For. Prod. J. 1987, 37, 56–62. [Google Scholar]
- Lindgren, L.O. The accuracy of medical CAT-scan images for non-destructive density measurements in small volume elements within solid wood. Wood Sci. Technol. 1991, 25, 425–432. [Google Scholar] [CrossRef]
- Strickler, M.D.; Pellerin, R.F.; Talbott, J.W. Experiments in proof loading structural end-jointed lumber. For. Prod. J. 1970, 20, 29–35. [Google Scholar]
- So, C.-L.; Via, B.; Groom, L.H.; Schimleck, L.R.; Shupe, T.; Kelley, S.; Rials, T. Near infrared spectroscopy in the forest products industry. For. Prod. J. 2004, 54, 6–16. [Google Scholar]
- Schimleck, L.R.; Evans, R.; Ilic, J. Estimation of Eucalyptus delegatensis wood properties by near infrared spectroscopy. Can. J. For. Res. 2001, 31, 1671–1674. [Google Scholar] [CrossRef]
- Schimleck, L.R.; Evans, R. Estimation of wood stiffness of increment cores by near infrared spectroscopy: The development and application of calibrations based on selected cores. IAWA J. 2002, 23, 217–224. [Google Scholar] [CrossRef]
- Meder, R.; Thumm, A.; Marston, D. Sawmill trial of at-line prediction of recovered lumber stiffness by NIR spectroscopy of Pinus radiata cants. J. Near Infrared Spec. 2003, 11, 137–143. [Google Scholar] [CrossRef]
- Meglen, R.R.; Kelley, S.S. Use of a Region of the Visible and near Infrared Spectrum to Predict Mechanical Properties of Wet Wood and Standing Trees. U.S. Patent No. 6,525,319, 25 February 2003. [Google Scholar]
- Meglen, R.R.; Kelley, S.S. Method for Predicting Dry Mechanical Properties from Wet Wood and Standing Trees. U.S. Patent No. 6,606,568, 12 August 2003. [Google Scholar]
- Meder, R.; Thumm, A.; Bier, H. Veneer stiffness predicted by NIR spectroscopy calibrated using mini-LVL test panels. Holz Roh Werkst. 2002, 60, 159–164. [Google Scholar] [CrossRef]
- Kelley, S.S.; Jellison, J.; Goodell, B. Use of NIR and MBMS coupled with multivariate analysis for detecting the chemical changes associated with brown-rot biodegradation of spruce wood. FEMS Microbiol. Lett. 2002, 209, 107–111. [Google Scholar] [CrossRef]
- Hedrick, S.F.; Bennett, R.M.; Kelley, S.S.; Rials, T.G. Determination of wood properties using near infrared spectroscopy. In Proceedings of the ASCE/SEI 2004 Structures Congress, Nashville, TN, USA, 22–26 May 2004; ASCE: Reston, VA, USA, 2003. [Google Scholar]
- Kelley, S.S. Method for Predicting Mechanical Properties of Decayed Wood. U.S. Patent No. 6,593,572, 15 July 2003. [Google Scholar]
- EN 338:2016; Structural Timber. Strength Classes. European Committee of Standardization (CEN): Brussels, Belgium, 2016.
- EN 1995-1-1:2004+AC:2006+A1:2008+A2:2014; Eurocode 5: Design of Timber Structures. Part 1-1. General. Common Rules and Rules for Building. European Committee of Standardization (CEN): Brussels, Belgium, 2014.
- ATIBT Association Technique Internationale des Bois Tropicaux. Nomenclature Générale des Bois Tropicaux; ATIBT Association Technique Internationale des Bois Tropicaux: Nogent-sur-Marne, France, 2016. [Google Scholar]
- Grossman, P.U.A.; Kingston, R.S.T. Creep and stress relaxation in wood during bending. Aust. J. Appl. Sci. 1954, 5, 403–417. [Google Scholar]
- Lara-Bocanegra, A.J.; Majano-Majano, A.; Arriaga, F.; Guaita, M. Long-term bending stress relaxation in timber laths for the structural design of lattice shells. Constr. Build. Mater. 2018, 193, 565–575. [Google Scholar] [CrossRef]
- Wu, Q.; Huo, L.; Zhu, E.; Niu, S.; Wang, H. An investigation of the duration of load of structural timber and the clear wood. Forests 2021, 12, 1148. [Google Scholar] [CrossRef]
- Wood, L.W. Behaviour of Wood under Continued Loading. Eng. News-Rec. 1947, 139, 108–111. [Google Scholar]
- Gerhards, C.C. Effect of Duration and Rate of Loading on Strength of Wood and Wood-Based Materials; Research Paper, FPL 283; Forest Products Laboratory: Madison, WI, USA, 1977. [Google Scholar]
- Liska, J.D. Effect of Rapid Loading on Compressive and Flexural Strength of Wood; Report Nº 1767; Forest Products Laboratory: Madison, WI, USA, 1950. [Google Scholar]
- Elmendorf, A. Stresses in impact. J. Frankl. Inst. 1916, 182, 771–790. [Google Scholar] [CrossRef]
- Wood, L.W. Relation of Strength of Wood to Duration of Load; Report No. 1916; Forest Products Laboratory Forest Service, U.S. Department of Agriculture: Madison, WI, USA, 1951; reprinted 1962. [Google Scholar]
- Madsen, B. Duration of Load Tests for Dry Lumber in Bending; Structural Research Series Nº3; Department Civil Engineering, University of British Columbia: Vancouver, BC, Canada, 1971. [Google Scholar]
- Madsen, B. Duration of Load Tests for Wet Lumber in Bending; Structural Research Series Nº4; Department Civil Engineering, University of British Columbia: Vancouver, BC, Canada, 1972. [Google Scholar]
- Gerhards, C.C. Bending creep and load duration of Douglas-fir 2 by 4s under constant load for up to 12-plus years. Wood Fiber Sci. 2000, 32, 489–501. [Google Scholar]
- Hoffmeyer, P.; Sørensen, J.D. Duration of load revisited. Wood Sci. Technol. 2007, 41, 687–711. [Google Scholar] [CrossRef]
- Wu, Q.Y.; Niu, S.; Wang, H.J.; Jin, Y.B.; Zhu, E.C. An investigation of the DOL effect of wood in tension perpendicular to grain. Constr. Build. Mater. 2020, 256, 119496. [Google Scholar] [CrossRef]
- Cavalli, A.; Cibecchini, D.; Togni, M.; Sousa, H.S. A review on the mechanical properties of aged wood and salvaged timber. Constr. Build. Mater. 2016, 114, 681–687. [Google Scholar] [CrossRef]
- American Wood Council. National Design Specifications for Wood Construction (NDS); ANSI, American National Standards Institute: Washington, DC, USA, 2018. [Google Scholar]
- Hawley, L.F. Wood-Liquid Relations; Technical bulletin No. 248; U.S. Dept. of Agriculture: Madison, WI, USA, 1931; 35p. [Google Scholar]
- Tiemann, H.D. Effect of Moisture upon the Strength and Stiffness of Wood; Forest Service, Bulletin 70; U.S. Dept. of Agriculture: Madison, WI, USA, 1906; 144p. [Google Scholar]
- Hoffmeyer, P. Lecture A4: Wood as a building material. In Timber Engineering, 1st ed.; Centrum Hout: Almere, The Netherlands, 1995; 21p. [Google Scholar]
- Carrington, H. The elastic constant of spruce as influenced by moisture. Aeronaut. J. 1922, 26, 462–471. [Google Scholar] [CrossRef]
- Kránitz, K. Effect of Natural Aging on Wood. Ph.D. Thesis, ETH Zürich, Zürich, Switzerland, 2014; 186p. [Google Scholar] [CrossRef]
- Kránitz, K.; Sonderegger, W.; Bues, C.T.; Niemz, P. Effects of aging on wood: A literature review. Wood Sci. Technol. 2016, 50, 7–22. [Google Scholar] [CrossRef]
- Kollmann, F.F.P.; Côte, W.A. Principles of Wood Science and Technology. I Solid Wood; Springer: New York, NY, USA, 1968; 592p. [Google Scholar]
- Küch, W. Der Einfluß des Feuchtigkeitsgehaltes auf die Festigkeit von Voll- und Schichtholz [The influence of moisture content on the strength of solid and laminated wood]. Holz Roh Werkst. 1943, 6, 157–161. [Google Scholar] [CrossRef]
- Dinwoodie, J.M. Timber. Its Nature and Behaviour, 2nd ed.; E & FN Spon: London, UK, 2000; 272p. [Google Scholar]
- Niemz, P. Physik des Holzes und der Holzwerkstoffe [Physics of Wood and Wood Materials]; DRW-Verlag: Leinfelden-Echterdingen, Germany, 1993; 243p. [Google Scholar]
- Chevandier, E.; Wertheim, G. Mémoire sur les Proprieties Mécaniques du bois [Memory of Mechanical Properties of Wood]; Imprimerie de Bachelier: Paris, France, 1848; 135p. [Google Scholar]
- Kollmann, F.F.P.; Krech, H. Dynamische Messung der elastischen Holzeigenschaften und der D¨ampfung [Dynamic measurement of damping capacity and elastic properties of wood]. Holz Roh Werkst. 1960, 18, 41–54. [Google Scholar] [CrossRef]
- ASTM D1990:2019; Standard Practice for Establishing Allowable Properties for Visually-Graded Dimension Lumber from In-grade Tests of Full-Size Specimens. American Society for Testing and Materials: Philadelphia, PA, USA, 2019.
- Dupraz, P.A.; Mooser, M.; Pflug, D. Dimensionnement des Structures en Bois. Aide au Calcul Basé sur la Norme SIA 265; Presses Polytechniques et Universitaires Romandes: Lausanne, Switzerland, 2010. [Google Scholar]
- EN 1993-1-1:2005+AC2006; Eurocode 3: Design of Steel Structure. Part 1-1: General Rules and Rules for Buildings. European Committee of Standardization (CEN): Brussels, Belgium, 2006.
- EN 1992-1-1:2004+AC2008; Eurocode 2: Design of Concrete Structures. Part 1-1: General Rules and Rules for Buildings. European Committee of Standardization (CEN): Brussels, Belgium, 2006.
- Schaffer, E.L. Effect of pyrolytic temperatures on longitudinal strength of dry Douglas-fir. J. Test. Eval. 1973, 1, 319–329. [Google Scholar]
- Llana, D.F.; Íñiguez-González, G.; Arriaga, F.; Niemz, P. Influence of temperature and moisture content on non-destructive measurements in Scots pine wood. Wood Res. Slovakia 2014, 59, 769–780. [Google Scholar]
- Dourado, N.; de Moura, M.F.S.F. Effect of temperature on the fracture toughness of wood under mode I quasi-static loading. Constr. Build. Mater. 2019, 223, 863–869. [Google Scholar] [CrossRef]
- Íñiguez-González, G.; Arriaga, F.; Barret, J.D.; Esteban, M. Visual grading of large structural coniferous sawn timber according to Spanish standard UNE 56544. For. Prod. J. 2007, 57, 45–50. [Google Scholar]
- Newlin, J.A.; Trayer, G.W. From Factor of Beams Subjected to Transverse Loading Only; NACA Report No. 181; Washington Government Printing Office: Washington, WA, USA, 1924. [Google Scholar]
- Pierce, F.T. Tension tests for cotton yarn. J. Text. Inst. 1926, 1926, T155–T368. [Google Scholar]
- Tucker, J. A study of the compressive strength dispersion of material with applications. J. Frankl. Inst. 1927, 204, 751–781. [Google Scholar] [CrossRef]
- Weibull, W. A Statistical Theory of the Strength of Materials; Proceedings N° 141; Royal Swedish Institute for Engineering Research: Stockholm, Sweden, 1939; 45p. [Google Scholar]
- Bohannan, B. Effect of Size on Bending Strength of Wood Members; Research Paper, FPL 56; United States Forest Service: Madison, WI, USA, 1966; p. 30. [Google Scholar]
- Barrett, J.D. Effect of size on tension perpendicular to grain strength of Douglas fir. Wood Fiber Sci. 1974, 6, 126–143. [Google Scholar]
- Colling, F. Influence of volume and stress distribution of the shear strength and tensile strength perpendicular to grain. In Proceedings of the CIB-W18A/19-12-3, Florence, Italy, 3–5 June 1986. [Google Scholar]
- Foschi, R.O.; Barrett, J.D. Longitudinal shear strength of Douglas fir. Can. J. Civil Eng. 1976, 3, 198–208. [Google Scholar] [CrossRef]
- Walley, S.M.; Rogers, S.J. Is wood a material? Taking the size effect seriously. Materials 2022, 15, 5403. [Google Scholar] [CrossRef] [PubMed]
- Pedersen, M.U.; Clorius, C.O.; Damkilde, L.; Hoffmeyer, P. A simple size effect model for tension perpendicular to the grain. Wood Sci. Technol. 2003, 37, 125–140. [Google Scholar] [CrossRef]
- Astrup, T.; Clorius, C.O.; Damkilde, L.; Hoffmeyer, P. Size effect of glulam beams in tension perpendicular to grain. Wood Sci. Technol. 2007, 41, 361–372. [Google Scholar] [CrossRef]
- Rouger, F. Volume and stress distribution effects. In Timber Engineering STEP 1; Lecture B1:1-8; Centrum Hout: Almere, The Netherlands, 1995. [Google Scholar]
- Arriaga, F.; Argüelles Álvarez, R.; Esteban, M.; Íñiguez, G.; Argüelles Bustillo, R. Estructuras de Madera. Bases de Cálculo; AITIM: Madrid, Spain, 2018; 574p. [Google Scholar]
- Curry, W.T.; Tory, J.R. The Relation between the Modulus of Rupture (Ultimate Bending Stress) and Modulus of Elasticity of Timber; CP 30/76; Princes Risborough Laboratory: Princes Risborough, UK, 1976. [Google Scholar]
- Bôstrom, L. Machine Strength Grading: Comparison of Four Different Systems; Building Technology SP Report 1994: 49; Swedish National Testing and Research Institute: Borås, Sweden, 1994. [Google Scholar]
- Fernández-Golfín, J.I.; Hermoso, E.; Díez, M.R. Analysis of the effect of volume on the bending strength of the Spanish Scots and laricio pine timber. Mater. Const. 2002, 52, 43–55. [Google Scholar] [CrossRef]
- Guillaumet, A.A.; Manavella, R.D.; Acuña, L.; Piter, J.C. Size effect on bending strength in sawn timber of Argentinean Populus deltoides. Maderas-Cienc. Tecnol. 2016, 18, 587–598. [Google Scholar] [CrossRef]
- EN 14374:2004; Timber structures, Structural laminated veneer lumber. Requirements. European Committee of Standardization (CEN): Brussels, Belgium, 2004.






















| Material | MOE N/mm2 | ρ kg/m3 | 103 E/ρ Beam | 103 E0.5/ρ Column | 103 E1/3/ρ Panel | |
|---|---|---|---|---|---|---|
| Steel | 210,000 | 7850 | 26,752 | 58 | 8 | |
| Carbon fibre | 200,000 | 2000 | 100,000 | 224 | 29 | |
| Titanium | 120,000 | 4500 | 26,667 | 77 | 11 | |
| Aluminium | 73,000 | 2800 | 26,071 | 96 | 15 | |
| Concrete | 15,000 | 2500 | 6000 | 49 | 10 | |
| LVL C40 equivalent | ULS | 14,000 | 480 | 29,167 | 247 | 50 |
| Sawn timber C24 | 11,000 | 420 | 26,190 | 250 | 53 | |
| LVL C40 equivalent | SLS | 9400 | 400 | 23,500 | 242 | 53 |
| Sawn timber C24 | 7400 | 350 | 21,143 | 246 | 56 | |
| Properties | Softwoods | Hardwoods |
|---|---|---|
| MOET:MOER:MOEL | 1:1.7:20 | 1:1.7:13 |
| GLR:GLT:GRT | 1:1:0.1 (1) | 1.3:1:0.4 |
| Grading Parameter | Correlation With | ||
|---|---|---|---|
| fm | ft,0 | fc,0 | |
| Knots | 0.5 | 0.6 | 0.4 |
| Slope of grain | 0.2 | 0.2 | 0.1 |
| Density | 0.5 | 0.5 | 0.6 |
| Ring width | 0.4 | 0.5 | 0.5 |
| Knots + ring width | 0.5 | 0.6 | 0.5 |
| Knots + density | 0.7–0.8 | 0.7–0.8 | 0.7–0.8 |
| Modulus of elasticity | 0.7–0.8 | 0.7–0.8 | 0.7–0.8 |
| Modulus of elasticity + density | 0.7–0.8 | 0.7–0.8 | 0.7–0.8 |
| Modulus of elasticity + knots | >0.8 | >0.8 | >0.8 |
| Property | Change (%) |
|---|---|
| Compression strength parallel to the grain | 5 |
| Compression strength perpendicular to the grain | 5 |
| Bending strength parallel to the grain | 4 |
| Tensile strength parallel to the grain | 2.5 |
| Bending strength perpendicular to the grain | 2 |
| Shear strength parallel to the grain | 3 |
| Impact bending strength parallel to the grain | 0.5 |
| Modulus of elasticity parallel to the grain | 1.5 |
| Material | Thermal Dilatation Coefficient (K−1) |
|---|---|
| Softwood and hardwood, parallel direction | 3–6 × 10−6 |
| Softwood and hardwood, radial direction | 13–45 × 10−6 |
| Softwood and hardwood, tangential direction | 22–60 × 10−6 |
| Steel | 12 × 10−6 |
| Concrete | 10 × 10−6 |
| Aluminium | 24 × 10−6 |
| Reference Design Values | In-Service Moisture Conditions | t ≤ 100 °F (t ≤ 37.78 °C) | 100 °F < t ≤ 125 °F (37.78 °C < t ≤ 51.67 °C) | 125 °F < t ≤ 150 °F (51.67 °C < t ≤ 65.56 °C) |
|---|---|---|---|---|
| Tension, MOE | Wet or Dry | 1.0 | 0.9 | 0.9 |
| Bending, shear, compression | Dry | 1.0 | 0.8 | 0.7 |
| Wet | 1.0 | 0.7 | 0.5 |
Disclaimer/Publisher’s Note: The statements, opinions and data contained in all publications are solely those of the individual author(s) and contributor(s) and not of MDPI and/or the editor(s). MDPI and/or the editor(s) disclaim responsibility for any injury to people or property resulting from any ideas, methods, instructions or products referred to in the content. |
© 2023 by the authors. Licensee MDPI, Basel, Switzerland. This article is an open access article distributed under the terms and conditions of the Creative Commons Attribution (CC BY) license (https://creativecommons.org/licenses/by/4.0/).
Share and Cite
Arriaga, F.; Wang, X.; Íñiguez-González, G.; Llana, D.F.; Esteban, M.; Niemz, P. Mechanical Properties of Wood: A Review. Forests 2023, 14, 1202. https://doi.org/10.3390/f14061202
Arriaga F, Wang X, Íñiguez-González G, Llana DF, Esteban M, Niemz P. Mechanical Properties of Wood: A Review. Forests. 2023; 14(6):1202. https://doi.org/10.3390/f14061202
Chicago/Turabian StyleArriaga, Francisco, Xiping Wang, Guillermo Íñiguez-González, Daniel F. Llana, Miguel Esteban, and Peter Niemz. 2023. "Mechanical Properties of Wood: A Review" Forests 14, no. 6: 1202. https://doi.org/10.3390/f14061202
APA StyleArriaga, F., Wang, X., Íñiguez-González, G., Llana, D. F., Esteban, M., & Niemz, P. (2023). Mechanical Properties of Wood: A Review. Forests, 14(6), 1202. https://doi.org/10.3390/f14061202

