Experimental and Numerical Studies on the Traditional Penetration Mortise–Tenon Connection Reinforced by Self-Tapping Screws
Abstract
:1. Introduction
2. Experimental Program
2.1. Materials
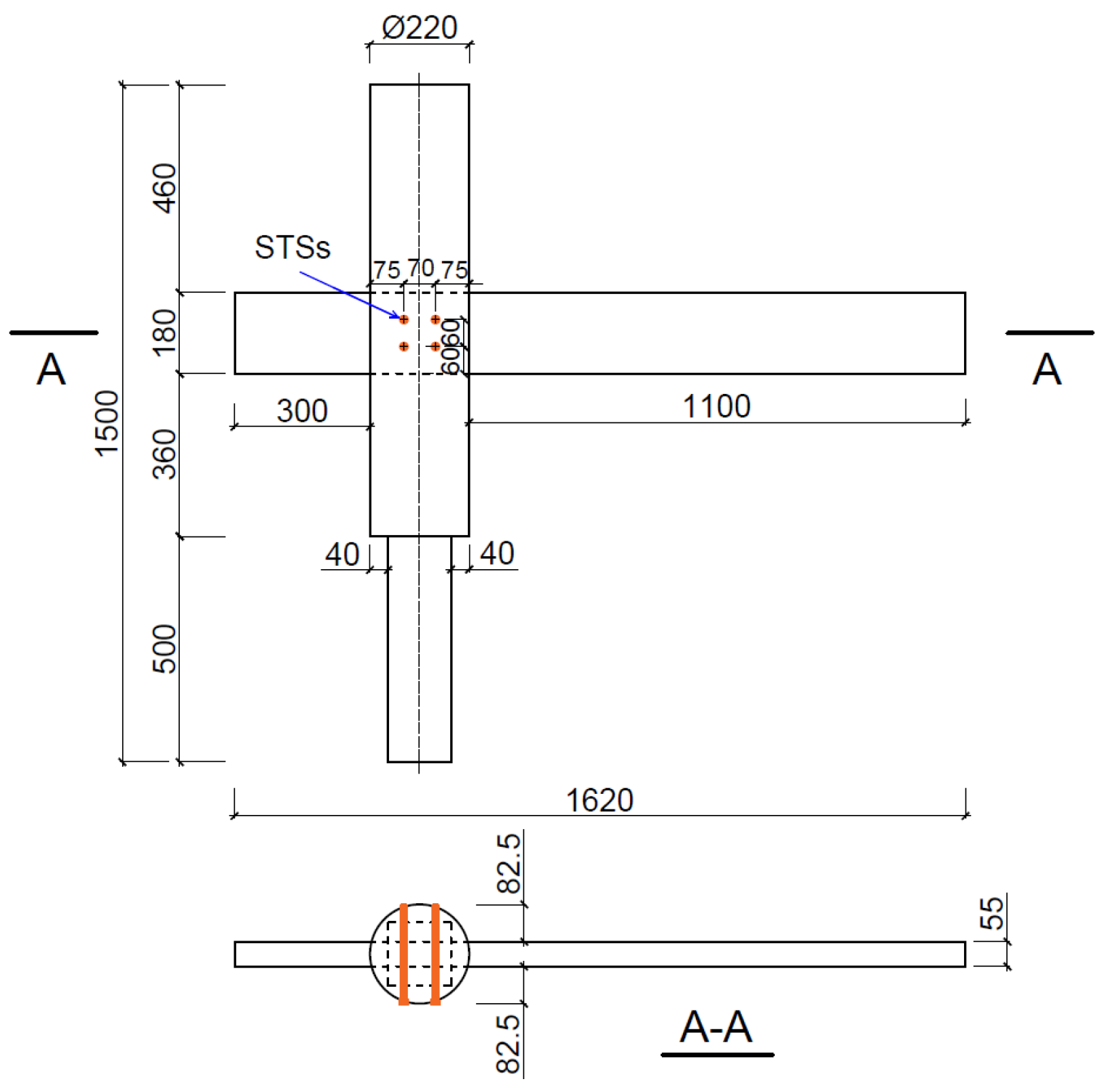
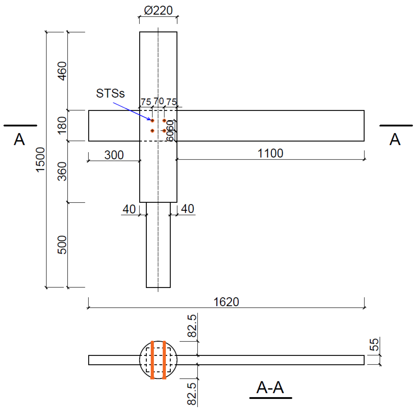
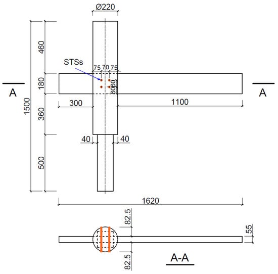
2.2. Specimen Design
2.3. Loading Test Setup and Data Measurement
2.4. Loading Program
3. Experimental Observations and Failure Modes
3.1. Non-Reinforced Connections
3.2. Reinforced Connections
4. Experimental Results Analysis
5. Numerical Simulation
5.1. Finite Element Modeling
5.2. Comparison of Numerical and Experimental Results
5.3. Influence of the STSs
5.3.1. Strength
5.3.2. Diameter
6. Conclusions
- (1)
- The unreinforced penetration mortise–tenon connections failed by the beam fracture under monotonic loading and the pull-out of tenon under cyclic loading;
- (2)
- The self-tapping-screw-reinforced method significantly improved the initial stiffness and moment-resisting capacity of unreinforced connections. The self-tapping-screw reinforcements could restrict the pull-out of the tenon during the whole loading process;
- (3)
- The yield strength of STS has little effect on the moment-bearing behavior of the connection. The diameter of STS significantly influences the connection performance, and the diameter of 8 mm is suggested;
- (4)
- The self-tapping-screw-reinforced methods have the advantages of cost effectiveness, easy implementation, and low demand for installation space. It is a reasonable reinforced method.
Author Contributions
Funding
Data Availability Statement
Acknowledgments
Conflicts of Interest
References
- Wu, G.; Gong, M.; Gong, Y.; Ren, H.; Zhong, Y. Mechanical performance of mortise and tenon joints pre-reinforced with slot-in bamboo scrimber plates. J. Wood Sci. 2019, 65, 38. [Google Scholar] [CrossRef] [Green Version]
- Leijten, A.J.M.; Brandon, D. Advances in moment transfering dvw reinforced timber connections—Analysis and experimental verification, Part 1. Constr. Build. Mater. 2013, 43, 614–622. [Google Scholar] [CrossRef] [Green Version]
- Brandon, D.; Leijten, A.J.M. Advances in moment transferring dvw reinforced timber connections—Numerical analyses and verification, Part 2. Constr. Build. Mater. 2014, 56, 32–43. [Google Scholar] [CrossRef]
- Ling, L.J. Investigation on the Current Situation and Study on Safety Improvement Technology of through Type Timber Frame Dwellings-Taking Bapa Village of Qiandongnan as an Example; Xi’an University of Architecture and Technology: Xi’an, China, 2018. (In Chinese) [Google Scholar]
- Xu, M.G. Study of Aseismatic Behavior of Mortise-Tenon Joints in Chinese Ancient Timber Buildings; Southeast University: Nanjing, China, 2011. (In Chinese) [Google Scholar]
- Chang, W.-S.; Hsu, M.-F.; Komatsu, K. Rotational performance of traditional Nuki joints with gap I: Theory and verification. J. Wood Sci. 2006, 52, 58–62. [Google Scholar] [CrossRef]
- Chang, W.-S.; Hsu, M.-F. Rotational performance of traditional Nuki joints with gap II: The behavior of butted Nuki joint and its comparison with continuous Nuki joint. J. Wood Sci. 2007, 53, 401–407. [Google Scholar] [CrossRef]
- Guan, Z.W.; Kitamori, A.; Komatsu, K. Experimental study and finite element modelling of Japanese “Nuki” joints—Part two: Racking resistance subjected to different wedge configurations. Eng. Struct. 2008, 30, 2041–2049. [Google Scholar] [CrossRef]
- Tanahashi, H.; Suzuki, Y. Basic Concept and General Formulation of Restoring Force Characteristics of Traditional Wooden Joints; WCTE; Curran Associates, Inc.: Auckland, New Zealand, 2012; pp. 378–387. [Google Scholar]
- Tanahashi, H.; Suzuki, Y. Seismic reinforcement of traditional timber structures by ladder type frames. Disaster Mitig. Cult. Herit. Hist. Cities 2008, 2, 171–178. [Google Scholar]
- Xie, Q.; Wang, L.; Zheng, P.; Zheng, P.; Zhang, L.; Qian, C. Theoretical analysis on moment-rotation relationship of straight mortise-tenon joints for Chinese traditional wooden buildings. J. Hunan Univ. (Nat. Sci.) 2017, 44, 111–117. (In Chinese) [Google Scholar]
- Yang, Q.; Yu, P.; Law, S.-S. Load resisting mechanism of the mortise-tenon connection with gaps under in-plane forces and moments. Eng. Struct. 2020, 219, 110755. [Google Scholar] [CrossRef]
- Xie, Q.F.; Zhao, H.T.; Xue, J.Y.; Yao, K.; Sui, Y. An experimental study on the strengthening of mortise-tenon joints in ancient Chinese wooden buildings. China Civ. Eng. J. 2008, 41, 28–34. (In Chinese) [Google Scholar]
- Pan, Y.; Wang, C.; Tang, L.N. Comparative research on flat steel and damper strengthening of straight type of tenon-mortise joints. J. Southwest Jiaotong Univ. 2014, 49, 981–986, 1031. (In Chinese) [Google Scholar]
- Xu, M.; Qiu, H. Expenmental study on seismic behavior of mortise-tenon joints in Chinese ancient timber buildings. J. Build. Struct. 2012, 33 (Suppl. S2), 345–349. (In Chinese) [Google Scholar]
- Chen, C.-J. The Study on Improved Mechanical Properties of Reinforced Traditional Chuan-Dou Timber Joints in Taiwan; Urban Development and Architecture of National University of Kaohsiung: Kaohsiung, Taiwan, 2016. [Google Scholar]
- Yan, W.M.; Zhang, B.; Zhou, Q.; Guo, Y. Aseismic strengthening experiments on Chinese ancient tenon-mortise joints. Earthq. Resist. Eng. Retrofit. 2011, 33, 89–95. (In Chinese) [Google Scholar]
- Wang, C. Study of Mechanics Model and Seismic Strengthening of Tenon-Mortise Joints in Chinese Ancient Timber Structure; Southwest Jiaotong University: Chengdu, China, 2012. (In Chinese) [Google Scholar]
- Lu, W.D.; Deng, D.L. Experimental research on seismic performance of wooden mortise-tenon joints before and after reinforcement. J. Earthq. Eng. Eng. Vib. 2012, 32, 109–116. (In Chinese) [Google Scholar]
- GB5000 5–2003; Code for Design of Timber Structures. Ministry of Construction of the People’s Republic of China: Beijing, China, 2003. (In Chinese)
- GB 193 5–2009; Method of Testing in Compressive Strength Parallel to Grain of Wood. Standardization Administration of China: Beijing, China, 2009. (In Chinese)
- GB 1936. 1–2009; Method of Testing in Bending Strength of Wood. Standardization Administration of China: Beijing, China, 2009. (In Chinese)
- GB 1936. 2–2009; Method for Determination of the Modulus of Elasticity in Static Bending of Wood. Standardization Administration of China: Beijing, China, 2009. (In Chinese)
- GB 193 8–2009; Method of Testing in Tensile Strength Parallel to Grain of Wood. Standardization Administration of China: Beijing, China, 2009. (In Chinese)
- GB 193 9–2009; Method of Testing in Compression Perpendicular to Grain of Wood. Standardization Administration of China: Beijing, China, 2009. (In Chinese)
- EN12512; Timber Structures-Test Methods-Cyclic Testing of Joints Made with Mechanical Fasteners. European Committee for Standardization (CEN): Brussels, Belgium, 2005.
- Blaß, H.J.; Schädle, P. Ductility aspects of reinforced and non-reinforced timber joints. Eng. Struct. 2011, 33, 3018–3026. [Google Scholar] [CrossRef]

















| Series | Type of Connection | Specimen | Loading Method |
|---|---|---|---|
| U | Unstrengthened | U1 | Monotonic |
| U2 | Monotonic | ||
| U3 | Monotonic | ||
| U4 | Cyclic | ||
| S | Self-tapping screws | S1 | Monotonic |
| S2 | Monotonic | ||
| S3 | Monotonic | ||
| S4 | Cyclic |
| M.C | ρ kg/m3 | ft MPa | fm MPa | Em MPa | fc, 0 MPa | fc, 90, n MPa | |
|---|---|---|---|---|---|---|---|
| MV | 9.03% | 387 | 76.54 | 71.45 | 10192.50 | 48.68 | 4.68 |
| COV | 0.03 | 0.075 | 0.13 | 0.10 | 0.07 | 0.12 | 0.19 |
| Type of Connection | Specimen | μ | |||||
|---|---|---|---|---|---|---|---|
| (kN·m/°) | (°) | (kN·m) | (°) | (kN·m) | (μ = θu/θy) | ||
| Unstrengthened | U1 | 1.22 | 2.90 | 3.58 | 13.23 | 5.98 | 4.56 |
| U2 | 1.00 | 2.53 | 2.62 | 10.57 | 4.30 | 4.18 | |
| U3 | 1.37 | 2.68 | 3.82 | 13.73 | 6.72 | 5.13 | |
| Mean | 1.20 | 2.70 | 3.34 | 12.51 | 5.66 | 4.62 | |
| Cov | 0.16 | 0.07 | 0.19 | 0.14 | 0.22 | 0.10 | |
| Self-tapping screws | S1 | 2.46 | 2.78 | 5.51 | 11.40 | 8.67 | 4.10 |
| S2 | 1.79 | 4.85 | 5.99 | 13.54 | 9.86 | 2.79 | |
| S3 | 2.05 | 3.96 | 5.82 | 12.84 | 10.13 | 3.24 | |
| Mean | 2.10 | 3.87 | 5.77 | 12.59 | 9.56 | 3.38 | |
| Cov | 0.16 | 0.27 | 0.04 | 0.09 | 0.08 | 0.20 |
| S1 | 0.99 | 2.46 | 8.67 |
| FEM | 1.10 | 2.84 | 8.55 |
| Relative error | 11% | 15% | −1% |
Publisher’s Note: MDPI stays neutral with regard to jurisdictional claims in published maps and institutional affiliations. |
© 2022 by the authors. Licensee MDPI, Basel, Switzerland. This article is an open access article distributed under the terms and conditions of the Creative Commons Attribution (CC BY) license (https://creativecommons.org/licenses/by/4.0/).
Share and Cite
Guo, T.; Yang, N.; Zhou, H.; Wang, S. Experimental and Numerical Studies on the Traditional Penetration Mortise–Tenon Connection Reinforced by Self-Tapping Screws. Forests 2022, 13, 513. https://doi.org/10.3390/f13040513
Guo T, Yang N, Zhou H, Wang S. Experimental and Numerical Studies on the Traditional Penetration Mortise–Tenon Connection Reinforced by Self-Tapping Screws. Forests. 2022; 13(4):513. https://doi.org/10.3390/f13040513
Chicago/Turabian StyleGuo, Ting, Na Yang, Haibin Zhou, and Shuangyong Wang. 2022. "Experimental and Numerical Studies on the Traditional Penetration Mortise–Tenon Connection Reinforced by Self-Tapping Screws" Forests 13, no. 4: 513. https://doi.org/10.3390/f13040513
APA StyleGuo, T., Yang, N., Zhou, H., & Wang, S. (2022). Experimental and Numerical Studies on the Traditional Penetration Mortise–Tenon Connection Reinforced by Self-Tapping Screws. Forests, 13(4), 513. https://doi.org/10.3390/f13040513

