Loosening of Bolted Connections under Transverse Loading in Timber Structures
Abstract
1. Introduction
2. Problem Description
3. Materials and Methods
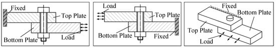
3.1. Single-Lap Bolted Joint in Timber Structure
3.2. Modeling of the Thread
3.3. Analytical Method
4. Results and Discussion
4.1. Analysis of the Loosening Process of Bolted Connections
4.2. Influence of Transverse Load Amplitude on Looseness
4.3. Influence of the Transverse Load Position on Looseness
4.4. Influence of Transverse Load Frequency and Timber Properties on Looseness
5. Conclusions
Author Contributions
Funding
Conflicts of Interest
References
- Junker, G.H. Criteria for self loosening of fasteners under vibration. Aircr. Eng. Aerosp. Technol. 1972, 44, 14–16. [Google Scholar] [CrossRef]
- Zhou, J.; Liu, J.; Ouyang, H.; Cai, Z.; Peng, J.; Zhu, M. Self-loosening behavior of bolted joints subjected to dynamic shear load. Int. J. Mod. Phys. B 2019, 33, 1940009. [Google Scholar] [CrossRef]
- Ksentini, O.; Combes, B.; Abbes, M.; Daidié, A.; Haddar, M. Numerical study of self-loosening of a bolted assembly under transversal load. Mech. Ind. 2016, 17, 507. [Google Scholar] [CrossRef]
- Jiang, X.; Huang, J.; Wang, Y.; Li, B.; Du, J.; Hao, P. Finite element analysis for the self-loosening behavior of the bolted joint with a superelastic shape memory alloy. Materials 2018, 11, 1592. [Google Scholar] [CrossRef] [PubMed]
- Yang, G.; Che, C.; Xiao, S.; Yang, B.; Zhu, T.; Jiang, S. Experimental study and life prediction of bolt loosening life under variable amplitude vibration. Shock Vib. 2019, 2019, 2036509. [Google Scholar] [CrossRef]
- Gong, H.; Liu, J.; Ding, X. Study on the mechanism of preload decrease of bolted joints subjected to transversal vibration loading. Proc. Inst. Mech. Eng. Part B J. Eng. Manuf. 2019, 233, 2320–2329. [Google Scholar] [CrossRef]
- Huo, L.; Wang, F.; Li, H.; Song, G. A fractal contact theory based model for bolted connection looseness monitoring using piezoceramic transducers. Smart Mater. Struct. 2017, 26, 104010. [Google Scholar] [CrossRef]
- Zhao, Z.; Chen, P.; Zhang, E.; Lu, G. Health Monitoring of Bolt Looseness in Timber Structures Using PZT-Enabled Time-Reversal Method. J. Sens. 2019, 2019, 2801638. [Google Scholar] [CrossRef]
- Wang, M.; Tan, Z.; He, D.; Jiang, D.; Fei, Q. Anti-loosening experiment of composite bolted structures under high temperature and vibration circumstance. J. Vib. Meas. Diagn. 2018, 38, 1169–1175. [Google Scholar]
- Xu, C.; Huang, C.; Zhu, W. Bolt loosening detection in a jointed beam using empirical mode decomposition-based nonlinear system identification method. Int. J. Distrib. Sens. Netw. 2019, 15, 1550147719875656. [Google Scholar] [CrossRef]
- Zhang, Y.; Zhao, X.; Sun, X.; Su, W.; Xue, Z. Bolt loosening detection based on audio classification. Adv. Struct. Eng. 2019, 22, 2882–2891. [Google Scholar] [CrossRef]
- Li, Q.; Jing, X. Fault diagnosis of bolt loosening in structures with a novel second-order output spectrum-based method. Struct. Health Monit. Int. J. 2020, 19, 123–141. [Google Scholar] [CrossRef]
- Xu, C.; Wu, G.; Du, F.; Zhu, W.; Mahdavi, S.H. A modified time reversal method for guided wave based bolt loosening monitoring in a lap joint. J. Nondestruct. Eval. 2019, 38, 85. [Google Scholar] [CrossRef]
- Du, F.; Xu, C.; Zhang, J. A bolt preload monitoring method based on the refocusing capability of virtual time reversal. Struct. Control Health Monit. 2019, 26, e2370. [Google Scholar] [CrossRef]
- Wang, F.; Ho, S.; Song, G. Modeling and analysis of an impact-acoustic method for bolt looseness identification. Mech. Syst. Signal Process. 2019, 133, 106249. [Google Scholar] [CrossRef]
- Nguyen, T.; Huynh, T.; Ryu, J.; Park, J.; Kim, J. Bolt-loosening identification of bolt connections by vision image-based technique. In Proceedings of the Nondestructive Characterization and Monitoring of Advanced Materials, Aerospace, and Civil Infrastructure 2016, Las Vegas, NE, USA, 21–24 March 2016. [Google Scholar]
- Huynh, T.; Park, J.; Jung, H.; Kim, J. Quasi-autonomous bolt-loosening detection method using vision-based deep learning and image processing. Autom. Constr. 2019, 105, 102844. [Google Scholar] [CrossRef]
- Ramana, L.; Choi, W.; Cha, Y. Fully automated vision-based loosened bolt detection using the Viola–Jones algorithm. Struct. Health Monit. 2018, 18, 422–434. [Google Scholar] [CrossRef]
- Zhao, X.; Zhang, Y.; Wang, N. Bolt loosening angle detection technology using deep learning. Struct. Control Health Monit. 2019, 26, e2292. [Google Scholar] [CrossRef]
- Yin, T.; Wang, X.; Zhu, H. A probabilistic approach for the detection of bolt loosening in periodically supported structures endowed with bolted flange joints. Mech. Syst. Signal Process. 2019, 128, 588–616. [Google Scholar] [CrossRef]
- Nassar, S.; Housari, B. Self-loosening of threaded fasteners due to cyclic transverse loads. In Proceedings of the ASME 2005 Pressure Vessels and Piping Conference, Denver, CO, USA, 17–21 July 2005. [Google Scholar]
- Vilela, P.; Carvalho, H.; Grilo, L.; Montenegrob, P.; Calçadab, R.B. Unitary model for the analysis of bolted connections using the finite element method. Eng. Fail. Anal. 2019, 104, 308–320. [Google Scholar] [CrossRef]
- Jiang, D.; Wu, S.; Shi, Q.; Fei, Q. Contact interface parameter identification of bolted joint structure with uncertainty using thin layer element method. Eng. Mech. 2015, 32, 220–227. [Google Scholar]
- Wi, J.; Ahn, H.; Lee, K.; Lee, C. Self-loosening characteristics of three-dimensional printed bolted joints. 3D Print. Addit. Manuf. 2019, 6, 354–360. [Google Scholar] [CrossRef]
- Zhang, M.; Zeng, D.; Lu, L.; Zhang, Y.; Wang, J.; Xu, J. Finite element modelling and experimental validation of bolt loosening due to thread wear under transverse cyclic loading. Eng. Fail. Anal. 2019, 104, 341–353. [Google Scholar] [CrossRef]
- Jiang, X.; Li, Z.; Wang, Y.; Pan, F. Self-loosening behavior of bolt in curvic coupling due to materials ratcheting at thread root. Adv. Mech. Eng. 2019, 11, 1687814019841137. [Google Scholar] [CrossRef]
- Baek, K.; Jeong, N.; Hong, H.; Choi, S.; Lee, E.; Kim, H.; Kwon, J.; Song, S.; Jang, H.; Lee, H.; et al. Loosening mechanism of threaded fastener for complex structures. J. Mech. Sci. Technol. 2019, 33, 1689–1702. [Google Scholar] [CrossRef]
- Gong, H.; Liu, J.; Ding, X. Study on the critical loosening condition toward a new design guideline for bolted joints. Proc. Inst. Mech. Eng. Part C J. Mech. Eng. Sci. 2019, 233, 3302–3316. [Google Scholar] [CrossRef]
- Zhang, J.; He, M.J.; Li, Z. Numerical analysis on tensile performance of bolted glulam joints with initial local cracks. J. Wood Sci. 2018, 64, 364–376. [Google Scholar] [CrossRef]
- Kaliyanda, A.; Rammer, D.; Rowlands, R. Three-dimensional nonlinear finite-element analysis of wood-steel bolted joints subjected to large deformations. J. Struct. Eng. 2019, 145, 04019108. [Google Scholar] [CrossRef]
- Shu, Z.; Li, Z.; Yu, X.; Zhang, J.; He, M. Rotational performance of glulam bolted joints: Experimental investigation and analytical approach. Constr. Build. Mater. 2019, 213, 675–695. [Google Scholar] [CrossRef]
- Feng, X.; Jing, X.; Xu, Z.; Guo, Y. Bio-inspired anti-vibration with nonlinear inertia coupling. Mech. Syst. Signal Process. 2019, 124, 562–595. [Google Scholar] [CrossRef]
- Gu, Y.; Zhu, L.; Wu, X. Polarization resolved analysis of phonon transport in a multi-terminal system. Chin. Phys. B 2019, 28, 124401. [Google Scholar] [CrossRef]
- Fukuoka, T.; Nomura, M. Proposition of helical thread modeling with accurate geometry and finite element analysis. In Proceedings of the ASME Pressure Vessels and Piping Conference, Vancouver, BC, Canada, 23–27 July 2006. [Google Scholar]
- Gong, H.; Liu, J. Some factors affecting the loosening failure of bolted joints under vibration using finite element analysis. Proc. Inst. Mech. Eng. Part C J. Mech. Eng. Sci. 2018, 232, 3942–3953. [Google Scholar] [CrossRef]
- Pai, N.; Hess, D. Three-dimensional finite element analysis of threaded fastener loosening due to dynamic shear load. Eng. Fail. Anal. 2002, 9, 383–402. [Google Scholar] [CrossRef]
- Pai, N.; Hess, D. Experimental study of loosening of threaded fasteners due to dynamic shear loads. J. Sound Vib. 2002, 253, 585–602. [Google Scholar] [CrossRef]
- Izumi, S.; Yokoyama, T.; Iwasaki, A.; Sakai, S. Three-dimensional finite element analysis of tightening and loosening mechanism of threaded fastener. Eng. Fail. Anal. 2005, 12, 604–615. [Google Scholar] [CrossRef]


















| Parameter | Value | 
|---|---|
| 13,700 Mpa | |
| 2240 Mpa | |
| 1140 Mpa | |
| 1060 Mpa | |
| 1610 Mpa | |
| 460 Mpa | |
| 0.75 | |
| 0.45 | |
| 0.51 | 
| Material Parameter | Ash Value | 
|---|---|
| 15,790 Mpa | |
| 1516 Mpa | |
| 827 Mpa | |
| 896 Mpa | |
| 1310 Mpa | |
| 269 Mpa | |
| 0.71 | |
| 0.46 | |
| 0.51 | 
© 2020 by the authors. Licensee MDPI, Basel, Switzerland. This article is an open access article distributed under the terms and conditions of the Creative Commons Attribution (CC BY) license (http://creativecommons.org/licenses/by/4.0/).
Share and Cite
Chen, J.; Wang, H.; Yu, Y.; Liu, Y.; Jiang, D. Loosening of Bolted Connections under Transverse Loading in Timber Structures. Forests 2020, 11, 816. https://doi.org/10.3390/f11080816
Chen J, Wang H, Yu Y, Liu Y, Jiang D. Loosening of Bolted Connections under Transverse Loading in Timber Structures. Forests. 2020; 11(8):816. https://doi.org/10.3390/f11080816
Chicago/Turabian StyleChen, Jiawei, Honghong Wang, Yabin Yu, Ying Liu, and Dong Jiang. 2020. "Loosening of Bolted Connections under Transverse Loading in Timber Structures" Forests 11, no. 8: 816. https://doi.org/10.3390/f11080816
APA StyleChen, J., Wang, H., Yu, Y., Liu, Y., & Jiang, D. (2020). Loosening of Bolted Connections under Transverse Loading in Timber Structures. Forests, 11(8), 816. https://doi.org/10.3390/f11080816
 
        

 
       