Algorithmic Optimal Control of Screw Compressors for Energy-Efficient Operation in Smart Power Systems
Abstract
1. Introduction
- -
- Development of a comprehensive nonlinear state-space model of the screw compressor and frequency-controlled induction motor pair, suitable for PMP-based optimization with an energy minimization criterion.
- -
- Derivation of an analytically justified optimal control law that explicitly accounts for real-world constraints on the control signal (frequency converter input) and system states, ensuring physical implementability.
- -
- Resolution of the practical issue of real-time computation on resource-constrained hardware. The structure of the synthesized regulator is compatible with industrial Programmable Logic Controllers (PLCs), moving beyond theoretical simulation into the realm of industrial application.
2. Methods and Materials
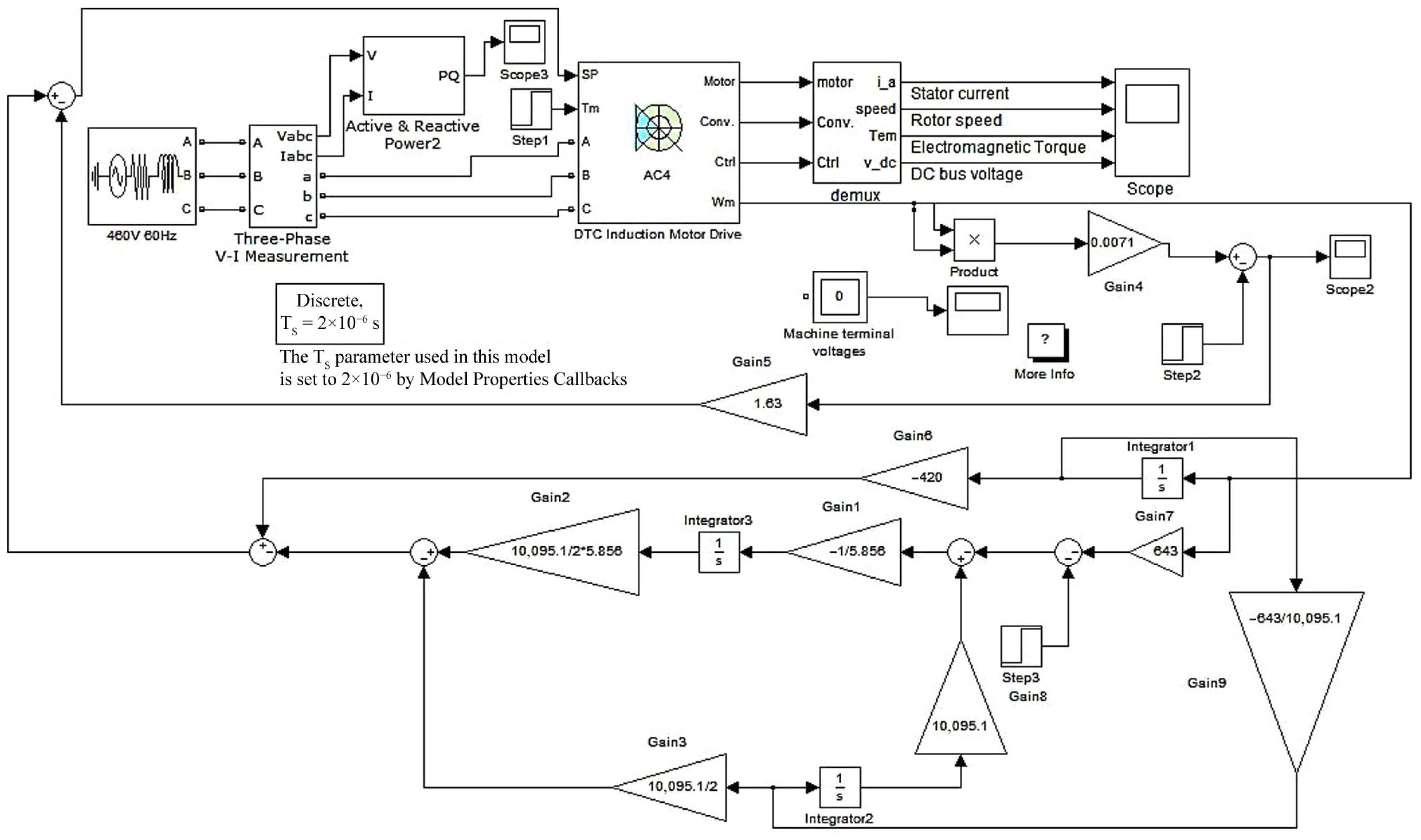
2.1. Experimental Setup and Data
- In Central Asia, compressor stations often suffer from irregular maintenance and parameter drift after repairs. Predictive controllers such as MPC, although effective in laboratory conditions, are very sensitive to model mismatch and can quickly fail when compressor parameters change. On the other hand, the PMP-based controller is more robust to such changes, ensuring stable operation even with a temporary decrease in efficiency. This characteristic makes PMP a safer and more sustainable choice for long-term implementation in these regions.
- Many compressor stations in Kazakhstan still use PID controllers. Replacing them with an MPC system would require significant staff retraining and significant computing resources. In contrast, PMP offers a rigorous mathematical control law that can be implemented on industrial PLCs with minimal modification of the existing infrastructure, simplifying the modernization process.
- While PMP does not always achieve the maximum theoretical energy savings associated with predictive AI methods, it does provide a trade-off of up to 18% energy savings, any overshoot, and increased reliability without the operational risks associated with predictive approaches. This balance is critical in the industrial context under consideration.
- -
- A screw ZIF-SVE-3.5/1.0 compressor (JSC “Zavod imeni Frunze”, Samara, Russia) with a 5AM 315 M2 VEMZ induction motor (200 kW, 2975 rpm).
- -
- A Delta VFD-E frequency converter (Delta Electronics, Inc., Taipei, Taiwan) with a 0–10 V analog input and a 0–50 Hz control range.
- -
- A Siemens SITRANS P200 (Siemens AG, Berlin, Germany) pressure sensor (a 0–1 MPa range, a 4–20 mA output).
- -
- A National Instruments CompactDAQ (National Instruments Corporation, Austin, TX, USA) data acquisition module with a sampling rate of 1 kHz.
- -
- A storage receiver with a volume of 500 L for pressure stabilization.
2.2. Validation Protocol and Energy Measurement Methodology
- -
- Active electrical power (Pactive) measured at the input terminals of the frequency converter using a certified three-phase power analyzer (Fluke 434 Series II—Fluke Corporation, Everett, WA, USA), ensuring accurate capture of real power consumption, inclusive of drive losses.
- -
- The volumetric flow rate (Qout) measured at the compressor outlet using a calibrated thermal mass flow meter (Siemens SITRANS FM MAG 6000) positioned after the receiver to account for stabilized flow.
3. Mathematical Description of the Control System
3.1. Simplified Mathematical Description of the Screw Compressor
Modeling Assumptions, Scope, and Physical Effects
3.2. Mathematical Description of the Induction Motor with the PID Controller
3.3. Application of the Pontryagin Maximum Principle
- -
- x1(t) = Pout;
- -
- x2(t) = ω;
- -
- x3(t) = Mm.
4. Modeling the Systems with Different Types of Regulators
4.1. Modeling a System with PID Control
4.2. An Approach to Comparative Analysis of Modeled Systems
4.3. Numerical Implementation Details, Stability and Sensitivity Analysis
Robustness to Thermal, Leakage, Friction, and Magnetic Saturation
5. Conclusions
Author Contributions
Funding
Institutional Review Board Statement
Informed Consent Statement
Data Availability Statement
Conflicts of Interest
List of Abbreviations and Symbols
| Qth | theoretical capacity of a screw compressor, m/min3 |
| Qr | real capacity of a screw compressor, m/min3 |
| Qlos | productivity losses due to leakage through seals |
| z1 | number of driving propeller runs |
| z2 | number of driven screw runs |
| L | screw length, m |
| f1 | trough area of the driving propeller, m2 |
| f2 | trough area of the driven screw, m2 |
| n1 | speed of the driving propeller, rpm |
| n2 | speed of the driven screw, rpm |
| ηp | efficiency of the gas compression process |
| P | pressure at the inlet (outlet) of AC, Pa |
| V | volume at the inlet (outlet) of AC, m3 |
| T | temperature at the inlet (outlet) of the AC, K |
| ω | rotor speed, rpm |
| N | indicator power of AC, W |
| Qout | compressor outlet capacity, m/min3 |
| Qin | compressor inlet capacity, m/min3 |
| e | geometric compression ratio |
| k | correction factor |
| m | polytropy exponent for the gas |
| A | specific theoretical work of compression |
| ρ | specific density of the gas, kg/m3 |
| Kfc | frequency converter coefficient |
| f | frequency, Hz |
| Ucont | control input influence, V |
| Sn | nominal slip, % |
| Tm | electromechanical time constant |
| J | motor moment of inertia, kg · m2 |
| M | moment, N · m |
| CS | compressor station |
| GCS | head compressor station |
| GPA | gas compressor units |
| VC | screw compressor |
| DCS | booster compressor station |
| VKM | oil-injected screw compressor |
Appendix A. The Model of the System with the Optimal Regulator Based on the Pontryagin Principle



Appendix B. Extended Plant Model with Thermal, Leakage, Nonlinear Friction, and Magnetic Saturation
Appendix B.1. Mass and Energy Balance in the Receiver/Compression Volume
Appendix B.2. Leakage Model. Pressure-Driven Internal Leakage Is Modeled as:
Appendix B.3. Nonlinear Mechanical Friction (Compressor Train)
Appendix B.4. Induction Motor with Magnetic Saturation
Appendix B.5. Parameterization and Identification
Appendix B.6. Real-Time Computational Profile and Fault Tolerance
| Operation Group | Approx. Count (ops) | Notes |
|---|---|---|
| State update and filters | ~150 | 1st-order low-pass, scaling |
| Regulator algebra (Hamiltonian) | ~400 | multiplications, additions |
| Constraint handling/saturation | ~200 | limiters, anti-windup |
| Fault detection and plausibility | ~200 | range checks, residual calc. |
| Total | ~1000 | compatible with a 2–10 ms cycle |
| Item | Size Estimate |
|---|---|
| State and observer vectors | <2 kB (single-precision floats) |
| Calibration and constants | <2 kB |
| Fault detection buffers | ~8 kB (for 1 s at 1 kHz, optional) |
| Logging ring buffer (1 s) | ≤64 kB (optional) |
| Total (without logging) | <10 kB |
| Total (with logging) | <100 kB |
Appendix C. The Technology Transfer Plan for Industrial Deployment
References
- Natural Resources Canada. Energy Efficiency Reference Guide: Compressed Air; NRCan-Energy Star: Ottawa, ON, Canada, 2024. [Google Scholar]
- Nehler, T. Linking Energy Efficiency Measures in Industrial Compressed Air Systems with Non-Energy Benefits—A Review. Renew. Sustain. Energy Rev. 2018, 89, 72–87. [Google Scholar] [CrossRef]
- Jacobson, M.Z.; Colella, W.G.; Golden, D.M. Cleaning the air and improving health with hydrogen. Science 2005, 308, 1901–1902, (Insight into industrial air systems and environmental impact). [Google Scholar] [CrossRef] [PubMed]
- Klyuev, R.V.; Dedov, S.I. Determination of Inactive Powers in a Single-Phase AC Network. Energies 2021, 14, 4814. [Google Scholar] [CrossRef]
- Forbicini, F.; Pinciroli Vago, N.O.; Fraternali, P. Time series analysis in compressor-based machines: A survey. arXiv 2024, arXiv:2402.17802. [Google Scholar] [CrossRef]
- Mak, T.W.K.; Van Hentenryck, P.; Zlotnik, A.; Hijazi, H.; Bent, R. Efficient dynamic compressor optimization in natural gas transmission systems. arXiv 2015, arXiv:1511.07562. [Google Scholar] [CrossRef]
- Liu, Q.; Zhang, X.; Wang, H. Research on Energy-Saving Operation of Screw Air Compressor. Res. J. Appl. Sci. Eng. Technol. 2013, 6, 325–333. [Google Scholar] [CrossRef]
- Kong, D.; Lin, W.; Cai, M.; Qin, H. Analysis on Energy-Saving Operation of Screw Compressor under Load/Unload Operating Conditions. J. Beijing Univ. Aeronaut. Astronaut. 2012, 38, 405–409. [Google Scholar]
- Atlas Copco. Next-Generation VSD Delivers More Air at a 12% Lower Cost; Atlas Copco Customer Benefit; Atlas Copco: Rock Hill, SC, USA, 2024. [Google Scholar]
- Abdelaziz, O.; Saidur, R.; Mekhilef, S. A review on energy saving strategies in industrial compressed-air systems. Renew. Sustain. Energy Rev. 2011, 15, 150–163. [Google Scholar]
- Zahlan, J. Simulating the effects of air compressor controls and sequencing strategies in variable air demand environments. In Proceedings of the ACEEE Summer Study on Energy Efficiency in Industry, Pacific Grove, CA, USA, 13–17 July 2017; pp. 49–59. [Google Scholar]
- Liebenberg, L.; Velleman, D.; Booysen, W. A simple demand-side management solution for a typical compressed-air system at a South African gold mine. Journal of Energy in Southern Africa 2012, 23(2), 17–26. [Google Scholar] [CrossRef]
- Masanet, E.; Chiu, P.; Horvath, A.; Masanet, E. Toward energy efficiency and decarbonization in data centers. Science 2020, 367, 984–986. [Google Scholar] [CrossRef]
- Boscain, U.; Sigalotti, M.; Sugny, D. Introduction to the Pontryagin Maximum Principle for Quantum Optimal Control. arXiv 2020, arXiv:2010.09368. [Google Scholar] [CrossRef]
- Konda, R.; Chandan, V.; Crossno, J.; Pollard, B.; Walsh, D.; Bohonek, R.; Marden, J.R. Utilizing load shifting for optimal compressor sequencing in industrial refrigeration. arXiv 2024, arXiv:2403.07831. [Google Scholar] [CrossRef]
- NREL. Compressed Air Evaluation Protocol; “Energy Impact of Leak Repairs”; National Renewable Energy Laboratory: Golden, CO, USA, 2021; Chapter 22. [Google Scholar]
- Pontryagin, L.S.; Boltyanskii, V.G.; Gamkrelidze, R.V.; Mishchenko, E.F. The Mathematical Theory of Optimal Processes; Wiley-Interscience: New York, NY, USA, 1962. [Google Scholar]
- Martyushev, N.V.; Malozyomov, B.V.; Sorokova, S.N.; Efremenkov, E.A.; Valuev, D.V.; Qi, M. Review Models and Methods for Determining and Predicting the Reliability of Technical Systems and Transport. Mathematics 2023, 11, 3317. [Google Scholar] [CrossRef]
- Ohsawa, T. Contact Geometry of the Pontryagin Maximum Principle. arXiv 2015, arXiv:1501.07855. [Google Scholar] [CrossRef]
- Efremenkov, E.A.; Qi, M. Mathematical Modeling of Mechanical Forces and Power Balance in Electromechanical Energy Converter. Mathematics 2023, 11, 2394. [Google Scholar] [CrossRef]
- Basha, N.; Kovacevic, A.; Stosic, N.; Smith, I.K. Effect of oil injection on twin screw compressor performance. IOP Conf. Ser. Mater. Sci. Eng. 2018, 425, 012009. [Google Scholar] [CrossRef]
- ISO 1217:2009; Displacement Compressors—Acceptance Tests. International Organization for Standardization (ISO): Geneva, Switzerland, 2009.
- Petrilean, D.C. Method of Calculus for the Power Input of the Helical Screw Compressor. U.P.B. Sci. Bull. Ser. D 2009, 71, 122–130. [Google Scholar]
- Mojaddam, M.; Torshizi, S.A.M. Design and optimization of meridional profiles for the impeller of centrifugal compressors. J. Mech. Sci. Technol. 2017, 31, 4853–4861. [Google Scholar] [CrossRef]
- Eolss Kurzhanski, A.B. Control Systems, Robotics and Automation—Vol. VIII: Pontryagin’s Maximum Principle; Encyclopedia of Life Support Systems (EOLSS), UNESCO: Oxford, UK, 2018. [Google Scholar]
- Abdan, S.; Basha, N.; Kovacevic, A.; Stosic, N.; Birari, A. Development and Design of Energy Efficient Oil Flooded Screw Compressors. IOP Conf. Ser. Mater. Sci. Eng. 2019, 604, 012015. [Google Scholar] [CrossRef]
- Kissock, K.; Selvacanabady, A. Energy-Efficient Air-Compressor Sequencing Using Non-Linear Optimization. In Proceedings of the 2021 ACEEE Summer Study on Energy Efficiency in Industry, Virtual, 12–15 July 2021; American Council for an Energy-Efficient Economy (ACEEE): Washington, DC, USA, 2021; pp. 1–13. [Google Scholar]
- He, X.; Zheng, X. Mechanisms of Sweep on the Performance of Transonic Centrifugal Compressor Impellers. Appl. Sci. 2017, 7, 1081. [Google Scholar] [CrossRef]
- Shishkin, P.V.; Valuev, D.V.; Qi, M. Mathematical Logic Model for Analysing the Controllability of Mining Equipment. Mathematics 2024, 12, 1660. [Google Scholar] [CrossRef]
- Wahba, W.; Tourlidakis, A. A genetic algorithm applied to the design of blade profiles for centrifugal pump impellers. In Proceedings of the 15th AIAA Computational Fluid Dynamics Conference, Anaheim, CA, USA, 11–14 June 2001; Volume 11, p. 14. [Google Scholar]
- Barsi, D.; Costa, C.; Cravero, C.; Ricci, G. Aerodynamic design of a centrifugal compressor stage using an automatic optimization strategy. In Proceedings of the ASME Turbo Expo 2014: Turbine Technical Conference and Exposition, Düsseldorf, Germany, 16–20 June 2014; p. V02BT45A017. [Google Scholar]
- Oparina, T.A.; Sevryugina, N.S.; Gozbenko, V.E.; Kondratiev, V.V. Determination of the Performance Characteristics of a Traction Battery in an Electric Vehicle. World Electr. Veh. J. 2024, 15, 64. [Google Scholar] [CrossRef]
- Malozyomov, B.V.; Martyushev, N.V.; Sorokova, S.N.; Efremenkov, E.A.; Valuev, D.V.; Qi, M. Mathematical Modelling of Traction Equipment Parameters of Electric Cargo Trucks. Mathematics 2024, 12, 577. [Google Scholar] [CrossRef]
- Kim, J.H.; Choi, J.H.; Husain, A.; Kim, K.Y. Design Optimization of a Centrifugal Compressor Impeller by Multi-Objective Genetic Algorithm. In Proceedings of the ASME 2009 Fluids Engineering Division Summer Meeting, Vail, CO, USA, 2–6 August 2009; pp. 2–6. [Google Scholar]
- ISO 11011:2013; Compressed Air—Energy Efficiency—Assessment. International Organization for Standardization: Geneva, Switzerland, 2013.
- Mousavi, S.; Kara, S.; Kornfeld, B. Energy Efficiency of Compressed Air Systems. Procedia CIRP 2014, 15, 313–318. [Google Scholar] [CrossRef]
- Shishkin, P.V.; Malozyomov, B.V.; Martyushev, N.V.; Sorokova, S.N.; Efremenkov, E.A.; Valuev, D.V.; Qi, M. Development of a Mathematical Model of Operation Reliability of Mine Hoisting Plants. Mathematics 2024, 12, 1843. [Google Scholar] [CrossRef]
- Martyushev, N.V.; Malozyomov, B.V.; Demin, A.Y.; Pogrebnoy, A.V.; Efremenkov, E.A.; Valuev, D.V.; Boltrushevich, A.E. Modeling the Reliability of an Electric Car Battery While Changing Its Charging and Discharge Characteristics. Mathematics 2025, 13, 1832. [Google Scholar] [CrossRef]
- Pogrebnoy, A.V.; Efremenkov, E.A.; Valuev, D.V.; Boltrushevich, A.E. Improving the Reliability of Current Collectors in Electric Vehicles. Mathematics 2025, 13, 2022. [Google Scholar] [CrossRef]
- ISO 5389:2005; Turbocompressors—Performance Test Code. International Organization for Standardization (ISO): Geneva, Switzerland, 2005.












| Parameter | Value |
|---|---|
| Pressure Rating | 0.7 MPa |
| Inlet gas temperature | 20 ± 2 °C |
| Shaft speed | 1500–3000 rpm |
| Amplitude of step disturbance | 0.025–0.5 MPa |
| Control Voltage (Uin) | 0.5–1.4 V |
| Parameter | Symbol | Value (Nominal) | Units | Source/Note |
|---|---|---|---|---|
| Compressor outlet capacity | Qout | 22 | m3/min | Manufacturer data |
| Rated discharge pressure | Pout | 0.7 | MPa | Datasheet |
| Polytropic index | m | 1.5–1.67 | – | [37] |
| Correction coefficient | k | 1.05–1.18 | – | [37] |
| Volumetric efficiency | ηp | 0.85 | – | Manufacturer data |
| Gas inlet temperature | T0 | 293 (20 ± 2 °C) | K | Test condition |
| Leakage coefficient | Closs | 0.02–0.05 | – | Calibrated |
| Motor inertia | Jd | 3.66 | kg·m2 | Calculated |
| Converter coefficient | Kfc | 1.0 | – | Calibration |
| Nominal slip | Sn | 0.05 | – | Datasheet |
| Electromechanical time constant | τₘ | 0.25 | s | Datasheet |
| Pressure sensor range | – | 0–1 | MPa | SITRANS P200 |
| Pressure sensor accuracy | – | ±0.25% F.S. | – | Datasheet |
| Current/voltage sensor accuracy | – | ±0.5% | – | NI DAQ |
| Parameter | Value | Description |
|---|---|---|
| p1(0) | –0.015 | An initial value of the conjugate variable for pressure |
| p2(0) | –0.012 | An initial value of the conjugate variable for velocity |
| p3(0) | –0.008 | An initial value of the conjugate variable for torque |
| C | –1 | An integration constant for conjugate equations |
| Pout(T) | 0.7 MPa | Terminal pressure condition |
| x2(T), x3(T) | 0 | Terminal state conditions for velocity and torque |
| T | 10 s | A time horizon of optimization |
| Integration step | times 1 × 10−3 s | Maximum step size of the ODE solver |
| Parameter | Rating | Variable Value | Installation Time, s | Steady-State Error, % |
|---|---|---|---|---|
| Moment of Inertia, Jd Motor | 3.66 kg·m2 | 4.0 kg·m2 | 2.8 | 0.3 |
| Compressor efficiency, ηp | 0.85 | 0.90 | 2.2 | 0.2 |
| Converter Ratio, Kfc | 1.0 | 0.95 | 2.4 | 0.25 |
Disclaimer/Publisher’s Note: The statements, opinions and data contained in all publications are solely those of the individual author(s) and contributor(s) and not of MDPI and/or the editor(s). MDPI and/or the editor(s) disclaim responsibility for any injury to people or property resulting from any ideas, methods, instructions or products referred to in the content. |
© 2025 by the authors. Licensee MDPI, Basel, Switzerland. This article is an open access article distributed under the terms and conditions of the Creative Commons Attribution (CC BY) license (https://creativecommons.org/licenses/by/4.0/).
Share and Cite
Yelemessov, K.; Baskanbayeva, D.; Sabirova, L.; Martyushev, N.V.; Malozyomov, B.V.; Zhanar, T.; Golik, V.I. Algorithmic Optimal Control of Screw Compressors for Energy-Efficient Operation in Smart Power Systems. Algorithms 2025, 18, 583. https://doi.org/10.3390/a18090583
Yelemessov K, Baskanbayeva D, Sabirova L, Martyushev NV, Malozyomov BV, Zhanar T, Golik VI. Algorithmic Optimal Control of Screw Compressors for Energy-Efficient Operation in Smart Power Systems. Algorithms. 2025; 18(9):583. https://doi.org/10.3390/a18090583
Chicago/Turabian StyleYelemessov, Kassym, Dinara Baskanbayeva, Leyla Sabirova, Nikita V. Martyushev, Boris V. Malozyomov, Tatayeva Zhanar, and Vladimir I. Golik. 2025. "Algorithmic Optimal Control of Screw Compressors for Energy-Efficient Operation in Smart Power Systems" Algorithms 18, no. 9: 583. https://doi.org/10.3390/a18090583
APA StyleYelemessov, K., Baskanbayeva, D., Sabirova, L., Martyushev, N. V., Malozyomov, B. V., Zhanar, T., & Golik, V. I. (2025). Algorithmic Optimal Control of Screw Compressors for Energy-Efficient Operation in Smart Power Systems. Algorithms, 18(9), 583. https://doi.org/10.3390/a18090583

