Investigating the Detachment of Glazed Ceramic Tiles Used in Buildings: A Brazilian Case Study
Abstract
1. Introduction
2. Materials and Methods
3. Results
3.1. Characterization of Ceramic Tiles
3.1.1. Determination of Water Absorption ()
3.1.2. Determination of Moisture Expansion (ME)
3.1.3. Determination of Crazing Resistance
3.1.4. Thermogravimetric Analysis Results (TGA/DTA)
3.1.5. X-Ray Diffraction (XRD) for DCT
3.1.6. Semi-Quantitative Analysis by X-Ray Fluorescence (XRF)
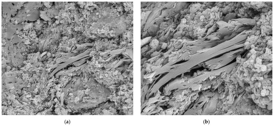
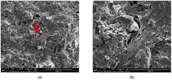
3.1.7. Scanning Electron Microscopy of the Ceramic Plates (SEM)
3.2. Characterization of Adhesive Mortars
3.2.1. Thermogravimetric Analysis (TGA/DTA)
3.2.2. X-Ray Diffraction (XRD) for Adhesive Mortars
3.2.3. Chemical Analysis of Adhesive Mortars
3.2.4. Proportion Mix Reconstruction
- The fire loss represents the combined water and CO2 present in the binder (cement).
- The insoluble residue in hydrochloric acid represents the content of siliceous aggregate (sand) and the solubilized fraction represents the binder composed of cement.
- The cement content was calculated based on the silicon anhydride content (SiO2) of the mortar, expressed on a non-volatile basis, and using a Portland cement type CP II-F (Table 14), according to the Brazilian standard, or CEM II/B-L, according to the European standard), as a reference parameter for samples AM2 and AM4, given the carbon dioxide content (CO2). For samples AM1, AM3 and AM5, Portland cement type CP II-E (Table 14), according to the Brazilian standard, or CEM II/A-S, according to the European standard, was adopted as the reference parameter.
4. Discussion
- (i)
- Fragments of phyllosilicates with totally and/or partially preserved foliation.
- (ii)
- Porous mass arranging itself as a matrix.
- (ii)
- Clumps of vitreous mass in abundance but isolated by the porous mass matrix. By observing the morphologies under an electron microscope, it can be interpreted that the porous mass, the most abundant in volume, is the result of the partial fusion of phyllosilicates, as it is often possible to see the preservation of the leafy microstructure (characteristic of phyllosilicates) making up the porous mass. The vitreous mass, on the other hand, is the morphological expression of the complete sintering of the raw materials.
5. Conclusions
Supplementary Materials
Author Contributions
Funding
Institutional Review Board Statement
Informed Consent Statement
Data Availability Statement
Acknowledgments
Conflicts of Interest
References
- Centro Cerâmico do Brasil (CCB). Sectoral Program for the Quality of Ceramic Tiles for Coating. Relatório Setorial N° 049—Revisão 01. Available online: https://pbqp-h.mdr.gov.br/psq/placas-ceramicas-para-revestimento/ (accessed on 28 September 2024).
- Araújo, A.; Romachelli, J.C.; Martins, M. Critical Analysis of the Ceramic Tiles Sector in Brazil. Part I: Recent History. Cerâmica Ind. 2001, 6, 29–34. Available online: http://www.ceramicaindustrial.org.br/journal/ci/article/5876570d7f8c9d6e028b4650 (accessed on 30 September 2024).
- Klavdianos, D.A.M. Ceramic debonding—Civil Construction Advocates Rapid Resolution. Câmara Brasileira da Industria da Construção (CBIC). Available online: https://cbic.org.br/entrevista-desplacamento-ceramico-construcao-civil-defende-rapida-resolucao/ (accessed on 7 December 2022).
- Comitê de Tecnologia e Qualidade (CTQ). SindusCon-SP Proposes to Anfacer and Sinaprocim a Term of Commitment on Ceramic Debonding. Sindicato da Indústria da Construção Civil do Estado de São Paulo (SindusCon-SP). Available online: https://sindusconsp.com.br/sinduscon-sp-propoe-a-anfacer-e-sinaprocim-termo-de-compromisso-sobre-destacamento-ceramico/ (accessed on 7 December 2022).
- Comitê de Tecnologia e Qualidade (CTQ). Working Group Will Discuss Solutions for Ceramic Debonding. Sindicato da Indústria da Construção Civil do Estado de São Paulo (SindusCon-SP). Available online: https://sindusconsp.com.br/grupo-de-trabalho-discutira-solucoes-para-destacamento-ceramico/ (accessed on 7 December 2022).
- Comitê de Tecnologia e Qualidade (CTQ). Ceramic Debonding is a Sectoral Problem and Requires Mobilization of the Production Chain. Sindicato da Indústria da Construção Civil do Estado de São Paulo (SindusCon-SP). Available online: https://sindusconsp.com.br/desplacamento-ceramico-e-problema-setorial-e-requer-mobilizacao-da-cadeia-produtiva/ (accessed on 7 December 2022).
- Esquivel, J.F.T.; de Barros, M.M.S.B.; Simões, J.R.L. Is the choice of building facade covering influenced by the occurrence of pathological problems? In Anais; Associación Latinoamericana de Control de Calidad: Asunción, Paraguay, 2005. [Google Scholar]
- Sahade, R.F.; Peres, R.M.; Lima, C.R.C. Techniques for determining moisture expansion in ceramic plates: Recommendations for standard review. In 68° Congresso Brasileiro de Cerâmica (CBC); ABCERAM—Associação Brasileira de Cerâmica: Santos, Brazil, 2024; pp. 274–283. Available online: https://www.metallum.com.br/68cbc/anais/PDF/04-007.pdf (accessed on 27 September 2024).
- Ferreira, C.; Neves, L.C.; Silva, A.; de Brito, J. Stochastic maintenance models for ceramic claddings. Struct. Infrastruct. Eng. 2020, 16, 247–265. [Google Scholar] [CrossRef]
- Kayaci, K. Effect of fluxing raw materials on moisture expansion of monoporosa wall tile bodies. J. Therm. Anal. Calorim. 2021, 146, 1603–1611. [Google Scholar] [CrossRef]
- Michalak, J. Ceramic tile adhesives from the producer’s perspective: A literature review. Ceramics 2021, 4, 378–390. [Google Scholar] [CrossRef]
- Bauer, E.; Souza, A.L.R. Failure patterns associated with facade zones and anomalies in the initiation and propagation of degradation. Constr. Build. Mater. 2022, 347, 128563. [Google Scholar] [CrossRef]
- Winnefeld, F.; Kaufmann, J.; Hack, E.; Harzer, S.; Wetzel, A.; Zurbriggen, R. Moisture induced length changes of tile adhesive mortars and their impact on adhesion strength. Build. Mater. 2012, 30, 426–438. [Google Scholar] [CrossRef]
- Nastri, S.; Conserva, L.R.D.S.; Melchiades, F.G.; Boschi, A.O. Moisture Expansion (ME) revisited, 20 years later: Living with the inevitability of ME. Cerâmica Ind. 2015, 20, 24–29. [Google Scholar] [CrossRef]
- Torres, I.; Veiga, R.; Freitas, V. Influence of Substrate Characteristics on Behavior of Applied Mortar. J. Mater. Civ. Eng. 2018, 30, 1–13. [Google Scholar] [CrossRef]
- de Oliveira, V.C.; Tonietto, L.; Arnold, D.C.M.; Ribeiro, F.R.C.; Pierozan, R.C.; de Souza Kazmierczak, C. Influence of surface roughness and tensile bond strength in clay hollow block-paste adhesion. Mater. Struct. 2024, 57, 76. [Google Scholar] [CrossRef]
- Carasek, H. Portland Cement Mortars Adherence to Porous Substrates: Assessing of the Influence Factors and Contribution to the Study of the Linkage Mechanism. Ph.D. Thesis, University of São Paulo, Santos, Brazil, 1996. [Google Scholar]
- Vaz, F.H.B.; Carasek, H. Bond strength of renderings—Contribution through mapping and systematic literature review for future research on the subject. Cerâmica 2019, 65, 303–318. [Google Scholar] [CrossRef]
- Hall, C.; Hoff, W.D. Water Transport in Brick, Stone and Concrete, 3rd ed; Taylor & Francis Group: Boca Raton, FL, USA, 2021. [Google Scholar]
- NBR ISO 10545; Ceramic Tiles Part 10: Determination of Moisture Expansion. Associação Brasileira de Normas Técnicas: Rio de Janeiro, Brazil, 2017.
- Chew, M.Y.L. Factors affecting ceramic tile adhesion for external cladding. Constr. Build. Mater. 1999, 13, 293–296. [Google Scholar] [CrossRef]
- Menezes, R.R.; Campos, L.F.; Neves, G.d.A.; Ferreira, H.C. Fundamental aspects of the moisture expansion: A review. Part I: Historical aspects, reasons and correlations. Cerâmica 2006, 52, 1–14. [Google Scholar] [CrossRef]
- Martin, D. Moisture Expansion in Ceramics. Master’s Thesis, New York State College of Ceramics at Alfred University, New York, NY, USA, 2019. Available online: http://hdl.handle.net/10829/24445 (accessed on 13 December 2024).
- Chiari, L.; de Oliveira, C.J.; da Silva Monteiro, C.; de Forjaz, N.V.; Boschi, A.O. Moisture expansion. Part: I: The phenomena. Cerâmica Ind. 1996, 1, 6–13. Available online: http://www.ceramicaindustrial.org.br/journal/ci/article/587656f77f8c9d6e028b45c9 (accessed on 16 November 2024).
- Mendonça, A.M.G.D.; Cartaxo, J.M.; Menezes, R.R.; Santana, L.N.L.; Neves, G.A.; Ferreira, H.C. Ferreira. Moisture expansion of ceramic tiles produced using kaolin and granite wastes. Cerâmica 2012, 58, 216–224. [Google Scholar] [CrossRef]
- Lengler, H.C.d.M. Porosity Control in Vitreous Phases Formed by the Action of Fluxes in Grassified Ceramics. Ph.D. Thesis, Federal University of Rio Grande do Sul, Porto Alegre, Brazil, 2006. Available online: http://hdl.handle.net/10183/6735 (accessed on 13 December 2024).
- Schurecht, H.G. Methods for testing crazing of glazes caused by increases in size of ceramic bodies. J. Am. Ceram. Soc. 1928, 11, 271–277. [Google Scholar] [CrossRef]
- Young, J.E.; Brownell, W.E. Moisture Expansion of Clay Products. J. Am. Ceram. Soc. 1959, 42, 571–581. [Google Scholar] [CrossRef]
- Chiari, L.C.; de Oliveira, C.J.; da Silva Monteiro, C.; de Forjaz, N.V.; Biscaro, E.J.; Marino, L.F.B.; Boschi, A.O. Moisture Expansion. Part II: Effect of Calcite Addition. Cerâmica Ind. 1996, 1, 35–37. Available online: http://www.ceramicaindustrial.org.br/journal/ci/article/587656fa7f8c9d6e028b45db (accessed on 4 June 2022).
- Hosseiny, A.H.M.; Najafi, A.; Khalaj, G. Investigation of CaO/MgO on the formation of Anorthite, Diopside, Wollastonite and Gehlenite phases in the fabrication of fast firing ceramic tiles. Constr. Build. Mater. 2023, 394, 132022. [Google Scholar] [CrossRef]
- Santos, P.d.S. Clay Science and Technology, 2nd ed.; Edgard Blücher: São Paulo, Brazil, 1992; Volume 2. [Google Scholar]
- Abreu, M.; Leitão, V.; Lucas, J.C. Modelling the Behaviour of Ceramic Tile Coverings. Castellón (Spain), October 2003. Available online: https://www.qualicer.org/recopilatorio/ponencias/pdfs/0423012e.pdf (accessed on 1 November 2024).
- Hamilton, A.; Hall, C. A Review of Rehydroxylation in Fired-Clay Ceramics. J. Am. Ceram. Soc. 2012, 95, 2673–2678. [Google Scholar] [CrossRef]
- Fiorito, A.J.S.I. Mortar and Coatings Manual: Studies and Execution Procedures, 1st ed.; PINI: São Paulo, Brazil, 1994; Volume 1. [Google Scholar]
- Dvořáková, P.; Kloužková, A.; Kohoutková, M.; Kolářová, M. Moisture expansion of Ca-rich ceramic body. In IOP Conference Series: Materials Science and Engineering; IOP Publishing Ltd.: Bristol, UK, 2021; pp. 1–7. [Google Scholar] [CrossRef]
- Plešingerová, B.; Klapáč, M.; Kovalčíková, M. Moisture expansion of porous biscuit bodies-reason of glaze cracking. Ceram Silikáty 2002, 46, 159–165. Available online: https://www.irsm.cas.cz/materialy/cs_content/2002/Plesingerova_CS_2002_0000.pdf (accessed on 1 November 2024).
- Hall, C.; Wilson, M.A.; Hoff, W.D. Kinetics of Long-Term Moisture Expansion in Fired-Clay Brick. Am. Ceram. Soc. 2011, 94, 3651–3654. [Google Scholar] [CrossRef]
- NBR 14081; Adhesive Mortars Industrialized for the Settlement of Ceramic Tiles. Part 1: Requirements. Associação Brasileira de Normas Técnicas: Rio de Janeiro, Brazil, 2012.
- NBR ISO 13006; Ceramic Tiles—Definitions, Classification, Characteristics and Marking. Associação Brasileira de Normas Técnicas: Rio de Janeiro, Brazil, 2020.
- ASTM E794-06; Test Method for Melting and Crystallization Temperatures by Thermal Analysis. American Society for Testing and Materials (ASTM) International: West Conshohocken, PA, USA, 2018. [CrossRef]
- ASTM C1365-18; Test Method for Determination of the Proportion of Phases in Portland Cement and Portland-Cement Clinker Using X-Ray Powder Diffraction Analysis. American Society for Testing and Materials (ASTM) International: West Conshohocken, PA, USA, 2018. [CrossRef]
- NBR ISO 12677; Chemical Analysis of Refractory Products by X-Ray Fluorescence (Xrf)—Fused Cast Bead Method. Associação Brasileira de Normas Técnicas: Rio de Janeiro, Brazil, 2014.
- Quarcioni, V.A.; Cincotto, M.A. Mortar Mix Proportion Reconstruction: Update of the IPT Method. Master’s Thesis, University of São Paulo, São Paulo, 1998. [Google Scholar]
- NBR ISO 10545; Ceramic Tiles Part 3: Determination of Water Absorption, Apparent Porosity, Apparent Relative Density and Bulk Density. Associação Brasileira de Normas Técnicas: Rio de Janeiro, Brazil, 2020.
- NBR ISO 10545; Ceramic Tiles Part 11: Determination of Crazing Resistance for Glazed Tiles. Associação Brasileira de Normas Técnicas: Rio de Janeiro, Brazil, 2017.
- UNE EN 197; Cement-Part 1: Composition, Specifications and Conformity Criteria for Common Cements. European Standards: Karla Steinera, Czechia, 2011.
- Smith, A.N. Investigations on the Moisture Expansion of Porous Ceramic Bodies. Trans. Br. Ceram. Soc. 1955, 54, 300–318. [Google Scholar]
- Cole, W.F. Moisture Expansion of a Ceramic Body and its Internal Surface Area. Nature 1962, 196, 127–128. [Google Scholar] [CrossRef]
- Cole, W.F. Moisture Expansion Relationships for a Fired Kaolinite-Hydrous Mica-Quartz Clay. Nature 1961, 192, 737–739. [Google Scholar] [CrossRef]























| Adhesive mortars industrialized for the settlement of ceramic tiles type AC II (C1) | Industrialized adhesive mortar with adhesive characteristics that allow it to absorb the existing stresses in internal and external floor and wall coverings subject to cycles of thermo-hygrometric variation and wind action. |
| Bond strength at 28 days | |
| Initial tensile adhesion strength | ≥0.5 MPa |
| Tensile adhesion strength after water immersion | ≥0.5 MPa |
| Tensile adhesion strength after heat aging | ≥0.5 MPa |
| Open time | ≥20 min |
| Adhesion mechanism | Preferably mechanical/chemical |
| Group BIIb | Manufacturing or forming method “B” (dry pressing) and water absorption ranging from 6% to 10% |
| Forming | Dry-pressed |
| Manufacturing method | Dry process |
| Glazed | (GL) |
| Use | For floor and wall coverings in internal areas |
| Dimensions | 40 × 40 cm and 48 × 48 cm |
| National manufacture | Santa Gertrudes region (SP, Brazil) |
| Sample | Situation | Mix Proportion | /ME/CR * | DTA/TGA | XRD | XRF | SEM | EDS |
|---|---|---|---|---|---|---|---|---|
| DAM-1 to 5 | Detached | X | --- | X | X | --- | --- | --- |
| DCT-1 to 5 | Detached | --- | X | X | X | X | X | --- |
| UCT-1 to 5 | Unused | --- | X | --- | --- | --- | X | X |
| CT | Sample | Average | ||||
|---|---|---|---|---|---|---|
| 1 | 2 | 3 | 4 | 5 | ||
| D | 7.6 | 7.7 | 7.3 | 7.3 | 7.4 | 7.5 |
| U | 7.7 | 7.3 | 7.2 | 8.2 | 6.6 | 7.4 |
| Sample (CT) | Crazing |
|---|---|
| D1–D5 | YES |
| U1 | NO |
| U2 | YES |
| U3–U5 | NO |
| Sample CT | Mass Loss as a Function of Temperature Range | Total Loss (%) | |||||
|---|---|---|---|---|---|---|---|
| °C | 23–150 | 150–435 | 435–850 | 850–1000 | 1000–1100 | ||
| D1 | % | 0.28 | 0.46 | 0.02 | 0.10 | 0.86 | |
| D2 | % | 0.58 | 0.65 | 0.03 | 0.04 | 1.30 | |
| D3 | % | 0.33 | 0.67 | 0.02 | 0.05 | 1.07 | |
| D4 | % | 0.30 | 0.63 | 0.03 | 0.03 | 0.99 | |
| D5 | % | 0.54 | 0.72 | 0.03 | 0.06 | 1.35 | |
| 25–150 °C | Water-free |
| 150–850 °C | Absorbed water |
| Dehydroxylation of goethite and residual clay minerals | |
| 850–1100 °C | Decomposition of phyllosilicates |
| Formation of intermediate phase | |
| Formation of mullite and cristobalite | |
| >1100 °C | Samples melted |
| Determination | Results (%) | ||||
|---|---|---|---|---|---|
| D1 | D2 | D3 | D4 | D5 | |
| Fire Loss (FL) | 0.7 | 1.1 | 1.1 | 1.0 | 1.3 |
| SiO2 | 73.6 | 72.6 | 72.5 | 72.1 | 71.5 |
| Al2O3 | 12.6 | 13.4 | 11.9 | 12.3 | 12.4 |
| Fe2O3 | 5.1 | 5.2 | 5.9 | 5.1 | 6.7 |
| K2O | 3.2 | 3.1 | 3.6 | 3.2 | 3.1 |
| Na2O | 1.4 | 1.3 | 1.5 | 1.4 | 1.3 |
| MgO | 1.2 | 1.3 | 1.2 | 1.2 | 1.2 |
| CaO | 0.9 | 0.9 | 1.0 | 0.9 | 1.1 |
| TiO2 | 0.6 | 0.6 | 0.7 | 0.6 | 0.8 |
| ZnO | 0.2 | 0.1 | 0.2 | 0.1 | 0.2 |
| BaO | 0.1 | 0.1 | 0.1 | 0.1 | 0.1 |
| MnO | 0.1 | 0.1 | 0.1 | 0.1 | 0.1 |
| ZrO2 | <0.1 | <0.1 | <0.1 | <0.1 | <0.1 |
| Cr2O3 | |||||
| P2O2 | |||||
| CuO | |||||
| SrO | |||||
| DAM Sample | Mass Loss as a Function of Temperature Range | Total Loss (%) | ||||||||
|---|---|---|---|---|---|---|---|---|---|---|
| °C | 23–60 | 60–200 | 200–260 | 260–320 | 320–400 | 400–470 | 470–635 | 635–1000 | ||
| AM1 | % | 0.76 | 2.49 | 0.39 | 0.26 | 0.37 | 0.28 | 1.02 | 1.27 | 6.84 |
| AM2 | % | 0.60 | 1.64 | 0.3 | 0.27 | 0.45 | 2.28 | 4.44 | 9.98 | |
| AM3 | % | 0.37 | 2.58 | 0.38 | 0.24 | 0.43 | 1.72 | 1.55 | 7.27 | |
| AM4 | % | 1.03 | 3.28 | 0.43 | 0.42 | 0.59 | 0.43 | 2.08 | 4.15 | 12.40 |
| AM5 | % | 0.84 | 2.88 | 0.24 | 0.28 | 0.41 | 0.44 | 1.40 | 2.33 | 8.82 |
| ΔT (°C) | Interpretation of Mass Loss as a Function of Temperature Range |
|---|---|
| 23–60 | Loss of free water and adsorption water |
| 60–~220 | Dehydration of sulfate compounds (gypsum, ettringite (AFt), calcium monosulfoaluminate (AFm) and others) and C-S-H |
| ~220–~260 | Additional dihydroxylation of calcium monosulfoaluminate (AFm) |
| ~260–~310 | Release and/or loss of water from gels and dihydroxylation of aluminates |
| ~310–400 | Dehydration of Mg(OH)2 (brucite) |
| 400–470 | Dihydroxylation of Ca(OH)2 (portlandite) |
| 470–635 | Dehydration and/or additional dihydroxylation of C-S-H and decomposition of poorly crystallized carboaluminates and carbonates |
| 635–1000 | Decomposition of calcium carbonate |
| DAM Sample | Mineralogical Compounds or Phases |
|---|---|
| AM1 | Quartz, feldspar (plagioclase and alkali), mica, calcite, portlandite, gypsum, brownmillerite, ettringite (AFt), anhydrous silicates (C3S and C2S) and dolomite. |
| AM2 | Quartz, feldspar (plagioclase and alkali), brownmillerite, calcite, dolomite, ettringite (AFt) and portlandite [Ca(OH)2)]. |
| AM3 | Quartz, feldspar (plagioclase and alkali), mica, anhydrous silicate (C3S), ettringite (AFt), calcite and gypsum. |
| AM4 | Quartz, feldspar (plagioclase and alkali), brownmillerite, anhydrous silicates (C3S and C2S), portlandite, dolomite, calcite, ettringite (AFt) and gypsum. |
| AM5 | Quartz, feldspar (plagioclase and alkali), calcite, dolomite, anhydrous silicate (C3S), ettringite (AFt) and mica. |
| Determination | AM1 | AM2 | AM3 | AM4 | AM5 | |||||
|---|---|---|---|---|---|---|---|---|---|---|
| Original | Non- Volatile | Original | Non- Volatile | Original | Non- Volatile | Original | Non- Volatile | Original | Non- Volatile | |
| Humidity | 2.94 | ---- | 1.78 | ---- | 3.20 | ---- | 3.95 | ---- | 4.71 | ---- |
| Fire loss | 4.43 | ---- | 8.20 | ---- | 5.21 | ---- | 9.88 | ---- | 6.39 | ---- |
| Insoluble residue | 78.30 | 84.50 | 73.20 | 81.30 | 76.80 | 83.90 | 62.20 | 72.20 | 73.00 | 82.10 |
| Silicic anhydride (SiO2) | 3.13 | 3.38 | 2.62 | 2.91 | 3.43 | 3.74 | 3.64 | 4.22 | 3.77 | 4.24 |
| Iron and aluminum oxides (R2O3) | 2.19 | 2.36 | 1.81 | 2.01 | 2.28 | 2.49 | 2.75 | 3.19 | 2.54 | 2.86 |
| Calcium oxide (CaO) | 7.76 | 8.38 | 10.20 | 11.30 | 7.93 | 8.66 | 14.20 | 16.50 | 8.29 | 9.33 |
| Magnesium oxide (MgO) | 0.92 | 0.99 | 1.65 | 1.83 | 0.95 | 1.04 | 2.12 | 2.46 | 1.31 | 1.47 |
| Sulfuric anhydride (SO3) | 0.38 | 0.41 | 0.46 | 0.51 | 0.40 | 0.44 | 0.64 | 0.74 | 0.36 | 0.40 |
| Carbon dioxide (CO2) | 1.78 | ---- | 6.45 | ---- | 2.58 | ---- | 5.91 | ---- | 3.40 | ---- |
| Sulfide (S2−) | <0.01 | ---- | <0.01 | ---- | <0.01 | ---- | <0.01 | ---- | <0.01 | ---- |
| DAM Sample | Calculated Parameters | Cement | Aggregate Siliceous | Binder: Aggregate |
|---|---|---|---|---|
| AM1 | Constituents (%) | 16.3 | 83.7 | 1:5.1 |
| Prop. in mass | 1 | 5.1 | ||
| AM2 | Constituents (%) | 17.3 | 82.7 | 1:4.4 |
| Prop. in mass | 1 | 4.8 | ||
| AM3 | Constituents (%) | 17.9 | 82.1 | 1:4.6 |
| Prop. in mass | 1 | 4.6 | ||
| AM4 | Constituents (%) | 25.4 | 74.6 | 1:2.6 |
| Ratio in mass | 1 | 2.9 | ||
| AM5 | Constituents (%) | 20.3 | 79.7 | 1:3.9 |
| Ratio in mass | 1 | 3.9 |
| Reference | Original Base (%) | Non-Volatile Base (%) | |||||||
|---|---|---|---|---|---|---|---|---|---|
| PF | SiO2-RI | Ca O | Mg O | SO3 | SiO2-RI | Ca O | Mg O | SO3 | |
| CP II F | 5.8 | 17.2 | 60.8 | 3.33 | 2.66 | 18.2 | 64.6 | 3.54 | 2.82 |
| CP II E | 3.83 | 19.8 | 52.7 | 5.37 | 1.42 | 21.3 | 54.8 | 5.58 | 1.48 |
| Ratio by Volume | Cement Content in Mortars (%) | SO3 Limit Calculated per Mortar (%) |
|---|---|---|
| 1:3 | 25.8 | 1.03 |
| 1:4 | 20.7 | 0.83 |
| 1:5 | 17.3 | 0.69 |
| 1:6 | 14.8 | 0.59 |
| 1:8 | 11.5 | 0.46 |
Disclaimer/Publisher’s Note: The statements, opinions and data contained in all publications are solely those of the individual author(s) and contributor(s) and not of MDPI and/or the editor(s). MDPI and/or the editor(s) disclaim responsibility for any injury to people or property resulting from any ideas, methods, instructions or products referred to in the content. |
© 2025 by the authors. Licensee MDPI, Basel, Switzerland. This article is an open access article distributed under the terms and conditions of the Creative Commons Attribution (CC BY) license (https://creativecommons.org/licenses/by/4.0/).
Share and Cite
Sahade, R.F.; Leal, P.R.M.; Lima, S.S.; da Silva, P.S.; Lima, C.R.C. Investigating the Detachment of Glazed Ceramic Tiles Used in Buildings: A Brazilian Case Study. Materials 2025, 18, 465. https://doi.org/10.3390/ma18020465
Sahade RF, Leal PRM, Lima SS, da Silva PS, Lima CRC. Investigating the Detachment of Glazed Ceramic Tiles Used in Buildings: A Brazilian Case Study. Materials. 2025; 18(2):465. https://doi.org/10.3390/ma18020465
Chicago/Turabian StyleSahade, Renato Freua, Priscila R. M. Leal, Sérgio S. Lima, Paulo Sérgio da Silva, and Carlos R. C. Lima. 2025. "Investigating the Detachment of Glazed Ceramic Tiles Used in Buildings: A Brazilian Case Study" Materials 18, no. 2: 465. https://doi.org/10.3390/ma18020465
APA StyleSahade, R. F., Leal, P. R. M., Lima, S. S., da Silva, P. S., & Lima, C. R. C. (2025). Investigating the Detachment of Glazed Ceramic Tiles Used in Buildings: A Brazilian Case Study. Materials, 18(2), 465. https://doi.org/10.3390/ma18020465

