Study on Plastic Constitutive Relation and Ductile Fracture Criterion of AM60B Magnesium Alloy
Abstract
1. Introduction
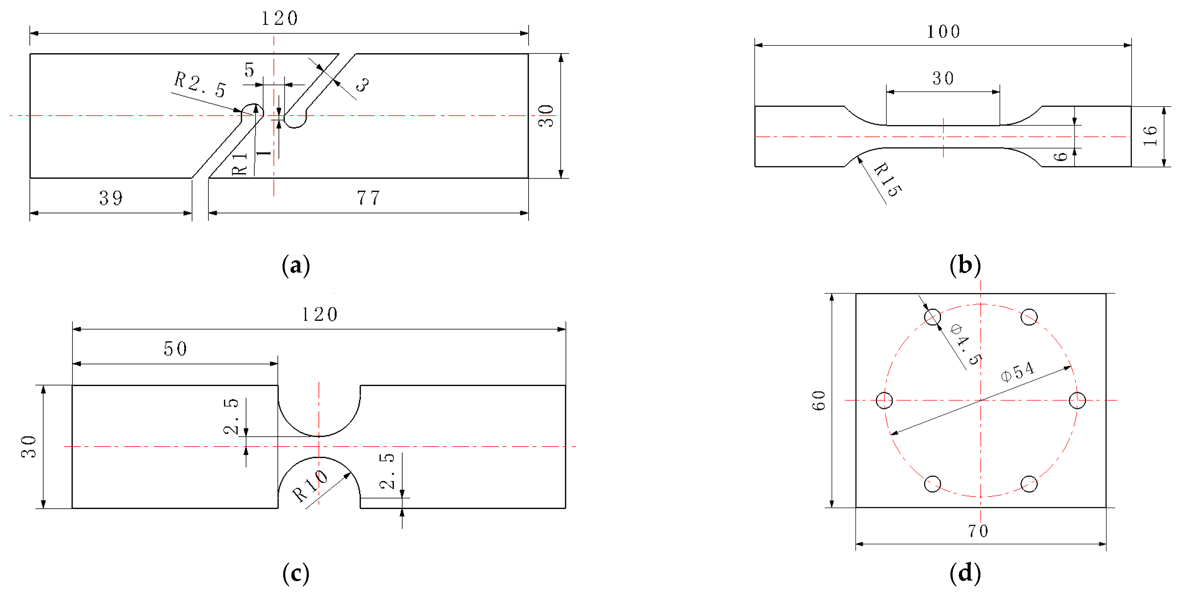
2. Experimental Procedures
2.1. Basic Mechanical Properties Test
2.2. Ductile Fracture Test
3. Results and Discussion
3.1. Plastic Constitutive Relation Study
3.1.1. Study on Constitutive Relations under Uniaxial Stress
3.1.2. Study of Constitutive Relations under Complex Stress States
3.1.3. Study on Dynamic Constitutive Relations
3.2. Study on Fracture Criterion under Complex Stress State
3.3. Application of Constitutive Model and Fracture Model
3.3.1. Calculation Result
3.3.2. Experimental Verification
3.3.3. Comparative Analysis of Simulation and Test Results
4. Conclusions
- (1)
- The mechanical properties tests of the AM60B die-cast magnesium alloy sheet under four different stress states were studied. Based on the test results and isotropic constitutive model, the constitutive model parameters under uniaxial stress state and complex stress state were obtained using the parametric inverse method. The comparison of loading–displacement curves with inverse parameters shows that under the four stress states, the prediction accuracy of complex stress state constitutive model parameters on the deformation behaviors of the AM60B die-cast magnesium alloy sheet is better than 90%, indicating that complex stress state constitutive model parameters are more suitable for describing the deformation behaviors of AM60B die-cast magnesium alloy sheets.
- (2)
- Based on JC, MMC, and DIEM fracture models considering stress states, the fracture behaviors of AM60B die-cast magnesium alloy sheets under four stress states, namely shear, tensile, R10 notch tensile, and cupping, were simulated and compared. The results showed that the comprehensive error of fracture time predicted by the DIEM fracture model is the smallest, and the prediction accuracy is greater than 95%, which indicates that the DIEM fracture model can accurately predict the fracture failure of the AM60B die-cast magnesium alloy sheet under various stress states.
- (3)
- A three-point bending numerical model of the AM60B die-cast magnesium alloy front member was established, and the deformation and failure of the AM60B die-cast magnesium alloy sheet was predicted by using complex stress state constitutive model and the JC, MMC, and DIEM fracture models. Experimental verification was performed. It was found that the deformation mode and loading–displacement curve trend are the same in simulation and experiment. The crack initiation point, crack shape, and fracture time predicted by the DIEM fracture model are the same. The results show that complex stress state constitutive model parameters and DIEM fracture model can accurately predict the deformation and failure behavior of the AM60B die-cast magnesium alloy sheet. The results of this paper can provide some reference for improving the deformation and failure prediction accuracy of automobile magnesium alloy components under complex stress conditions.
Author Contributions
Funding
Institutional Review Board Statement
Informed Consent Statement
Data Availability Statement
Conflicts of Interest
References
- Bai, S.W.; Fang, G.; Jiang, B. An extrusion-welding criterion of magnesium alloy considering interfacial void shrinkage driven by plastic deformation and atomic diffusion. Mater. Des. 2022, 222, 111107. [Google Scholar] [CrossRef]
- Chen, X.R.; Ning, F.K.; Hou, J.; Le, Q.C.; Tang, Y. Dual-frequency ultrasonic treatment on microstructure and mechanical properties of ZK60 magnesium alloy. Ultrason. Sonochem. 2018, 40, 433–441. [Google Scholar] [CrossRef] [PubMed]
- Yan, Y.; Xiong, X.M.; Chen, J.; Peng, X.D.; Chen, D.L.; Pan, F.S. Research advances of magnesium and magnesium alloys worldwide in 2022, A review. J. Magnes. Alloys 2023, 11, 2611–2654. [Google Scholar]
- Alsubaie, S.A.; Bazarnik, P.; Lewandowska, M.; Huang, Y. Langdon TG. Evolution of microstructure and hardness in an AZ80 magnesium alloy processed by high-pressure torsion. J. Mater. Res. Technol. 2016, 5, 152–158. [Google Scholar] [CrossRef]
- Medhashree, H.; Shetty, A.N. Electrochemical corrosion study of Mg–Al–Zn–Mn alloy in aqueous ethylene glycol containing chloride ions. Mater. Res. Technol. 2017, 6, 40–49. [Google Scholar] [CrossRef]
- Chen, X.; Jia, Y.; Liao, Q.; Jia, W.; Le, Q.; Ning, S.; Yu, F. The simultaneous application of variable frequency ultrasonic and low frequency electromagnetic fields in semi continuous casting of AZ80 magnesium alloy. Alloy. Comp. 2019, 20, 710–774. [Google Scholar] [CrossRef]
- Yang, Y.; Xiong, X.; Chen, J.; Peng, X.; Chen, D.; Pan, F.J. Research advances in magnesium and magnesium alloys worldwide in 2020. J. Magnes. Alloys 2021, 9, 705–747. [Google Scholar] [CrossRef]
- Frank, C. Magnesium research in Canada: Highlights of the last two decades. J. Magnes. Alloys 2023, 11, 3484–3510. [Google Scholar]
- Zheng, S.; Masashi, N.; Izumi, M.; Yu, S. Fabrication of a model specimen for understanding micro-galvanic corrosion at the boundary of α-Mg and β-Mg17Al12. J. Magnes. Alloys 2023, 11, 137–152. [Google Scholar]
- Tang, Y.; Li, Y.; Zhao, W.; Roslyakova, I.; Zhang, L.J. Thermodynamic descriptions of quaternary Mg–Al–Zn–Bi system supported by experiments and their application in descriptions of solidification behavior in Bi-additional AZ casting alloys. J. Magnes. Alloys 2020, 8, 1238–1252. [Google Scholar] [CrossRef]
- Zeng, Z.R.; Salehi, M.; Kopp, A.; Xu, S.W.; Esmaily, M.; Birbilis, N. Recent progress and perspectives in additive manufacturing of magnesium alloys. J. Magnes. Alloys 2022, 10, 1511–1541. [Google Scholar] [CrossRef]
- Wang, G.G.; Weiler, J.P. Recent developments in high-pressure die-cast magnesium alloys for automotive and future applications. J. Magnes. Alloys 2023, 11, 78–87. [Google Scholar] [CrossRef]
- Chen, J.C.; Li, M.X.; Yu, Z.Y.; Meng, Z.Y.; Wang, C.; Yang, Z.Z.; Wang, H.Y. Simultaneous refinement of α-Mg grains and β-Mg17Al12 in Mg-Al based alloys via heterogeneous nucleation on Al8Mn4Sm. J. Magnes. Alloys 2023, 11, 348–360. [Google Scholar] [CrossRef]
- Weiler, J.P. The role of the Mg17Al12-phase in the high-pressure die-cast magnesium-aluminum alloy system. J. Magnes. Alloys 2023, 11, 4235–4246. [Google Scholar] [CrossRef]
- Liu, B.; Yang, J.; Zhang, X.; Yang, Q.; Zhang, J.; Li, X. Development and application of magnesium alloy parts for automotive OEMs: A review. J. Magnes. Alloys 2023, 11, 15–47. [Google Scholar] [CrossRef]
- Huh, H.; Lim, J.; Park, S. High Speed Tensile Test of Steel Sheets for the Stress–Strain Curve at the Intermediate Strain Rate. Int. J. Automot. Technol. 2009, 10, 195–204. [Google Scholar] [CrossRef]
- Churyumov, A.Y.; Medvedeva, S.V.; Mamzurina, O.I.; Kazakova, A.A.; Churyumova, T.A. United Approach to Modelling of the Hot Deformation Behavior, Fracture, and Microstructure Evolution of Austenitic Stainless AISI 316Ti Steel. Appl. Sci. 2021, 11, 3204. [Google Scholar] [CrossRef]
- Bai, Y.; Wierzbicki, T. A new model of metal plasticity and fracture with pressure and lode dependence. Int. J. Plast. 2008, 24, 1071–1096. [Google Scholar] [CrossRef]
- Lou, Y.; Huh, H.; Lim, S.; Pack, K. New ductile fracture criterion for prediction of fracture forming limit diagrams of sheet metals. Int. J. Solids Struct. 2012, 49, 3605–3615. [Google Scholar] [CrossRef]
- Johnson, G.R.; Cook, W.H. Fracture characteristics of three metals subjected to various strains, strain rates, temperatures, and pressures. Eng. Fract. Mech. 1985, 21, 31–48. [Google Scholar] [CrossRef]
- Kim, M.S.; Kim, H.T.; Choi, Y.H.; Kim, J.H.; Kim, S.K.; Lee, J.M. A New Computational Method for Predicting Ductile Failure of 304L Stainless Steel. Metals 2022, 12, 1309. [Google Scholar] [CrossRef]
- Bai, Y.; Wierzbicki, T. Application of extended Mohr–Coulomb criterion to ductile fracture. Int. J. Fract. 2010, 161, 1–20. [Google Scholar] [CrossRef]
- Helmut, O.G.; Dell, H.G. MF GenYld + CrachFEM; 4.2 User’s Manual. 2014. Available online: https://www.matfem.de/crachfem.html (accessed on 26 March 2024).
- Chen, X.R.; Liao, Q.Y.; Niu, Y.X.; Jia, W.T.; Le, Q.C.; Cheng, C.L.; Yu, F.X.; Cui, J.Z. A constitutive relation of AZ80 magnesium alloy during hot deformation based on Arrhenius and Johnson–Cook model. J. Mater. Res. Technol. 2019, 8, 1859–1869. [Google Scholar] [CrossRef]
- Mirza, F.A.; Chen, D.L.; Li, D.J.; Zeng, X.Q. A modified Johnson-Cook constitutive relationship for a rare-earth containing magnesium alloy. J. Rare Earths 2013, 31, 1202–1207. [Google Scholar] [CrossRef]
- Li, Z.; Wang, J.; Yang, H.; Liu, J.; Ji, C. A Modified Johnson–Cook Constitutive Model for Characterizing the Hardening Behavior of Typical Magnesium Alloys under Tension at Different Strain Rates: Experiment and Simulation. J. Mater. Eng. Perform. 2020, 29, 8319–8330. [Google Scholar] [CrossRef]
- Aarjoo, J.M.; Gauri, M.; Nitin, K.; Swadesh, K.S. Integrated Johnson–Cook and Zerilli–Armstrong constitutive model for flow-stress prediction of AZ31B alloy. Adv. Mater. Process. Technol. 2023, 2199476. [Google Scholar]
- Chang, X.Q.; Li, Y.; Zhang, Y.B.; Ren, J.I. Constitutive Models for Compressive Deformation of AZ80 Magnesium Alloy under Multiple Loading Directions and Strain Rates. J. Iron Steel Res. Int. 2016, 23, 61–68. [Google Scholar] [CrossRef]
- Jia, Y.; Bai, Y. Ductile fracture prediction for metal sheets using all-strain-based anisotropic eMMC model. Int. J. Mech. Sci. 2016, 115, 516–531. [Google Scholar] [CrossRef]
- Li, Z.; Lu, S.; Zhang, T.; Feng, T.; An, Z.; Xue, C. Numerical prediction of ductile fracture in muti-stage single point incremental forming based on phenomenological modified Mohr-Coulomb. Measurement 2020, 154, 10750. [Google Scholar] [CrossRef]
- Xiao, X.; Pan, H.Y.; Chen, L. Application of the modified Mohe-Coulomb fracture criterion in predicting the ballistic resistance of 2024-T351 alumim4nium alloy plates impacted by blunt projectiles. Int. J. Impact Eng. 2019, 123, 26–37. [Google Scholar] [CrossRef]
- Ji, C.; Liu, Z.G. Development of an improved MMC-based fracture criterion characterizing the anisotropic and stain rate-dependent behavior of 6061-T5 aluminum alloy. Mech. Mater. 2020, 150, 103598. [Google Scholar] [CrossRef]
- Du, R.; Mareau, C.; Ayed, Y.; Giraud, E.; DalSanto, P. Experimental and numerical investigation of the mechanical behavior of the AA5383 alloy at high temperatures. J. Mater. Process. Technol. 2020, 116609. [Google Scholar] [CrossRef]
- Wang, Q.L.; Bertolini, R.; Bruschi, S.; Ghiotti, A. Anisotropic fracture behavior of AZ31 magnesium alloy sheets as a function of the stress state and temperature. Int. J. Mech. Sci. 2019, 163, 105146. [Google Scholar] [CrossRef]
- Ma, H.Y.; Xiao, N.M.; Qian, P. Non coupled ductile fracture criterion and its application in aviation metal materials. J. Aeronaut. Mater. 2021, 41, 16–31. [Google Scholar]
- Tian, C.H.; Kusche, C.F.; Medina, A.; Lee, S.B.; Wollenweber, M.A.; Pippan, R.; Korte-Kerzel, S.; Kirchlechner, C. Understanding the damage initiation and growth mechanisms of two DP800 dual phase grades. Mater. Des. 2024, 238, 112630. [Google Scholar] [CrossRef]
- Wang, D.; Liu, M.; Wang, G.Y. Research on fracture failure prediction of hot-formed steel based on LS-DYNA. J. Solid Mech. 2018, 39, 197–202. [Google Scholar]
- Andrde, F.; Feucht, M.; Haufe, A. On the prediction of material failure in LS-DYNA: A comparison between GISSMO and DIEM. In Proceedings of the 13th International LS-DYNA Users Conference, Detroit, MI, USA, 8–10 June 2014; pp. 1–12. [Google Scholar]
- Hooputra, H.; Gese, H.; Dell, H.; Werner, H. A comprehensive failure model for crashworthiness simulation of aluminium extrusions. Int. J. Crashworth. 2010, 9, 449–464. [Google Scholar] [CrossRef]
- Estrada, Q.; Szwdowicz, D.; Jesus, S.A. Crashworthiness behavior of aluminum profiles with holes considering damage criteria and damage evolution. Int. J. Mech. Sci. 2017, 131, 776–791. [Google Scholar] [CrossRef]
- Estrada, Q.; Szwedowicz, D.; Rodriguez-Mendez, A.; Gómez-Vargas, O.A.; Elias-Espinosa, M.; Silva-Aceves, J. Energy absorption performance of concentric and multi-cell profiles involving damage evolution criteria. Thin-Walled Struct. 2018, 124, 218–234. [Google Scholar] [CrossRef]
- Marzbanrad, J.; Keshavarzi, A.; Aboutalebi, F.H. Influence of elastic and plastic support on the energy absorption of the extruded aluminium tube using ductile failure criterion. Int. J. Crashworth. 2014, 19, 172–181. [Google Scholar] [CrossRef]
- Allahbakhsh, H.R.; Saemi, J.; Hourali, M. Design optimization of square aluminium damage columns with crashworthiness criteria. Mechanika 2011, 17, 187–192. [Google Scholar] [CrossRef][Green Version]
- GB/T228; Metallic Materials—Tensile Testing at Ambient Temperature. General Administration of Quality Supervision, Inspection and Epidemic of the People’s Republic of China: Beijing, China, 2002.
- Wang, H.; Sun, X.; Kurukuri, S.; Worswick, M.J.; Li, D.Y.; Peng, Y.H.; Wu, P.D. The strain rate sensitive and anisotropic behavior of rare-earth magnesium alloy ZEK100 sheet. J. Magnes. Alloys 2023, 11, 882–891. [Google Scholar] [CrossRef]
- Kurukuri, S.; Worswick, M.J.; Tari, D.G.; Mishra, R.K.; Carter, J.T. Rate Sensitivity and Tension–Compression Asymmetry in AZ31B Magnesium Alloy Sheet. Philos. Trans. R. Soc. A Math. Phys. Eng. Sci. 2014, 372, 20130216. [Google Scholar] [CrossRef] [PubMed]
- Ulacia, I.; Salisbury, C.; Hurtado, I.; Worswick, M. Tensile Characterization and Constitutive Modeling of AZ31B Magnesium Alloy Sheet Over Wide Range of Strain Rates and Temperatures. J. Mater. Process. Technol. 2011, 211, 830–839. [Google Scholar] [CrossRef]
- Xiao, Y.; Tang, Q.; Hu, Y.; Peng, J.; Luo, W. Flow and Fracture Study for ZK60 Alloy at Dynamic Strain Rates and Different Loading States. Mater. Sci. Eng. A 2018, 724, 208–219. [Google Scholar] [CrossRef]
- Xie, Q.J. Experimental and Constitutive Model Study on Impact Dynamic Mechanical Behavior of AZ31B Magnesium Alloy. Ph.D. Thesis, Southwest Jiaotong University, Chengdu, China, 2016. [Google Scholar]
- Zhang, Y. Study on Hardening Behavior and Constitutive Model of TRIP Steels under Different Strain Paths. Master’s Thesis, South China University of Technology, Guangzhou, China, 2019. [Google Scholar]
- Bai, Y.; Teng, X.; Wierzbicki, T. On the application of stress triaxiality formula for plane strain fracture testing. J. Eng. Mater. Technol. 2009, 131, 021002. [Google Scholar] [CrossRef]
- Li, H.; Fu, M.W.; Lu, J. Ductile fracture: Experiments and computations. Int. J. Plast. 2011, 27, 147–180. [Google Scholar] [CrossRef]
- Meng, R.Y. Study on Initial Yield and Hardening Behavior of Metal under Different Stress States. Master’s Thesis, Jilin University, Changchun, China, 2019. [Google Scholar]
- Pan, H.C. Study on Macro-Micro Mechanical Model and Ductility Fracture Criterion of Rolled AZ31B Magnesium Alloy. Ph.D. Thesis, Shanghai Jiao Tong University, Shanghai, China, 2018. [Google Scholar]
- Wang, P.; Cui, J.Z. Mechanics of Metal Plastic Forming; Metallurgical Industry Press: Beijing, China, 2006. [Google Scholar]
- Ludwik, P. Elemente der Technologischen Mechanik; Springer: Berlin/Heidelberg, Germany, 1909. [Google Scholar]
- Hollomon, J.H. Tensile deformation. Trans. AIME 1945, 162, 268. [Google Scholar]
- Swift, H.W. Plastic instability under plane stress. J. Mech. Phys. Solids 1952, 1, 1–18. [Google Scholar] [CrossRef]
- Voce, E. The relationship between stress and strain for homogeneous deformation. J. Inst. Met. 1948, 74, 537–562. [Google Scholar]
- Hockett, J.E.; Sherby, O.D. Large strain deformation of polycrystalline metals at low homologous temperatures. J. Mech. Phys. Solids 1975, 23, 87–98. [Google Scholar] [CrossRef]
- Remache, D.; Dadouaille, F.; Lhabitant, S.; Falandry, D.; Toufine, A.; Ali, A.M.; Cohen, G. Numerical Analysis and Experimental Investigation of High Cycle Fatigue Behavior in Additively Manufactured Ti–6Al–4V Alloy. Buildings 2023, 13, 2011. [Google Scholar] [CrossRef]
- Yang, L.F.; Wang, Z.R. The process and comparative analysis of strain rate strengthening and strain strengthening. J. Guilin Inst. Electron. Technol. 1992, 2, 86–91. [Google Scholar]
- Johnson, G.R.; Cook, W.H. A constitutive model and data for metals subjected to large strains, high strain rates and high temperatures. In Proceedings of the 7th International Symposium on Ballistics, International Ballistics Committee, The Hague, The Netherlands, 19–21 April 1983; pp. 541–547. [Google Scholar]
- Xu, K.; Wong, C.; Yan, B.; Zhu, H. A High Strain Rate Constitutive Model for High Strength Steels. SAE Tech. Pap. 2003, 10, 4271. [Google Scholar]
- Cowper, G.R.; Symonds, P.S. Strain-hardening and strain rate effects in the impact loading of cantilever beams. Brown Univ. Appl. Math. Rep. 1958, 28, 1–46. [Google Scholar]





















| Type of Test | Relative Error between Maximum Forces | The Maximum Relative Error of the Force under the Same Displacement | ||||||
|---|---|---|---|---|---|---|---|---|
| Curve 1 | Curve 2 | Curve 3 | Absolute Mean | Curve 1 | Curve 2 | Curve 3 | Absolute Mean | |
| Shear test | 5.99% | 6.85% | 6.72% | 6.52% | 3.68% | 4.94% | 3.09% | 3.90% |
| Tensile test | 0.22% | 6.64% | 3.14% | 3.33% | 4.36% | 6.82% | 3.23% | 4.80% |
| R10 notch tensile test | 7.74% | 6.51% | 6.72% | 6.99% | 7.87% | 7.41% | 6.72% | 7.33% |
| Cupping test | 17.97% | 7.95% | 12.59% | 12.83% | 18.60% | 21.15% | 13.02% | 17.59% |
| Type of Test | Relative Error between Maximum Forces | The Maximum Relative Error of the Force under the Same Displacement | ||||||
|---|---|---|---|---|---|---|---|---|
| Curve 1 | Curve 2 | Curve 3 | Absolute Mean | Curve 1 | Curve 2 | Curve 3 | Absolute Mean | |
| Shear test | 1.92% | 2.74% | 2.62% | 2.43% | 5.07% | 5.33% | 3.51% | 4.64% |
| Tensile test | 8.43% | 1.91% | 5.25% | 5.20% | 8.59% | 2.54% | 5.43% | 5.52% |
| R10 notch tensile test | 1.62% | 0.9% | 0.17% | 0.90% | 1.73% | 1.63% | 0.34% | 0.99% |
| Cupping test | 12.27% | 2.76% | 7.15% | 7.39% | 12.90% | 8.39% | 8.37% | 9.88% |
| Strain Rate Equation | 1/s | 10/s | 200/s | 500/s | 1000/s | Average Fitting |
|---|---|---|---|---|---|---|
| Johnson–Cook | 0.9983 | 0.9963 | 0.9891 | 0.9360 | 0.9610 | 0.9761 |
| Modified Johnson–Cook | 0.9817 | 0.9872 | 0.9712 | 0.9053 | 0.9905 | 0.9672 |
| Cowper–Symonds | 0.9985 | 0.9936 | 0.9909 | 0.9466 | 0.9849 | 0.9829 |
| Type of Test | Stress Triaxiality η | Critical Fracture Equivalent Plastic Strain εf |
|---|---|---|
| Shear test | 0.01 | 0.134 |
| Tensile test | 0.333 | 0.118 |
| R10 notch tensile test | 0.386 | 0.128 |
| Cupping test | 0.666 | 0.454 |
| Fracture Model | Fitting Parameters | ||||
|---|---|---|---|---|---|
| JC fracture model | |||||
| 0.106 | 6.767 | −17.842 | |||
| MMC fracture model | K | C | f | n | |
| 1 | 669.973 | 142.197 | 0.076 | 0.447 | |
| DIEM fracture model | k | f | |||
| −3.970 | 0.317 | 0.007 | 0.593 | ||
| Type of Test | Mean Error at Break Time | ||
|---|---|---|---|
| JC Fracture Model | MMC Fracture Model | DIEM Fracture Model | |
| Shear test | 8.64% | 3.18% | 4.11% |
| Tensile test | 4.04% | 4.45% | 4.26% |
| R10 notch tensile test | 9.08% | 7.66% | 6.23% |
| Cupping test | 65.64% | 62.26% | 2.01% |
| Fracture Model | Prediction Error of Fracture Time of Front end Member | |||
|---|---|---|---|---|
| Curve 1 | Curve 2 | Curve 3 | Average Value | |
| JC | 33.95% | 17.08% | 13.66% | 21.56% |
| MMC | 28.18% | 9.84% | 6.12% | 14.71% |
| DIEM | 23.18% | 3.55% | 0.43% | 8.77% |
Disclaimer/Publisher’s Note: The statements, opinions and data contained in all publications are solely those of the individual author(s) and contributor(s) and not of MDPI and/or the editor(s). MDPI and/or the editor(s) disclaim responsibility for any injury to people or property resulting from any ideas, methods, instructions or products referred to in the content. |
© 2024 by the authors. Licensee MDPI, Basel, Switzerland. This article is an open access article distributed under the terms and conditions of the Creative Commons Attribution (CC BY) license (https://creativecommons.org/licenses/by/4.0/).
Share and Cite
Yang, Q.; Jiang, B.; Gao, L.; Gao, Y.; Liang, B.; Lan, S.; Qin, Z.; Zou, W.; Yang, F.; Pan, F. Study on Plastic Constitutive Relation and Ductile Fracture Criterion of AM60B Magnesium Alloy. Materials 2024, 17, 1684. https://doi.org/10.3390/ma17071684
Yang Q, Jiang B, Gao L, Gao Y, Liang B, Lan S, Qin Z, Zou W, Yang F, Pan F. Study on Plastic Constitutive Relation and Ductile Fracture Criterion of AM60B Magnesium Alloy. Materials. 2024; 17(7):1684. https://doi.org/10.3390/ma17071684
Chicago/Turabian StyleYang, Qin, Bin Jiang, Liang Gao, Yuyang Gao, Bin Liang, Sha Lan, Zeng Qin, Wenjun Zou, Fengying Yang, and Fusheng Pan. 2024. "Study on Plastic Constitutive Relation and Ductile Fracture Criterion of AM60B Magnesium Alloy" Materials 17, no. 7: 1684. https://doi.org/10.3390/ma17071684
APA StyleYang, Q., Jiang, B., Gao, L., Gao, Y., Liang, B., Lan, S., Qin, Z., Zou, W., Yang, F., & Pan, F. (2024). Study on Plastic Constitutive Relation and Ductile Fracture Criterion of AM60B Magnesium Alloy. Materials, 17(7), 1684. https://doi.org/10.3390/ma17071684

