Assessment of the Thermal Properties of Gypsum Plaster with Plastic Waste Aggregates
Abstract
1. Introduction
2. Methodology
2.1. Materials
2.2. Equipment
2.3. Experimental Framework
3. Results and Discussion
3.1. Phase 1—Thermal Conductivity of the Dry Material
3.2. Phase 2—Influence of Water Content on Thermal Conductivity
- -
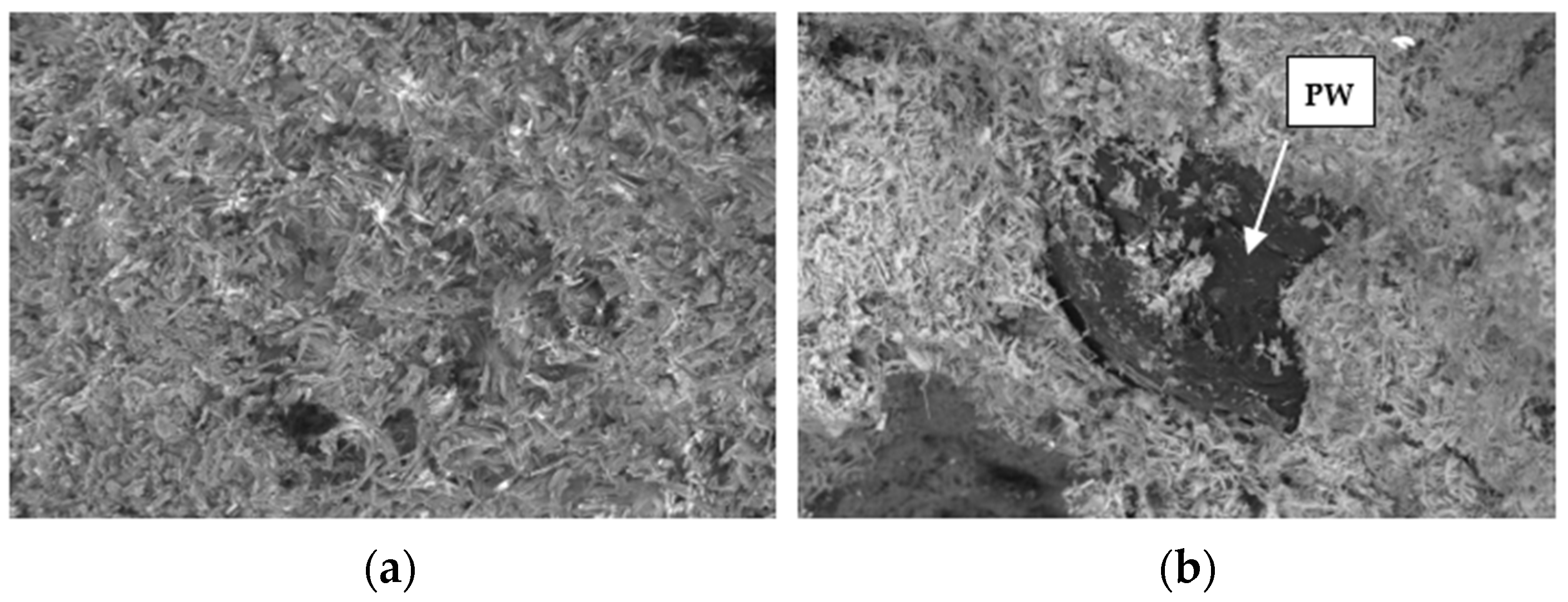
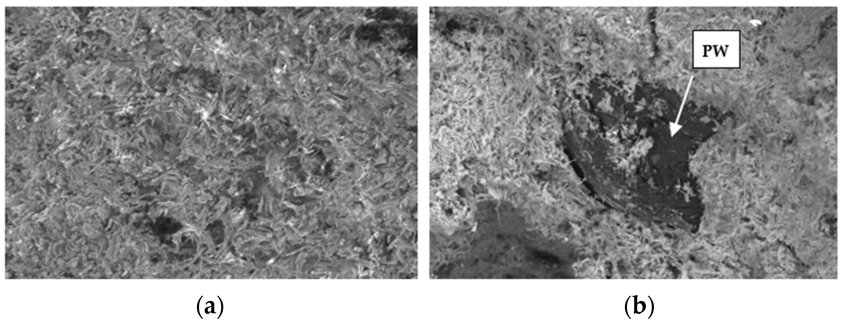
- Plastic is a less hygroscopic material than gypsum, so it acts as a barrier to water. In the microscopy image, depicted in Figure 6, the plastic waste can be seen dispersed in the gypsum matrix.
- -
- The smaller number of pores in the gypsum with plastic waste decreases the ability of storing water vapor in the pores. The average results of the mercury porosimetry test, shown in Figure 7, show that the samples with plastic residues are up to 67% less porous than the reference ones.
4. Conclusions
Author Contributions
Funding
Institutional Review Board Statement
Informed Consent Statement
Data Availability Statement
Conflicts of Interest
References
- El Parlamento Europeo y el Consejo de la Unión Europea. Directiva (UE) 2018/851 Del Parlamento europeo y del Consejo de 30 de mayo de 2018 por la que se modifica la Directiva 2008/98/CE sobre los residuos. Diario Oficial de la Unión Europea 2018, 14, L150/109–L150/140. [Google Scholar]
- Parlamento Europeo. Directiva Marco de Residuos 2008/98/CE. 2008. Available online: https://eur-lex.europa.eu/legal-content/ES/TXT/?uri=celex:32008L0098 (accessed on 15 January 2024).
- de Villanueva Domínguez, L.; García Santos, A. Manual del Yeso; Asociación Técnica y Empresarial del Yeso ATEDY: Madrid, España, 2001. [Google Scholar]
- Evode, N.; Qamar, S.A.; Bilal, M.; Barceló, D.; Iqbal, H.M.N. Plastic waste and its management strategies for environmental sustainability. Case Stud. Chem. Environ. Eng. 2021, 4, 100142. [Google Scholar] [CrossRef]
- Santos, G.; Esmizadeh, E.; Riahinezhad, M. Recycling Construction, Renovation, and Demolition Plastic Waste: Review of the Status Quo, Challenges and Opportunities. J. Polym. Environ. 2023, 32, 479–509. [Google Scholar] [CrossRef]
- Osorio, S.; Marín, J.D.; Carvajal, S.X. Zero Energy Balance Buildings: Definitions, Current Challenges and Future Opportunities. IEEE Lat. Am. Trans. 2022, 20, 417–429. [Google Scholar] [CrossRef]
- IDAE. Instituto para la Diversificación y Ahorro de la Energía. Available online: https://www.idae.es/ (accessed on 10 January 2020).
- Hassanien, R.; Hassanien, E.; Ibrahim, M. Recycling Waste Plastic Bags as a Replacement for Cement in Production of Building Bricks and Concrete Blocks Advanced Applications of Solar Energy in Greenhouses for Energy and Food Production. ID:33456 View project. J. Waste Resour. Recycl. 2020, 1, 202. [Google Scholar]
- Kumi-Larbi, A.; Yunana, D.; Kamsouloum, P.; Webster, M.; Wilson, D.C.; Cheeseman, C. Recycling waste plastics in developing countries: Use of low-density polyethylene water sachets to form plastic bonded sand blocks. Waste Manag. 2018, 80, 112–118. [Google Scholar] [CrossRef]
- Alaloul, W.S.; John, V.O.; Musarat, M.A. Mechanical and Thermal Properties of Interlocking Bricks Utilizing Wasted Polyethylene Terephthalate. Int. J. Concr. Struct. Mater. 2020, 14, 24. [Google Scholar] [CrossRef]
- Wang, R.; Meyer, C. Performance of cement mortar made with recycled high impact polystyrene. Cem. Concr. Compos. 2012, 34, 975–981. [Google Scholar] [CrossRef]
- Sosoi, G.; Abid, C.; Barbuta, M.; Burlacu, A.; Balan, M.C.; Branoaea, M.; Vizitiu, R.S.; Rigollet, F. Experimental Investigation on Mechanical and Thermal Properties of Concrete Using Waste Materials as an Aggregate Substitution. Materials 2022, 15, 1728. [Google Scholar] [CrossRef]
- Senhadji, Y.; Siad, H.; Escadeillas, G.; Benosman, A.S.; Chihaoui, R.; Mouli, M.; Lachemi, M. Physical, mechanical and thermal properties of lightweight composite mortars containing recycled polyvinyl chloride. Constr. Build. Mater. 2019, 195, 198–207. [Google Scholar] [CrossRef]
- Poonyakan, A.; Rachakornkij, M.; Wecharatana, M.; Smittakorn, W. Potential Use of Plastic Wastes for Low Thermal Conductivity Concrete. Materials 2018, 11, 1938. [Google Scholar] [CrossRef] [PubMed]
- Ali, M.; Maslehuddin, M.; Shameem, M.; Barry, M. Thermal-resistant lightweight concrete with polyethylene beads as coarse aggregates. Constr. Build. Mater. 2018, 164, 739–749. [Google Scholar] [CrossRef]
- Basha, S.I.; Ali, M.R.; Al-Dulaijan, S.U.; Maslehuddin, M. Mechanical and thermal properties of lightweight recycled plastic aggregate concrete. J. Build. Eng. 2020, 32, 101710. [Google Scholar] [CrossRef]
- Herrero, S.; Mayor, P.; Hernández-Olivares, F. Influence of proportion and particle size gradation or rubber from end-of-life tires on mechanical, thermal and acoustic properties of plaster-rubber mortars. Mater. Des. 2013, 47, 633–642. [Google Scholar] [CrossRef]
- Pedreño-Rojas, M.A.; Rodríguez-Liñán, C.; Flores-Colen, I.; de Brito, J. Use of Polycarbonate Waste as Aggregate in Recycled Gypsum Plasters. Materials 2020, 13, 3042. [Google Scholar] [CrossRef]
- del Río Merino, M.; Sáez, P.V.; Longobardi, I.; Astorqui, J.S.C.; Porras-Amores, C. Redesigning lightweight gypsum with mixes of polystyrene waste from construction and demolition waste. J. Clean. Prod. 2019, 220, 144–151. [Google Scholar] [CrossRef]
- Balti, S.; Boudenne, A.; Dammak, L.; Hamdi, N. Mechanical and thermophysical characterization of gypsum composites reinforced by different wastes for green building applications. Constr. Build. Mater 2023, 372, 130840. [Google Scholar] [CrossRef]
- Kde Oliveira, A.; Oliveira, C.A.B.; Molina, J.C. Lightweight recycled gypsum with residues of expanded polystyrene and cellulose fiber to improve thermal properties of gypsum. Mater. Constr. 2021, 71, e242. [Google Scholar] [CrossRef]
- Bouzit, S.; Merli, F.; Sonebi, M.; Buratti, C.; Taha, M. Gypsum-plasters mixed with polystyrene balls for building insulation: Experimental characterization and energy performance. Constr. Build. Mater. 2021, 283, 122625. [Google Scholar] [CrossRef]
- UNE-EN 13279-2:2014; Yesos de Construcción y Conglomerantes a Base de Yeso para la Construcción. Parte 2: Métodos de Ensayo. Asociación Española de Normalización, UNE: Madrid, Spain, 2014.
- Barriguete, A.V.; del Río Merino, M.; Sánchez, E.A.; Ramírez, C.P.; Arrebola, C.V. Analysis of the feasibility of the use of CDW as a low-environmental-impact aggregate in conglomerates. Constr. Build. Mater. 2018, 178, 83–91. [Google Scholar] [CrossRef]
- Vidales-Barriguete, A.; Atanes-Sánchez, E.; del Río-Merino, M.; Piña-Ramírez, C. Analysis of the improved water-resistant properties of plaster compounds with the addition of plastic waste. Constr. Build. Mater. 2020, 230, 116956. [Google Scholar] [CrossRef]
- Vidales-Barriguete, A.; Santa-Cruz-Astorqui, J.; Piña-Ramírez, C.; Kosior-Kazberuk, M.; Kalinowska-Wichrowska, K.; Atanes-Sánchez, E. Study of the Mechanical and Physical Behavior of Gypsum Boards with Plastic Cable Waste Aggregates and Their Application to Construction Panels. Materials 2021, 4, 2255. [Google Scholar] [CrossRef] [PubMed]
- Vidales-Barriguete, A.; Ramírez, C.P.; Serrano-Somolinos, R.; del Río Merino, M.; Atanes-Sánchez, E. Behavior resulting from fire in plasterboard with plastic cable waste aggregates. J. Build. Eng. 2021, 40, 102293. [Google Scholar] [CrossRef]
- ASTM D7984; Standard Test Method for Measurements of Thermal Effusivity of Fabrics Using a Modified Transient Plane Source (MTPS) Instrument. ASTM International: West Conshohocken, PA, USA, 2016.
- UNE-EN 12667:2002; Materiales de Construcción. Determinación de la Resistencia Térmica por el Método de la placa Caliente Guardada y el Método del Medidor de flujo de Calor. Productos de alta y Media Resistencia Térmica. Asociación Española de Normalización, UNE: Madrid, Spain, 2002.







| Thermal Conductibility [W/(m·K)] | |||||
|---|---|---|---|---|---|
| HFM | MTPS | ||||
| Set | Specimen | Meas. | Mean (std) | Meas. | Mean (std) |
| Ref | S1 | 0.2620 | 0.2444 (0.0199) | 0.2586 | 0.2639 (0.0110) |
| S2 | 0.2228 | 0.2765 | |||
| S3 | 0.2484 | 0.2565 | |||
| 50%PW | S4 | 0.2389 | 0.2298 (0.0094) | 0.2631 | 0.2539 (0.0215) |
| S5 | 0.2201 | 0.2693 | |||
| S6 | 0.2304 | 0.2294 | |||
| 60%PW | S7 | 0.1827 | 0.2264 (0.0385) | 0.2645 | 0.2723 (0.0069) |
| S8 | 0.2550 | 0.2750 | |||
| S9 | 0.2416 | 0.2775 | |||
| 70%PW | S10 | 0.2379 | 0.2469 (0.0182) | 0.2308 | 0.2479 (0.0162) |
| S11 | 0.2350 | 0.2498 | |||
| S12 | 0.2679 | 0.2630 | |||
| DRY | RH = 80% | Variation (%) | ||
|---|---|---|---|---|
| λ [W/(m.K)] | λ [W/(m.K)] | w (%) | ||
| Ref | 0.2639 | 0.2741 | 0.3391 | 3.9% |
| 50% PW | 0.2539 | 0.2603 | 0.2216 | 2.5% |
| 60% PW | 0.2723 | 0.2623 | 0.1929 | −3.7% |
| 70% PW | 0.2479 | 0.2599 | 0.1946 | 4.8% |
Disclaimer/Publisher’s Note: The statements, opinions and data contained in all publications are solely those of the individual author(s) and contributor(s) and not of MDPI and/or the editor(s). MDPI and/or the editor(s) disclaim responsibility for any injury to people or property resulting from any ideas, methods, instructions or products referred to in the content. |
© 2024 by the authors. Licensee MDPI, Basel, Switzerland. This article is an open access article distributed under the terms and conditions of the Creative Commons Attribution (CC BY) license (https://creativecommons.org/licenses/by/4.0/).
Share and Cite
Vidales-Barriguete, A.; Barreira, E.; Gomes Dias, S. Assessment of the Thermal Properties of Gypsum Plaster with Plastic Waste Aggregates. Materials 2024, 17, 1663. https://doi.org/10.3390/ma17071663
Vidales-Barriguete A, Barreira E, Gomes Dias S. Assessment of the Thermal Properties of Gypsum Plaster with Plastic Waste Aggregates. Materials. 2024; 17(7):1663. https://doi.org/10.3390/ma17071663
Chicago/Turabian StyleVidales-Barriguete, Alejandra, Eva Barreira, and Susana Gomes Dias. 2024. "Assessment of the Thermal Properties of Gypsum Plaster with Plastic Waste Aggregates" Materials 17, no. 7: 1663. https://doi.org/10.3390/ma17071663
APA StyleVidales-Barriguete, A., Barreira, E., & Gomes Dias, S. (2024). Assessment of the Thermal Properties of Gypsum Plaster with Plastic Waste Aggregates. Materials, 17(7), 1663. https://doi.org/10.3390/ma17071663

