Rotating Bending Fatigue Behaviors of C17200 Beryllium Copper Alloy at High Temperatures
Abstract
1. Introduction
2. Materials Preparation and Experimental Details
2.1. Experimental Materials and Material Characterization
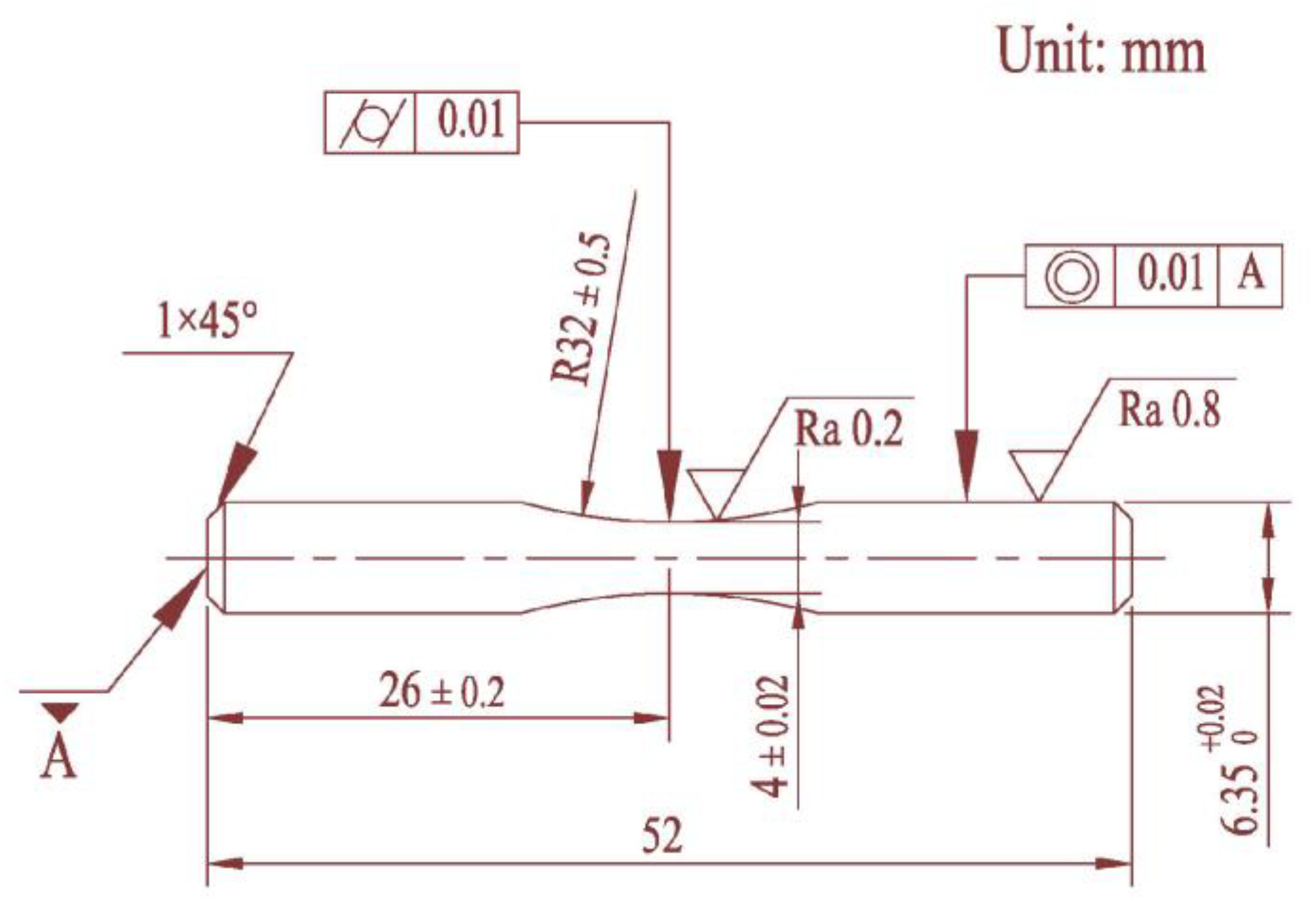
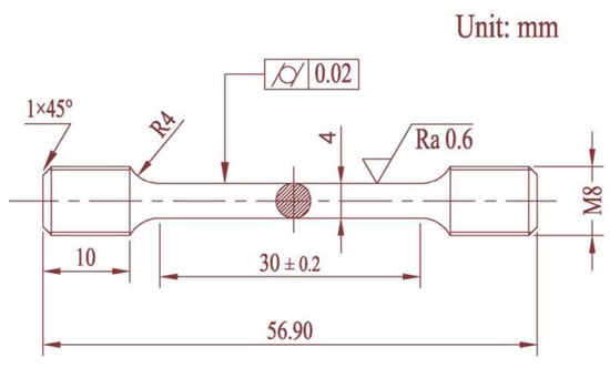
2.2. Mechanical Properties and Rotating Bending Fatigue Test Method
3. Experimental Results and Discussion
3.1. Microstructures
3.2. Thermogravimetric Analysis and Differential Scanning Calorimetry
3.3. Tensile Properties at Different Temperatures
3.4. S-N Curves at Different Temperatures
3.5. Fatigue and Fracture Mechanisms Analysis
4. Conclusions
- (1)
- C17200 beryllium copper alloy had a phase transition between 400 °C and 450 °C, and the high-temperature environment reduced the force between the grain boundaries, resulting in a significant decline in the material mechanical properties at 450 °C.
- (2)
- The tensile fracture mechanism of C17200 alloy at different temperatures was a mixture of ductile and brittle fracture mode. With the increase in temperature, the grain boundary slip surface was increased, the number of dimples was decreased, and the fracture plane tended to be flat.
- (3)
- The RBF fatigue strength of C17200 alloy of 1 × 107 cycles at 25 °C, 150 °C, 350 °C, and 450 °C was 441.8 MPa, 409.4 MPa, 400.3 MPa, and 272.1 MPa, respectively. At these four temperature gradients, the fatigue strength of C17200 alloy generally decreased with the increase in temperature. Compared to fatigue strength (1 × 107 cycles) at 25 °C, the reduction amplitude of fatigue strength at 150 °C and 350 °C is within 10%; however, it is decreased by 38.4% at 450 °C.
- (4)
- The fatigue failure type of C17200 alloy was mainly surface defect initiation at different temperatures. With the increase in temperature, the thermal stress in the specimen promoted the initiation of cracks and accelerated the propagation of cracks.
Author Contributions
Funding
Institutional Review Board Statement
Informed Consent Statement
Data Availability Statement
Acknowledgments
Conflicts of Interest
References
- Fang, S.P.; Chen, L.P.; Zhou, Q.; Zhou, S.J. Research progress on properties and heat treatment of beryllium bronze. Tech. Cast. 2020, 41, 384–390. [Google Scholar]
- Pan, G.H.; Lu, M.Q.; Yao, W.T.; Shen, D.Z. Study on high strength variant inlaid bronze Shanghai Metals. Nonferrous Met. Sect. 1983, 2, 25–37. [Google Scholar]
- Fan, B.; Zhang, X.M.; Deng, Z.Q.; Mao, X.P. Comparative experimental study on fatigue properties of beryllium bronze. Hunan Nonferrous Met. 2001, 3, 25–27. [Google Scholar]
- Pang, J.C.; Li, S.X.; Zhang, Z.F. High cycle fatigue fracture mechanism of high strength QBe2 beryllium bronze. In Proceedings of the 15th National Fatigue and Fracture Academic Symposium, Foshan, China, 26 November 2010; p. 14. [Google Scholar]
- Wang, L.H.; Sun, H.L. Failure analysis and mechanism of QBe2 spring piece. Hot Work. Technol. 2012, 41, 218–221. [Google Scholar]
- Zhu, B.H.; Zhong, J.M.; Wang, K.; Sun, W.; Wan, M.; Huo, D.P. Rotational bending fatigue behavior of high strength beryllium copper alloy QBe2 rod at room temperature. Rare Met. 2021, 45, 1153–1161. [Google Scholar]
- Li, M.; Singh, B.N.; Stubbins, J.F. Room temperature creep-fatigue response of selected copper alloys for high heat flux applications. J. Nucl. Mater. 2004, 329–333, 865–869. [Google Scholar] [CrossRef]
- Miura, H.; Ito, Y.; Sakai, T.; Kato, M. Cyclic creep and fracture behavior of Cu-SiO2 bicrystals with twist boundaries. Mater. Sci. Eng. A 2004, 387-389, 522–524. [Google Scholar] [CrossRef]
- Berto, F.; Lazzarin, P.; Gallo, P. High-temperature fatigue strength of a copper-cobalt-beryllium alloy. J. Strain Anal. Eng. Des. 2014, 49, 244–256. [Google Scholar] [CrossRef]
- Li, G.H.; Lin, Y.X.; Cai, J.G. Effect of static pressure on surface integrity of beryllium copper alloy treated by ultrasonic rolling. J. Mech. Strength 2022, 44, 1069–1074. [Google Scholar]
- Lomakin, I.; Castillo-Rodríguez, M.; Sauvage, X. Microstructure, mechanical properties and aging behaviour of nanocrystal line copper-beryllium alloy. Mater. Sci. Eng. A 2019, 744, 206–214. [Google Scholar] [CrossRef]
- Xie, G.L.; Wang, Q.S.; Mi, X.J.; Baiqing, X.; Lijun, P. The precipitation behavior and strengthening of a Cu-2.0wt% Be alloy. Mater. Sci. Eng. A 2012, 558, 326–330. [Google Scholar]
- Zhao, Z.; Liu, J.; Lu, S.; Xiao, Y.; Yuan, M. Deformation mechanisms in highly elastic softened-state Cu-Be alloy at elevated temperatures. Phys. Met. Metallogr. 2018, 119, 69–75. [Google Scholar] [CrossRef]
- Pang, J.C.; Duan, Q.Q.; Wu, S.D.; Li, S.X.; Li, S.X.; Zhang, Z.F. Fatigue strengths of Cu–Be alloy with high tensile strengths. Scr. Mater. 2010, 63, 1085–1088. [Google Scholar] [CrossRef]
- Huang, W.; Chai, L.; Li, Z.; Yang, X.; Guo, N.; Song, B. Evolution of microstructure and grain boundary character distribution of a tin bronze annealed at different temperatures. Mater. Charact. 2016, 114, 204–210. [Google Scholar] [CrossRef]
- Leedy, K.D.; Stubbins, J.F.; Singh, B.N.; Garner, F.A. Fatigue behavior of copper and selected copper alloys for high heat flux applications. J. Nucl. Mater. 1996, 233, 547–552. [Google Scholar] [CrossRef]
- Hanaki, S.; Yamashita, M.; Uchida, H.; Zako, M. On stochastic evaluation of S-N data based on fatigue strength distribution. Int. J. Fatigue 2010, 32, 605–609. [Google Scholar] [CrossRef]
- Zhong, J.P.; Zhao, Z.H.; Zhang, Z. Development of “fractography” and research of fracture micromechanism. J. Mech. Strength 2005, 3, 358–370. [Google Scholar]
- Li, X.; Zhou, Y.J.; Song, K.X.; Feng, C.L.; Wu, H.J.; Zhang, P.F.; Gu, J.H. Effect of cold drawing deformation on microstructure and properties of single crystal copper prepared by heated-mold horizontal continuous casting. Trans. Mater. Heat Treat. 2022, 43, 46–52. [Google Scholar]
- Gao, Z.T.; Fu, H.M.; Liang MX, S.-N. Curve fitting method. J. Beijing Inst. Aeronaut. 1987, 1, 115–119. [Google Scholar]
- Hong, Y.S.; Sun, C.Q.; Liu, X.L. A review on mechanisms and models for very-high-cycle fatigue of metallic materials. Adv. Mech. 2018, 48, 1–65. [Google Scholar]
- Wu, B.; Wang, P.P.; Pyoun, Y.-S.; Zhang, J.; Murakami, R.I. Effect of ultrasonic nanocrystal surface modification on the fatigue behaviors of plasma-nitrided S45C steel. Surf. Coat. Technol. 2012, 213, 271–277. [Google Scholar] [CrossRef]
- Osmond, P.; Viet-Duc, L.E.; Morel, F.; Bellett, D.; Saintier, N. Effect of porosity on the fatigue strength of cast aluminium alloys: From the specimen to the structure. Procedia Eng. 2018, 213, 630–643. [Google Scholar] [CrossRef]
- Masoudi Nejad, R.; Shariati, M.; Farhangdoost, K. Prediction of fatigue crack propagation and fractography of rail steel. Theor. Appl. Fract. Mech. 2019, 101, 320–331. [Google Scholar] [CrossRef]
- Liu, T.X.; Yang, M.S.; Li, S.H. Fatigue crack initiation and propagation behavior of high temperature carburized bearing steel during rotary bending. Iron Steel 2021, 56, 136–143. [Google Scholar]
- Guan, C.R.; Yang, M.S.; Gao, P. Rotary bending fatigue characteristics and crack initiation and propagation behavior of 32Cr3MoVE bearing steel. J. Iron Steel Res. 2020, 32, 916–924. [Google Scholar]
- Brotzu, A.; Di Cocco, V.; Felli, F.; Iacoviello, F.; Pilone, D. Fatigue crack propagation in a C70250 alloy. Int. J. Fatigue 2021, 153, 106499. [Google Scholar] [CrossRef]
- Jiang, L.; Li, S.; Han, Y. Rotating bending fatigue property of the Ni3Al-based single crystal superalloy IC6SX at 900 °C. In Proceedings of the 17th IUMRS International Conference in Asia (IUMRS-ICA 2016), Qingdao, China, 20–24 October 2016; IOP Conference Series: Materials Science and Engineering. IOP Publishing: Bristol, UK, 2017; Volume 182, p. 012058. [Google Scholar]
- Zhao, X.M.; Shi, Y.M.; Cui, G.C. Experiment research on rotational bending together with thermal fatigue for metal. J. Shenyang Archit. Civ. Eng. Inst. 1992, 8, 131–135. [Google Scholar]
- Zang, Z.H.; Yang, M.S.; Sun, S.Q.; Li, J.X.; Luo, Z.Q.; Li, N. High temperature fatigue properties and crack initiation and its expansion mechanism of high nitrogen bearing steel. J. Shenyang Archit. Civ. Eng. Inst. 2018, 30, 555–562. [Google Scholar]
- Wan, A.; Xiong, J.; Lyu, Z.; Li, K.; Du, Y.; Chen, K.; Man, Z. High-cycle fatigue behavior of Co-based superalloy 9CrCo at elevated temperatures. Chin. J. Aeronaut. 2016, 29, 1405–1413. [Google Scholar] [CrossRef]
- Collini, L. Fatigue crack growth resistance of ECAPed ultrafine-grained copper. Eng. Fract. Mech. 2010, 77, 1001–1011. [Google Scholar] [CrossRef]
- Masoudi Nejad, R.; Farhangdoost, K.; Shariati, M. Microstructural analysis and fatigue fracture behavior of rail steel. Mech. Adv. Mater. Struct. 2020, 27, 152–164. [Google Scholar] [CrossRef]
- Hu, Y.; Sun, C.; Xie, J.; Hong, Y. Effects of loading frequency and loading type on High-Cycle and Very-High-Cycle fatigue of a high-strength steel. Materials 2018, 11, 1456. [Google Scholar] [CrossRef] [PubMed]
- Avanzini, A. Fatigue behavior of additively manufactured stainless steel 316L. Materials 2023, 16, 65. [Google Scholar] [CrossRef] [PubMed]


















| Materials | Be | Co | Al | Si | Ni | Cu |
|---|---|---|---|---|---|---|
| C17200 alloy | 1.8–2.1 | 0.35–0.65 | 0.08–0.10 | 0.10–0.15 | 0.20–0.25 | Balance |
| Tensile Strength (MPa) | Density (g/cm3) | Modulus of Elasticity (GPa) | Hardness (HRC) | Thermal Conductivity (W/m·k 20 °C) | Electrical Conductivity (IACS%) |
|---|---|---|---|---|---|
| 1105 | 8.3 | 128 | 38–44 | 105 | 18 |
| Element Content | Cu | C | O | Si | Al |
|---|---|---|---|---|---|
| Point A1 | 85.87 | 6.93 | 5.57 | 0.73 | 0.90 |
| Point A2 | 87.33 | 3.76 | 6.96 | 0.65 | 1.30 |
| Element Content | Cu | C | O | Si | Al | Ni | Co |
|---|---|---|---|---|---|---|---|
| Point B1 | 79.36 | 7.01 | 12.12 | 0.33 | 1.11 | 0.07 | 0 |
| Point B2 | 70.48 | 13.75 | 13.57 | 0.86 | 1.27 | 0 | 0.06 |
Disclaimer/Publisher’s Note: The statements, opinions and data contained in all publications are solely those of the individual author(s) and contributor(s) and not of MDPI and/or the editor(s). MDPI and/or the editor(s) disclaim responsibility for any injury to people or property resulting from any ideas, methods, instructions or products referred to in the content. |
© 2023 by the authors. Licensee MDPI, Basel, Switzerland. This article is an open access article distributed under the terms and conditions of the Creative Commons Attribution (CC BY) license (https://creativecommons.org/licenses/by/4.0/).
Share and Cite
Lai, F.; Mao, K.; Cao, C.; Hu, A.; Tu, J.; Lin, Y. Rotating Bending Fatigue Behaviors of C17200 Beryllium Copper Alloy at High Temperatures. Materials 2023, 16, 815. https://doi.org/10.3390/ma16020815
Lai F, Mao K, Cao C, Hu A, Tu J, Lin Y. Rotating Bending Fatigue Behaviors of C17200 Beryllium Copper Alloy at High Temperatures. Materials. 2023; 16(2):815. https://doi.org/10.3390/ma16020815
Chicago/Turabian StyleLai, Fuqiang, Kun Mao, Changsheng Cao, Anqiong Hu, Junxiang Tu, and Youxi Lin. 2023. "Rotating Bending Fatigue Behaviors of C17200 Beryllium Copper Alloy at High Temperatures" Materials 16, no. 2: 815. https://doi.org/10.3390/ma16020815
APA StyleLai, F., Mao, K., Cao, C., Hu, A., Tu, J., & Lin, Y. (2023). Rotating Bending Fatigue Behaviors of C17200 Beryllium Copper Alloy at High Temperatures. Materials, 16(2), 815. https://doi.org/10.3390/ma16020815
