Influence of Crystalline Admixtures and Their Synergetic Combinations with Other Constituents on Autonomous Healing in Cracked Concrete—A Review
Abstract
:1. Introduction
2. Commercial Crystallization Admixture
2.1. Composition
- (1)
- The test results of XRF shown in Table 2 show the following: (a) Compared with ordinary Portland cement, CAs contain more Na2O, especially Penetron. The high alkali environment formed by a high concentration of Na2O will significantly promote the crystallization reaction of alkali-silicate, generate precipitation, and increase the concentration of CO2 in the solution. Then, the hydration products will be carbonized in the form of volume expansion. (b) The results of CA detection are rather different, even for the same brand of CA, especially the MgO content. The highly alkaline environment created by Na2O increases the expansion of Mg(OH)2 crystal [39,43].
- (2)
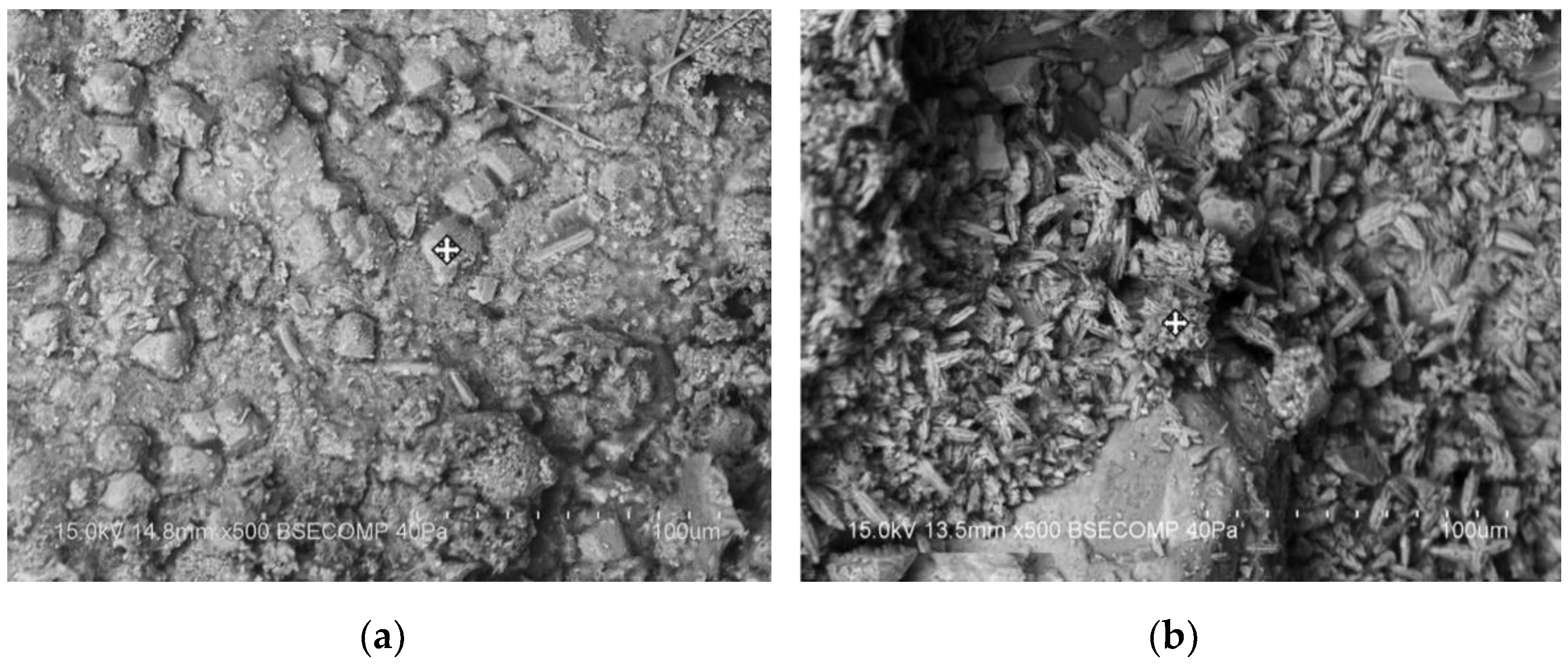
- Guzlena et al. [40] investigated five brands of CA (specific brands were not mentioned). The FTIR and XRD patterns of CA-A and CA-D were similar, but the healing effect differed.
| CA | Recommended Dosage from Manufacturer (wt%) | Dosage in Laboratory Test (by Weight of Cementitious Materials, wt%) | References |
|---|---|---|---|
| Xypex | 0.8~2.0 (concrete) 2.0~3.0 (mortar) | 1.5~6 | [9,10,15,36,38] |
| Penetron | 1~1.5 | 0.5~1.5 | [28,39,41,42,44,45,46,47] |
| Kryton | 2 | 2 | [31] |
| Sika | 2 | 2 | [48] |
| Not mentioned | - | - | [5,40,49,50,51,52,53] |
| Self-made | - | - | [4,6,7,29,54,55,56] |
| CaO | SiO2 | Al2O3 | Fe2O3 | MgO | SO3 | Na2O | K2O | Others | References | |
|---|---|---|---|---|---|---|---|---|---|---|
| Xypex | 73.40 | 13.72 | 3.66 | 2.28 | 0.70 | 3.91 | 1.24 | 0.40 | 0.69 | [15,36] |
| Xypex | 59.77 | 8.10 | 1.98 | 2.08 | 0.82 | 2.09 | 1.29 | 0.44 | <0.2 | [37] |
| Xypex | 53 | 16 | 3.99 | 4.05 | 15.9 | 3.48 | 2.24 | 0.407 | 0.933 | [38] |
| Xypex | 53.53 | 14.10 | 4.36 | 1.84 | 11.3 | 2.79 | - | - | 12.08 | [9,10] |
| Penetron | 47.26 | 13.48 | 3.70 | 1.44 | 3.54 | 2.05 | 11.02 | 0.74 | 16.77 | [39] |
| Ordinary Portland cement | 63.3 | 19.5 | 5.6 | 2.3 | 1.1 | 2.7 | 0.3 | 0.9 | 4.3 | [15] |
2.2. Healing Mechanism
2.2.1. Mechanism of Precipitation Reaction
Calcium silicate + crystalline promoter + water → modified calcium silicate hydrate + pore-blocking precipitate
2.2.2. Complexation–Precipitation Reaction Mechanism
2.3. Crystallization Products
2.3.1. Noncorrosive Healing Environment
2.3.2. Corrosive Environment
3. Research on Self-Made CA
4. Self-Healing Test
4.1. Self-Healing Rate
4.2. Factors Influencing Healing Performance
4.2.1. Effect of Moisture Content in Healing Curing Environment
4.2.2. Effect of Temperature
4.2.3. Effects of CO32− in Aqueous Solution
4.2.4. Effects of Crack Characteristics
Shrinkage Cracks and Structural Cracks
Several Cracking–Healing Cycles
5. Synergetic Effect of CA with Other Components
5.1. Synergetic Effect of CA with Fibers
5.2. Synergetic Effect of CA with Expansive Agent
5.2.1. Crystal Phase of Healing Products
5.2.2. Distribution of Healing Products
5.2.3. Healing Performance
5.3. Synergetic Effect of CA with Superabsorbent Polymers
6. Conclusions
- (1)
- CA promotes the growth of ettringite on the crack surface. The ettringite can heal the cracks and form a network structure that can better cover the crystallization of CaCO3. Compared with ordinary specimens, CA specimens show better healing along the crack depth.
- (2)
- The growth of CaCO3 at the crack mouth is not conducive to the internal healing of cracks and is not conducive to the recovery of mechanical properties of the structure.
- (3)
- According to the promoting effect of water content in the curing environment on the healing performance of CA, the order is as follows: appropriate dry–wet cycles (for example, wet 12 h–dry 12 h), water immersion, dry–wet cycles, standard curing, and air exposure.
- (4)
- CA showed an excellent synergetic effect with fiber and expansive agent.
- (5)
- SAP has a solid ability to repair cracks, but specimens mixed with SAP cannot heal completely. Some researchers found that the addition of CA can make up for this defect to some extent.
- (6)
- In the test results, the best healing specimens are as follows: specimen mixed with CA, CSA, and basic magnesium carbonate; specimen mixed with NaAlO2; and specimen mixed with Na2CO3 and SAP.
7. Problems and Prospects
- (1)
- Currently, there are no relevant standards and norms for evaluating healing performance, causing the calculation method of self-healing rate and healing performance testing to vary greatly among researchers. Consequently, it is challenging to make a horizontal comparison between the research results from different studies.
- (2)
- It is not reliable to evaluate the healing effect by crack closure rate. The healing products may gather in the crack mouth or may only gather in the crack interior. Some healing products such as Al(OH)3 and Mg(OH)2 have poor mechanical properties, while other healing products such as aragonite and hydrated magnesium carbonate have good mechanical properties.
- (3)
- For the recovery of the durability of cracked CA specimens, the healing degree is mainly evaluated according to the decrease in seepage flow or seepage pressure ratio. No researchers have studied the effect of CA healing cracks on the infiltration of water and corrosive ions into the concrete through cracks, and no researchers have studied the effect of CA healing cracks on reducing chloride ion corrosion of reinforcement.
- (4)
- The composition of CA, healing environment, and other chemical additives determine the crystal phase of healing products, and the crystal phase of healing products could further affect the healing performance. The high confidentiality and variability of the components of commercial CA and the incompatibility of the research results of researchers increase the difficulty of CA research. It is suggested that for commercial CA, the macroscopic healing properties (the recovery of mechanical properties and durability) of CA cement-based composites should be focused on to promote the application of engineering practice better. For the development and research of CA, SEM-EDS, XRD, FTIR, TGA, and other tests should be carried out to analyze the healing products to clarify the single-factor and multifactor coupling effects of each component on the healing products. Then, the macroscopic healing properties of CA cement-based composites should be tested to promote the development and research of CA.
- (5)
- The composition and crystal phase of healing products determine the macro healing performance of the structure. There are few studies on the relationship between them in the current research, and there is a lack of systematic research.
- (6)
- The cracks produced by the three-point bending, four-point bending, and splitting tensile cracking test are close to the real cracks and the actual working conditions. However, a high degree of dispersion of the test results can occur easily, and reliable conclusions are hard to make. It is suggested that if the test results mainly serve the actual project, the generation of cracks mainly depends on the above methods. If the test is to study some rules of self-healing of CA specimens, more regular cracks can be produced by the method of prefabricated cracks with steel inserts, and the cracks produced by force can be compared and analyzed.
- (7)
- There are few studies on the distribution and crystal phase of the healing products of CA specimens along the crack depth, and the healing inside the crack is crucial to the healing of the whole structure. Therefore, the healing behaviors inside the fracture should be further studied, and a CA with faster healing inside the crack than at the crack mouth should be developed.
- (8)
- The healing reaction of CA requires the participation of water. This material is highly suitable for underwater buildings, such as underwater shield tunnels, underwater suspension tunnels, and underwater pile foundations. Simulation of underwater conditions should be added.
- (9)
- The distribution of healing products through cracks differs, which should be studied further, especially under high water pressure.
- (10)
- In some conditions, the study of the healing of cracks needs to consider the bearing condition of the structure, especially for dynamic loads, and cracks are not likely to heal completely.
- (11)
- SAP has the characteristics of rapid expansion when exposed to water and shrinkage when the water content around SAP decreases gradually. Although SAP can quickly heal cracks, the compressive strength of specimens that are mixed with SAP was generally decreased. Subsequent studies can focus on the following points: (1) SAP particles have a specific particle gradation, and the expanded SAP gel will be denser. (2) SAP can be used as a coating, and CA can be used as the admixture of concrete. Then, the healing capacity of this kind of specimen should be compared with the specimens mixed with CA and SAP.
- (12)
- After cracking, water slowly infiltrates into the cement on both sides of the crack. The expansion of the matrix will also promote the healing of the crack to a certain extent, especially for cement-based materials mixed with CA and expansive agents.
- (13)
- Some researchers studied crack healing by numerical simulation. Jiang et al. [99] used CEMHYD3D to simulate crack healing and the effect of crack healing on chloride ion erosion. Xue et al. [100] used XFEM and CS techniques to study the interface between healing products and crack surfaces numerically. Luzio et al. [101] proposed a numerical model for the gradual recovery of mechanical properties of cementitious materials with crack healing. If the numerical simulation results have good compatibility with the experimental results of the healing performance of CA, the numerical simulation can significantly reduce the workload of the experiment.
- (14)
- There are few studies on the healing performance of CA in some particular healing environments. Subsequent studies can increase the simulation of working conditions such as seawater, sewage pool, salt fog, freeze–thaw cycle, microbial growth environment, and post-fire.
Author Contributions
Funding
Institutional Review Board Statement
Informed Consent Statement
Conflicts of Interest
References
- Van Mullem, T.; Anglani, G.; Dudek, M.; Vanoutrive, H.; Bumanis, G.; Litina, C.; Kwiecień, A.; Al-Tabbaa, A.; Bajare, D.; Stryszewska, T.; et al. Addressing the need for standardization of test methods for self-healing concrete: An inter-laboratory study on concrete with macrocapsules. Sci. Technol. Adv. Mater. 2020, 21, 661–682. [Google Scholar] [CrossRef]
- Litina, C.; Bumanis, G.; Anglani, G.; Dudek, M.; Maddalena, R.; Amenta, M.; Papaioannou, S.; Pérez, G.; Calvo, J.G.; Asensio, E.; et al. Evaluation of Methodologies for Assessing Self-Healing Performance of Concrete with Mineral Expansive Agents: An Interlaboratory Study. Materials 2021, 14, 2024. [Google Scholar] [CrossRef]
- Oliveira, A.D.S.; Gomes, O.D.F.M.; Ferrara, L.; Fairbairn, E.D.M.R.; Filho, R.D.T. An overview of a twofold effect of crystalline admixtures in cement-based materials: From permeability-reducers to self-healing stimulators. J. Build. Eng. 2021, 41, 102400. [Google Scholar] [CrossRef]
- Wu, X.; Huang, H.; Liu, H.; Zeng, Z.; Li, H.; Hu, J.; Wei, J.; Yu, Q. Artificial aggregates for self-healing of cement paste and chemical binding of aggressive ions from sea water. Compos. Part B Eng. 2020, 182, 107605. [Google Scholar] [CrossRef]
- Zhang, L.; Suleiman, A.; Nehdi, M. Self-healing in fiber-reinforced alkali-activated slag composites incorporating different additives. Constr. Build. Mater. 2020, 262, 120059. [Google Scholar] [CrossRef]
- Zhang, C.; Yu, J.; Wang, R.; He, P.; Cao, Z. Effect of ion chelating agent on self-healing performance of Cement-based materials. Constr. Build. Mater. 2018, 190, 308–316. [Google Scholar] [CrossRef]
- Li, D.; Chen, B.; Chen, X.; Fu, B.; Wei, H.; Xiang, X. Synergetic effect of superabsorbent polymer (SAP) and crystalline admixture (CA) on mortar macro-crack healing. Constr. Build. Mater. 2020, 247, 118521. [Google Scholar] [CrossRef]
- Li, G.; Huang, X.; Lin, J.; Jiang, X.; Zhang, X. Activated chemicals of cementitious capillary crystalline waterproofing materials and their self-healing behaviour. Constr. Build. Mater. 2019, 200, 36–45. [Google Scholar] [CrossRef]
- Wang, X.; Yang, Z.; Fang, C.; Wang, W.; Liu, J.; Xing, F. Effect of carbonate-containing self-healing system on properties of a cementitious composite: Fresh, mechanical, and durability properties. Constr. Build. Mater. 2020, 235, 117442. [Google Scholar] [CrossRef]
- Wang, X.; Fang, C.; Li, D.; Han, N.; Xing, F. A self-healing cementitious composite with mineral admixtures and built-in carbonate. Cem. Concr. Compos. 2018, 92, 216–229. [Google Scholar] [CrossRef]
- Tomczak, K.; Jakubowski, J. The effects of age, cement content, and healing time on the self-healing ability of high-strength concrete. Constr. Build. Mater. 2018, 187, 149–159. [Google Scholar] [CrossRef]
- Suleiman, A.R.; Nelson, A.J.; Nehdi, M.L. Visualization and quantification of crack self-healing in cement-based materials incorporating different minerals. Cem. Concr. Compos. 2019, 103, 49–58. [Google Scholar] [CrossRef]
- Snoeck, D.; Dewanckele, J.; Cnudde, V.; De Belie, N. X-ray computed microtomography to study autogenous healing of cementitious materials promoted by superabsorbent polymers. Cem. Concr. Compos. 2016, 65, 83–93. [Google Scholar] [CrossRef]
- Wang, J.; Dewanckele, J.; Cnudde, V.; Van Vlierberghe, S.; Verstraete, W.; De Belie, N. X-ray computed tomography proof of bacterial-based self-healing in concrete. Cem. Concr. Compos. 2014, 53, 289–304. [Google Scholar] [CrossRef]
- Sisomphon, K.; Copuroglu, O.; Koenders, E. Self-healing of surface cracks in mortars with expansive additive and crystalline additive. Cem. Concr. Compos. 2012, 34, 566–574. [Google Scholar] [CrossRef]
- Double, D.D.; Hellawell, A.; Perry, S.J. The Hydration of Portland Cement. Nature 1976, 261, 486–488. [Google Scholar] [CrossRef]
- Linderoth, O.; Wadsö, L.; Jansen, D. Long-term cement hydration studies with isothermal calorimetry. Cem. Concr. Res. 2021, 141, 106344. [Google Scholar] [CrossRef]
- Courtial, M.; de Noirfontaine, M.-N.; Dunstetter, F.; Signes-Frehel, M.; Mounanga, P.; Cherkaoui, K.; Khelidj, A. Effect of polycarboxylate and crushed quartz in UHPC: Microstructural investigation. Constr. Build. Mater. 2013, 44, 699–705. [Google Scholar] [CrossRef]
- Van Tuan, N.; Ye, G.; Van Breugel, K.; Copuroglu, O. Hydration and microstructure of ultra high performance concrete incorporating rice husk ash. Cem. Concr. Res. 2011, 41, 1104–1111. [Google Scholar] [CrossRef]
- Darquennes, A.; Olivier, K.; Benboudjema, F.; Gagné, R. Self-healing at early-age, a way to improve the chloride resistance of blast-furnace slag cementitious materials. Constr. Build. Mater. 2016, 113, 1017–1028. [Google Scholar] [CrossRef]
- Van Tittelboom, K.; Gruyaert, E.; Rahier, H.; De Belie, N. Influence of mix composition on the extent of autogenous crack healing by continued hydration or calcium carbonate formation. Constr. Build. Mater. 2012, 37, 349–359. [Google Scholar] [CrossRef]
- Namnoum, C.Y.; Hilloulin, B.; Grondin, F.; Loukili, A. Determination of the origin of the strength regain after self-healing of binary and ternary cementitious materials including slag and metakaolin. J. Build. Eng. 2021, 41, 102739. [Google Scholar] [CrossRef]
- Tang, W.; Kardani, O.; Cui, H. Robust evaluation of self-healing efficiency in cementitious materials—A review. Constr. Build. Mater. 2015, 81, 233–247. [Google Scholar] [CrossRef]
- Zhang, W.; Zheng, Q.; Ashour, A.; Han, B. Self-healing cement concrete composites for resilient infrastructures: A review. Compos. Part B Eng. 2020, 189, 107892. [Google Scholar] [CrossRef]
- Huang, H.; Ye, G.; Qian, C.; Schlangen, E. Self-healing in cementitious materials: Materials, methods and service conditions. Mater. Des. 2016, 92, 499–511. [Google Scholar] [CrossRef]
- De Belie, N.; Gruyaert, E.; Al-Tabbaa, A.; Antonaci, P.; Baera, C.; Bajare, D.; Darquennes, A.; Davies, R.; Ferrara, L.; Jefferson, T.; et al. A Review of Self-Healing Concrete for Damage Management of Structures. Adv. Mater. Interfaces 2018, 5, 1800074. [Google Scholar] [CrossRef]
- Palin, D.; Wiktor, V.; Jonkers, H. Autogenous healing of marine exposed concrete: Characterization and quantification through visual crack closure. Cem. Concr. Res. 2015, 73, 17–24. [Google Scholar] [CrossRef]
- Cuenca, E.; Tejedor, A.; Ferrara, L. A methodology to assess crack-sealing effectiveness of crystalline admixtures under repeated cracking-healing cycles. Constr. Build. Mater. 2018, 179, 619–632. [Google Scholar] [CrossRef]
- Coppola, L.; Coffetti, D.; Crotti, E. Innovative carboxylic acid waterproofing admixture for self-sealing watertight concretes. Constr. Build. Mater. 2018, 171, 817–824. [Google Scholar] [CrossRef]
- Zheng, K.; Yang, X.; Chen, R.; Xu, L. Application of a capillary crystalline material to enhance cement grout for sealing tunnel leakage. Constr. Build. Mater. 2019, 214, 497–505. [Google Scholar] [CrossRef]
- Azarsa, P.; Gupta, R.; Biparva, A. Assessment of self-healing and durability parameters of concretes incorporating crystalline admixtures and Portland Limestone Cement. Cem. Concr. Compos. 2019, 99, 17–31. [Google Scholar] [CrossRef]
- Elsalamawy, M.; Mohamed, A.R.; Abosen, A.-L.E. Performance of crystalline forming additive materials in concrete. Constr. Build. Mater. 2020, 230, 117056. [Google Scholar] [CrossRef]
- Wang, L.; Zhang, G.; Wang, P.; Yu, S. Effects of fly ash and crystalline additive on mechanical properties of two-graded roller compacted concrete in a high RCC arch dam. Constr. Build. Mater. 2018, 182, 682–690. [Google Scholar] [CrossRef]
- Nasim, M.; Dewangan, U.; Deo, S.V. Autonomous healing in concrete by crystalline admixture: A review. Mater. Today Proc. 2020, 32, 638–644. [Google Scholar] [CrossRef]
- Ravitheja, A.; Reddy, T.C.S.; Sashidhar, C. Self-Healing Concrete with Crystalline Admixture—A Review. J. Wuhan Univ. Technol. Sci. Ed. 2019, 34, 1143–1154. [Google Scholar] [CrossRef]
- Sisomphon, K.; Copuroglu, O.; Koenders, E. Effect of exposure conditions on self healing behavior of strain hardening cementitious composites incorporating various cementitious materials. Constr. Build. Mater. 2013, 42, 217–224. [Google Scholar] [CrossRef]
- García-Vera, V.E.; Tenza-Abril, A.J.; Saval, J.M.; Lanzón, M. Influence of Crystalline Admixtures on the Short-Term Behaviour of Mortars Exposed to Sulphuric Acid. Materials 2018, 12, 82. [Google Scholar] [CrossRef] [Green Version]
- Park, B.; Choi, Y.C. Self-healing capability of cementitious materials with crystalline admixtures and super absorbent polymers (SAPs). Constr. Build. Mater. 2018, 189, 1054–1066. [Google Scholar] [CrossRef]
- Xue, C.; Li, W.; Luo, Z.; Wang, K.; Castel, A. Effect of chloride ingress on self-healing recovery of smart cementitious composite incorporating crystalline admixture and MgO expansive agent. Cem. Concr. Res. 2021, 139, 106252. [Google Scholar] [CrossRef]
- Guzlena, S.; Sakale, G. Self-healing of glass fibre reinforced concrete (GRC) and polymer glass fibre reinforced concrete (PGRC) using crystalline admixtures. Constr. Build. Mater. 2021, 267, 120963. [Google Scholar] [CrossRef]
- Xue, C.; Li, W.; Qu, F.; Sun, Z.; Shah, S.P. Self-healing efficiency and crack closure of smart cementitious composite with crystalline admixture and structural polyurethane. Constr. Build. Mater. 2020, 260, 119955. [Google Scholar] [CrossRef]
- Ferrara, L.; Krelani, V.; Carsana, M. A “fracture testing” based approach to assess crack healing of concrete with and without crystalline admixtures. Constr. Build. Mater. 2014, 68, 535–551. [Google Scholar] [CrossRef]
- Liu, T.F. Analysis of Performance and Function of Composition of Cementitious Capillary Crystalline Waterproof Materials; Tsinghua University: Beijing, China, 2011. [Google Scholar]
- Ferrara, L.; Krelani, V.; Moretti, F. On the use of crystalline admixtures in cement based construction materials: From porosity reducers to promoters of self healing. Smart Mater. Struct. 2016, 25, 084002. [Google Scholar] [CrossRef]
- Cuenca, E.; Mezzena, A.; Ferrara, L. Synergy between crystalline admixtures and nano-constituents in enhancing autogenous healing capacity of cementitious composites under cracking and healing cycles in aggressive waters. Constr. Build. Mater. 2021, 266, 121447. [Google Scholar] [CrossRef]
- Li, G.; Liu, S.; Niu, M.; Liu, Q.; Yang, X.; Deng, M. Effect of granulated blast furnace slag on the self-healing capability of mortar incorporating crystalline admixture. Constr. Build. Mater. 2020, 239, 117818. [Google Scholar] [CrossRef]
- Monte, F.L.; Ferrara, L. Self-healing characterization of UHPFRCC with crystalline admixture: Experimental assessment via multi-test/multi-parameter approach. Constr. Build. Mater. 2021, 283, 122579. [Google Scholar] [CrossRef]
- Escoffres, P.; Desmettre, C.; Charron, J.-P. Effect of a crystalline admixture on the self-healing capability of high-performance fiber reinforced concretes in service conditions. Constr. Build. Mater. 2018, 173, 763–774. [Google Scholar] [CrossRef]
- Roig-Flores, M.; Moscato, S.; Serna, P.; Ferrara, L. Self-healing capability of concrete with crystalline admixtures in different environments. Constr. Build. Mater. 2015, 86, 1–11. [Google Scholar] [CrossRef]
- Jiang, Z.; Li, W.; Yuan, Z. Influence of mineral additives and environmental conditions on the self-healing capabilities of cementitious materials. Cem. Concr. Compos. 2015, 57, 116–127. [Google Scholar] [CrossRef]
- Roig-Flores, M.; Pirritano, F.; Serna, P.; Ferrara, L. Effect of crystalline admixtures on the self-healing capability of early-age concrete studied by means of permeability and crack closing tests. Constr. Build. Mater. 2016, 114, 447–457. [Google Scholar] [CrossRef]
- Ziegler, F.; Masuero, A.B.; Pagnussat, D.T.; Molin, D.C.C.D. Evaluation of Internal and Superficial Self-Healing of Cracks in Concrete with Crystalline Admixtures. Materials 2020, 13, 4947. [Google Scholar] [CrossRef]
- Cuenca, E.; D’Ambrosio, L.; Lizunov, D.; Tretjakov, A.; Volobujeva, O.; Ferrara, L. Mechanical properties and self-healing capacity of Ultra High Performance Fibre Reinforced Concrete with alumina nano-fibres: Tailoring Ultra High Durability Concrete for aggressive exposure scenarios. Cem. Concr. Compos. 2021, 118, 103956. [Google Scholar] [CrossRef]
- Byoungsun, P.; Young, C.C. Investigating a new method to assess the self-healing performance of hardened cement pastes containing supplementary cementitious materials and crystalline admixtures. J. Mater. Res. Technol. 2019, 8, 6058–6073. [Google Scholar] [CrossRef]
- Wu, X.; Huang, H.; Liu, H.; Hu, J.; Wu, K.; Wei, J.; Yu, Q. A new self-healing agent for accelerating the healing kinetics while simultaneously binding seawater ions in cracked cement paste. Mater. Lett. 2021, 283, 128884. [Google Scholar] [CrossRef]
- Park, B.; Choi, Y.C. Effect of healing products on the self-healing performance of cementitious materials with crystalline admixtures. Constr. Build. Mater. 2021, 270, 121389. [Google Scholar] [CrossRef]
- Wang, X.; Yang, Z.; Fang, C.; Han, N.; Zhu, G.; Tang, J.; Xing, F. Evaluation of the mechanical performance recovery of self-healing cementitious materials—Its methods and future development: A review. Constr. Build. Mater. 2019, 212, 400–421. [Google Scholar] [CrossRef]
- Kuang, Y.C.; Ou, J.P. Experiment and research on permeable crystallization self-repairing performance of concrete. J. Railw. Sci. Eng. 2008, 1, 6–10. [Google Scholar]
- Chen, G.Y. Studies on Cementitious Capillary Crystalline Waterproofing Agent and Its Self-Healing Function for Cracks; South China University of Technology: Guangzhou, China, 2010. [Google Scholar]
- Qian, S.; Zhou, J.; Schlangen, E. Influence of curing condition and precracking time on the self-healing behavior of Engineered Cementitious Composites. Cem. Concr. Compos. 2010, 32, 686–693. [Google Scholar] [CrossRef]
- Reinhardt, H.-W.; Jooss, M. Permeability and self-healing of cracked concrete as a function of temperature and crack width. Cem. Concr. Res. 2003, 33, 981–985. [Google Scholar] [CrossRef]
- Hung, C.-C.; Hung, H.-H. Potential of sodium sulfate solution for promoting the crack-healing performance for strain-hardening cementitious composites. Cem. Concr. Compos. 2020, 106, 103461. [Google Scholar] [CrossRef]
- Hodul, J.; Žižková, N.; Borg, R.P. The Influence of Crystalline Admixtures on the Properties and Microstructure of Mortar-Containing By-Products. Buildings 2020, 10, 146. [Google Scholar] [CrossRef]
- Azarsa, P.; Gupta, R.; Biparva, A. Inventive Microstructural and Durability Investigation of Cementitious Composites Involving Crystalline Waterproofing Admixtures and Portland Limestone Cement. Materials 2020, 13, 1425. [Google Scholar] [CrossRef] [PubMed] [Green Version]
- Qiao, X.; Chen, J. Correlation of propagation rate of corrosive crack in concrete under sulfate attack and growth rate of delayed ettringite. Eng. Fract. Mech. 2019, 209, 333–343. [Google Scholar] [CrossRef]
- He, S.; Cao, Z.; Liu, W.; Shang, F. Experimental study on long-term performance of reinforced concrete beams under a sustained load in a corrosive environment. Constr. Build. Mater. 2020, 234, 117288. [Google Scholar] [CrossRef]
- Zhou, S.; Lv, H.; Wu, Y. Degradation behavior of concrete under corrosive coal mine environment. Int. J. Min. Sci. Technol. 2019, 29, 307–312. [Google Scholar] [CrossRef]
- Tae, S.-H. Corrosion inhibition of steel in concrete with natural inorganic minerals in corrosive environments due to chloride attack. Constr. Build. Mater. 2012, 35, 270–280. [Google Scholar] [CrossRef]
- Sobhani, J.; Ramezanianpour, A.A. Service life of the reinforced concrete bridge deck in corrosive environments: A soft computing system. Appl. Soft Comput. 2011, 11, 3333–3346. [Google Scholar] [CrossRef]
- Liu, H.; Huang, H.; Wu, X.; Peng, H.; Li, Z.; Hu, J.; Yu, Q. Effects of external multi-ions and wet-dry cycles in a marine environment on autogenous self-healing of cracks in cement paste. Cem. Concr. Res. 2019, 120, 198–206. [Google Scholar] [CrossRef]
- Palin, D.; Jonkers, H.; Wiktor, V. Autogenous healing of sea-water exposed mortar: Quantification through a simple and rapid permeability test. Cem. Concr. Res. 2016, 84, 1–7. [Google Scholar] [CrossRef]
- Maes, M.; Snoeck, D.; De Belie, N. Chloride penetration in cracked mortar and the influence of autogenous crack healing. Constr. Build. Mater. 2016, 115, 114–124. [Google Scholar] [CrossRef]
- Liu, H.; Zhang, Q.; Gu, C.; Su, H.; Li, V. Self-healing of microcracks in Engineered Cementitious Composites under sulfate and chloride environment. Constr. Build. Mater. 2017, 153, 948–956. [Google Scholar] [CrossRef]
- Lee, Y.-S.; Ryou, J.-S. Self healing behavior for crack closing of expansive agent via granulation/film coating method. Constr. Build. Mater. 2014, 71, 188–193. [Google Scholar] [CrossRef]
- Muhammad, N.Z.; Shafaghat, A.; Keyvanfar, A.; Majid, M.Z.A.; Ghoshal, S.; Yasouj, S.E.M.; Ganiyu, A.A.; Kouchaksaraei, M.S.; Kamyab, H.; Taheri, M.M.; et al. Tests and methods of evaluating the self-healing efficiency of concrete: A review. Constr. Build. Mater. 2016, 112, 1123–1132. [Google Scholar] [CrossRef]
- Ferrara, L.; Van Mullem, T.; Alonso, M.C.; Antonaci, P.; Borg, R.P.; Cuenca, E.; Jefferson, A.; Ng, P.-L.; Peled, A.; Roig-Flores, M.; et al. Experimental characterization of the self-healing capacity of cement based materials and its effects on the material performance: A state of the art report by COST Action SARCOS WG. Constr. Build. Mater. 2018, 167, 115–142. [Google Scholar] [CrossRef] [Green Version]
- Reddy, T.C.S.; Theja, R. Macro mechanical properties of self healing concrete with crystalline admixture under different environments. Ain Shams Eng. J. 2019, 10, 23–32. [Google Scholar] [CrossRef]
- Yang, Y.; Yang, E.-H.; Li, V. Autogenous healing of engineered cementitious composites at early age. Cem. Concr. Res. 2011, 41, 176–183. [Google Scholar] [CrossRef]
- Kan, L.-L.; Shi, H.-S. Investigation of self-healing behavior of Engineered Cementitious Composites (ECC) materials. Constr. Build. Mater. 2012, 29, 348–356. [Google Scholar] [CrossRef]
- Feng, J.; Su, Y.; Qian, C. Coupled effect of PP fiber, PVA fiber and bacteria on self-healing efficiency of early-age cracks in concrete. Constr. Build. Mater. 2019, 228, 116810. [Google Scholar] [CrossRef]
- Cao, F.; Yan, P. The influence of the hydration procedure of MgO expansive agent on the expansive behavior of shrinkage-compensating mortar. Constr. Build. Mater. 2019, 202, 162–168. [Google Scholar] [CrossRef]
- Mo, L.; Fang, J.; Hou, W.; Ji, X.; Yang, J.; Fan, T.; Wang, H. Synergetic effects of curing temperature and hydration reactivity of MgO expansive agents on their hydration and expansion behaviours in cement pastes. Constr. Build. Mater. 2019, 207, 206–217. [Google Scholar] [CrossRef]
- Cao, F.; Miao, M.; Yan, P. Hydration characteristics and expansive mechanism of MgO expansive agents. Constr. Build. Mater. 2018, 183, 234–242. [Google Scholar] [CrossRef]
- Qureshi, T.; Kanellopoulos, A.; Al-Tabbaa, A. Autogenous self-healing of cement with expansive minerals-I: Impact in early age crack healing. Constr. Build. Mater. 2018, 192, 768–784. [Google Scholar] [CrossRef] [Green Version]
- Qureshi, T.; Kanellopoulos, A.; Al-Tabbaa, A. Autogenous self-healing of cement with expansive minerals-II: Impact of age and the role of optimised expansive minerals in healing performance. Constr. Build. Mater. 2019, 194, 266–275. [Google Scholar] [CrossRef] [Green Version]
- Sherir, M.A.; Hossain, K.M.; Lachemi, M. Self-healing and expansion characteristics of cementitious composites with high volume fly ash and MgO-type expansive agent. Constr. Build. Mater. 2016, 127, 80–92. [Google Scholar] [CrossRef]
- Dung, N.; Unluer, C. Carbonated MgO concrete with improved performance: The influence of temperature and hydration agent on hydration, carbonation and strength gain. Cem. Concr. Compos. 2017, 82, 152–164. [Google Scholar] [CrossRef]
- Dung, N.; Unluer, C. Performance of reactive MgO concrete under increased CO2 dissolution. Cem. Concr. Res. 2019, 118, 92–101. [Google Scholar] [CrossRef]
- Lee, H.; Wong, H.; Buenfeld, N. Self-sealing of cracks in concrete using superabsorbent polymers. Cem. Concr. Res. 2016, 79, 194–208. [Google Scholar] [CrossRef] [Green Version]
- Lee, H.; Wong, H.; Buenfeld, N. Effect of alkalinity and calcium concentration of pore solution on the swelling and ionic exchange of superabsorbent polymers in cement paste. Cem. Concr. Compos. 2018, 88, 150–164. [Google Scholar] [CrossRef]
- Schröfl, C.; Mechtcherine, V.; Gorges, M. Relation between the molecular structure and the efficiency of superabsorbent polymers (SAP) as concrete admixture to mitigate autogenous shrinkage. Cem. Concr. Res. 2012, 42, 865–873. [Google Scholar] [CrossRef]
- Justs, J.; Wyrzykowski, M.; Bajare, D.; Lura, P. Internal curing by superabsorbent polymers in ultra-high performance concrete. Cem. Concr. Res. 2015, 76, 82–90. [Google Scholar] [CrossRef]
- Song, C.; Choi, Y.C.; Choi, S. Effect of internal curing by superabsorbent polymers–Internal relative humidity and autogenous shrinkage of alkali-activated slag mortars. Constr. Build. Mater. 2016, 123, 198–206. [Google Scholar] [CrossRef]
- Hasholt, M.T.; Jensen, O.M.; Kovler, K.; Zhutovsky, S. Can superabsorent polymers mitigate autogenous shrinkage of internally cured concrete without compromising the strength? Constr. Build. Mater. 2012, 31, 226–230. [Google Scholar] [CrossRef]
- Craeye, B.; Geirnaert, M.; De Schutter, G. Super absorbing polymers as an internal curing agent for mitigation of early-age cracking of high-performance concrete bridge decks. Constr. Build. Mater. 2011, 25, 1–13. [Google Scholar] [CrossRef]
- Hong, G.; Choi, S. Rapid self-sealing of cracks in cementitious materials incorporating superabsorbent polymers. Constr. Build. Mater. 2017, 143, 366–375. [Google Scholar] [CrossRef]
- Van Tittelboom, K.; Wang, J.; Araújo, M.; Snoeck, D.; Gruyaert, E.; Debbaut, B.; Derluyn, H.; Cnudde, V.; Tsangouri, E.; Van Hemelrijck, D.; et al. Comparison of different approaches for self-healing concrete in a large-scale lab test. Constr. Build. Mater. 2016, 107, 125–137. [Google Scholar] [CrossRef]
- Hong, G.; Choi, S. Modeling rapid self-sealing of cracks in cementitious materials using superabsorbent polymers. Constr. Build. Mater. 2018, 164, 570–578. [Google Scholar] [CrossRef]
- Jiang, J.; Zheng, X.; Wu, S.; Liu, Z.; Zheng, Q. Nondestructive experimental characterization and numerical simulation on self-healing and chloride ion transport in cracked ultra-high performance concrete. Constr. Build. Mater. 2019, 198, 696–709. [Google Scholar] [CrossRef]
- Xue, C.; Li, W.; Li, J.; Wang, K. Numerical investigation on interface crack initiation and propagation behaviour of self-healing cementitious materials. Cem. Concr. Res. 2019, 122, 1–16. [Google Scholar] [CrossRef]
- Di Luzio, G.; Ferrara, L.; Krelani, V. Numerical modeling of mechanical regain due to self-healing in cement based composites. Cem. Concr. Compos. 2018, 86, 190–205. [Google Scholar] [CrossRef]













| Healing Conditions | References |
|---|---|
| Permeation (water leaking through cracks) | [7,15,31,38,56] |
| Water immersion | [5,6,9,10,28,29,36,40,42,44,46,48,49,50,51,54] |
| Wet–dry cycles | [28,36,39,51,52] |
| Standard curing | [6,44,58] |
| Climate chamber/humidity chamber | [42,45,49] |
| Water contact | [49,56] |
| Air exposure | [28,31,36,42,44,48,49] |
| Steam curing (80 °C) | [41] |
| Water immersion (synthetic sea water) | [4,55] |
| Geothermal water immersion | [45,47] |
| Wet–dry cycles (0.545 mol/L and 2 mol/L chloride solution) | [39] |
| Wet–dry cycles (geothermal water) | [45,47] |
| Self-Made CA | References |
|---|---|
| CaSO4 | [38,54] |
| Na2SO4 | [38,54,56] |
| NaAlO2 | [8,55] |
| Al2(SO4)3 | [56] |
| SiO2 (silica fume), citric acid | [7] |
| Na2O·nSiO2 (sodium silicate) | [7,8] |
| Na2CO3 | [7,8,9,10,54] |
| Maleic anhydride/deionized water/sodium hydroxide solution (concentration of 0.10 mol/L at 90~95 °C)/hydrogen peroxide solution (volume concentration of 30%) = 1:1:1:0.3 | [6] |
| Fumaric acid + Na2CO3 | [29] |
| NaOH | [5] |
| Al2(SO4)3, NaHCO3, Li2CO3 | [54] |
| Na2CO3 + Na2O·nSiO2 (sodium silicate) + NaAlO2 + tetrasodium EDTA + glycine | [8] |
| Mechanical Tests | Durability Tests | Analysis of Healing Products | Others | ||||
|---|---|---|---|---|---|---|---|
| Compressive strength | [6,41,46,58] | Second permeation | [58] | SEM/ESEM | [5,6,7,9,10,28,29,36,38,39,40,41,42,45,46,48,50,54,58] | Crack closure | [4,5,6,7,9,10,15,28,29,31,36,38,39,40,41,45,46,47,49,50,51,52,55] |
| Tensile strength | [58] | Permeation | [7,15,31,38,47,49,50,51,56] | EDS | [5,6,9,28,36,39,41,42,45,46,48,50,54,55,56] | pH test | [15] |
| 3-point bending | [39,41,42,44,48] | Chloride diffusion | [52] | BSE | [41,56] | ICP | [5,15] |
| 4-point bending | [36,44,47] | Water absorption | [5,29,46,50] | XRD | [4,6,9,10,39,46,50,55] | UPV | [42,44] |
| Tensile-permeability test | [48] | Gas permeability | [10] | FTIR | [4,39] | MIP | [45] |
| Conductivity | [5,15] | TGA | [4,39,41,45,56] | CT | [5] | ||
| Test Contents | References |
|---|---|
| Initial crack width, healing ratio | [52] |
| Crack closure rate | [10] |
| Crack closure rate | [45] |
| Crack geometry (average width, maximum width, area, and closure rate of cracks), water seepage | [49,51] |
| Crack width, crack closure rate, stiffness recovery rate | [47] |
| Crack width (average width, maximum width, minimum width), initial water seepage | [56] |
| Crack width, crack closure rate, curing condition, healing period, number of crack-healing cycles | [28] |
| Components | Crack Width | Healing Conditions | Healing Age | Reference |
|---|---|---|---|---|
| 1.5% CA + 10% CSA | 0.3~0.4 mm | Water immersion | 28 days | [15] |
| 1% CA | 0.1 mm | Water immersion | 30 days | [39] |
| 0.5% CA (self-made) | 0.32 mm | Standard curing | 28 days | [6] |
| 2% Na2CO3 + 3% SAP | 0.2 mm | Permeation | 4 days | [7] |
| 5% Na2SO4 | 0.23 mm | Permeation | 4~21 days | [56] |
| 1.5% CA + 10% CSA + 2.5% basic magnesium carbonate | 0.295 mm | Permeation | 3 days | [38] |
| 1% CA + 10% MEA | 0.1 mm | Water immersion (0.545 mol/L Cl− solution) | 40 days | [39] |
| 1% CA | 0.1 mm | Water immersion (2 mol/L Cl− solution) | 30 days | [39] |
| 5% CaO-NaAlO2 | 0.39~0.44 mm | Seawater | 7 days | [55] |
| 0.8% CA + 0.025% cellulose nanocrystals/cellulose nanofibrils | 0.1 mm | Geothermal water | 3~6 months | [45] |
Publisher’s Note: MDPI stays neutral with regard to jurisdictional claims in published maps and institutional affiliations. |
© 2022 by the authors. Licensee MDPI, Basel, Switzerland. This article is an open access article distributed under the terms and conditions of the Creative Commons Attribution (CC BY) license (https://creativecommons.org/licenses/by/4.0/).
Share and Cite
Zhang, Y.; Wang, R.; Ding, Z. Influence of Crystalline Admixtures and Their Synergetic Combinations with Other Constituents on Autonomous Healing in Cracked Concrete—A Review. Materials 2022, 15, 440. https://doi.org/10.3390/ma15020440
Zhang Y, Wang R, Ding Z. Influence of Crystalline Admixtures and Their Synergetic Combinations with Other Constituents on Autonomous Healing in Cracked Concrete—A Review. Materials. 2022; 15(2):440. https://doi.org/10.3390/ma15020440
Chicago/Turabian StyleZhang, Yuanzhu, Runwei Wang, and Zhi Ding. 2022. "Influence of Crystalline Admixtures and Their Synergetic Combinations with Other Constituents on Autonomous Healing in Cracked Concrete—A Review" Materials 15, no. 2: 440. https://doi.org/10.3390/ma15020440
APA StyleZhang, Y., Wang, R., & Ding, Z. (2022). Influence of Crystalline Admixtures and Their Synergetic Combinations with Other Constituents on Autonomous Healing in Cracked Concrete—A Review. Materials, 15(2), 440. https://doi.org/10.3390/ma15020440

