Assessment of Hot Corrosion in Molten Na2SO4 and V2O5 of Inconel 625 Fabricated by Selective Laser Melting versus Conventional Technology
Abstract
:1. Introduction
2. Materials and Methods
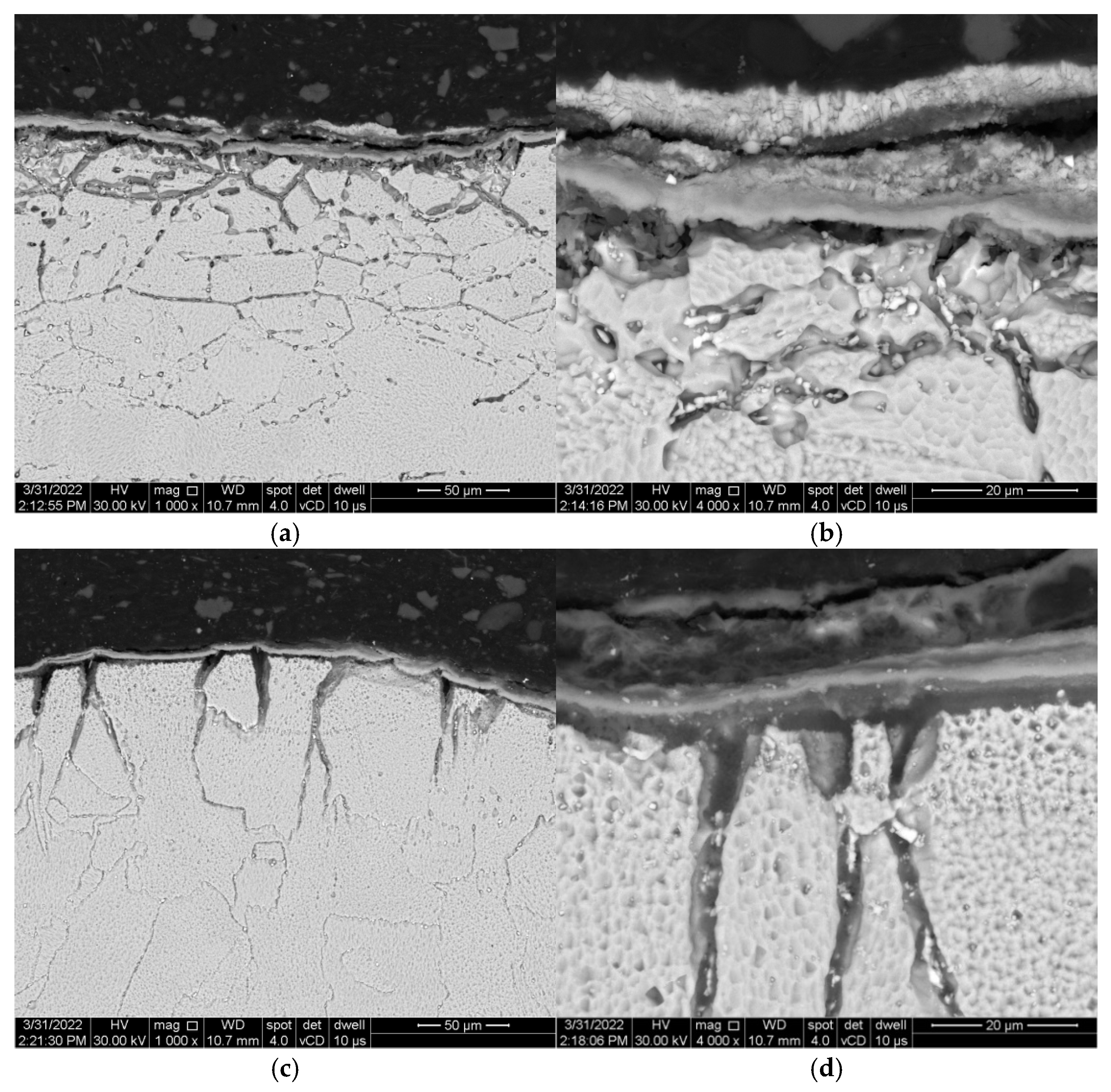
3. Results and Discussion
4. Conclusions
Author Contributions
Funding
Institutional Review Board Statement
Informed Consent Statement
Data Availability Statement
Conflicts of Interest
References
- Smith, G.D.; Tillack, D.J.; Patel, S.J. Alloy 625: Impressive Past/Significant Presence/Awesome Future. In Superalloys 718, 625, 706 and Various Derivatives; The Minerals, Metals & Materials Society: Warrendale, PA, USA, 2001; pp. 35–46. [Google Scholar]
 - Eric, S. SuperAlloys 2012, Proceedings of the 12th International Symposium on Superalloys; John Wiley & Sons: Hoboken, NJ, USA, 2012. [Google Scholar]
 - Roger, C.R. The Superalloys Fundamentals and Application, 1st ed.; Cambridge University Press: Cambridge, UK, 2006. [Google Scholar]
 - Sims, C.H.; Stoloff, N.; Hagel, W. Superalloys II: High Temperature Materials for Aerospace and Industrial Power; A Wiley-Interscience Publication: New York, NY, USA, 1987. [Google Scholar]
 - Mohammadi Zahrani, E.; Alfantazi, A.M. High temperature corrosion and electrochemical behavior of INCONEL 625 weld overlay in PbSO4–Pb3O4–PbCl2–CdO–ZnO molten salt medium. Corros. Sci. 2014, 85, 60–76. [Google Scholar] [CrossRef]
 - Dinda, G.P.; Dasgupta, A.K.; Mazumder, J. Laser aided direct metal deposition of Inconel 625 superalloy: Microstructural evolution and thermal stability. Mater. Sci. Eng. A 2009, 509, 98–104. [Google Scholar] [CrossRef]
 - Longlong, G.; Hualin, Z.; Shaohu, L.; Yueqin, L.; Xiaodong, X.; Chunyu, F. Formation quality optimization and corrosion performance of Inconel 625 weld overlay using hot wire pulsed TIG. Rare Met. Mater. Eng. 2016, 45, 2219–2226. [Google Scholar] [CrossRef] [Green Version]
 - Rapp, R.A.; Zhang, Y.S. Hot corrosion of materials: Fundamental studies. JOM 1994, 46, 47–55. [Google Scholar] [CrossRef]
 - Rapp, R.A. Chemistry and electrochemistry of hot corrosion of metals. Mater. Sci. Eng. 1987, 87, 319–327. [Google Scholar] [CrossRef]
 - Rapp, R.A. Hot corrosion of materials: A fluxing mechanism. Corros. Sci. 2002, 44, 209–221. [Google Scholar] [CrossRef]
 - Bandyopadhyay, S.; Sarin Sundar, J.; Sundararajan, G.; Joshi, S. Geometrical features and metallurgical characteristics of Nd:YAG laser drilled holes in thick IN718 and Ti–6Al–4V sheets. J. Mater. Process. Technol. 2002, 127, 83–95. [Google Scholar] [CrossRef]
 - Sims, C.T.; Norman, S.S.; William, C.H. Superalloys II; Wiley: New York, NY, USA, 1987. [Google Scholar]
 - Manfred, H.; Nikolai, K.; Volker, V.; Stefan, R. Comparative study of mechanical properties using standard and microspecimens of base materials Inconel 625, Inconel 718 and Ti-6Al-4V. J. Mater. Res. Technol. 2013, 2, 43–47. [Google Scholar]
 - Choudhury, I.A.; El-Baradie, M.A. Machinability of Nickel Based Super Alloys: A General Review. J. Mater. Process. Technol. 1998, 77, 278–284. [Google Scholar] [CrossRef]
 - Parida, A.K.; Maity, K. Comparison the machinability of Inconel 718, Inconel 625 and Monel 400 in hot turning operation. Eng. Sci. Technol. Int. J. 2018, 21, 364–370. [Google Scholar] [CrossRef]
 - Lass, E.A.; Stoudt, M.R.; Williams, M.E.; Katz, M.B.; Levine, L.E.; Phan, T.Q.; Gnaeupel-Herold, T.H.; Ng, D.S. Formation of the Ni3Nb δ-phase in stress-relieved Inconel 625 produced via laser powder-bed fusion additive manufacturing. Metall. Mater. Trans. 2017, 48, 5547–5558. [Google Scholar] [CrossRef] [Green Version]
 - Körner, C. Additive manufacturing of metallic components by selective electron beam melting—A review. Int. Mater. Rev. 2016, 61, 361–377. [Google Scholar] [CrossRef] [Green Version]
 - Cardozo, E.P.; Ríos, S.; Ganguly, S.; D’Oliveira, A.S.C.M. Assessment of the effect of different forms of Inconel 625 alloy feedstock in Plasma Transferred Arc (PTA) additive manufacturing. Int. J. Adv. Manuf. Technol. 2018, 98, 1695–1705. [Google Scholar] [CrossRef]
 - ISO/ASTM52910-18; Additive Manufacturing—Design—Requirements, Guidelines and Recommendations. ASTM International: West Conshohocken, PA, USA, 2018.
 - Sandhu, S.S.; Shahi, A.S. Metallurgical, wear and fatigue performance of Inconel 625 weld claddings. J. Mater. Process. Technol. 2016, 233, 1–8. [Google Scholar] [CrossRef]
 - Frazier, W.E. Metal Additive Manufacturing: A Review. J. Mater. Eng. Perform. 2014, 23, 1917–1928. [Google Scholar] [CrossRef]
 - Marchese, G.; Colera, X.G.; Calignano, F.; Lorusso, M.; Biamino, S.; Minetola, P.; Manfredi, D. Characterization and Comparison of Inconel 625 Processed by Selective Laser Melting and Laser Metal Deposition. Adv. Eng. Mater. 2017, 19, 1600635. [Google Scholar] [CrossRef]
 - Li, S.; Wei, Q.; Shi, Y.; Zhu, Z.; Zhang, D. Microstructure Characteristics of Inconel 625 Superalloy Manufactured by Selective Laser Melting. J. Mater. Sci. Technol. 2015, 31, 946–952. [Google Scholar] [CrossRef]
 - Li, C.; White, R.; Fang, X.Y.; Weaver, M.; Guoa, Y.B. Microstructure evolution characteristics of Inconel 625 alloy from selective laser melting to heat treatment. Mater. Sci. Eng. A 2017, 705, 20–31. [Google Scholar] [CrossRef]
 - Rapp, R.A. Chemistry and Electrochemistry of the Hot Corrosion of Metals. Corrosion 1986, 42, 568–577. [Google Scholar] [CrossRef]
 - Eliaz, N.; Shemshand, G.; Latanision, R.M. Hot Corrosion in Gas Turbine Components. Eng. Fail. Anal. 2002, 9, 31–43. [Google Scholar] [CrossRef]
 - Mahobia, G.S.; Paulose, N.; Mannan, S.L.; Sudhakar, R.G.; Chattopadhyay, K.; Srinivas, N.C.S.; Singh, V. Effect of Hot Corrosion on Low Cycle Fatigue Behavior of Superalloy IN718. Int. J. Fatigue 2014, 59, 272–281. [Google Scholar] [CrossRef]
 - Mannava, V.; Rao, A.S.; Paulose, N.; Kamaraj, M.; Kottada, R.S. Hot Corrosion Studies on Ni-Base Superalloy at 650 °C Under Marine-Like Environment Conditions Using Three Salt Mixture (Na2SO4 + NaCl + NaVO3). Corros. Sci. 2016, 105, 109–119. [Google Scholar] [CrossRef]
 - Deb, D.; Ramakrishna, S.I.; Radhakrishnan, V.M. A comparative study of oxidation and hot corrosion of a cast nickel base superalloy in different corrosive environments. Mater. Lett. 1996, 29, 19–23. [Google Scholar] [CrossRef]
 - Rocca, E.; Steinmetz, P.; Moliere, M. Revisiting the Inhibition of Vanadium-Induced Hot Corrosion in Gas Turbines. J. Eng. Gas Turbines Power 2003, 125, 664–669. [Google Scholar] [CrossRef]
 - Stringer, J. Hot corrosion of high temperature alloys. Electrochem. Soc. Meet. 1976, 77, 513–556. [Google Scholar] [CrossRef]
 - Hejwowski, T. Investigations of corrosion resistance of Fe-, Ni- and Co-based hardfacings. Vacuum 2006, 80, 1386–1390. [Google Scholar] [CrossRef]
 - Otero, E.; Pardo, A.; Perez, F.J.; Atlvarez, J.F.; Utrilla, M.V. The effect of different surface treatments on the molten salt hot corrosion of IN-657 superalloy. Surf. Coat. Technol. 1996, 85, 156–162. [Google Scholar] [CrossRef]
 - Stringer, J. High-temperature corrosion of superalloys. Mater. Sci. Technol. 1987, 3, 482–493. [Google Scholar] [CrossRef]
 - Gagliano, M.S.; Horst, H.; Greg, S. Update on the fireside corrosion resistance of proposed advanced ultrasupercritical superheater and reheater materials: Laboratory and field test results. In Proceedings of the Clearwater Coal Conference, 34th International Technical Conference on Coal Utilization and Fuel Systems, Clearwater, FL, USA, 31 May–4 June 2009. [Google Scholar]
 - Goebel, J.; Pettit, F.S.; Goward, G.W. Mechanisms for the hot corrosion of nickel-base alloys. Metall. Trans. 1973, 4, 261–278. [Google Scholar] [CrossRef]
 - Chang, J.X.; Wang, D.; Zhang, G.; Lou, L.H.; Zhang, J. Interaction of Ta and Cr on Type-I hot corrosion resistance of single crystal Ni-base superalloys. Corros. Sci. 2017, 117, 35–42. [Google Scholar] [CrossRef]
 - Shaikh, A.S. Development of γ’Precipitation Hardening Ni-Base Superalloy for Additiv Manufacturing. Master’s Thesis, Chalmers University of Technology, Gothenburg, Sweden, 2018. [Google Scholar]
 - Swaminathan, J.; Raghavan, S. Effect of vanadic corrosion on creep-rupture properties of Superni-600 at 650–750 °C. Mater. High Temp. 1992, 10, 242–250. [Google Scholar] [CrossRef]
 - Peters, K.R.; Whittle, D.P.; Stringer, J. Oxidation and hot corrosion of nickel-based alloys containing molybdenum. Corros. Sci. 1976, 16, 791–796. [Google Scholar] [CrossRef]
 - Pettit, F.S.; Meier, G.H. Superalloys 85; Gell, M., Kartovich, C.S., Bricknel, R.H., Kent, W.B., Radovich, J.F., Eds.; Metallurgical Society of AIME: Warrendale, PA, USA, 1985; p. 651. [Google Scholar]
 - Wang, Q.Y.; Zhang, Y.F.; Bai, S.L.; Liu, Z.D. Microstructures, mechanical properties and corrosion resistance of Hastelloy C22 coating produced by laser cladding. J. Alloys Compd. 2013, 553, 253–258. [Google Scholar] [CrossRef]
 - Dorcheh, A.S.; Durham, R.N.; Galetz, M.C. Corrosion behavior of stainless and low-chromium steels and IN625 in molten nitrate salts at 600 °C. Sol. Energy Mater. Sol. Cells 2016, 144, 109–116. [Google Scholar] [CrossRef]
 - Dorcheh, A.S.; Durham, R.N.; Galetz, M.C. Evaluation of the hot corrosion behavior of Inconel 625 coatings on the Inconel 738 substrate by laser and TIG cladding techniques. Opt. Laser Technol. 2019, 111, 744–753. [Google Scholar]
 - Kolta, G.A.; Hewaidy, L.F.; Felix, N.S. Reactions Between Sodium Sulphate and Vanadium Pentoxide. Thermochim. Acta 1972, 4, 151–164. [Google Scholar] [CrossRef]
 - Pettit, F.S.; Giggins, C.S. Hot Corrosion, Chapter 12, Superalloys II; Sims, C.T., Stollof, N.S., Pub, W.C.H., Eds.; Wiley: New York, NY, USA, 1987. [Google Scholar]
 - Xu, Z.; He, L.; Mu, R.; He, S.; Huang, G.; Cao, X. Hot corrosion behavior of rare earth zirconates and yttria partially stabilized zirconia thermal barrier coatings. Surf. Coat. Technol. 2010, 204, 3652–3661. [Google Scholar] [CrossRef]
 - Kamal, S.; Jayaganthan, R.; Prakash, S.; Kumar, S. Hot corrosion behavior of detonation gun sprayed Cr3C2–NiCr coatings on Ni and Fe-based superalloys in Na2SO4—60% V2O5 environment at 900 °C. J. Alloys Compd. 2008, 463, 358–372. [Google Scholar] [CrossRef]
 - Grunling, H.W.; Bauer, R. The role of silicon in corrosion resistant high temperature coatings. Thin Solids Film. 1982, 95, 3–20. [Google Scholar] [CrossRef]
 - Sotelo-Mazón, O.; Porcayo-Calderon, J.; Cuevas-Arteaga, C.; Ramos-Hernandez, J.J.; Ascencio-Gutierrez, J.A.; Martinez-Gomez, L. EIS evaluation of Fe, Cr, and Ni in NaVO3 at 700 °C. J. Spectrosc. 2014, 2014, 949168. [Google Scholar]
 - Huang, Y. Characterization of dilution action in laser-induction hybrid cladding. Opt. Laser Technol. 2011, 43, 965–973. [Google Scholar] [CrossRef]
 - Daroonparvar, M.; Azizi Mat Yajid, M.; Yusof, N.M.; Bakhsheshi-Rad, H.R.; Sakhawat Hussain, M.; Hamzah, E. Evaluation of normal and nanolayer composite thermal barrier coatings in fused vanadate-sulfate salts at 1000 °C. Adv. Mater. Sci. Eng. 2013, 2013, 790318. [Google Scholar] [CrossRef] [Green Version]
 - Hajizadeh-Oghaz, M.; Razavi, R.S.; Ghasemi, A.; Valefi, Z. Na2SO4 and V2O5 molten salts corrosion resistance of plasma-sprayed nanostructured ceria and yttria costabilized zirconia thermal barrier coatings. Ceram. Int. 2016, 42, 5433–5446. [Google Scholar] [CrossRef]
 - Ralston, K.D.; Birbilis, N.; Davies, C.H.J. Revealing the relationship between grain size and corrosion rate of metals. Scr. Mater. 2010, 63, 1201–1204. [Google Scholar] [CrossRef]
 








| Elements | Ni | Cr | Mo | Fe | Nb | Co | Mn | Al | Ti | Si | C | 
|---|---|---|---|---|---|---|---|---|---|---|---|
| AP | 61.40 | 21.40 | 8.19 | 4.45 | 3.40 | 0.11 | 0.36 | 0.11 | 0.22 | 0.28 | 0.06 | 
| AM powder | 62.26 | 20.70 | 8.90 | 4.10 | 3.77 | 0.10 | 0.01 | 0.06 | 0.07 | 0.01 | 0.02 | 
| Sample | Weight Gain, [mg/cm2] | ||||
|---|---|---|---|---|---|
| 900 °C/8 h | 900 °C/24 h | 900 °C/48 h | 900 °C/96 h | 1000 °C/8 h | |
| AP | 27.8 ± 0.2 | 81.83 ± 0.01 | 107.68 ± 0.12 | 228.9 ± 0.02 | 163.2 ± 0.14 | 
| 3DPP | 38.2 ± 0.12 | 85.09 ± 0.12 | 112.49 ± 0.04 | 242.2 ± 0.12 | 200.1 ± 0.02 | 
| Samples’ Surface Oxides | NiO | Cr2NiO4 | NiMoO4 | FeNbO4 | 
|---|---|---|---|---|
| AP (900 °C/96 h) | 44.2 | 20.3 | 33.8 | 1.7 | 
| AP (1000 °C/8 h) | 29.3 | 35.5 | 32.4 | 2.8 | 
| 3DPP (900 °C/96 h) | 53.6 | 16.3 | 28.6 | 1.5 | 
| 3DPP (1000 °C/8 h) | 38.7 | 24.5 | 34.2 | 2.6 | 
| Sample-Area | Chemical Composition (wt.%) | ||||||||
|---|---|---|---|---|---|---|---|---|---|
| O | Ni | Cr | Mo | Fe | Nb | S | Na | V | |
| AP-1 (900 °C/96 h) | 18.31 | 23.54 | 10.90 | 26.11 | 2.68 | 4.52 | 11.86 | 1.16 | 0.93 | 
| AP-2 (900 °C/96 h) | 24.74 | 22.07 | 20.47 | 15.20 | 4.13 | 4.45 | 6.82 | 1.30 | 0.81 | 
| 3DPP-1 (900 °C/96 h) | 18.92 | 25.11 | 13.80 | 22.75 | 2.83 | 3.88 | 10.42 | 1.21 | 1.08 | 
| 3DPP-2 (900 °C/96 h) | 13.26 | 26.87 | 27.72 | 12.19 | 3.28 | 9.32 | 5.15 | 0.93 | 1.28 | 
| AP-1 (1000 °C/8 h) | 23.69 | 18.29 | 7.03 | 28.98 | 1.62 | 4.47 | 13.36 | 1.69 | 0.86 | 
| AP-2 (1000 °C/8 h) | 15.27 | 39.01 | 10.58 | 18.81 | 2.39 | 2.99 | 8.54 | 1.23 | 1.16 | 
| 3DPP-1 (1000 °C/8 h) | 18.70 | 23.20 | 14.52 | 22.19 | 2.53 | 6.97 | 9.81 | 1.14 | 0.94 | 
| 3DPP-2 (1000 °C/8 h) | 26.75 | 12.11 | 46.01 | 3.95 | 2.49 | 4.99 | 1.61 | 1.08 | 1.02 | 
Publisher’s Note: MDPI stays neutral with regard to jurisdictional claims in published maps and institutional affiliations.  | 
© 2022 by the authors. Licensee MDPI, Basel, Switzerland. This article is an open access article distributed under the terms and conditions of the Creative Commons Attribution (CC BY) license (https://creativecommons.org/licenses/by/4.0/).
Share and Cite
Badea, T.A.; Batalu, D.; Constantin, N.; Paraschiv, A.; Pătroi, D.; Ceatra, L.C. Assessment of Hot Corrosion in Molten Na2SO4 and V2O5 of Inconel 625 Fabricated by Selective Laser Melting versus Conventional Technology. Materials 2022, 15, 4082. https://doi.org/10.3390/ma15124082
Badea TA, Batalu D, Constantin N, Paraschiv A, Pătroi D, Ceatra LC. Assessment of Hot Corrosion in Molten Na2SO4 and V2O5 of Inconel 625 Fabricated by Selective Laser Melting versus Conventional Technology. Materials. 2022; 15(12):4082. https://doi.org/10.3390/ma15124082
Chicago/Turabian StyleBadea, Teodor Adrian, Dan Batalu, Nicolae Constantin, Alexandru Paraschiv, Delia Pătroi, and Laurentiu Constantin Ceatra. 2022. "Assessment of Hot Corrosion in Molten Na2SO4 and V2O5 of Inconel 625 Fabricated by Selective Laser Melting versus Conventional Technology" Materials 15, no. 12: 4082. https://doi.org/10.3390/ma15124082
APA StyleBadea, T. A., Batalu, D., Constantin, N., Paraschiv, A., Pătroi, D., & Ceatra, L. C. (2022). Assessment of Hot Corrosion in Molten Na2SO4 and V2O5 of Inconel 625 Fabricated by Selective Laser Melting versus Conventional Technology. Materials, 15(12), 4082. https://doi.org/10.3390/ma15124082
        
                                                
