Highly Hydrophobic Organosilane-Functionalized Cellulose: A Promising Filler for Thermoplastic Composites
Abstract
1. Introduction
2. Materials and Methods
2.1. Materials
- Cellulose fibers with a brand name of GW400 F (maximum humidity of 7%, minimum purity of 99.5%, fiber length 32–100 microns, fiber width 20–45 microns) were supplied by GreenCel Ltd. (Hencovce, Slovakia);
- HMDSO monomer (concentration 98–99%, molar mass 162.38 g∙mol−1) was purchased from Mach Chemikalie Ltd. (Ostrava, Czech Republic);
- UV and heat stabilized polypropylene powder with a brand name of Resinex RX 725 Natural (density 900 kg∙m−3, melt flow index at 230 °C 14 g/10 min, Vicat softening temperature 122 °C, Izod impact strength at 23 °C 21 kJ∙m−2, flexural modulus 1010 MPa) was purchased from Ravago Chemicals CZ Ltd. (Praha, Czech Republic).
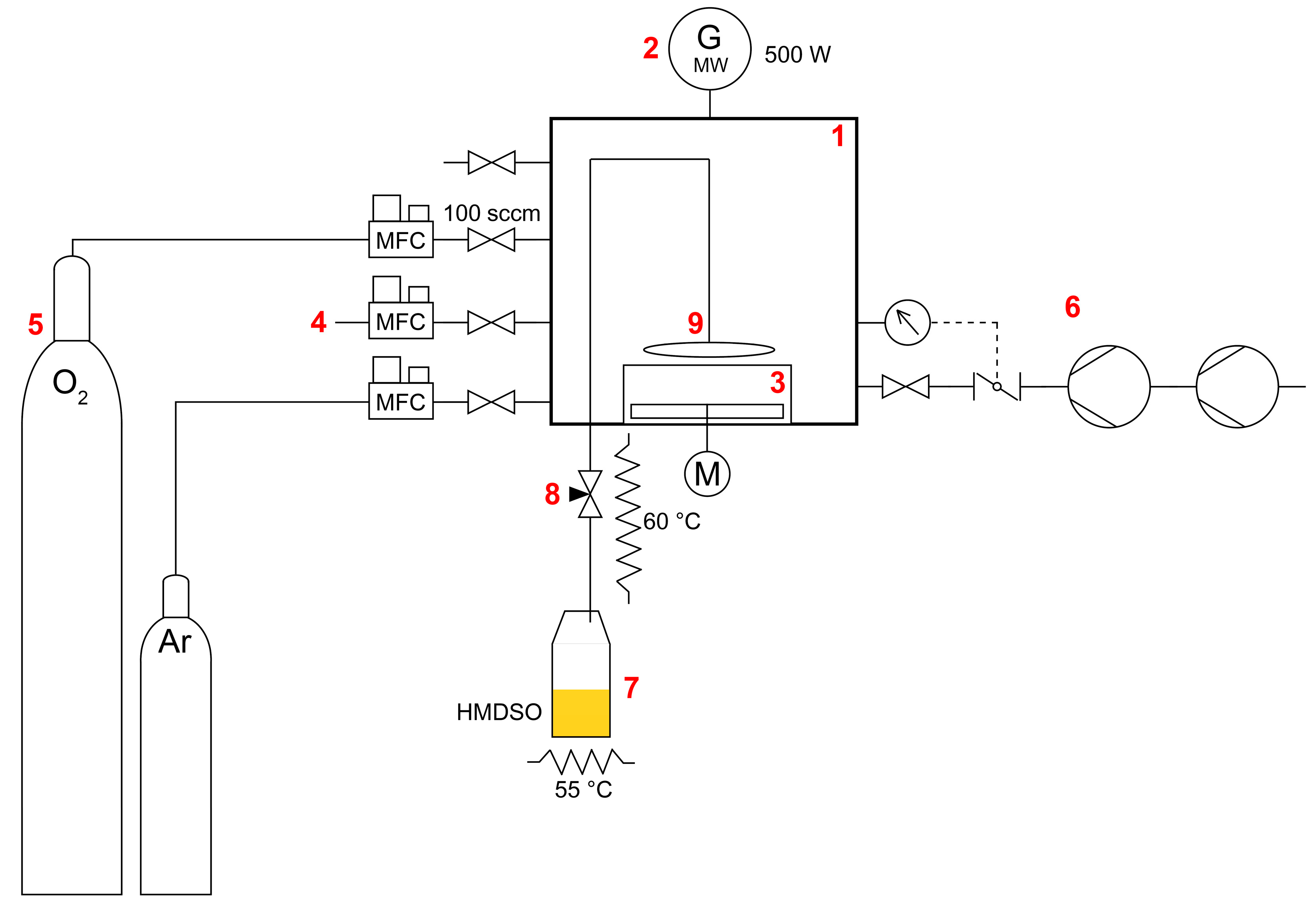
2.2. Experimental Setup
2.3. Characterization of Cellulose Fibers
2.4. Processing of PP/Cellulose Mixtures
3. Results and Discussion
3.1. Optimization of Organosilane Functionalization Process
3.2. XPS Analysis
3.3. SEM Analysis
3.4. Proposed Mechanism of Cellulose Functionalization by Organosilane Groups
3.5. Agglomeration of Cellulose in the Mixture with Polypropylene Powder
4. Conclusions
- The functionalization process of cellulose fibers by hydrophobic organosilane functional groups in a low-pressure microwave plasma discharge using HMDSO precursor was designed and optimized.
- The degree of the obtained hydrophobicity strongly depends on both tested process conditions (used process gas and treatment time). With an increase of the treatment time, the density and uniformity of the organosilane functionalization is likely to increase and the treated cellulose fibers become less hydrophilic. Considering that treatment in argon causes only a slight change in wettability, while the treatment in air and oxygen leads to high hydrophobicity of the cellulosic fibers, oxygen appears to be responsible for hydrophobizing the cellulose fiber surface through the incorporation of organosilane functional groups.
- The application of oxygen/HMDSO microwave low-pressure plasma discharge enabled the creation of highly hydrophobic cellulose fibers with initial WCA up to 143° and the duration of droplet absorption up to 229 s.
- The functionalized hydrophobic cellulose was subjected to analyses of chemical composition and surface morphology.
- XPS analysis confirmed the presence of silicon in Si–C, SiO2, SiO2C2, and SiO3C bonds on the surface of the functionalized cellulose.
- Based on the SEM analysis, the treated cellulose fibers do not exhibit degradation or any differences in surface morphology compared to the untreated cellulose fibers. The absence of a visible deposited film or other deposited structures on the surface indicates that the treated cellulose fibers have been functionalized with organosilane functional groups.
- The hydrophobic organosilane functionalized cellulose exhibited visibly lower tendency to agglomerate in the significantly more homogeneous mixture with non-polar powdered polypropylene matrix.
- With respect to the following perspectives, we conclude that cellulose treated with the presented plasma functionalization process represents a promising filler for NFPCs.
- The lower agglomeration of treated cellulose fibers during the mixing process can contribute to a more even dispersion of the fibers in the non-polar polypropylene matrix potentially leading to better mechanical properties of prepared composites.
- The hydrophobicity of the treated cellulose fibers can significantly reduce the moisture absorption avoiding the fiber swelling and the reduction of their mechanical properties.
- Due to its similarity to conventional organosilane coupling agents, the organosilane functionalized surface of treated cellulose fibers may be chemically compatible with the non-polar polypropylene matrix to form covalent bonds with a significant increase of interfacial adhesion.
Author Contributions
Funding
Institutional Review Board Statement
Informed Consent Statement
Data Availability Statement
Conflicts of Interest
References
- Bhattacharjee, S.; Bajwa, D.S. Degradation in the mechanical and thermo-mechanical properties of natural fiber filled polymer composites due to recycling. Constr. Build. Mater. 2018, 172, 1–9. [Google Scholar] [CrossRef]
- Sanjay, M.R.; Madhu, P.; Jawaid, M.; Senthamaraikannan, P.; Senthil, S.; Pradeep, S. Characterization and properties of natural fiber polymer composites: A comprehensive review. J. Clean. Prod. 2018, 172, 566–581. [Google Scholar] [CrossRef]
- Bajaji, A.N.; Nagarajan, K.J. Characterization of alkali treated and untreated new cellulosic fiber from Saharan aloe vera cactus leaves. Carbohydr. Polym. 2017, 174, 200–208. [Google Scholar]
- Iyer, K.A.; Torkelson, J.M. Sustainable Green Hybrids of Polyolefins and Lignin Yield Major Improvements in Mechanical Properties When Prepared via Solid-State Shear Pulverization. ACS Sustain. Chem. Eng. 2015, 3, 959–968. [Google Scholar] [CrossRef]
- Singh, T.; Gangil, B.; Patnaik, A.; Biswas, D.; Fekete, G. Agriculture waste reinforced corn starch-based biocomposites: Effect of rice husk/walnut shell on physicomechanical, biodegradable and thermal properties. Mater. Res. Express 2019, 6, 045702. [Google Scholar] [CrossRef]
- Dubrovski, P.D. Woven Fabric Engineering, 1st ed.; Sciyo: Rijeka, Croatia, 2010. [Google Scholar]
- Kozlowski, R. Handbook of Natural Fibres: Volume 1: Types, Properties and Factors Affecting Breeding and Cultivation, 1st ed.; Woodhead Pub.: Philadelphia, PA, USA, 2012. [Google Scholar]
- Joseph, B.; Sagarika, V.K.; Sabu, C.; Kalarikkal, N.; Thomas, S. Cellulose nanocomposites: Fabrication and biomedical applications. J. Bioresour. Bioprod. 2020, 5, 223–237. [Google Scholar] [CrossRef]
- Luo, H.; Xiong, G.; Ma, C.; Chang, P.; Yao, F.; Zhu, Y.; Zhang, C.; Wan, Y. Mechanical and thermo-mechanical behaviors of sizing-treated corn fiber/polylactide composites. Polym. Test. 2014, 39, 45–52. [Google Scholar] [CrossRef]
- Deng, Y.; Paraskevas, D.; Tian, Y.; Van Acker, K.; Dewulf, W.; Duflou, J.R. Life cycle assessment of flax-fibre reinforced epoxidized linseed oil composite with a flame retardant for electronic applications. J. Clean. Prod. 2016, 133, 427–438. [Google Scholar] [CrossRef]
- Xie, Y.; Hill, C.A.S.; Xiao, Z.; Militz, H.; Mai, C. Silane coupling agents used for natural fiber/polymer composites: A review. Compos. Part. A 2010, 41, 806–819. [Google Scholar] [CrossRef]
- Lu, J.Z.; Wu, Q.; McNabb, H.S. Chemical coupling in wood fiber and polymer composites: A review of coupling agents and treatments. Wood Fiber Sci. 2000, 32, 88–104. [Google Scholar]
- Bledzki, A.K.; Gassan, J. Composites reinforced with cellulose based fibres. Prog. Polym. Sci. 1999, 24, 221–274. [Google Scholar] [CrossRef]
- Zadorecki, P.; Michell, A.J. Future prospects for wood cellulose as reinforcement in organic polymer composites. Polym. Compos. 1989, 10, 69–77. [Google Scholar] [CrossRef]
- Callum, A.S.H.; Abdul Khalil, H.P.S. Effect of fiber treatments on mechanical properties of coir or oil palm fiber reinforced polyester composites. J. Appl. Polym. Sci. 2000, 78, 1685–1697. [Google Scholar]
- Jiang, H.; Kamdem, D.P. Development of poly(vinyl chloride)/wood composites. A literature review. J. Vinyl Addit. Technol. 2004, 10, 59–69. [Google Scholar] [CrossRef]
- George, J.; Sreekala, M.S.; Thomas, S. A review on interface modification and characterization of natural fiber reinforced plastic composites. Polym. Eng. Sci. 2001, 41, 1471–1485. [Google Scholar] [CrossRef]
- Narkis, M.; Chen, E.J.H.; Pipes, R.B. Review of methods for characterization of interfacial fiber-matrix interactions. Polym. Compos. 1988, 9, 245–251. [Google Scholar] [CrossRef]
- Ishida, H. A review of recent progress in the studies of molecular and microstructure of coupling agents and their functions in composites, coatings and adhesive joints. Polym. Compos. 1984, 5, 101–123. [Google Scholar] [CrossRef]
- Shubhra, Q.T.H.; Alam, A.K.M.M.; Quaiyyum, M.A. Mechanical properties of polypropylene composites. J. Thermoplast. Compos. 2011, 26, 362–391. [Google Scholar] [CrossRef]
- Shinoj, S.; Visvanathan, R.; Panigrahi, S.; Kochubabu, M. Oil palm fiber (OPF) and its composites: A review. Ind. Crops Prod. 2011, 33, 7–22. [Google Scholar] [CrossRef]
- Al-Oqla, F.M.; Sapuan, S.M. Natural fiber reinforced polymer composites in industrial applications: Feasibility of date palm fibers for sustainable automotive industry. J. Clean. Prod. 2014, 66, 347–354. [Google Scholar] [CrossRef]
- Barari, B.; Ellingham, T.K.; Qamhia, I.; Pillai, K.M.; El-Hajjar, R.; Turng, L.-S.; Sabo, R. Mechanical characterization of scalable cellulose nano-fiber based composites made using liquid composite molding process. Compos. B Eng. 2016, 84, 277–284. [Google Scholar] [CrossRef]
- Azmin, S.N.H.M.; Hayat, N.A.; Hayat, N.A.B.M.; Nor, M.S.M. Development and characterization of food packaging bioplastic film from cocoa pod husk cellulose incorporated with sugarcane bagasse fibre. J. Bioresour. Bioprod. 2020, 5, 248–255. [Google Scholar] [CrossRef]
- Singh, T.; Tejyan, S.; Patnaik, A.; Singh, V.; Zsoldos, I.; Fekete, G. Fabrication of waste bagasse fiber-reinforced epoxy composites: Study of physical, mechanical, and erosion properties. Polym. Compos. 2019, 40, 3777–3786. [Google Scholar] [CrossRef]
- Thyavihalli Girijappa, Y.G.; Mavinkere Rangappa, S.; Parameswaranpillai, J.; Siengchin, S. Natural Fibers as Sustainable and Renewable Resource for Development of Eco-Friendly Composites: A Comprehensive Review. Front. Mater. 2019, 6, 226. [Google Scholar] [CrossRef]
- Barari, B.; Omrani, E.; Dorri Moghadam, A.; Menezes, P.L.; Pillai, K.M.; Rohatgi, P.K. Mechanical, physical and tribological characterization of nano-cellulose fibers reinforced bio-epoxy composites: An attempt to fabricate and scale the ‘Green’ composite. Carbohydr. Polym. 2016, 147, 282–293. [Google Scholar] [CrossRef] [PubMed]
- Sarikanat, M.; Seki, Y.; Sever, K.; Durmuşkahya, C. Determination of properties of Althaea officinalis L. (Marshmallow) fibres as a potential plant fibre in polymeric composite materials. Compos. B Eng. 2014, 57, 180–186. [Google Scholar] [CrossRef]
- Shanmugasundaram, N.; Rajendran, I.; Ramkumar, T. Characterization of untreated and alkali treated new cellulosic fiber from an Areca palm leaf stalk as potential reinforcement in polymer composites. Carbohydr. Polym. 2018, 195, 566–575. [Google Scholar]
- Moridi Mahdieh, Z.; Shekarriz, S.; Afshar Taromi, F.; Montazer, M. Obtention of 74: 26 polyester/cellulose fabric blend with super-hydrophobic and super-hydrophilic properties by air corona discharge treatment and their characterization. Carbohydr. Polym. 2018, 198, 17–25. [Google Scholar] [CrossRef]
- Belouadah, Z.; Ati, A.; Rokbi, M. Characterization of new natural cellulosic fiber from Lygeum spartum L. Carbohydr. Polym. 2015, 134, 429–437. [Google Scholar] [CrossRef]
- Msahli, S.; Jaouadi, M.; Sakli, F.; Drean, J.-Y. Study of the Mechanical Properties of Fibers Extracted from Tunisian Agave americana L. J. Nat. Fibers 2015, 12, 552–560. [Google Scholar] [CrossRef]
- Miao, C.; Hamad, W.Y. Cellulose reinforced polymer composites and nanocomposites: A critical review. Cellulose 2013, 20, 2221–2262. [Google Scholar] [CrossRef]
- Xiao, Z.; Zhao, L.; Xie, Y.; Wang, Q. Review for Development of Wood Plastic Composites. J. Northeast For. Univ. 2003, 31, 39–41. [Google Scholar]
- Li, Y.; Mai, Y.W.; Ye, L. Sisal fibre and its composites: A review of recent developments. Compos. Sci. Technol. 2000, 60, 2037–2055. [Google Scholar] [CrossRef]
- Agrawal, A.; Kaur, R.; Walia, R.S. PU foam derived from renewable sources: Perspective on properties enhancement. Eur. Polym. J. 2017, 95, 255–274. [Google Scholar] [CrossRef]
- Li, S.; Xiao, M.; Zheng, A.; Xiao, H. Cellulose Microfibrils Grafted with PBA via Surface-Initiated Atom Transfer Radical Polymerization for Biocomposite Reinforcement. Biomacromolecules 2011, 12, 3305–3312. [Google Scholar] [CrossRef] [PubMed]
- Properties and Performance of Natural-Fibre Composites; Woodhead Publishing in materials; Woodhead Pub.: Cambridge, UK, 2008; ISBN 978-1-84569-267-4.
- Pickering, K.L.; Efendy, M.G.A.; Le, T.M. A review of recent developments in natural fibre composites and their mechanical performance. Compos. Part. A Appl. Sci. Manuf. 2016, 83, 98–112. [Google Scholar] [CrossRef]
- Wallenberger, F.T.; Weston, N.E. Natural Fibers, Polymers and Composites, 1st ed.; Kluwer Academic Publishers: Boston, MA, USA, 2004. [Google Scholar]
- Kaynak, B.; Spoerk, M.; Shirole, A.; Ziegler, W.; Sapkota, J. Polypropylene/Cellulose Composites for Material Extrusion Additive Manufacturing. Macromol. Mater. Eng. 2018, 303, 1800037. [Google Scholar] [CrossRef]
- Zhou, Y.; Fan, M.; Chen, L. Interface and bonding mechanisms of plant fibre composites: An overview. Compos. B Eng. 2016, 101, 31–45. [Google Scholar] [CrossRef]
- Wan, Y.Z.; Luo, H.; He, F.; Liang, H.; Huang, Y.; Li, X.L. Mechanical, moisture absorption, and biodegradation behaviours of bacterial cellulose fibre-reinforced starch biocomposites. Compos. Sci. Technol. 2009, 69, 1212–1217. [Google Scholar] [CrossRef]
- Alhuthali, A.; Low, I.M.; Dong, C. Characterisation of the water absorption, mechanical and thermal properties of recycled cellulose fibre reinforced vinyl-ester eco-nanocomposites. Compos. B Eng. 2012, 43, 2772–2781. [Google Scholar] [CrossRef]
- Célino, A.; Fréour, S.; Jacquemin, F.; Casari, P. The hygroscopic behavior of plant fibers: A review. Front. Chem. 2014, 1, 43. [Google Scholar] [CrossRef] [PubMed]
- Kazayawoko, M.; Balatinecz, J.J.; Matuana, L.M. Surface modification and adhesion mechanisms in woodfiber–polypropylene composites. J. Mater. Sci. 1999, 34, 6189–6199. [Google Scholar] [CrossRef]
- Li, J.; Song, Z.; Li, D.; Shang, S.; Guo, Y. Cotton cellulose nanofiber-reinforced high density polyethylene composites prepared with two different pretreatment methods. Ind. Crop. Prod. 2014, 59, 318–328. [Google Scholar] [CrossRef]
- Izzati Zulkifli, N.; Samat, N.; Anuar, H.; Zainuddin, N. Mechanical properties and failure modes of recycled polypropylene/microcrystalline cellulose composites. Mater. Design 2015, 69, 114–123. [Google Scholar] [CrossRef]
- Cruz, J.; Fangueiro, R. Surface Modification of Natural Fibers: A Review. Procedia Eng. 2016, 155, 285–288. [Google Scholar] [CrossRef]
- Kumar, S.; Patel, V.K.; Mer, K.K.S.; Fekete, G.; Gangil, B.; Singh, T. Influence of woven bast-leaf hybrid fiber on the physico-mechanical and sliding wear performance of epoxy based polymer composites. Mater. Res. Express 2018, 5, 105705. [Google Scholar] [CrossRef]
- Obi Reddy, K.; Shukla, M.; Uma Maheswari, C.; Varada Rajulu, A. Mechanical and physical characterization of sodium hydroxide treated Borassus fruit fibers. J. For. Res. 2012, 23, 667–674. [Google Scholar] [CrossRef]
- Surya Rajan, B.; Balaji, M.A.S.; Saravanakumar, S.S. Effect of chemical treatment and fiber loading on physico-mechanical properties of Prosopis juliflora fiber reinforced hybrid friction composite. Mater. Res. Express 2019, 6, 035302. [Google Scholar] [CrossRef]
- Wei, D.W.; Wei, H.; Gauthier, A.C.; Song, J.; Jin, Y.; Xiao, H. Superhydrophobic modification of cellulose and cotton textiles: Methodologies and applications. J. Bioresour. Bioprod. 2020, 5, 1–15. [Google Scholar] [CrossRef]
- Ramamoorthy, S.K.; Skrifvars, M.; Rissanen, M. Effect of alkali and silane surface treatments on regenerated cellulose fibre type (Lyocell) intended for composites. Cellulose 2015, 22, 637–654. [Google Scholar] [CrossRef]
- Goriparthi, B.K.; Suman, K.N.S.; Mohan Rao, N. Effect of fiber surface treatments on mechanical and abrasive wear performance of polylactide/jute composites. Compos. Part. A Appl. Sci. Manuf. 2012, 43, 1800–1808. [Google Scholar] [CrossRef]
- Plueddemann, E.P. Silane Coupling Agents, 2nd ed.; Plenum: New York, NY, USA, 1991. [Google Scholar]
- Melo, P.M.A.; Macêdo, O.B.; Barbosa, G.P.; Ueki, M.M.; Silva, L.B. High-density polyethylene/mollusk shell-waste composites: Effects of particle size and coupling agent on morphology, mechanical and thermal properties. J. Mater. Res. Technol. 2019, 8, 1915–1925. [Google Scholar] [CrossRef]
- Moreno, D.D.P.; Saron, C. Low-density polyethylene waste/recycled wood composites. Compos. Struct. 2017, 176, 1152–1157. [Google Scholar] [CrossRef]
- Liu, Y.; Guo, L.; Wang, W.; Sun, Y.; Wang, H. Modifying wood veneer with silane coupling agent for decorating wood fiber/high-density polyethylene composite. Constr. Build. Mater. 2019, 224, 691–699. [Google Scholar] [CrossRef]
- Government, R.M.; Onukwuli, O.D.; Azeez, T.O. Optimization and characterization of the properties of treated avocado wood flour-linear low density polyethylene composites. Alex. Eng. J. 2019, 58, 891–899. [Google Scholar] [CrossRef]
- Sood, M.; Deepak, D.; Gupta, V.K. Tensile properties of sisal fiber/recycled polyethylene (high density) composite: Effect of fiber chemical treatment. Mater. Today Proc. 2018, 5, 5673–5678. [Google Scholar] [CrossRef]
- Bengtsson, M.; Oksman, K. Silane crosslinked wood plastic composites: Processing and properties. Compos. Sci. Technol. 2006, 66, 2177–2186. [Google Scholar] [CrossRef]
- Nachtigall, S.M.B.; Cerveira, G.S.; Rosa, S.M.L. New polymeric-coupling agent for polypropylene/wood-flour composites. Polym. Test. 2007, 26, 619–628. [Google Scholar] [CrossRef]
- Bulla, D.A.P.; Morimoto, N.I. Deposition of thick TEOS PECVD silicon oxide layers for integrated optical waveguide applications. Thin Solid Films 1998, 334, 60–64. [Google Scholar] [CrossRef]
- Chen, W.; Zhou, X.; Zhang, X.; Feizbakhshan, M.; Cao, Y.; Shi, S.; Nguyen, T.; Chen, M. Fast formation of hydrophobic coating on wood surface via an energy-saving dielectric barrier discharges plasma. Prog. Org. Coat. 2018, 125, 128–136. [Google Scholar] [CrossRef]
- Cerny, P.; Bartos, P.; Olsan, P.; Spatenka, P. Hydrophobization of cotton fabric by Gliding Arc plasma discharge. Curr. Appl. Phys. 2019, 19, 128–136. [Google Scholar] [CrossRef]
- Chen, W.; Zhou, X.; Zhang, X.; Bian, J.; Shi, S.; Nguyen, T.; Chen, M.; Wan, J. Fast enhancement on hydrophobicity of poplar wood surface using low-pressure dielectric barrier discharges (DBD) plasma. Appl. Surf. Sci. 2017, 407, 412–417. [Google Scholar] [CrossRef]
- Ji, Y.Y.; Hong, Y.C.; Lee, S.H.; Kim, S.D.; Kim, S.S. Formation of super-hydrophobic and water-repellency surface with hexamethyldisiloxane (HMDSO) coating on polyethyleneteraphtalate fiber by atmospheric pressure plasma polymerization. Surf. Coat. Technol. 2008, 202, 5663–5667. [Google Scholar] [CrossRef]
- Bastos, D.C.; Santos, A.E.F.; da Fonseca, M.D.; Simão, R.A. Inducing surface hydrophobization on cornstarch film by SF6 and HMDSO plasma treatment. Carbohydr. Polym. 2013, 91, 675–681. [Google Scholar] [CrossRef] [PubMed]
- Ziari, Z.; Nouicer, I.; Sahli, S.; Rebiai, S.; Bellel, A.; Segui, Y.; Raynaud, P. Chemical and electrical properties of HMDSO plasma coated polyimide. Vacuum 2013, 93, 31–36. [Google Scholar] [CrossRef]
- Antonini, C.; Amirfazli, A.; Marengo, M. Drop impact and wettability: From hydrophilic to superhydrophobic surfaces. Phys. Fluids 2012, 24, 102–104. [Google Scholar] [CrossRef]
- Tissera, N.D.; Wijesena, R.N.; Perera, J.R.; de Silva, K.M.N.; Amaratunge, G.A.J. Hydrophobic cotton textile surfaces using an amphiphilic graphene oxide (GO) coating. Appl. Surf. Sci. 2015, 324, 455–463. [Google Scholar] [CrossRef]
- Wu, Y.; Qi, H.; Li, B.; Zhanhua, H.; Li, W.; Liu, S. Novel hydrophobic cotton fibers adsorbent for the removal of nitrobenzene in aqueous solution. Carbohydr. Polym. 2017, 155, 294–302. [Google Scholar] [CrossRef] [PubMed]
- Przybylak, M.; Maciejewski, H.; Dutkiewicz, A. Preparation of highly hydrophobic cotton fabrics by modification with bifunctional silsesquioxanes in the sol-gel process. Appl. Surf. Sci. 2016, 387, 163–174. [Google Scholar] [CrossRef]
- Finot, E.; Roualdes, S.; Kirchner, M.; Rouessac, V.; Berjoan, R.; Durand, J.; Goudonnet, J.P.; Cot, L. Surface investigation of plasma HMDSO membranes post-treated by CF4/Ar plasma. Appl. Surf. Sci. 2002, 187, 326–338. [Google Scholar] [CrossRef]
- Tsuji, K.; Nakaya, M.; Uedono, A.; Hotta, A. Enhancement of the gas barrier property of polypropylene by introducing plasma-treated silane coating with SiOx-modified top-surface. Surf. Coat. Technol. 2015, 284, 377–383. [Google Scholar] [CrossRef]
- Sonnenfeld, A.; Tun, T.M.; Zajickova, L.; Kozlov, K.V.; Wagner, H.-E.; Behnke, J.F.; Hippler, R. Deposition Process Based on Organosilicon Precursors in Dielectric Barrier Discharges at Atmospheric Pressure—A Comparison. Plasmas Polym. 2001, 6, 237–266. [Google Scholar] [CrossRef]
- Hrach, R.; Bartos, P.; Hrachova, V. Computational study of plasma-surface interaction in plasma-assisted technologies. Eur. Phys. J. D 2009, 54, 417–423. [Google Scholar] [CrossRef]
- Bartos, P.; Spatenka, P.; Volfova, L. Deposition of TiO2 -Based Layer on Textile Substrate: Theoretical and Experimental Study. Plasma Process. Polym. 2009, 6, 897–901. [Google Scholar] [CrossRef]
- Barni, R.; Zanini, S.; Riccardi, C. Characterization of the Chemical Kinetics in an O2/HMDSO RF Plasma for Material Processing. Adv. Phys. Chem. 2012, 2012, 1–6. [Google Scholar] [CrossRef]
- Jha, N.; Ryu, J.J.; Choi, E.H.; Kaushik, N.K. Generation and Role of Reactive Oxygen and Nitrogen Species Induced by Plasma, Lasers, Chemical Agents, and Other Systems in Dentistry. Oxid. Med. Cell. Longev. 2017, 2017, 1–13. [Google Scholar] [CrossRef]
- Bogaerts, A. Effects of oxygen addition to argon glow discharges: A hybrid Monte Carlo-fluid modeling investigation. Spectrochim. Acta B 2009, 64, 1266–1279. [Google Scholar] [CrossRef]








| Sample No. | Process Gas | Treatment Time (min) | Initial WCA (°) | Duration of Droplet Absorption (s) |
|---|---|---|---|---|
| Zero sample | - | - | 20 | 0.08 |
| 1 | argon | 15 | 22 | 0.08 |
| 2 | 30 | 23 | 0.08 | |
| 3 | 45 | 25 | 0.1 | |
| 4 | 60 | 27 | 0.15 | |
| 5 | 75 | 28 | 0.17 | |
| 6 | 90 | 29 | 0.2 | |
| 7 | air | 15 | 26 | 0.1 |
| 8 | 30 | 128 | 1.3 | |
| 9 | 45 | 136 | 9.8 | |
| 10 | 60 | 137 | 15.2 | |
| 11 | 75 | 139 | 20.4 | |
| 12 | 90 | 139 | 29.8 | |
| 13 | oxygen | 15 | 110 | 0.17 |
| 14 | 30 | 124 | 0.62 | |
| 15 | 45 | 137 | 40.2 | |
| 16 | 60 | 138 | 90.3 | |
| 17 | 75 | 143 | 171.4 | |
| 18 | 90 | 143 | 229 |
| Elements (%) | C | O | Si |
|---|---|---|---|
| Zero sample | 61.1 | 38.9 | - |
| Functionalized cellulose | 42.5 | 46.1 | 11.4 |
| Population of Chemical Bonds (%) | C–H | C–O | O–C–O, C=O |
|---|---|---|---|
| Zero sample | 21.7 | 68.9 | 9.4 |
| Functionalized cellulose | 33.8 | 55.2 | 11 |
Publisher’s Note: MDPI stays neutral with regard to jurisdictional claims in published maps and institutional affiliations. |
© 2021 by the authors. Licensee MDPI, Basel, Switzerland. This article is an open access article distributed under the terms and conditions of the Creative Commons Attribution (CC BY) license (https://creativecommons.org/licenses/by/4.0/).
Share and Cite
Cerny, P.; Bartos, P.; Kriz, P.; Olsan, P.; Spatenka, P. Highly Hydrophobic Organosilane-Functionalized Cellulose: A Promising Filler for Thermoplastic Composites. Materials 2021, 14, 2005. https://doi.org/10.3390/ma14082005
Cerny P, Bartos P, Kriz P, Olsan P, Spatenka P. Highly Hydrophobic Organosilane-Functionalized Cellulose: A Promising Filler for Thermoplastic Composites. Materials. 2021; 14(8):2005. https://doi.org/10.3390/ma14082005
Chicago/Turabian StyleCerny, Pavel, Petr Bartos, Pavel Kriz, Pavel Olsan, and Petr Spatenka. 2021. "Highly Hydrophobic Organosilane-Functionalized Cellulose: A Promising Filler for Thermoplastic Composites" Materials 14, no. 8: 2005. https://doi.org/10.3390/ma14082005
APA StyleCerny, P., Bartos, P., Kriz, P., Olsan, P., & Spatenka, P. (2021). Highly Hydrophobic Organosilane-Functionalized Cellulose: A Promising Filler for Thermoplastic Composites. Materials, 14(8), 2005. https://doi.org/10.3390/ma14082005

