Strengthening of Concrete Column by Using the Wrapper Layer of Fibre Reinforced Concrete
Abstract
1. Introduction
2. Experimental Programme
2.1. Analysis of the Shear Connection between the Old Concrete and the New Fibre Reinforced Concrete
- (A)
- Smooth surface wrapped with fibre reinforced concrete (fibre reinforced concrete with steel wires)—(VH),
- (B)
- Indent wrapped with fibre reinforced concrete—(ZZ),
- (C)
- Notches wrapped with fibre reinforced concrete—(ZR),
- (D)
- Smooth surface wrapped with reinforced concrete—(ZH),
- (E)
- Smooth surface wrapped with plain concrete—(PH),
- (F)
- Smooth surface wrapped with foil and a layer of fibre reinforced concrete—(FH).
2.2. Load Set for the “Push Test”
2.3. Results of the “Push Test” Measurements
2.4. Experimental Verification of the Strengthened Columns
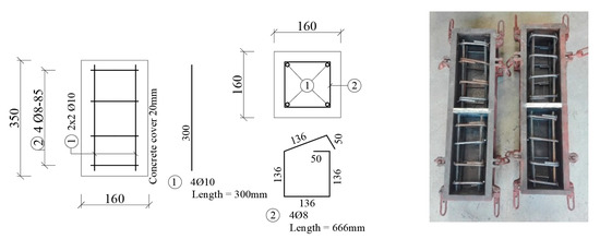
Geometry and Reinforcement of Experimental Non-Reinforced Columns
2.5. Columns Strengthening
2.6. Loading Assembly for Columns
2.7. Results of Experimental Measurements
2.8. Comparison of Column Strengthening Methods
2.9. The Fibre Reinforced Concrete
3. Numerical Analysis
3.1. Numerical Analysis of the Fibre Reinforced Concrete
3.2. Numerical Analysis of the “Push Tests”
3.3. Numerical Contact Between the Fibre Reinforced Concrete with a Smooth Surface (VH)
3.4. Numerical Analysis of a Non-Strengthened Column
3.5. Numerical Analysis of the Reinforced Column Strengthened
4. Conclusions
Author Contributions
Funding
Conflicts of Interest
References
- Krátky, J.; Trtík, K.; Vodička, J. Fiber-Reinforced Concrete Structures; ČKAIT: Prague, Czech Republic, 1999; p. 177. [Google Scholar]
- Bentur, A.; Mindess, S. Fibre Reinforced Cementitious Composites; Cromwell Press: Abington, UK, 2007; p. 625. [Google Scholar]
- Vítek, J.; Smiřinský, S. Interaction of classical and dispersioned reinforcement. BETON Technol. Konstr. Sanace 2010, 2, 48–52. [Google Scholar]
- Desai, T.; Shah, R.; Peled, A.; Mobasher, B. Mechanical Properties of Concrete Reinforced with AR Glass Fibers. In Proceedings of the 7th International Symposium on Brittle Matrix Composites (BMC7), Warsaw, Poland, 13–15 October 2003. [Google Scholar]
- Allen, H.G. The purpose and methods of fibre reinforced. Prospect of Fibre Reinforced Construction Materials. In Proceedings of an International Building Exhibition Conference Sponsored by the Building Research Station, Olympia; London, UK, 24 November 1971, pp. 3–14.
- Labib, W.; Eden, N. An Investigation onto the Use of Fibres in Concrete Industrial Ground-Floor Slabs. In Proceedings of the 3rd International Built and Human Environment Research Week, Delft, The Netherlands, 3–4 April 2006. [Google Scholar]
- Brodňan, M.; Koteš, P.; Vanerek, J.; Drochytka, R. Corrosion determination of reinforcement using the electrical resistance method. Mater. Tehnol. 2017, 51, 85–93. [Google Scholar]
- Brodňan, M.; Koteš, P.; Bahleda, F.; Sebok, M.; Kucera, M.; Kubissa, W. Using non-destructive methods for measurement of reinforcement corrosion in practice. Ochr. Przed Koroz. 2017, 60, 55–58. [Google Scholar]
- Koteš, P.; Brodňan, M.; Bahleda, F. Diagnostics of Corrosion on a Real Bridge Structure. Adv. Mater. Sci. Eng. 2016, 2016, 2125604. [Google Scholar] [CrossRef]
- Koteš, P. Influence of Corrosion on Crack Width and Pattern in an RC Beam. In Proceedings of the Concrete and Concrete Structures 2013—6th International Conference, Terchova, Slovakia, 23–25 October 2013; Procedia Engineering Series. Volume 65, pp. 311–320. [Google Scholar]
- Koteš, P.; Brodňan, M.; Slopkova, K.; Kotula, P. Numerical modelling of reinforcement corrosion in reinforced concrete. in Ochr. Przed Koroz. 2010, 53, 307–309. [Google Scholar]
- Koteš, P.; Strieška, M.; Bahleda, F.; Bujňáková, P. Prediction of RC Bridge Member Resistance Decreasing in Time under Various Conditions in Slovakia. Materials 2020, 13, 1125. [Google Scholar] [CrossRef]
- Perkowski, Z.; Czabak, M.; Grzeszczyk, S.; Fraczek, D.; Tatara, K.; Matuszek-Chmurowska, A.; Jurowski, K.; Jedraszak, B. Experimental Research on Concrete Beams Reinforced with High Ductility Steel Bars and Strengthened with a Reactive Powder Concrete Layer in the Compression Zone. Materials 2020, 13, 4173. [Google Scholar] [CrossRef]
- Bywalski, C.; Kaźmierowski, M.; Kamiński, M.; Drzazga, M. Material Analysis of Steel Fibre reinforced High-Strength Concrete in Terms of Flexural Behaviour: Experimental and Numerical Investigation. Materials 2020, 13, 1631. [Google Scholar] [CrossRef]
- Li, X.; Xue, W.; Fu, C.; Yao, Z.; Liu, X. Mechanical Properties of High-Performance Steel-Fibre-Reinforced Concrete and Its Application in Underground Mine Engineering. Materials 2019, 12, 2470. [Google Scholar] [CrossRef]
- Abubaker, A.M.; Ahmed, Y.J. Effect of Using Hybrid Polypropylene and Glass Fibre on the Mechanical Properties and Permeability of Concrete. Materials 2019, 12, 3786. [Google Scholar] [CrossRef]
- Chen, M.; Ren, C.; Liu, Y.; Yang, Y.; Wang, E.; Liang, X. Effects of Polypropylene Fibre and Strain Rate on Dynamic Compressive Behaviour of Concrete. Materials 2019, 12, 1797. [Google Scholar] [CrossRef] [PubMed]
- Hu, X.; Guo, Y.; Lv, J.; Mao, J. The Mechanical Properties and Chloride Resistance of Concrete Reinforced with Hybrid Polypropylene and Basalt Fibres. Materials 2019, 12, 2371. [Google Scholar] [CrossRef] [PubMed]
- Alessandro, P.; Fantilli, L.P.M.; Nishiwaki, T.; Igarashi, G. Tailoring Confining Jacket for Concrete Column Using Ultra High Performance-Fiber Reinforced Cementitious Composites (UHP-FRCC) with High Volume Fly Ash (HVFA). Materials 2019, 12, 4010. [Google Scholar] [CrossRef]
- Fib Bulletin 55, Model Code 2010, First complete draft. 2010. Available online: https://www.fib-international.org/publications/fib-bulletins/model-code-2010-first-complete-draft,-vol-1-pdf-146-detail.html (accessed on 6 May 2020).
- Lee, S.-C.; Oh, J.-H.; Cho, J.-Y. Fiber Efficiency in SFRC Members Subjected to Uniaxial Tension. Constr. Build. Mater. 2016, 113, 479–487. [Google Scholar] [CrossRef]
- Sorelli, L.G.; Meda, A.; Plizzari, G.A. Bending and Uniaxial Tensile Tests on Cocnrete Reinforced with Hybrid Steel Fibers. J. Mater. Civil Eng. 2005, 17, 519–527. [Google Scholar] [CrossRef]
- Aveston, A.; Cooper, G.A.; Kelly, A. Single and multiple fractures. In Proceedings of the Properties of Fibre Composites, Teddington, UK, 4 November 1971; pp. 15–24. [Google Scholar]
- Krencehl, H. Fibre Reinforcement; Akademick Forlag: Copenhagen, Denmark, 1964. [Google Scholar]
- Hannant, D.J. Fibre Cements and Fibre Concretes; Wiley: Chichester, UK, 1978. [Google Scholar]
- Test Method for Metallic Fibered Concrete—Measuring the Flexural Tensile Strength; EN 146512005; European Committee for Standardization: Brussels, Belgium, 2005.
- RILEM TC 162-TDF (2003): Test and design methods for steel fibre reinforced concrete σ-ε design method. J. Adv. Concr. Technol. 2003, 36, 560–567.
- Vican, J.; Gocal, J.; Odrobinak, J.; Kotes, P. Analysis of existing steel railway bridges. In Proceedings of the International Conference on Bridges in Danube Basin 2016: New Trends in Bridge Engineering and Efficient Solution for Large and Medium Span Bridges, Zilina, Slovakia, 30 September–1 October 2016; Procedia Engineering Series. Volume 156, pp. 507–514. [Google Scholar]
- Vican, J.; Gocal, J.; Odrobinak, J.; Kotes, P. Existing steel railway bridges evaluation. Civil Environ. Eng. 2016, 12, 103–110. [Google Scholar] [CrossRef]
- Moravcik, M.; Bujnakova, P.; Krkoska, L.; Koteš, P. Diagnostic assessment of one of the first generation of prestressed concrete bridges in Slovakia. In Proceedings of the International Conference on Bridges in Danube Basin 2016: New Trends in Bridge Engineering and Efficient Solution for Large and Medium Span Bridges, Zilina, Slovakia,, 30 September–1 October 2016; Procedia Engineering Series. Volume 156, pp. 257–263. [Google Scholar]
- Kala, Z. Global sensitivity analysis of reliability of structural bridge system. Eng. Struct. 2019, 194, 36–45. [Google Scholar] [CrossRef]
- Kala, Z. Sensitivity Analysis in Probabilistic Structural Design: A Comparison of Selected Techniques. Sustanability 2020, 12, 4788. [Google Scholar] [CrossRef]
- Janas, P.; Krejsa, M.; Sejnoha, J.; Krejsa, V. DOProC-based reliability analysis of structures. Struct. Eng. Mech. 2017, 64, 413–426. [Google Scholar]
- Krejsa, M.; Brozovsky, J.; Janas, P.; Cajka, R.; Krejsa, V. Probabilistic calculation using parallel computing. In Proceedings of the Engineering Mechanics International Conference 2016, Svratka, Czech Republic, 9–12 May 2016; Engineering Mechanics Series. 318p. [Google Scholar]
- Konecny, P.; Lehner, P.; Ghosh, P.; Moravkova, Z. Comparison of procedures for the evaluation of time dependent concrete diffusion coefficient model. Constr. Build. Mater. 2020, 258, 119535. [Google Scholar] [CrossRef]
- Lehner, P.; Konecny, P.; Ponikiewski, T. Comparison of Material Properties of SCC Concrete with Steel Fibres Related to Ingress of Chlorides. Crystals 2020, 10, 220. [Google Scholar] [CrossRef]
- Gajdošová, K. Strengthening of Slender Reinforced Concrete Columns with the Use of Fibre Reinforced Polymers. Ph.D. Thesis, Slovak University of Technology in Bratislava, Bratislava, Slovakia, 2015. [Google Scholar]
- Giovanni, M.; Alberto, M.; Giovanni, A.P.; Zila, R. Strengthening and Repair of RC Beams with Fibers Reinforced Concrete. Cem. Concr. Compos. 2010, 32, 731–739. [Google Scholar]
- Moravčík, M.; Bujnáková, P. Experimental and numerical analysis of prestressed HPC girders for bridges. In Proceedings of the 6th International Conference on Concrete under Severe Conditions-Environment and Loading (CONSEC ’10), Merida, Mexico, 7–9 June 2010. [Google Scholar]
- Koteš, P.; Farbák, M. Investigation of dynamically loaded RC T-beams strengthened with CFRP lamellas and sheets. In Proceedings of the 7th International Conference on FRP Composites in Civil Engineering, Vancouver, BC, Canada, 20–22 August 2014. [Google Scholar]
- Faleschini, F.; Zanini, M.A.; Hofer, L.; Pellegrino, C. Experimental behaviour of reinforced concrete columns confined with carbon-FRCM composites. Constr. Build. Mater. 2020, 243, 118296. [Google Scholar] [CrossRef]
- Cascardi, A.; Aierello, M.A.; Triantafillou, T. Analysis-oriented model for concrete and masonry confined with fiber reinforced mortar. Mater. Struct. 2017, 50, 202. [Google Scholar] [CrossRef]
- Sadowski, L. Adhesion in Layered Cement Composites; Springer: Cham, Switzerland, 2019. [Google Scholar]
- Vavruš, M.; Koteš, P.; Bahleda, F.; Jošt, J. Analysis of shear contact between wrapped layout of fiber and reinforced concrete. Pollack Period. Int. J. Eng. Inf. Sci. 2019. [CrossRef]
- Bakhsh, K.N. Evaluation of Bond Strength between Overlay and Substrate in Concrete Repairs. Master’s Thesis, KTH Royal Institute of Technology, Stockholm, Sweden, 2010. [Google Scholar]
- Bonaldo, E.; Barros, J.A.; Lourenco, P.B. Bond characterization between concrete substrate and repairing SFRC using pull-out testing. Int. J. Adhes. Adhes. 2005, 25, 463–474. [Google Scholar] [CrossRef]
- Czarnecki, L.; Chmielewska, B. Factors affecting adhesion on building joints. Cem. Wapno Beton 2005, 2, 74–85. [Google Scholar]
- Chengfeng, F.; Sadakkathulla, M.A.; Sheikh, A. Experimental and Numerical Study of Ultra-Hight-performance Fiber-Reinforced Concrete Column Subjected to Axial and Eccentric Loads. Int. Sch. Sci. Res. Innov. 2019, 3, 78–85. [Google Scholar]
- Eurocode 2: Design of Concrete Structures—Part 1–1: General Rules and Rules for Buildings; STN EN 1992-1; European Committee for Standardization: Brussels, Belgium, 2004.
- Vavruš, M.; Koteš, P. Numerical comparison of concrete columns strengthened with layer of fiber concrete and reinforced concrete. In Proceedings of the 13th International Scientific Conference on Sustainable, Modern and Safe Transport (TRANSCOM 2019), Stary Smokovec, Slovakia, 29–31 May 2019. [Google Scholar]
- Vavruš, M.; Koteš, P.; Ashot, T. Numerical analysis of strengthening concrete columns by hight performance fibre concrete. In Proceedings of the XXVII R-S-P Seminar, Theoretical Foundation of Civil Engineering, Rostov on Don, Russia, 17–21 September 2018; pp. 1–6. [Google Scholar]
- Fibres for Concrete: Steel Fibres: Definitions, Specifications & Conformity; EN 14889-1:2006; European Committee for Standardization: Brussels, Belgium, 2006.
- Test Methods for Fibres in Concrete; EN 14845-1:2007; European Committee for Standardization: Brussels, Belgium, 2007.
- Červenka, V.; Jendele, L. ATENA Program Documentation—Part 1, Theory; Cervenka Consulting: Prague, Czech Republic, 2014. [Google Scholar]
- Bazant, Z.P.; Cedolin, L. Fracture mechanics of reinforced concrete. J. Engr. Mech. Div. 1980, 106, 1287–1305. [Google Scholar]
- Konecny, P.; Kubosek, J.; Ponikiewsky, T.; Done, P. Finite Element Modelling and Identification of the Material Properties of Fibre Concrete. In Proceedings of the 23rd Italian Group of Fracture National Conference, Favignana, Italy, 22–24 June 2015; Volume 109, pp. 234–239. [Google Scholar]
- Sucharda, O.; Konecny, P. Recomendation for modelling 3D non-linear analysis of RC beam test. Comput. Concr. 2018, 21, 11–20. [Google Scholar]






















| Concrete Mixture | 1 kg/m3 |
|---|---|
| CEM II/B-S 32,5R (Ladce) | 400 |
| Aggregate 0/8 mm | 910 |
| Aggregate 8/16 mm | 685 |
| Fly ash (USS Košice) | 80 |
| Water | 200 |
| Fibres DRAMIX 3D | 40 |
| Numbers | Bulk Density [kg m−3] | fc [kN] | fc,cube [MPa] |
|---|---|---|---|
| A1 | 2215.6 | 986.9 | 43.61 |
| A2 | 2255.6 | 986.0 | 43.95 |
| A3 | 2241.5 | 900.2 | 40.27 |
| B1 | 2269.8 | 1162.2 | 52.27 |
| B2 | 2253.8 | 1083.3 | 47.87 |
| B3 | 2264.4 | 1079.5 | 47.99 |
| Mark | Measured Values Ffailure,exp (kN) | Average Value Ffailure,average (kN) | Average Calculated Value Ffailure,calc (kN) | Mark | Measured Values Ffailure,exp (kN) | Average Value Ffailure,average (kN) | Average Calculated Value Ffailure,calc (kN) |
|---|---|---|---|---|---|---|---|
| VH_1 | 97.002 | 136.552 | 38.4 | FH_1 | 28.692 | 31.183 | 0.0 |
| VH_2 | 141.756 | FH_2 | 33.675 | ||||
| VH_3 | 170.899 | ZZ_1 | 228.806 | 262.171 | 96.0 | ||
| PH_1 | 69.574 | 88.378 | 38.4 | ZZ_2 | 298.120 | ||
| PH_2 | 116.71 | ZZ_3 | 259.589 | ||||
| PH_3 | 82.851 | ZR_1 | 282.027 | 238.417 | 78.6 | ||
| ZH_1 | 172.170 | 137.033 | 38.4 | ZR_2 | 245.530 | ||
| ZH_2 | 93.191 | ZR_3 | 187.709 | ||||
| ZH_3 | 145.738 |
| Mark | Shear Resistance from Experiment Ffailure,average (kN) | Shear Resistance According to Standard Ffailure,calc (kN) | Cohesion from Reverse Calculating creverse (MPa) | Cohesion According to Standard ccalc (MPa) | Differences of Cohesion c (%) |
|---|---|---|---|---|---|
| VH | 136.552 | 38.4 | 0.71 | 0.20 | 28.16% |
| PH | 88.378 | 38.4 | 0.46 | 0.20 | 43.47% |
| ZH | 137.033 | 38.4 | 0.71 | 0.20 | 28.16% |
| FH | 31.183 | - | - | - | - |
| ZZ | 262.171 | 96.0 | 1.36 | 0.50 | 36.76% |
| ZR | 238.417 | 78.6 | 1.24 | 0.40 | 32.25% |
| Brand | Measured Failure Force (kN) | Maximum Deformation in Middle of Span, Sensor S3 (mm) |
|---|---|---|
| SN_01 * | 149.512 | 26.39 |
| SN_02 * | 147.503 | 30.16 |
| SV_01 * | 410.622 | 25.23 |
| SV_02 * | 359.343 | 23.03 |
| SB_01 * | 597.416 | 21.63 |
| SB_02 * | 517.102 | 28.16 |
| 3D Nonlinear Cementitious 2 | |
|---|---|
| Property | Value |
| Elastic modulus E (MPa) | 37 × 103 |
| Poisson’s ratio μ (-) | 0.200 |
| Tensile strength Ft (MPa) | 1,350 |
| Compressive strength Fc (MPa) | −39.50 |
| Fracture energy Gf (MN/m) | 1.750 × 10−4 |
| Critical compressive disp. Wd (m) | −1.50 × 10−3 |
| Plastic strain at strength εcp (-) | −1.520 × 10−3 |
| 3D Interface | ||
|---|---|---|
| Normal stiffness Knn | 6.00 × 108 | MN/m3 |
| Tangential stiffness Ktt | 2.75 × 107 | MN/m3 |
| Tangential force Ft | 1.00 × 10−1 | MPa |
| Cohesion c | 0.35 | MPa |
| Friction coefficient µ | 0.5 | - |
| Min. normal stiffness Knn,min | 3.50 × 104 | MN/m3 |
| Min. tangential stiffness Ktt,min | 1.00 × 106 | MN/m3 |
| 3D Nonlinear Cementitious 2 | |
|---|---|
| Property | Values |
| Elastic modulus E (MPa) | 2.25 × 104 |
| Poisson’s ratio μ (-) | 0.195 |
| Tensile strength Ft (MPa) | 1.10 |
| Compressive strength Fc (MPa) | −18.50 |
| Fracture energy Gf (MN/m) | 8.75 × 10−5 |
| Critical compressive disp. Wd (m) | −0.0025 |
| Plastic strain at strength εcp (-) | −1.050 × 10−4 |
Publisher’s Note: MDPI stays neutral with regard to jurisdictional claims in published maps and institutional affiliations. |
© 2020 by the authors. Licensee MDPI, Basel, Switzerland. This article is an open access article distributed under the terms and conditions of the Creative Commons Attribution (CC BY) license (http://creativecommons.org/licenses/by/4.0/).
Share and Cite
Koteš, P.; Vavruš, M.; Jošt, J.; Prokop, J. Strengthening of Concrete Column by Using the Wrapper Layer of Fibre Reinforced Concrete. Materials 2020, 13, 5432. https://doi.org/10.3390/ma13235432
Koteš P, Vavruš M, Jošt J, Prokop J. Strengthening of Concrete Column by Using the Wrapper Layer of Fibre Reinforced Concrete. Materials. 2020; 13(23):5432. https://doi.org/10.3390/ma13235432
Chicago/Turabian StyleKoteš, Peter, Martin Vavruš, Jozef Jošt, and Jozef Prokop. 2020. "Strengthening of Concrete Column by Using the Wrapper Layer of Fibre Reinforced Concrete" Materials 13, no. 23: 5432. https://doi.org/10.3390/ma13235432
APA StyleKoteš, P., Vavruš, M., Jošt, J., & Prokop, J. (2020). Strengthening of Concrete Column by Using the Wrapper Layer of Fibre Reinforced Concrete. Materials, 13(23), 5432. https://doi.org/10.3390/ma13235432

