Experimental and Numerical Investigation of the Fracture Behavior of Welded Aluminum Cross Joints under Axial Compression
Abstract
1. Introduction
2. Material Characterization
2.1. True Stress–Strain Behavior
2.2. Phenomenological Damage Model
2.3. Experimental Investigations
2.4. Results and Calibration of Fracture Criteria
3. Axial Compression Tests on X-Profiles
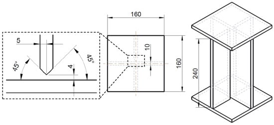
3.1. Test Setup
3.2. Finite Element Model of the Axial Compression Test
3.3. Experimental Results and Discussion
3.4. Numerical Simulation of the Compression Tests
4. Conclusions
- The BW and RTCL criteria behave similarly in tension and are able to model the fracture behavior of all material zones in accordance with the experiments except for very high stress triaxialities in the BM.
- The BW criterion is more accurate than the RTCL under shear loading due to the second calibration parameter.
- The simulated crack path in the present shear tests is dependent on the combination of both BW parameters due to the inhomogeneity of the stress state.
- The approximation of the material inhomogeneity in the HAZ with two zones is sufficient to model the global behavior of tension specimens perpendicular to the weld. However, this subdivision leads to an underestimation of the local fracture strains in tension tests compared to the experiments. Subsequently, in shear tests the global fracture displacement was underestimated.
- The global and local behavior is similar for all specimens and plate thicknesses;
- Crack initiation can occur in the FZ despite the lowest strength being found in the HAZ;
- Crack initiation does not necessarily occur in the location with the highest strain;
- Crack initiation occurs on higher displacements, when the plate thickness is increased due to later stability failure and subsequently later strain localization;
- Visible cracks do not affect the load-bearing capacity of the structure before a certain amount of crack coalescence occurs;
- Up to a local strain rate of 1/s, no strain rate effects are visible.
Author Contributions
Funding
Acknowledgments
Conflicts of Interest
References
- Urban, J. Crushing and Fracture of Lightweight Structures. Ph.D. Thesis, Technical University of Denmark, Lyngby, Denmark, January 2003. [Google Scholar]
- Törnqvist, R. Design of Crashworthy Ship Structures. Ph.D. Thesis, Technical University of Denmark, Lyngby, Denmark, June 2003. [Google Scholar]
- Paik, J.K.; Thayamballi, A.K.; Ryu, J.Y.; Jang, J.H.; Seo, J.K.; Park, S.W.; Soe, S.K.; Renaud, C.; Kim, N.I. Mechanical Collapse Testing on Aluminum Stiffened Panels for Marine Applications; Ship Structure Committee SSC-451; National Technical Information Service; U.S. Department of Commerce: Springfield, VA, USA, 2008.
- Sensharma, P.; Collette, M.D.; Harrington, J. Effect of Welded Properties on Aluminum Structures; Report No. SR-1460; Ship Structure Committee: Washington, DC, USA, 2010. [Google Scholar]
- Benson, S.; Downes, J.; Dow, R.S. Ultimate strength characteristics of aluminium plates for high-speed vessels. Ships Offshore Struct. 2011, 6, 67–80. [Google Scholar] [CrossRef]
- Khedmati, M.R.; Zareei, M.R.; Rigo, P. Sensitivity analysis on the elastic buckling and ultimate strength of continuous stiffened aluminium plates under combined in-plane compression and lateral pressure. Thin-Walled Struct. 2009, 47, 1232–1245. [Google Scholar] [CrossRef]
- Pedram, M.; Khedmati, M.R. The effect of welding on the strength of aluminium stiffened plates subject to combined uniaxial compression and lateral pressure. Int. J. Nav. Arch. Ocean Eng. 2014, 6, 39–59. [Google Scholar] [CrossRef][Green Version]
- Dørum, C.; Lademo, O.-G.; Myhr, O.R.; Berstad, T.; Hopperstad, O.S. Finite element analysis of plastic failure in heat-affected zone of welded aluminium connections. Comput. Struct. 2010, 88, 519–528. [Google Scholar] [CrossRef]
- Zhang, Z.L.; Ødegård, J.; Myhr, O.R.; Fjær, H. From microstructure to deformation and fracture behaviour of aluminium welded joints—A holistic modelling approach. Comput. Mater. Sci. 2001, 21, 429–435. [Google Scholar] [CrossRef]
- Hval, M.; Thaulow, C.; Lange, J.H.; Hoydal, H.; Zhang, Z.L. Numerical Modeling of Ductile Fracture Behavior in Aluminum Weldments. Weld. J. 1998, 77, S208–S217. [Google Scholar]
- Wang, T.; Hopperstad, O.S.; Larsen, P.K.; Lademo, O.-G. Evaluation of a finite element modelling approach for welded aluminium structures. Comput. Struct. 2006, 84, 2016–2032. [Google Scholar] [CrossRef]
- Gallais, C.; Simar, A.; Fabregue, D.; Denquin, A.; Lapasset, G.; De Meester, B.; Brechet, Y.; Pardoen, T. Multiscale Analysis of the Strength and Ductility of AA 6056 Aluminum Friction Stir Welds. Metall. Mater. Trans. A 2007, 38, 964–981. [Google Scholar] [CrossRef]
- Zheng, L.; Petry, D.; Rapp, H.; Wierzbicki, T. Characterization of material and fracture of AA6061 butt weld. Thin-Walled Struct. 2009, 47, 431–441. [Google Scholar] [CrossRef]
- Scheider, I.; Barbini, A.; dos Santos, J.F. Numerische Simulation der Restfestigkeit von Rührreibgeschweißten Strukturen. In DVM-BERICHT 250, 50, Proceedings of the Tagung des DVM-Arbeitskreises Bruchmechanik und Bauteilsicherheit; Bruchmechanische Werkstoff- und Bauteilbewertung: Beanspruchungsanalyse, Prüfmethoden und Anwendungen, Paderborn, Germany, 20–21 February 2018; Tag. DVM-Arb. Bruchmech. Bautl: Berlin, Germany, 2018. [Google Scholar]
- Liu, J.; Wang, L.-L.; Lee, J.; Chen, R.; El-Fakir, O.; Chen, L.; Lin, J.; Dean, T.A. Size-dependent mechanical properties in AA6082 tailor welded specimens. J. Mater. Process. Technol. 2015, 224, 169–180. [Google Scholar] [CrossRef]
- Wiechmann, P.; Panwitt, H.; Heyer, H.; Reich, M.; Sander, M.; Kessler, O. Combined Calorimetry, Thermo-Mechanical Analysis and Tensile Test on Welded EN AW-6082 Joints. Materials 2018, 11, 1396. [Google Scholar] [CrossRef] [PubMed]
- Bao, Y.; Wierzbicki, T. On fracture locus in the equivalent strain and stress triaxiality space. Int. J. Mech. Sci. 2004, 46, 81–98. [Google Scholar] [CrossRef]
- Rice, J.R.; Tracey, D.M. On the ductile enlargement of voids in triaxial stress fields. J. Mech. Phys. Solids 1969, 17, 201–217. [Google Scholar] [CrossRef]
- Cockcroft, M.G.; Latham, D.J. Ductility and the Workability of Metals. J. Inst. Metals 1968, 96, 33–39. [Google Scholar]
- Lee, Y.-W. Fracture Prediction in Metal Sheets. Ph.D. Thesis, Massachusetts Institute of Technology, Cambridge, MA, USA, February 2005. [Google Scholar]
- Bao, Y.; Wierzbicki, T. On the cut-off value of negative triaxiality for fracture. Eng. Fract. Mech. 2005, 72, 1049–1069. [Google Scholar] [CrossRef]
- Richard, H.A. Bruchvorhersagen bei überlagerter Normal- und Schubbeanspruchung von Rissen. VDI Forsch. 1985, 631, 1–60. [Google Scholar]
- Gao, X.; Zhang, T.; Hayden, M.; Roe, C. Effects of the stress state on plasticity and ductile failure of an aluminum 5083 alloy. Int. J. Plast. 2009, 25, 2366–2382. [Google Scholar] [CrossRef]
- Lou, Y.; Huh, H. Evaluation of ductile fracture criteria in a general three-dimensional stress state considering the stress triaxiality and the lode parameter. Acta Mech. Solida Sin. 2013, 26, 642–658. [Google Scholar] [CrossRef]
- Zhang, S.; Lu, Y.; Shen, Z.; Zhou, C.; Lou, Y. Prediction of ductile fracture for Al6016-T4 with a ductile fracture criterion: Experiment and simulation. Int. J. Damage Mech. 2019, 29, 1199–1221. [Google Scholar] [CrossRef]
- Bao, Y.; Wierzbicki, T. A Comparative Study on Various Ductile Crack Formation Criteria. J. Eng. Mater. Technol. 2004, 126, 314–324. [Google Scholar] [CrossRef]
- Panwitt, H.; Sander, M. Untersuchung des Tragverhaltens geschweißter Aluminium-X-Profile unter axialer Druckbelastung. In DVM-BERICHT 250, 50, Proceedings of the Tagung des DVM-Arbeitskreises Bruchmechanik und Bauteilsicherheit; Bruchmechanische Werkstoff- und Bauteilbewertung: Beanspruchungsanalyse, Prüfmethoden und Anwendungen, Paderborn, Germany, 20–21 February 2018; Tag. DVM-Arb. Bruchmech. Bautl: Berlin, Germany, 2018. [Google Scholar]
- Wilmers, B. Numerische Simulation von Axialdruckversuchen unter Verwendung Optischer Vermessungsdaten von Geschweißten Aluminium-X-Profilen. Bachelor’s Thesis, University of Rostock, Rostock, Germany, 13 August 2019. [Google Scholar]
- Ambriz, R.R.; Froustey, C.; Mesmacque, G. Determination of the tensile behavior at middle strain rate of AA6061-T6 aluminum alloy welds. Int. J. Impact Eng. 2013, 60, 107–119. [Google Scholar] [CrossRef]
- Bornstein, H.; McDonald, B.; Frain, E.; de Oliveira Damas, D.; Yang, E.; Herzig, N. Characterisation of the behaviour of welded aluminium structures under dynamic loading. EPJ Web Conf. 2018, 183, 01038. [Google Scholar] [CrossRef][Green Version]
- Jackiewicz, J. Use of a modified Gurson model approach for the simulation of ductile fracture by growth and coalescence of microvoids under low, medium and high stress triaxiality loadings. Eng. Fract. Mech. 2011, 78, 487–502. [Google Scholar] [CrossRef]
- Roth, C.C.; Morgeneyer, T.F.; Cheng, Y.; Helfen, L.; Mohr, D. Ductile damage mechanism under shear-dominated loading: In-situ tomography experiments on dual phase steel and localization analysis. Int. J. Plast. 2018, 109, 169–192. [Google Scholar] [CrossRef]
- Tvergaard, V. Effect of stress-state and spacing on voids in a shear-field. Int. J. Solids Struct. 2012, 49, 3047–3054. [Google Scholar] [CrossRef]
- Wiechmann, P.; (Chair of Materials Science, University of Rostock, Rostock, Germany). Personal communication, 2018.























| RTCL | BW | ||
|---|---|---|---|
| BM | 0.81 | 0.94 | 0.78 |
| Z2 | 0.59 | 0.69 | 1.49 |
| Z1 | 0.36 | 0.43 | 2.20 |
| FZ | 0.10 | 0.10 | 0.08 |
| Displ. | X02 | X04 | X05 |
|---|---|---|---|
| 25 mm Cracks traced with white lines | ![]() | ![]() | ![]() |
| 42 mm | ![]() | ![]() | ![]() |
| 22.5 mm | 24.1 mm | 41.0 mm | |
|---|---|---|---|
| BM Z2 Z1 FZ | ![]() | ![]() | ![]() |
![]() | ![]() | ![]() | ![]() |
![]() | ![]() | ![]() | ![]() |
© 2020 by the authors. Licensee MDPI, Basel, Switzerland. This article is an open access article distributed under the terms and conditions of the Creative Commons Attribution (CC BY) license (http://creativecommons.org/licenses/by/4.0/).
Share and Cite
Panwitt, H.; Heyer, H.; Sander, M. Experimental and Numerical Investigation of the Fracture Behavior of Welded Aluminum Cross Joints under Axial Compression. Materials 2020, 13, 4310. https://doi.org/10.3390/ma13194310
Panwitt H, Heyer H, Sander M. Experimental and Numerical Investigation of the Fracture Behavior of Welded Aluminum Cross Joints under Axial Compression. Materials. 2020; 13(19):4310. https://doi.org/10.3390/ma13194310
Chicago/Turabian StylePanwitt, Hannes, Horst Heyer, and Manuela Sander. 2020. "Experimental and Numerical Investigation of the Fracture Behavior of Welded Aluminum Cross Joints under Axial Compression" Materials 13, no. 19: 4310. https://doi.org/10.3390/ma13194310
APA StylePanwitt, H., Heyer, H., & Sander, M. (2020). Experimental and Numerical Investigation of the Fracture Behavior of Welded Aluminum Cross Joints under Axial Compression. Materials, 13(19), 4310. https://doi.org/10.3390/ma13194310


















