Mechanical, Electrical, and Thermal Properties of Carbon Nanotube Buckypapers/Epoxy Nanocomposites Produced by Oxidized and Epoxidized Nanotubes
Abstract
1. Introduction
2. Materials and Methods
2.1. Materials
2.2. Chemical Functionalization of CNTs
2.3. Buckypapers Production
2.4. Prepregs and Nanocomposites Production
2.5. Characterization
3. Results and Discussion
3.1. TEM of Individual CNTs
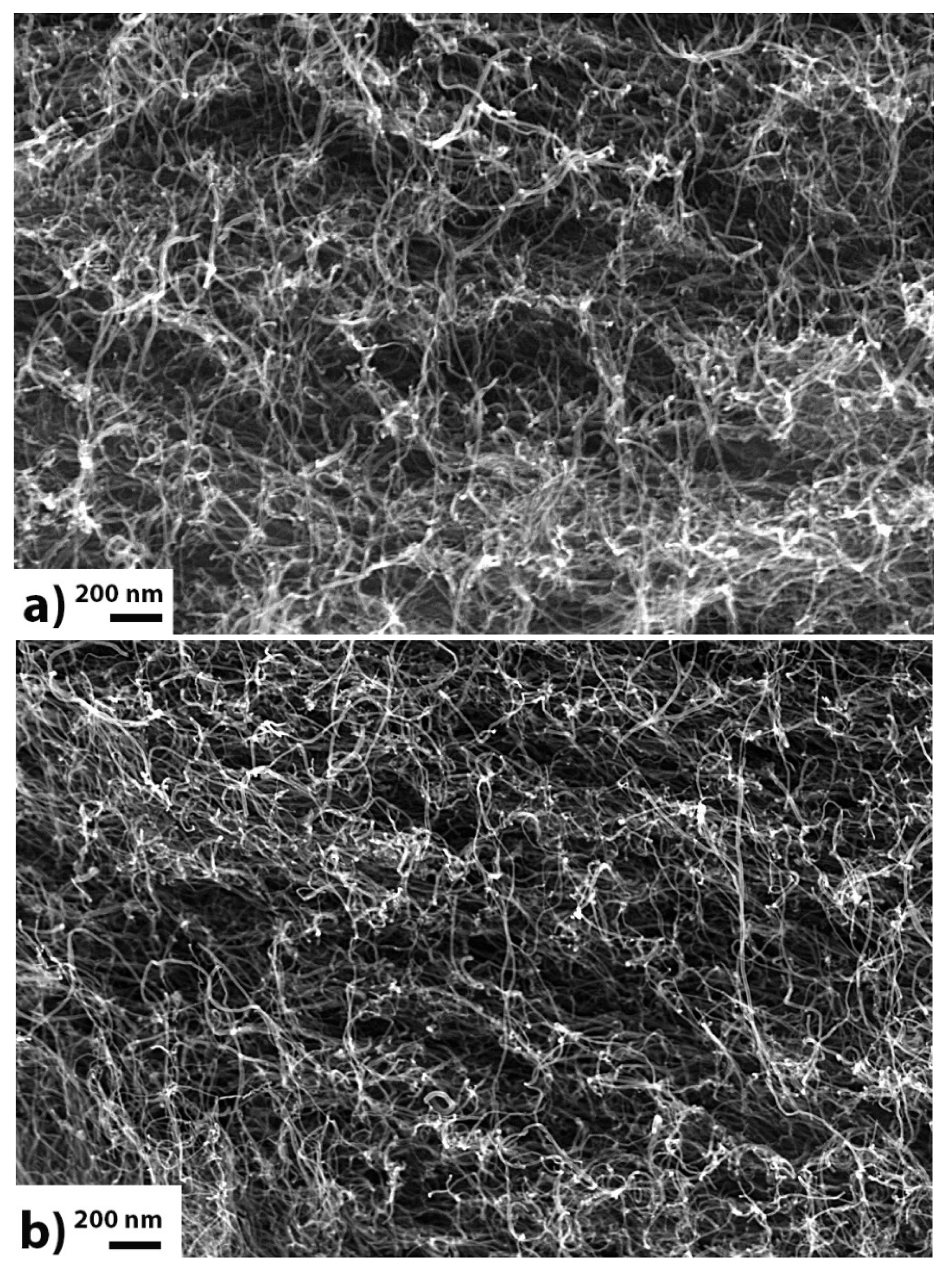
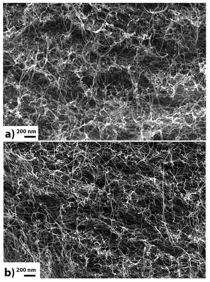
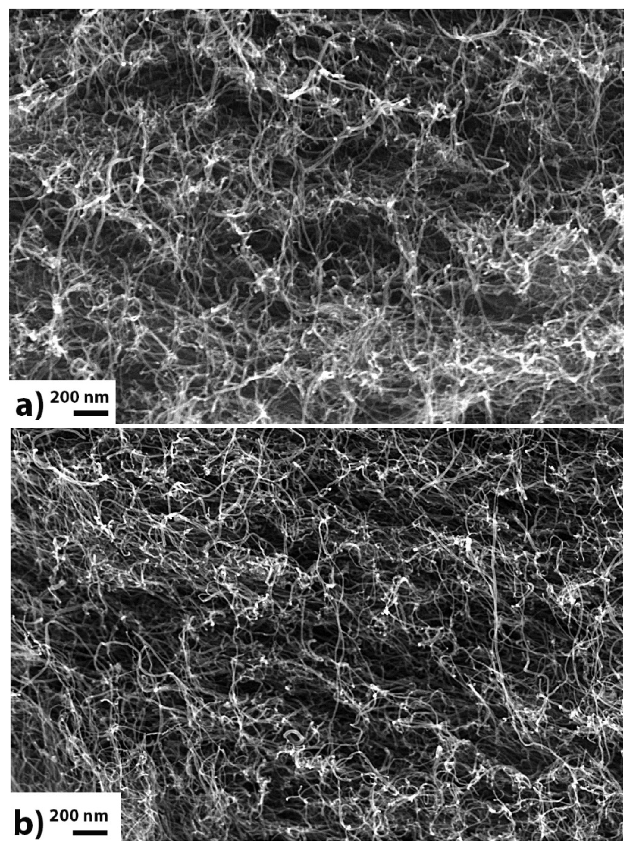
3.2. SEM Study of Neat Buckypapers
3.3. Thermogravimetric Study
3.4. XPS Characterization
3.5. Porosimetry Analysis
3.6. Tensile Experiments of Buckypapers
3.7. SEM of Oxidized Nanocomposite Materials
3.8. Flexural Properties of Nanocomposite Materials
3.9. Electrical Performance of Nanocomposites
3.10. Thermal Performance of Nanocomposites
4. Conclusions
Author Contributions
Funding
Conflicts of Interest
References
- Mostofizadeh, A.; Li, Y.W.; Song, B.; Huang, Y.D. Synthesis, Properties, and Applications of Low-Dimensional Carbon-Related Nanomaterials. J. Nanomater. 2011, 2011. [Google Scholar] [CrossRef]
- Trakakis, G.; Tasis, D.; Parthenios, J.; Galiotis, C.; Papagelis, K. Structural properties of chemically functionalized carbon nanotube thin films. Materials 2013, 6, 2360–2371. [Google Scholar] [CrossRef] [PubMed]
- Arif, M.F.; Kumar, S.; Shah, T. Tunable morphology and its influence on electrical, thermal and mechanical properties of carbon nanostructure-buckypaper. Mater. Des. 2016, 101, 236–244. [Google Scholar] [CrossRef]
- Hu, Y.P.; Li, D.C.; Tang, P.; Bin, Y.Z.; Wang, H. Comparative study of structure, mechanical and electromagnetic interference shielding properties of carbon nanotube buckypapers prepared by different dispersion media. Mater. Des. 2019, 184, 108175. [Google Scholar] [CrossRef]
- Vahid, N.F.; Marvi, M.R.; Naimi-Jamal, M.R.; Naghib, S.M.; Ghaffarinejad, A. Effect of surfactant type on buckypaper electrochemical performance. Micro Nano Lett. 2018, 13, 927–930. [Google Scholar] [CrossRef]
- Dresselhaus, M.S.; Dresselhaus, G.; Charlier, J.C.; Hernandez, E. Electronic, thermal and mechanical properties of carbon nanotubes. Philos. Trans. R. Soc. A Math. Phys. Eng. Sci. 2004, 362, 2065–2098. [Google Scholar] [CrossRef]
- Trakakis, G.; Anagnostopoulos, G.; Sygellou, L.; Bakolas, A.; Parthenios, J.; Tasis, D.; Galiotis, C.; Papagelis, K. Epoxidized multi-walled carbon nanotube buckypapers: A scaffold for polymer nanocomposites with enhanced mechanical properties. Chem. Eng. J. 2015, 281, 793–803. [Google Scholar] [CrossRef]
- Trakakis, G.; Tasis, D.; Aggelopoulos, C.; Parthenios, J.; Galiotis, C.; Papagelis, K. Open structured in comparison with dense multi-walled carbon nanotube buckypapers and their composites. Compos. Sci. Technol. 2013, 77, 52–59. [Google Scholar] [CrossRef]
- Homaeigohar, S.; Elbahri, M. An amphiphilic, graphitic buckypaper capturing enzyme biomolecules from water. Water 2019, 11, 2. [Google Scholar] [CrossRef]
- Wang, X.; Kalali, E.N.; Wan, J.T.; Wang, D.Y. Carbon-family materials for flame retardant polymeric materials. Prog. Polym. Sci. 2017, 69, 22–46. [Google Scholar] [CrossRef]
- Hu, Y.P.; Li, D.C.; Wu, L.; Yang, J.Y.; Jian, X.G.; Bin, Y.Z. Carbon nanotube buckypaper and buckypaper/polypropylene composites for high shielding effectiveness and absorption-dominated shielding material. Compos. Sci. Technol. 2019, 181, 107699. [Google Scholar] [CrossRef]
- Lu, S.W.; Chen, D.D.; Shao, J.Y.; Bai, Y.Y.; Tian, C.J.; Ma, K.M.; Wang, X.Q. Electromagnetic interference shielding properties of graphene/MWCNT hybrid buckypaper. Micro Nano Lett. 2018, 13, 1252–1254. [Google Scholar] [CrossRef]
- Zhao, Y.P.; Wang, J.Z.; Huang, H.; Cong, T.Z.; Yang, S.T.; Chen, H.; Qin, J.Q.; Usman, M.; Fan, Z.; Pan, L.J. Growth of carbon nanocoils by porous alpha-Fe2O3/SnO2 Catalyst and Its Buckypaper for High Efficient Adsorption. Nano Micro Lett. 2020, 12, 23. [Google Scholar] [CrossRef]
- Fritea, L.; Gross, A.J.; Reuillard, B.; Gorgy, K.; Cosnier, S.; Le Goff, A. A diethyleneglycol-pyrene-modified Ru(II) catalyst for the design of buckypaper bioelectrodes and the wiring of glucose dehydrogenases. Chemelectrochem 2019, 6, 3621–3626. [Google Scholar] [CrossRef]
- Chen, I.W.P.; Cottinet, P.J.; Tsai, S.Y.; Foster, B.; Liang, R.; Wang, B.; Zhang, C. Improved performance of carbon nanotube buckypaper and ionic-liquid-in-Nafion actuators for rapid response and high durability in the open air. Sens. Actuat B Chem. 2012, 171, 515–521. [Google Scholar] [CrossRef]
- Cottinet, P.J.; Souders, C.; Tsai, S.Y.; Liang, R.; Wang, B.; Zhang, C. Electromechanical actuation of buckypaper actuator: Material properties and performance relationships. Phys. Lett. A 2012, 376, 1132–1136. [Google Scholar] [CrossRef]
- Santos, A.; Amorim, L.; Nunes, J.P.; Rocha, L.A.; Silva, A.F.; Viana, J.C. A comparative study between knocked-down aligned carbon nanotubes and buckypaper-based strain sensors. Materials 2019, 12, 2013. [Google Scholar] [CrossRef]
- Siddique, S.; Park, J.G.; Andrei, P.; Liang, R. M3D aerosol jet printed buckypaper multifunctional sensors for composite structural health monitoring. Results Phys. 2019, 13, 102094. [Google Scholar] [CrossRef]
- Kim, H.; Ramalingam, M.; Balakumar, V.; Zhang, X.W.; Gao, W.; Son, Y.A.; Bradford, P.D. Chemically interconnected ternary AgNP/polypyrrole/functionalized buckypaper composites as high-energy-density supercapacitor electrodes. Chem. Phys. Lett. 2020, 739, 136957. [Google Scholar] [CrossRef]
- Lieu, O.; Toan, H.R.; Vo, K.H.O.; Quyet, H.O. High performance supercapacitor based on thick buckypaper/polyaniline composite electrodes. Adv. Nat. Sci. Nanosci. Nanotechnol. 2019, 10, 025004. [Google Scholar]
- Sfaelou, S.; Antoniadou, M.; Trakakis, G.; Dracopoulos, V.; Tasis, D.; Parthenios, J.; Galiotis, C.; Papagelis, K.; Lianos, P. Buckypaper as Pt-free cathode electrode in photoactivated fuel cells. Electrochim. Acta 2012, 80, 399–404. [Google Scholar] [CrossRef]
- Zhu, S.Y.; Zheng, J.S.; Huang, J.; Dai, N.N.; Li, P.; Zheng, J.P. Fabrication of three-dimensional buckypaper catalyst layer with Pt nanoparticles supported on polyelectrolyte functionalized carbon nanotubes for proton exchange membrane fuel cells. J. Power Sources 2018, 393, 19–31. [Google Scholar] [CrossRef]
- Alanazi, A.; Alkhorayef, M.; Alzimami, K.; Jurewicz, I.; Abuhadi, N.; Dalton, A.; Bradley, D.A. Carbon nanotubes buckypaper radiation studies for medical physics applications. Appl. Radiat. Isot. 2016, 117, 106–110. [Google Scholar] [CrossRef] [PubMed]
- Rojas, J.A.; Ribeiro, B.; Rezende, M.C. Influence of serrated edge and rectangular strips of MWCNT buckypaper on the electromagnetic properties of glass fiber/epoxy resin composites. Carbon 2020, 160, 317–327. [Google Scholar] [CrossRef]
- Ribeiro, B.; Corredor, J.A.R.; Ardila, L.; Santos, L.F.P.; Costa, M.L.; Rezende, M.C.; Botelho, E.C. Preparation, thermal and mechanical properties of poly (ether-imide) composite reinforced with carbon nanotube buckypaper. J. Appl. Polym. Sci. 2020, 137, 48330. [Google Scholar] [CrossRef]
- Dalina, W.A.D.W.; Mariatti, M.; Tan, S.H. Multi-walled carbon nanotubes buckypaper/epoxy composites: Effect of loading and pressure on tensile and electrical properties. Polym. Bull. 2019, 76, 2801–2817. [Google Scholar] [CrossRef]
- Kausar, A.; Ilyas, H.; Siddiq, M. Current research status and application of polymer/carbon nanofiller buckypaper: A review. Polym. Plast. Technol. 2017, 56, 1780–1800. [Google Scholar] [CrossRef]
- Ribeiro, B.; Botelho, E.C.; Costa, M.L.; Bandeira, C.F. Carbon nanotube buckypaper reinforced polymer composites: A review. Polimeros 2017, 27, 247–255. [Google Scholar] [CrossRef]
- Trakakis, G.; Galiotis, C. Development and testing of a self-deformed composite material. Compos. Struct. 2010, 92, 306–311. [Google Scholar] [CrossRef]
- Spitalsky, Z.; Tasis, D.; Papagelis, K.; Galiotis, C. Carbon nanotube-polymer composites: Chemistry, processing, mechanical and electrical properties. Prog. Polym. Sci. 2010, 35, 357–401. [Google Scholar] [CrossRef]
- Spitalsky, Z.; Georga, S.N.; Krontiras, C.A.; Galiotis, C. Dielectric spectroscopy and tunability of multi-walled carbon nanotube/epoxy resin composites. Adv. Compos. Lett. 2010, 19, 193–203. [Google Scholar] [CrossRef]
- Spitalsky, Z.; Aggelopoulos, C.; Tsoukleri, G.; Tsakiroglou, C.; Parthenios, J.; Georga, S.; Krontiras, C.; Tasis, D.; Papagelis, K.; Galiotis, C. The effect of oxidation treatment on the properties of multi-walled carbon nanotube thin films. Mater. Sci. Eng. B Adv. 2009, 165, 135–138. [Google Scholar] [CrossRef]
- Spitalsky, Z.; Tsoukleri, G.; Tasis, D.; Krontiras, C.; Georga, S.N.; Galiotis, C. High volume fraction carbon nanotube-epoxy composites. Nanotechnology 2009, 20, 405702. [Google Scholar] [CrossRef] [PubMed]
- Spitalsky, Z.; Krontiras, C.A.; Georga, S.N.; Galiotis, C. Effect of oxidation treatment of multiwalled carbon nanotubes on the mechanical and electrical properties of their epoxy composites. Compos. Part A Appl. Sci. Manuf. 2009, 40, 778–783. [Google Scholar] [CrossRef]
- Ferreira, A.D.B.L.; Novoa, P.R.O.; Marques, A.T. Multifunctional material systems: A state-of-the-art review. Compos. Struct. 2016, 151, 3–35. [Google Scholar] [CrossRef]
- Ogrin, D.; Chattopadhyay, J.; Sadana, A.K.; Billups, W.E.; Barron, A.R. Epoxidation and deoxygenation of single-walled carbon nanotubes: Quantification of epoxide defects. J. Am. Chem. Soc. 2006, 128, 11322–11323. [Google Scholar] [CrossRef]
- Zhang, N.Y.; Me, J.; Varadan, V.K. Functionalization of carbon nanotubes by potassium permanganate assisted with phase transfer catalyst. Smart Mater. Struct. 2002, 11, 962–965. [Google Scholar] [CrossRef]
- King, J.A.; Hauser, R.A.; Tomson, A.M.; Wescoat, I.M.; Keith, J.M. Synergistic effects of carbon fillers in thermally conductive liquid crystal polymer based resins. J. Compos. Mater. 2008, 42, 91–107. [Google Scholar] [CrossRef]
- Wepasnick, K.A.; Smith, B.A.; Schrote, K.E.; Wilson, H.K.; Diegelmann, S.R.; Fairbrother, D.H. Surface and structural characterization of multi-walled carbon nanotubes following different oxidative treatments. Carbon 2011, 49, 24–36. [Google Scholar] [CrossRef]
- Datsyuk, V.; Kalyva, M.; Papagelis, K.; Parthenios, J.; Tasis, D.; Siokou, A.; Kallitsis, I.; Galiotis, C. Chemical oxidation of multiwalled carbon nanotubes. Carbon 2008, 46, 833–840. [Google Scholar] [CrossRef]
- Zacharia, R. Desorption of Gases from Graphitic and Porous Carbon Surfaces. Ph.D Thesis, Freie Univ., Berlin, Germany, 2004. [Google Scholar]
- Yang, B.; Kozey, V.; Adanur, S.; Kumar, S. Bending, compression, and shear behavior of woven glass fiber-epoxy composites. Compos. Part. B Eng. 2000, 31, 715–721. [Google Scholar] [CrossRef]
- Kota, A.K.; Cipriano, B.H.; Duesterberg, M.K.; Gershon, A.L.; Powell, D.; Raghavan, S.R.; Bruck, H.A. Electrical and rheological percolation in polystyrene/MWCNT nanocomposites. Macromolecules 2007, 40, 7400–7406. [Google Scholar] [CrossRef]
- Liao, S.H.; Hung, C.H.; Ma, C.C.M.; Yen, C.Y.; Lin, Y.F.; Weng, C.C. Preparation and properties of carbon nanotube-reinforced vinyl ester/nanocomposite bipolar plates for polymer electrolyte membrane fuel cells. J. Power Sources 2008, 176, 175–182. [Google Scholar] [CrossRef]
- Kymakis, E.; Alexandou, I.; Amaratunga, G.A.J. Single-walled carbon nanotube-polymer composites: Electrical, optical and structural investigation. Synth. Met. 2002, 127, 59–62. [Google Scholar] [CrossRef]
- Seidel, G.D.; Lagoudas, D.C. A Micromechanics Model for the Electrical Conductivity of Nanotube-Polymer Nanocomposites. J. Compos. Mater. 2009, 43, 917–941. [Google Scholar] [CrossRef]
- Curran, S.A.; Zhang, D.H.; Wondmagegn, W.T.; Ellis, A.V.; Cech, J.; Roth, S.; Carroll, D.L. Dynamic electrical properties of polymer-carbon nanotube composites: Enhancement through covalent bonding. J. Mater. Res. 2006, 21, 1071–1077. [Google Scholar] [CrossRef]
- Smith, R.C.; Carey, J.D.; Murphy, R.J.; Blau, W.J.; Coleman, J.N.; Silva, S.R.P. Charge transport effects in field emission from carbon nanotube-polymer composites. Appl. Phys. Lett. 2005, 87, 263105. [Google Scholar] [CrossRef]
- Wu, S.H.; Masaharu, I.; Natsuki, T.; Ni, Q.Q. Electrical conduction and percolation behavior of carbon nanotubes/UPR nanocomposites. J. Reinf. Plast. Comp. 2006, 25, 1957–1966. [Google Scholar] [CrossRef]
- Gojny, F.H.; Wichmann, M.H.G.; Fiedler, B.; Kinloch, I.A.; Bauhofer, W.; Windle, A.H.; Schulte, K. Evaluation and identification of electrical and thermal conduction mechanisms in carbon nanotube/epoxy composites. Polymer 2006, 47, 2036–2045. [Google Scholar] [CrossRef]
- Sandler, J.K.W.; Kirk, J.E.; Kinloch, I.A.; Shaffer, M.S.P.; Windle, A.H. Ultra-low electrical percolation threshold in carbon-nanotube-epoxy composites. Polymer 2003, 44, 5893–5899. [Google Scholar] [CrossRef]
- Liao, S.H.; Yen, C.Y.; Weng, C.C.; Lin, Y.F.; Ma, C.C.M.; Yang, C.H.; Tsai, M.C.; Yen, M.Y.; Hsiao, M.C.; Lee, S.J.; et al. Preparation and properties of carbon nanotube/polypropylene nanocomposite bipolar plates for polymer electrolyte membrane fuel cells. J. Power Sources 2008, 185, 1225–1232. [Google Scholar] [CrossRef]
- Hu, N.; Masuda, Z.; Yan, C.; Yamamoto, G.; Fukunaga, H.; Hashida, T. The electrical properties of polymer nanocomposites with carbon nanotube fillers. Nanotechnology 2008, 19, 215701. [Google Scholar] [CrossRef] [PubMed]
- Wang, X.; Jiang, Q.; Xu, W.Z.; Cai, W.; Inoue, Y.; Zhu, Y.T. Effect of carbon nanotube length on thermal, electrical and mechanical properties of CNT/bismaleimide composites. Carbon 2013, 53, 145–152. [Google Scholar] [CrossRef]
- Russ, M.; Rahatekar, S.S.; Koziol, K.; Farmer, B.; Peng, H.X. Length-dependent electrical and thermal properties of carbon nanotube-loaded epoxy nanocomposites. Compos. Sci. Technol. 2013, 81, 42–47. [Google Scholar] [CrossRef]
- Czichos, H.; Saito, T.; Smith, L.R. Springer Handbook of Materials Measurement Methods; Springer: Berlin, Germany, 2006. [Google Scholar]
- Choi, E.S.; Brooks, J.S.; Eaton, D.L.; Al-Haik, M.S.; Hussaini, M.Y.; Garmestani, H.; Li, D.; Dahmen, K. Enhancement of thermal and electrical properties of carbon nanotube polymer composites by magnetic field processing. J. Appl. Phys. 2003, 94, 6034–6039. [Google Scholar] [CrossRef]
- Kim, H.S.; Chae, Y.S.; Park, B.H.; Yoon, J.S.; Kang, M.; Jin, H.J. Thermal and electrical conductivity of poly(L-lactide)/multiwalled carbon nanotube nanocomposites. Curr. Appl. Phys. 2008, 8, 803–806. [Google Scholar] [CrossRef]
- Wen, D.S.; Ding, Y.L. Effective thermal conductivity of aqueous suspensions of carbon nanotubes (carbon nanotubes nanofluids). J. Thermophys. Heat Transf. 2004, 18, 481–485. [Google Scholar] [CrossRef]
- Biercuk, M.J.; Llaguno, M.C.; Radosavljevic, M.; Hyun, J.K.; Johnson, A.T.; Fischer, J.E. Carbon nanotube composites for thermal management. Appl. Phys. Lett. 2002, 80, 2767–2769. [Google Scholar] [CrossRef]
- Shen, Z.Q.; Bateman, S.; Wu, D.Y.; McMahon, P.; Dell’Olio, M.; Gotama, J. The effects of carbon nanotubes on mechanical and thermal properties of woven glass fibre reinforced polyamide-6 nanocomposites. Compos. Sci. Technol. 2009, 69, 239–244. [Google Scholar] [CrossRef]
- Nan, C.W.; Liu, G.; Lin, Y.H.; Li, M. Interface effect on thermal conductivity of carbon nanotube composites. Appl. Phys. Lett. 2004, 85, 3549–3551. [Google Scholar] [CrossRef]
- Moisala, A.; Li, Q.; Kinloch, I.A.; Windle, A.H. Thermal and electrical conductivity of single- and multi-walled carbon nanotube-epoxy composites. Compos. Sci. Technol. 2006, 66, 1285–1288. [Google Scholar] [CrossRef]
- Burger, N.; Laachachi, A.; Ferriol, M.; Lutz, M.; Toniazzo, V.; Ruch, D. Review of thermal conductivity in composites: Mechanisms, parameters and theory. Prog. Polym. Sci. 2016, 61, 1–28. [Google Scholar] [CrossRef]
- Han, Z.D.; Fina, A. Thermal conductivity of carbon nanotubes and their polymer nanocomposites: A review. Prog. Polym. Sci. 2011, 36, 914–944. [Google Scholar] [CrossRef]
- Kumar, A.; Sharma, K.; Dixit, A.R. A review of the mechanical and thermal properties of graphene and its hybrid polymer nanocomposites for structural applications. J. Mater. Sci. 2019, 54, 5992–6026. [Google Scholar] [CrossRef]
- Huang, C.L.; Qian, X.; Yang, R.G. Thermal conductivity of polymers and polymer nanocomposites. Mater. Sci. Eng. R Rep. 2018, 132, 1–22. [Google Scholar] [CrossRef]











| Material | 30–150 °C | 150–280 °C | 280–500 °C | 500–680 °C | Total | Total of 150–500 °C (Functionalities) |
|---|---|---|---|---|---|---|
| Weight Loss (%) | ||||||
| Unmodified CNTs | 0 | 0.70 | 0.50 | 2.83 | 4.03 | 1.2 |
| SG-O-MWCNTs | 1.07 | 2.07 | 3.26 | 9.17 | 15.57 | 5.33 |
| MG-O-MWCNTs | 1.29 | 2.23 | 4.00 | 10.66 | 18.16 | 6.23 |
| HG-O-MWCNTs | 1.75 | 2.53 | 4.36 | 11.33 | 19.97 | 6.89 |
| SG-E-MWCNTs | 0.78 | 4.02 | 1.81 | 4.80 | 11.41 | 5.83 |
| MG-E-MWCNTs | 0.92 | 4.14 | 1.81 | 5.10 | 11.97 | 5.95 |
| HG-E-MWCNTs | 0.65 | 4.46 | 1.82 | 6.14 | 13.07 | 6.28 |
| CNTs | Total Oxygen Amount (%) | Carbonyls/ Carboxyls (%) | Hydroxyls/ Epoxides (%) | Physically Adsorbed Oxygen and H2O Content (%) | sp3/sp2 |
|---|---|---|---|---|---|
| Unmodified | 2.5 | 0.78 | 1.66 | 0.06 | 0.10 |
| SG-O-MWCNTs | 7.7 | 2.52 | 4.56 | 0.61 | 0.12 |
| MG-O-MWCNTs | 10.4 | 4.56 | 5.19 | 0.65 | 0.14 |
| HG-O-MWCNTs | 10.6 | 4.04 | 5.72 | 0.84 | 0.16 |
| SG-E-MWCNTs | 4.4 | 1.72 | 2.40 | 0.28 | 0.12 |
| MG-E-MWCNTs | 8.5 | 3.47 | 4.14 | 0.88 | 0.13 |
| HG-E-MWCNTs | 12.3 | 7.25 | 4.62 | 0.42 | 0.15 |
| Buckypaper | Total Cumulative Volume (mm3/g) | Total Specific Surface Area (m2/g) | Average Pore Radius (nm) | Total Porosity (%) | Bulk Density (g/cm3) | Apparent Density (g/cm3) |
|---|---|---|---|---|---|---|
| HG-O | 605 | 128 | 12 | 39 | 0.63 | 1.04 |
| MG-O | 1202 | 186 | 22 | 53 | 0.44 | 0.92 |
| SG-O | 1661 | 218 | 31 | 61 | 0.37 | 0.95 |
| HG-E | 2283 | 192 | 69 | 74 | 0.32 | 1.26 |
| MG-E | 2116 | 194 | 56 | 71 | 0.33 | 1.17 |
| SG-E | 2079 | 218 | 48 | 69 | 0.33 | 1.08 |
| Buckypaper | σ (MPa) | ε (%) | E (GPa) |
|---|---|---|---|
| HG-O | 14.0 ± 1.8 | 0.7 ± 0.1 | 2.8 ± 0.2 |
| MG-O | 6.4 ± 1.3 | 1.0 ± 0.1 | 0.9 ± 0.2 |
| SG-O | 4.2 ± 1.1 | 1.7 ± 0.1 | 0.6 ± 0.2 |
| HG-E | 2.10 ± 0.1 | 2.35 ± 0.32 | 0.20 ± 0.02 |
| MG-E | 2.87 ± 0.4 | 2.23 ± 0.15 | 0.46 ± 0.12 |
| SG-E | 3.20 ± 0.3 | 2.21 ± 0.17 | 0.60 ± 0.11 |
| Material | σ (MPa) | ε (%) | Ef (GPa) | Vf (%) |
|---|---|---|---|---|
| HG-O-nanocomposite | 171 ± 8 | 2.1 ± 0.4 | 8.38 ± 0.3 | 16 |
| MG-O-nanocomposite | 200 ± 4 | 2.9 ± 0.4 | 8.08 ± 0.2 | 14 |
| SG-O-nanocomposite | 203 ± 3 | 4.1 ± 0.2 | 6.40 ± 0.2 | 11 |
| HG-E-nanocomposite | 206 ± 5 | 7.6 ± 0.6 | 6.45 ± 0.1 | 7.5 |
| MG-E-nanocomposite | 211 ± 6 | 7.6 ± 0.4 | 6.56 ± 0.2 | 9 |
| SG-E-nanocomposite | 232 ± 5 | 7.6 ± 0.5 | 6.63 ± 0.2 | 10 |
| Resin | 136 ± 5 | 8.2 ± 0.5 | 3.44 ± 0.12 | - |
| Material | σ’ at 0.1 Hz (S/cm) |
|---|---|
| HG-E-nanocomposite | 5.1 × 10−4 |
| MG-E-nanocomposite | 1.7 × 10−3 |
| SG-E-nanocomposite | 5.7 × 10−3 |
| HG-O-nanocomposite | 2.7 × 10−3 |
| MG-O-nanocomposite | 1.4 × 10−3 |
| SG-O-nanocomposite | 1.0 × 10−3 |
| Epoxy resin | 1.5 × 10−15 |
© 2020 by the authors. Licensee MDPI, Basel, Switzerland. This article is an open access article distributed under the terms and conditions of the Creative Commons Attribution (CC BY) license (http://creativecommons.org/licenses/by/4.0/).
Share and Cite
Trakakis, G.; Tomara, G.; Datsyuk, V.; Sygellou, L.; Bakolas, A.; Tasis, D.; Parthenios, J.; Krontiras, C.; Georga, S.; Galiotis, C.; et al. Mechanical, Electrical, and Thermal Properties of Carbon Nanotube Buckypapers/Epoxy Nanocomposites Produced by Oxidized and Epoxidized Nanotubes. Materials 2020, 13, 4308. https://doi.org/10.3390/ma13194308
Trakakis G, Tomara G, Datsyuk V, Sygellou L, Bakolas A, Tasis D, Parthenios J, Krontiras C, Georga S, Galiotis C, et al. Mechanical, Electrical, and Thermal Properties of Carbon Nanotube Buckypapers/Epoxy Nanocomposites Produced by Oxidized and Epoxidized Nanotubes. Materials. 2020; 13(19):4308. https://doi.org/10.3390/ma13194308
Chicago/Turabian StyleTrakakis, George, Georgia Tomara, Vitaliy Datsyuk, Labrini Sygellou, Asterios Bakolas, Dimitrios Tasis, John Parthenios, Christoforos Krontiras, Stavroula Georga, Costas Galiotis, and et al. 2020. "Mechanical, Electrical, and Thermal Properties of Carbon Nanotube Buckypapers/Epoxy Nanocomposites Produced by Oxidized and Epoxidized Nanotubes" Materials 13, no. 19: 4308. https://doi.org/10.3390/ma13194308
APA StyleTrakakis, G., Tomara, G., Datsyuk, V., Sygellou, L., Bakolas, A., Tasis, D., Parthenios, J., Krontiras, C., Georga, S., Galiotis, C., & Papagelis, K. (2020). Mechanical, Electrical, and Thermal Properties of Carbon Nanotube Buckypapers/Epoxy Nanocomposites Produced by Oxidized and Epoxidized Nanotubes. Materials, 13(19), 4308. https://doi.org/10.3390/ma13194308

