Achieving High Yield Strength and Ductility in As-Extruded Mg-0.5Sr Alloy by High Mn–Alloying
Abstract
1. Introduction
2. Experimental Procedure
3. Results
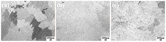
3.1. Microstructures before Extrusion
3.2. Grain Structure after Extrusion
3.3. Second Phase
3.4. Mechanical Properties
3.5. Work-Hardening Behavior
4. Discussion
4.1. Microstructures and Texture
4.2. Mechanical Properties
4.3. Work-Hardening Behavior
5. Conclusions
- The grain size of as-extruded alloys is refined by the addition of Mn. The main reason is that the growth of recrystallization grains is suppressed by the nanoscale Mn precipitates during extrusion.
- The main factors for the improvement in the TYS and CYS of Mg-0.5Sr-xMn alloys are refined microstructure, strengthened texture, and large volume of nanoscale Mn precipitates.
- Mn can significantly reduce the work hardening behavior of Mg-Sr alloy. With the addition of Mn, the values of Hc and n significantly decreased. The decrease in the alloy’s work-hardening ability is mainly due to grain refinement by addition of Mn.
- Mg-0.5Sr alloy with Mn addition has fine microstructures and good mechanical properties, which is a potential low-cost and high-performance magnesium alloy.
Author Contributions
Funding
Conflicts of Interest
References
- Xu, T.; Yang, Y.; Peng, X.; Song, J.; Pan, F. Overview of advancement and development trend on magnesium alloy. J. Magnes. Alloy 2019, 7, 536–544. [Google Scholar] [CrossRef]
- Zhang, J.; Liu, S.; Wu, R.; Hou, L.; Zhang, M. Recent developments in high-strength Mg-RE-based alloys: Focusing on Mg-Gd and Mg-Y systems. J. Magnes. Alloy 2018, 6, 277–291. [Google Scholar] [CrossRef]
- You, J.; Huang, Y.J.; Liu, C.M.; Zhan, H.Y.; Huang, L.X.; Zeng, G. Microstructural study of a Mg-Zn-Zr Alloy Hot Compressed at a High Strain Rate. Materials 2020, 13, 20. [Google Scholar] [CrossRef] [PubMed]
- Mordike, B.L.; Ebert, T. Magnesium: Properties—applications—potential. Mater. Sci. Eng. A 2001, 302, 37–45. [Google Scholar] [CrossRef]
- Mishra, R.K.; Gupta, A.K.; Rao, P.R.; Sachdev, A.K.; Kumar, A.M.; Luo, A.A. Influence of cerium on the texture and ductility of magnesium extrusions. Scripta Mater. 2008, 59, 562–565. [Google Scholar] [CrossRef]
- Wu, B.L.; Zhao, Y.H.; Du, X.H.; Zhang, Y.D.; Wagner, F.; Esling, C. Ductility enhancement of extruded magnesium via yttrium addition. Mater. Sci. Eng. A 2010, 527, 4334–4340. [Google Scholar] [CrossRef]
- Ye, X.; Cao, H.S.; Qi, F.G.; Ouyang, X.P.; Ye, Z.S.; Hou, C.H.; Li, L.H.; Zhang, D.F.; Zhao, N. Effect of Y addition on the microstructure and mechanical properties of ZM31 alloy. Materials 2020, 13, 14. [Google Scholar] [CrossRef]
- Kim, W.J.; Jeong, H.G.; Jeong, H.T. Achieving high strength and high ductility in magnesium alloys using severe plastic deformation combined with low-temperature aging. Scripta Mater. 2009, 61, 1040–1043. [Google Scholar] [CrossRef]
- Orlov, D.; Raab, G.; Lamark, T.T.; Popov, M.; Estrin, Y. Improvement of mechanical properties of magnesium alloy ZK60 by integrated extrusion and equal channel angular pressing. Acta Mater. 2011, 59, 375–385. [Google Scholar] [CrossRef]
- Toth, L.S.; Gu, C. Ultrafine-grain metals by severe plastic deformation. Mater. Charact. 2014, 92, 1–14. [Google Scholar] [CrossRef]
- Peng, P.; She, J.; Tang, A.; Zhang, J.; Zhou, S.; Xiong, X.; Pan, F. Novel continuous forging extrusion in a one-step extrusion process for bulk ultrafine magnesium alloy. Mater. Sci. Eng. A 2019, 764, 138144. [Google Scholar] [CrossRef]
- She, J.; Peng, P.; Tang, A.T.; Zhang, J.Y.; Mao, J.J.; Liu, T.T.; Zhou, S.B.; Wang, Y.; Pan, F.S. Novel on-line twist extrusion process for bulk magnesium alloys. Mater. Des. 2019, 182, 108011. [Google Scholar] [CrossRef]
- Guan, K.; Yang, Q.; Bu, F.; Qiu, X.; Sun, W.; Zhang, D.; Zheng, T.; Niu, X.; Liu, X.; Meng, J. Microstructures and mechanical properties of a high-strength Mg-3.5Sm-0.6Zn-0.5Zr alloy. Mater. Sci. Eng. A 2017, 703, 97–107. [Google Scholar] [CrossRef]
- Kang, J.-W.; Sun, X.-F.; Deng, K.-K.; Xu, F.-J.; Zhang, X.; Bai, Y. High strength Mg-9Al serial alloy processed by slow extrusion. Mater. Sci. Eng. A 2017, 697, 211–216. [Google Scholar] [CrossRef]
- Gu, X.N.; Xie, X.H.; Li, N.; Zheng, Y.F.; Qin, L. In vitro and in vivo studies on a Mg–Sr binary alloy system developed as a new kind of biodegradable metal. Acta Biomater. 2012, 8, 2360–2374. [Google Scholar] [CrossRef]
- Tie, D.; Guan, R.; Liu, H.; Cipriano, A.; Liu, Y.; Wang, Q.; Huang, Y.; Hort, N. An in vivo study on the metabolism and osteogenic activity of bioabsorbable Mg–1Sr alloy. Acta Biomater. 2016, 29, 455–467. [Google Scholar] [CrossRef]
- She, J.; Zhou, S.B.; Peng, P.; Tang, A.T.; Wang, Y.; Pan, H.C.; Yang, C.L.; Pan, F.S. Improvement of strength-ductility balance by Mn addition in Mg–Ca extruded alloy. Mater. Sci. Eng. A 2020, 772, 138796. [Google Scholar] [CrossRef]
- Yu, Z.; Tang, A.; Wang, Q.; Gao, Z.; He, J.; She, J.; Song, K.; Pan, F. High strength and superior ductility of an ultra-fine grained magnesium–manganese alloy. Mater. Sci. Eng. A 2015, 648, 202–207. [Google Scholar] [CrossRef]
- Pan, F.; Mao, J.; Zhang, G.; Tang, A.; She, J. Development of high-strength, low-cost wrought Mg–2.0mass% Zn alloy with high Mn content. Prog. Nat. Sci. Mater. Int. 2016, 26, 630–635. [Google Scholar] [CrossRef]
- Borkar, H.; Gauvin, R.; Pekguleryuz, M. Effect of extrusion temperature on texture evolution and recrystallization in extruded Mg–1% Mn and Mg–1% Mn–1.6%Sr alloys. J. Alloys Compd. 2013, 555, 219–224. [Google Scholar] [CrossRef]
- Borkar, H.; Hoseini, M.; Pekguleryuz, M. Effect of strontium on flow behavior and texture evolution during the hot deformation of Mg–1wt%Mn alloy. Mater. Sci. Eng. A 2012, 537, 49–57. [Google Scholar] [CrossRef]
- Borkar, H.; Hoseini, M.; Pekguleryuz, M. Effect of strontium on the texture and mechanical properties of extruded Mg–1%Mn alloys. Mater. Sci. Eng. A 2012, 549, 168–175. [Google Scholar] [CrossRef]
- Borkar, H.; Pekguleryuz, M. Microstructure and texture evolution in Mg–1 %Mn–Sr alloys during extrusion. J. Mater. Sci. 2012, 48, 1436–1447. [Google Scholar] [CrossRef]
- Celikin, M.; Kaya, A.A.; Pekguleryuz, M. Microstructural investigation and the creep behavior of Mg–Sr–Mn alloys. Mater. Sci. Eng. A 2012, 550, 39–50. [Google Scholar] [CrossRef]
- Celikin, M.; Pekguleryuz, M. The role of α-Mn precipitation on the creep mechanisms of Mg–Sr–Mn. Mater. Sci. Eng. A 2012, 556, 911–920. [Google Scholar] [CrossRef]
- Zhou, H.; Chen, C.; Wang, Y.; Du, Y.; Liu, S. Experimental investigation and thermodynamic calculation of the Mg–Mn–Sr system. Calphad 2016, 52, 110–119. [Google Scholar] [CrossRef]
- Kim, S.-H.; Lee, J.U.; Kim, Y.J.; Jung, J.-G.; Park, S.H. Controlling the microstructure and improving the tensile properties of extruded Mg-Sn-Zn alloy through Al addition. J. Alloys Compd. 2018, 751, 1–11. [Google Scholar] [CrossRef]
- Park, H.; Kim, S.-H.; Kim, H.S.; Yoon, J.; You, B.S. High-speed indirect extrusion of Mg-Sn-Al-Zn alloy and its influence on microstructure and mechanical properties. J. Alloys Compd. 2016, 667, 170–177. [Google Scholar] [CrossRef]
- Cheng, W.L.; Tian, Q.W.; Yu, H.; Zhang, H.; You, B.S. Strengthening mechanisms of indirect-extruded Mg–Sn based alloys at room temperature. J. Magnes. Alloy 2014, 2, 299–304. [Google Scholar] [CrossRef]
- Gao, M.; Cao, Y.; Zeng, X.Y.; Lin, T.X. Mechanical properties and microstructures of hybrid laser MIG welded dissimilar Mg-Al-Zn alloys. Sci. Technol. Weld. Join. 2010, 15, 638–645. [Google Scholar] [CrossRef]
- He, J.; Mao, Y.; Gao, Y.; Xiong, K.; Jiang, B.; Pan, F. Effect of rolling paths and pass reductions on the microstructure and texture evolutions of AZ31 sheet with an initial asymmetrical texture distribution. J. Alloys Compd. 2019, 786, 394–408. [Google Scholar] [CrossRef]
- Zhao, X.; Li, S.; Xue, Y.; Zhang, Z. An investigation on microstructure, texture and mechanical properties of AZ80 Mg alloy processed by annular channel angular extrusion. Materials 2019, 12, 1001. [Google Scholar] [CrossRef] [PubMed]
- Wang, L.; Zhaob, Y.; Zhang, J.; Ma, R.; Liu, Y.; Wang, Y.; Zhang, Q.; Li, W.; Zhang, Y. Quantitative analysis on friction stress of hot-extruded AZ31 magnesium alloy at room temperature. J. Mater. Sci. Technol. 2018, 34, 1765–1772. [Google Scholar] [CrossRef]
- Zhang, H.; Yan, Y.; Fan, J.; Cheng, W.; Roven, H.J.; Xu, B.; Dong, H. Improved mechanical properties of AZ31 magnesium alloy plates by pre-rolling followed by warm compression. Mater. Sci. Eng. Struct. Mater. Prop. Microstruct. Process. 2014, 618, 540–545. [Google Scholar] [CrossRef]
- Jiang, D.; Dai, Y.; Zhang, Y.; Liu, C.; Yu, K. Effects of Strontium addition on microstructure, mechanical properties, corrosion properties and cytotoxicity of Mg-1Zn-1Mn alloy. Mater. Res. Exp. 2019, 6, 1–12. [Google Scholar] [CrossRef]
- Zhang, D.-F.; Shi, G.-L.; Zhao, X.-B.; Qi, F.-G. Microstructure evolution and mechanical properties of Mg-x%Zn-1%Mn (x=4, 5, 6, 7, 8, 9) wrought magnesium alloys. Trans. Nonf. Metals Soc. China 2011, 21, 15–25. [Google Scholar] [CrossRef]
- Kocks, U.F.; Mecking, H. Physics and phenomenology of strain hardening: the FCC case. Prog. Mater Sci. 2003, 48, 171–273. [Google Scholar] [CrossRef]
- Liu, T.; Pan, F.; Zhang, X. Effect of Sc addition on the work-hardening behavior of ZK60 magnesium alloy. Mater. Des. 2013, 43, 572–577. [Google Scholar] [CrossRef]
- Zhao, C.; Chen, X.; Pan, F.; Gao, S.; Zhao, D.; Liu, X. Effect of Sn content on strain hardening behavior of as-extruded Mg-Sn alloys. Mater. Sci. Eng. A 2018, 713, 244–252. [Google Scholar] [CrossRef]
- Zhang, Z.Y.; Wu, Y.; Zhou, J.; Wang, H.; Liu, X.J.; Lu, Z.P. Strong work-hardening behavior in a Ti-based bulk metallic glass composite. Scripta Mater. 2013, 69, 73–76. [Google Scholar] [CrossRef]
- Celikin, M.; Gauvin, R.; Pekguleryuz, M. Dynamic co-precipitation of α-Mn/Mg12Ce in creep resistant Mg-Sr-Mn-Ce alloys. Mater. Sci. Eng. A 2018, 719, 199–205. [Google Scholar] [CrossRef]
- Cao, P.; Qian, M.; John, D.H. Effect of manganese on grain refinement of Mg–Al based alloys. Scripta Mater. 2006, 54, 1853–1858. [Google Scholar] [CrossRef]
- Huang, K.; Marthinsen, K.; Zhao, Q.; Logé, R.E. The double-edge effect of second-phase particles on the recrystallization behaviour and associated mechanical properties of metallic materials. Prog. Mater Sci. 2018, 92, 284–359. [Google Scholar] [CrossRef]
- Jung, I.-H.; Sanjari, M.; Kim, J.; Yue, S. Role of RE in the deformation and recrystallization of Mg alloy and a new alloy design concept for Mg–RE alloys. Scripta Mater. 2015, 102, 1–6. [Google Scholar] [CrossRef]
- Yu, H.; Li, C.; Xin, Y.; Chapuis, A.; Huang, X.; Liu, Q. The mechanism for the high dependence of the Hall-Petch slope for twinning/slip on texture in Mg alloys. Acta Mater. 2017, 128, 313–326. [Google Scholar] [CrossRef]
- Pan, H.; Qin, G.; Ren, Y.; Wang, L.; Sun, S.; Meng, X. Achieving high strength in indirectly-extruded binary Mg–Ca alloy containing Guinier–Preston zones. J. Alloys Compd. 2015, 630, 272–276. [Google Scholar] [CrossRef]
- Razavi, S.M.; Foley, D.C.; Karaman, I.; Hartwig, K.T.; Duygulu, O.; Kecskes, L.J.; Mathaudhu, S.N.; Hammond, V.H. Effect of grain size on prismatic slip in Mg–3Al–1Zn alloy. Scripta Mater. 2012, 67, 439–442. [Google Scholar] [CrossRef]
- Yuan, W.; Panigrahi, S.K.; Su, J.Q.; Mishra, R.S. Influence of grain size and texture on Hall–Petch relationship for a magnesium alloy. Scripta Mater. 2011, 65, 994–997. [Google Scholar] [CrossRef]
- Nie, J.F. Effects of precipitate shape and orientation on dispersion strengthening in magnesium alloys. Scripta Mater. 2003, 48, 1009–1015. [Google Scholar] [CrossRef]
- Liu, D.; Liu, Z.; Wang, E. Effect of rolling reduction on microstructure, texture, mechanical properties and mechanical anisotropy of AZ31 magnesium alloys. Mater. Sci. Eng. A 2014, 612, 208–213. [Google Scholar] [CrossRef]
- Zhao, T.S.; Hu, Y.B.; He, B.; Zhang, C.; Zheng, T.X.; Pan, F.S. Effect of manganese on microstructure and properties of Mg-2Gd magnesium alloy. Mater. Sci. Eng. Struct. Mater. Proper. Microstruct. Process. 2019, 765, 10. [Google Scholar] [CrossRef]
- Bettles, C.; Barnett, M. Advances in Wrought Magnesium Alloys: Fundamentals of Processing, Properties and Applications; Elsevier: Amsterdam, The Netherlands, 2012. [Google Scholar]
- del Valle, J.A.; Carreño Ruano, O.A. Influence of texture and grain size on work hardening and ductility in magnesium-based alloys processed by ECAP and rolling. Acta Mater. 2006, 54, 4247–4259. [Google Scholar] [CrossRef]
- Liao, H.; Kim, J.; Liu, T.; Tang, A.; She, J.; Peng, P.; Pan, F. Effects of Mn addition on the microstructures, mechanical properties and work-hardening of Mg-1Sn alloy. Mater. Sci. Eng. A 2019, 754, 778–785. [Google Scholar] [CrossRef]









| Alloys | Sr | Mn | Mg |
|---|---|---|---|
| Mg-0.5Sr | 0.15 | 0 | Bulk |
| Mg-0.5Sr-1Mn | 0.18 | 0.94 | Bulk |
| Mg-0.5Sr-2Mn | 0.14 | 1.98 | Bulk |
| Alloys | TYS (MPa) | UTS (MPa) | EL (%) | CYS (MPa) | CYS/TYS |
|---|---|---|---|---|---|
| Mg-0.5Sr | 0.79 | ||||
| Mg-0.5Sr-1Mn | 0.71 | ||||
| Mg-0.5Sr-2Mn | 0.84 |
© 2020 by the authors. Licensee MDPI, Basel, Switzerland. This article is an open access article distributed under the terms and conditions of the Creative Commons Attribution (CC BY) license (http://creativecommons.org/licenses/by/4.0/).
Share and Cite
Zhou, S.; He, X.; Peng, P.; Liu, T.; Sheng, G.; Tang, A.; Pan, F. Achieving High Yield Strength and Ductility in As-Extruded Mg-0.5Sr Alloy by High Mn–Alloying. Materials 2020, 13, 4176. https://doi.org/10.3390/ma13184176
Zhou S, He X, Peng P, Liu T, Sheng G, Tang A, Pan F. Achieving High Yield Strength and Ductility in As-Extruded Mg-0.5Sr Alloy by High Mn–Alloying. Materials. 2020; 13(18):4176. https://doi.org/10.3390/ma13184176
Chicago/Turabian StyleZhou, Shibo, Xiongjiangchuan He, Peng Peng, Tingting Liu, Guangmin Sheng, Aitao Tang, and Fusheng Pan. 2020. "Achieving High Yield Strength and Ductility in As-Extruded Mg-0.5Sr Alloy by High Mn–Alloying" Materials 13, no. 18: 4176. https://doi.org/10.3390/ma13184176
APA StyleZhou, S., He, X., Peng, P., Liu, T., Sheng, G., Tang, A., & Pan, F. (2020). Achieving High Yield Strength and Ductility in As-Extruded Mg-0.5Sr Alloy by High Mn–Alloying. Materials, 13(18), 4176. https://doi.org/10.3390/ma13184176

