Efficiency of Plasticity Correction in the Hole-Drilling Residual Stress Measurement
Abstract
1. Introduction
- various magnitudes of residual stress (related to the yield stress),
- various biaxiality ratios of applied stresses (uniaxial tension, plane shear stress state and equi-biaxial stress state),
- various rosette strain gauge orientations according to the principal directions,
- uncertain knowledge of the material constant (yield stress) of the investigated material,
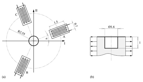
- using rosette strain gauge type 1-RY61-1.5/120S (HBM),
- using the correction of plasticity effect developed at the University in Pisa with inclusion of all the above stated factors.
- to obtain a qualified opinion on various recommendations related to the maximum value of reliable evaluated residual stresses,
- to assess the errors due to the plasticity effect with using the above-mentioned ASTM standard,
- to verify the quality of the plasticity effect correction method developed by the University in Pisa.
2. Materials and Methods
- and are calculated using the relaxed strains under the consideration of linearly elastic state of stress,
- is calculated using the Equation (5),
- is calculated using the Equation (6),
- is calculated using the Equation (9),
- is calculated using the Equation (10),
- is calculated using either the Equation (15) or iterating the Equation (19),
- is calculated using the Equation (12),
- is calculated using the Equation (3) considering the Equation (13),
- is calculated using the Equation (4) considering the Equation (13).
3. Computational Modelling of the Hole Drilling
- uniaxial tension (biaxiality ratio ),
- plane shear stress state (biaxiality ratio ),
- equi-biaxial stress state (biaxiality ratio ).
- , 0.6, 0.8, 0.9, 0.95 and 1,
- 0.01, 0.1, 0.25,
- °, 15°, 30°, 45° and 60°.
4. Results and Discussion
4.1. Uniaxial Tension ()
4.2. Plane Shear Stress State ()
4.3. Equi-Biaxial Stress State ()
4.4. The Comparison of All Stress States
5. Conclusions
- The plasticity effect was negligible for residual stress ratio lower than .
- The correction on the plasticity effect was very successful at for the hole-drilling method programmed within MATLAB. The relative error increased for higher magnitudes of residual stress. Nevertheless, the correction can be still considered as acceptable.
- Failing to comply with the demand on the strain gauge rosette orientation along with the principal stress directions caused an increase in the relative error for corrected stress only in the case of uniaxial tension. Nevertheless, the relative errors are still acceptable from an engineering point of view. Unknown principal stress directions influenced only slightly the error for the plane shear and equi-biaxial stress state.
- The unknown yield strength of the material affected the efficiency of the correction method, but if the yield strength used for the correction method was in range of ±100 MPa from its actual value, the relative error for the uniaxial tension stress state was up to 5%.
Author Contributions
Funding
Conflicts of Interest
References
- Schajer, G.S. Practical Residual Stress Measurement Methods; John Wiley & Sons: Chichester, UK, 2013. [Google Scholar]
- Halabuk, D.; Navrat, T. The effect of third principal stress in the measurement of residual stresses by hole-drilling method. In Proceeding of the 2018 3rd International Conference on Design, Mechanical and Material Engineering (D2ME 2018), Phuket, Thailand, 27–29 September 2018; Das, R., Ed.; EDP Science: Les Ulis, France, 2018; Volume 237, pp. 1–6. [Google Scholar]
- Beaney, E.M.; Procter, E. Critical evaluation of the centre hole technique for the measurement of residual stresses. Strain 1974, 10, 7–14. [Google Scholar] [CrossRef]
- Gibmeier, J.; Kornmeier, M.; Scholtes, B. Plastic deformation during application of the holle-drilling method. Mater. Sci. Forum 2000, 347–349, 131–137. [Google Scholar] [CrossRef]
- Lin, Y.C.; Chou, C.P. Error induced by local yielding around hole in hole drilling method for measuring residual stress of materials. Mater. Sci Technol. 1995, 11, 600–604. [Google Scholar] [CrossRef]
- Nickola, W.E. Post-yield effects on center-hole residual stress measurements. In Proceedings of the 5th International Congress on Experimental Mechanics, Montreal, QC, Canada, 10–14 June 1984; pp. 126–136. [Google Scholar]
- Vangi, D.; Ermini, M.D. Plasticity effects in residual stress measurement by the hole drilling method. Strain 2000, 36, 55–59. [Google Scholar]
- Weng, C.C.; Lo, S.C. Measurement of residual stresses in welded steel joints using hole drilling method. Mater. Sci. Technol. 1992, 8, 212–218. [Google Scholar] [CrossRef]
- Kornmeier, M.; Nobre, J.P.; Dias, M.; Gigmeier, J.; Scholtes, B. Plasticity effect on residual stresses results using different hole-drilling evaluation methods. In Proceedings of the 6th International Conference on Residual Stresses, Oxford, UK, 10–12 July 2000; pp. 1188–1195. [Google Scholar]
- ASTM International. ASTM E837-13a—Standard Test Method for Determining Residual Stresses by the Hole-Drilling Strain Gauge Method; ASTM International: West Conshohocken, PA, USA, 2013. [Google Scholar]
- Yan, Z.H.; Wu, S.Y.; Yi, P.; Pin, L.Y.; Jun, C.Y. On the correction of plasticity effect at the hole edge when using the centre hole method for measuring high welding residual stress. Strain 1996, 32, 125–130. [Google Scholar] [CrossRef]
- Wang, Y.; Huang, L. A new method of calibrating strain release coefficients in measuring welding stresses. Strain 1994, 30, 9–14. [Google Scholar]
- Moharami, R.; Sattari-Far, I. Experimental and numerical study of measuring high welding residual stresses by using the blind-hole-drilling technique. J. Strain Anal. Eng. Des. 2008, 43, 141–148. [Google Scholar] [CrossRef]
- Vangi, D.; Tellini, S. Hole-drilling strain-gauge method: Residual stress measurement with plasticity effects. J. Eng. Mater. Technol. 2010, 132, 1–7. [Google Scholar] [CrossRef]
- Seifi, R.; Salimi-Majd, D. Effects of plasticity on residual stresses measurement by hole drilling method. Mech. Mater. 2012, 53, 72–79. [Google Scholar] [CrossRef]
- Beghini, M.; Bertini, L.; Raffaelli, P. Numerical analysis of the plasticity effects in the hole drilling residual stress measurement. J. Test. Eval. 1994, 22, 522–529. [Google Scholar]
- Beghini, M.; Bertini, L. Recent advances in the hole drilling method for residual stress measurement. J. Mater. Eng. Perform. 1998, 7, 163–172. [Google Scholar] [CrossRef]
- Beghini, M.; Bertini, L.; Santus, C. A procedure for evaluating high residual stresses using the blind hole drilling method, including the effect of plasticity. J. Strain Anal. Eng. Des. 2010, 45, 301–318. [Google Scholar] [CrossRef]
- Kirsch, J.H. Die theorie der elastizität und die bedürfnisse der festigkeitslehre. Z. Ver. Dtsch. Ing. 1898, 42, 797–807. [Google Scholar]
- Navrat, T.; Halabuk, D.; Vlk, M. The issue of recommended hole diameters in ASTM E837-13a. In Experimental Stress Analysis (EAN 2017); Technical University of Košice: Košice, Slovakia, 2017; pp. 8–14. [Google Scholar]










| (°) | (MPa) | (-) | (MPa) | (%) | (%) |
|---|---|---|---|---|---|
| 0 | 250 | 0.5 | 2100 | 0.35 | 0.20 |
| 21,000 | 0.33 | 0.19 | |||
| 52,500 | 0.29 | 0.17 | |||
| 300 | 0.6 | 2100 | 1.3 | 0.29 | |
| 21,000 | 1.1 | 0.25 | |||
| 52,500 | 0.88 | 0.21 | |||
| 400 | 0.8 | 2100 | 8.5 | –0.13 | |
| 21,000 | 6.9 | –0.09 | |||
| 52,500 | 5.1 | –0.11 | |||
| 450 | 0.9 | 2100 | 20.1 | 1.5 | |
| 21,000 | 16.1 | 1.3 | |||
| 52,500 | 11.2 | 0.73 | |||
| 475 | 0.95 | 2100 | 29.5 | 3.4 | |
| 21,000 | 23.5 | 3.0 | |||
| 52,500 | 16.1 | 1.9 | |||
| 500 | 1 | 2100 | 38.8 | 5.9 | |
| 21,000 | 31.8 | 5.2 | |||
| 52,500 | 21.9 | 3.5 |
| (°) | (MPa) | (-) | (MPa) | (%) | (%) |
|---|---|---|---|---|---|
| 400 | 0.8 | 0 | 2100 | 8.5 | −0.13 |
| 21,000 | 6.9 | −0.09 | |||
| 52,500 | 5.1 | −0.11 | |||
| 15 | 2100 | 6.6 | −1.3 | ||
| 21,000 | 5.5 | −1.1 | |||
| 52,500 | 4.1 | −0.8 | |||
| 30 | 2100 | 12.04 | 1.16 | ||
| 21,000 | 9.88 | 1.23 | |||
| 52,500 | 7.26 | 1.15 | |||
| 45 | 2100 | 17.1 | 3.4 | ||
| 21,000 | 13.93 | 3.31 | |||
| 52,500 | 10.1 | 2.9 | |||
| 60 | 2100 | 12.04 | 1.16 | ||
| 21,000 | 9.88 | 1.23 | |||
| 52,500 | 7.26 | 1.15 |
| (-) | (MPa) | (MPa) | (%) | (MPa) | (%) |
|---|---|---|---|---|---|
| 0.9 | 450 | 2100 | 8.5 | 383.7 | –4.1 |
| 1 | 500 | 8.5 | 399.5 | –0.13 | |
| 1.1 | 550 | 8.5 | 411.2 | 2.8 | |
| 1.2 | 600 | 8.5 | 419.6 | 4.9 | |
| 1.3 | 650 | 8.5 | 425.2 | 6.3 |
| (°) | (MPa) | (MPa) | (-) | (-) | (%) | (%) |
|---|---|---|---|---|---|---|
| 0 | 144.3 | –144.3 | 0.289 | 0.5 | 0.85 | 0.85 |
| 173.2 | –173.2 | 0.346 | 0.6 | 1.2 | 1.1 | |
| 230.9 | –230.9 | 0.462 | 0.8 | 5.1 | 1.5 | |
| 259.8 | –259.8 | 0.520 | 0.9 | 13.0 | 2.9 | |
| 274.2 | –274.2 | 0.548 | 0.95 | 19.5 | 4.5 | |
| 288.7 | –288.7 | 0.577 | 1 | 24.9 | 5.1 | |
| 45 | 144.3 | –144.3 | 0.289 | 0.5 | 0.85 | 0.85 |
| 173.2 | –173.2 | 0.346 | 0.6 | 1.2 | 1.1 | |
| 230.9 | –230.9 | 0.462 | 0.8 | 5.2 | 1.6 | |
| 259.8 | –259.8 | 0.520 | 0.9 | 13.1 | 3.0 | |
| 274.2 | –274.2 | 0.548 | 0.95 | 19.5 | 4.6 | |
| 288.7 | –288.7 | 0.577 | 1 | 24.4 | 4.9 |
| (MPa) | (MPa) | (-) | (-) | (°) | (%) | (%) |
|---|---|---|---|---|---|---|
| 230.9 | –230.9 | 0.462 | 0.8 | 0 | 5.1 | 1.5 |
| 15 | 4.93 | 1.49 | ||||
| 30 | 5.0 | 1.5 | ||||
| 45 | 5.19 | 1.59 | ||||
| 60 | 5.0 | 1.5 |
| (MPa) | (MPa) | (-) | (MPa) | (%) | (%) |
|---|---|---|---|---|---|
| 250 | 250 | 0.5 | 2100 | –0.54 | –0.54 |
| 300 | 300 | 0.6 | –0.37 | –0.76 | |
| 400 | 400 | 0.8 | 5.7 | –2.4 | |
| 450 | 450 | 0.9 | 13.3 | –3.1 | |
| 475 | 475 | 0.95 | 17.3 | –3.3 | |
| 500 | 500 | 1 | 26.0 | –1.6 |
© 2020 by the authors. Licensee MDPI, Basel, Switzerland. This article is an open access article distributed under the terms and conditions of the Creative Commons Attribution (CC BY) license (http://creativecommons.org/licenses/by/4.0/).
Share and Cite
Návrat, T.; Halabuk, D.; Vosynek, P. Efficiency of Plasticity Correction in the Hole-Drilling Residual Stress Measurement. Materials 2020, 13, 3396. https://doi.org/10.3390/ma13153396
Návrat T, Halabuk D, Vosynek P. Efficiency of Plasticity Correction in the Hole-Drilling Residual Stress Measurement. Materials. 2020; 13(15):3396. https://doi.org/10.3390/ma13153396
Chicago/Turabian StyleNávrat, Tomáš, Dávid Halabuk, and Petr Vosynek. 2020. "Efficiency of Plasticity Correction in the Hole-Drilling Residual Stress Measurement" Materials 13, no. 15: 3396. https://doi.org/10.3390/ma13153396
APA StyleNávrat, T., Halabuk, D., & Vosynek, P. (2020). Efficiency of Plasticity Correction in the Hole-Drilling Residual Stress Measurement. Materials, 13(15), 3396. https://doi.org/10.3390/ma13153396

