Catastrophic Influence of Global Distortional Modes on the Post-Buckling Behavior of Opened Columns
Abstract
1. Introduction
2. Formulation of the Problem
2.1. Semi-Analytical Method (SAM)
2.2. Finite Element Method (FEM)
- In the middle of the column, displacements along the column length are equal to 0, i.e., uz = 0,
- At both ends K1 and K2, it is assumed that the intersection point of the web with the cross-section axis (denoted as point 1 in Figure 2c) cannot displace along the y-axis, i.e., (uy)1 = 0. In segment 1–2, the web cannot displace along the x-axis, i.e., (ux)1–2 = 0. In segment 2–3, the arm displaces with respect to the y-axis identically as corner 2, i.e., (uy)2–3 = (uy)2. Reinforcement 3–4 displaces along the x-axis identically as corner 3, i.e., (ux)3–4 = (ux)3.
3. Results and Discussion
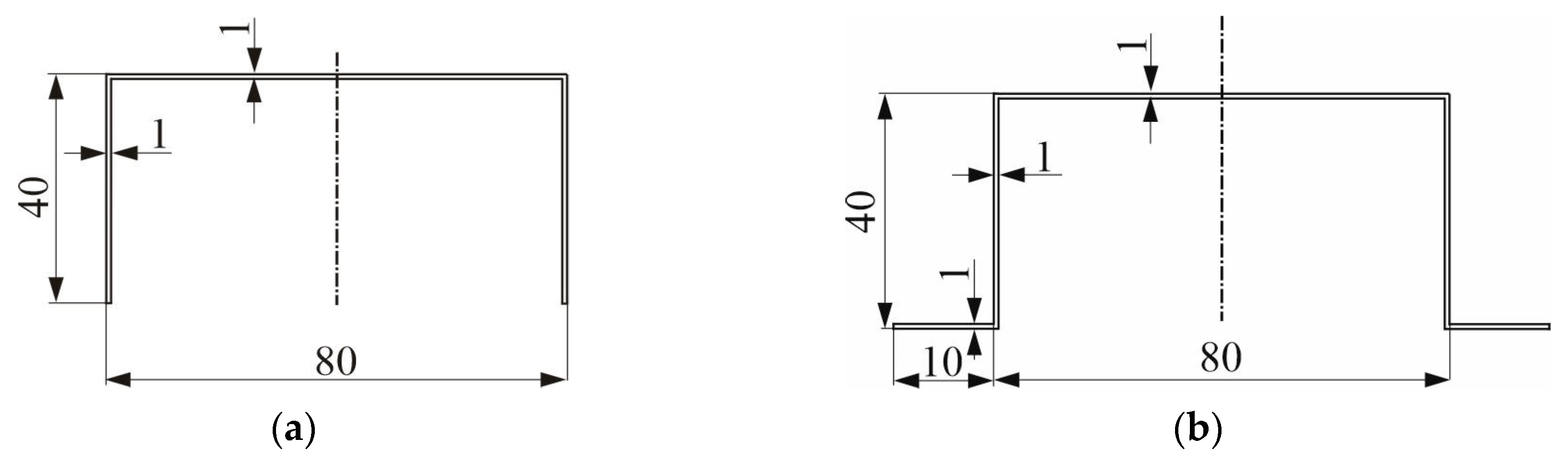
3.1. C-Channel Columns
3.2. TH-Channel Columns
4. Conclusions
Author Contributions
Funding
Conflicts of Interest
References
- Van der Heijden, A.M.A. Koiter’s Elastic Stability of Solids and Structures; Cambridge Universitet Delft: Delft, The Netherlands, 2008. [Google Scholar] [CrossRef]
- Doyle, J.F. Nonlinear Analysis of Thin-Walled Structures; Springer: New York, NY, USA, 2001. [Google Scholar] [CrossRef]
- Kołakowski, Z.; Teter, A. Coupled static and dynamic buckling modelling of thin-walled structures in elastic range. Review of selected problems. Acta Mech. Et Autom. 2016, 10, 141–149. [Google Scholar] [CrossRef]
- Teter, A.; Kołakowski, Z. Interactive buckling and load-carrying capacity of thin-walled beam-columns with intermediate stiffeners. Thin Walled Struct. 2004, 42, 211–254. [Google Scholar] [CrossRef]
- Kołakowski, Z.; Teter, A. Interactive buckling of thin-walled beam-columns with intermediate stiffeners or/and variable thickness. Int. J. Solid Struct. 2000, 37, 3323–3344. [Google Scholar] [CrossRef]
- Adany, S. Constrained shell Finite Element Method for thin-walled members, Part 1: Constrains for a single band of finite elements. Thin Walled Struct. 2018, 128, 43–55. [Google Scholar] [CrossRef]
- Adany, S.; Visy, D.; Nagy, R. Constrained shell Finite Element Method, Part 2: Application to linear buckling of thin-walled members. Thin Walled Struct. 2018, 128, 56–70. [Google Scholar] [CrossRef]
- Adany, S.; Schafer, B.W. A full modal decomposition of thin-walled, single-branched open cross-section members via the constrained finite strip method. J. Constr. Steel Res. 2008, 64, 12–29. [Google Scholar] [CrossRef]
- Schafer, B.W. Advances in the Direct Strength Method of cold-formed steel design. Thin Walled Struct. 2019, 140, 533–541. [Google Scholar] [CrossRef]
- Becque, J.; Xilin, L.; Davison, B. Modal decomposition of coupled instabilities: The method of the equivalent nodal forces. Thin Walled Struct. 2019, 143, 106229. [Google Scholar] [CrossRef]
- Hanock, G.J. Coupled Instabilities in Metal Structures (CIMS)–What have we learned and are we going? Thin Walled Struct. 2018, 128, 2–11. [Google Scholar] [CrossRef]
- Niu, R.; Rasmussen, K.J.R.; Fan, F. Distortional–global interaction buckling of stainless steel C-beams: Part I–Experimental investigation. J. Constr. Steel Res. 2014, 96, 127–139. [Google Scholar] [CrossRef]
- Niu, R.; Rasmussen, K.J.R.; Fan, F. Distortional–global interaction buckling of stainless steel C-beams: Part II–Numerical study and design. J. Constr. Steel Res. 2014, 96, 40–53. [Google Scholar] [CrossRef]
- Abambres, M.; Camotim, D.; Silvestre, N. Modal Decomposition of Thin-Walled Member Collapse Mechanisms. Thin Walled Struct. 2014, 74, 269–291. [Google Scholar] [CrossRef]
- Szymczak, C.; Kujawa, M. Buckling and initial post–local buckling behaviour of cold–formed channel member flange. Thin Walled Struct. 2019, 137, 177–184. [Google Scholar] [CrossRef]
- Bebiano, R.; Camotim, D.; Gonçalves, R. GBTUL 2.0−A second-generation code for the GBT-based buckling and vibration analysis of thin-walled members. Thin Walled Struct. 2018, 124, 235–257. [Google Scholar] [CrossRef]
- Camotim, D.; Dinis, P.B.; Martins, A.D.; Young, B. Review: Interactive behaviour, failure and DSM design of cold–formed steel members prone to distortional buckling. Thin Walled Struct. 2018, 128, 12–42. [Google Scholar] [CrossRef]
- Garcea, G.; Leonetti, L.; Magisano, D.; Goncalves, R.; Camotim, D. Deformation modes for the post–critical analysis of thin–walled compressed members by a Koiter semi–analytic approach. Int. J. Solids Struct. 2017, 110–111, 367–384. [Google Scholar] [CrossRef]
- Martins, A.D.; Camotim, D.; Dinis, P.B. Local-distortional interaction in cold-formed steel beams: Behaviour, strength and DSM design. Thin Walled Struct. 2017, 119, 879–901. [Google Scholar] [CrossRef]
- Martins, A.D.; Camotim, D.; Dinis, P.B. On the distortional-global interaction in cold-formed steel columns: Relevance, post-buckling behaviour, strength and DSM design. J. Constr. Steel Res. 2018, 145, 449–470. [Google Scholar] [CrossRef]
- Martins, A.D.; Camotim, D.; Goncalves, R.; Dinis, P.B. GBT–based assessment of the mechanics of distortional–global interaction in thin–walled lipped channel beams. Thin Walled Struct. 2018, 124, 32–47. [Google Scholar] [CrossRef]
- Martins, A.D.; Camotim, D.; Gonçalves, R.; Dinis, P.B. On the mechanics of local–distortional interaction in thin–walled lipped channel beams. Thin Walled Struct. 2018, 128, 108–125. [Google Scholar] [CrossRef]
- Martins, A.D.; Camotim, D.; Dinis, P.B. Distortional-global interaction in lipped channel and zed-section beams: Strength, relevance and DSM design. Thin Walled Struct. 2018, 129, 289–308. [Google Scholar] [CrossRef]
- Martins, A.D.; Gonçalves, R.; Camotim, D. On the local and distortional post–buckling behaviour of thin–walled regular polygonal tubular columns. Thin Walled Struct. 2019, 138, 46–63. [Google Scholar] [CrossRef]
- Martins, A.D.; Gonçalves, R.; Camotim, D. Post-buckling behaviour of thin–walled regular polygonal tubular columns undergoing local–distortional interaction. Thin Walled Struct. 2019, 138, 373–391. [Google Scholar] [CrossRef]
- Martins, A.D.; Landesmann, A.; Camotim, D.; Dinis, P.B. Distortional failure of cold–formed steel beams under uniform bending: Behaviour, strength and DSM design. Thin Walled Struct. 2017, 118, 196–213. [Google Scholar] [CrossRef]
- Jakubczak, P.; Gliszczynski, A.; Nienias, J.; Majerski, K.; Kubiak, T. Collapse of channel section composite profile subjected to bending, Part II: Failure analysis. Compos. Struct. 2017, 179, 1–20. [Google Scholar] [CrossRef]
- Kolakowski, Z.; Urbaniak, M. Influence of the distortional–lateral buckling mode on the interactive buckling of short channels. Thin Walled Struct. 2016, 109, 296–303. [Google Scholar] [CrossRef]
- Kolakowski, Z.; Jankowski, J. Interactive buckling of steel C–beams with different lengths–From short to long beams. Thin Walled Struct. 2018, 125, 203–210. [Google Scholar] [CrossRef]
- Kolakowski, Z.; Jankowski, J. Interactive buckling of steel LC-beams under bending. Materials 2019, 12, 1440. [Google Scholar] [CrossRef]
- Kolakowski, Z.; Krolak, M. Modal coupled instabilities of thin–walled composite plate and shell structures. Compos. Struct. 2006, 76, 303–313. [Google Scholar] [CrossRef]
- Kolakowski, Z.; Mania, J.R. Semi–analytical method versus the FEM for analysis of the local post–buckling. Compos. Struct. 2013, 97, 99–106. [Google Scholar] [CrossRef]
- Kolakowski, Z.; Kubiak, T.; Zaczynska, M.; Kazmierczyk, F. Global-distortional buckling mode influence on post-buckling behaviour of lip-channel beams. Int. J. Mech. Sci. 2020, in press. [Google Scholar] [CrossRef]
- Zaczynska, M.; Kolakowski, Z. The influence of the internal forces of the buckling modes on the load-carrying capacity of composite medium-length beams under bending. Materials 2020, 13, 455. [Google Scholar] [CrossRef] [PubMed]
- Nazir, A.; Jeng, J.-Y. Buckling behavior of additively manufactured cellular columns: Experimental and simulation validation. Mater. Des. 2020, 186, 108349. [Google Scholar] [CrossRef]
- Nazir, A.; Arshad, A.B.; Jeng, J.-Y. Buckling and Post-Buckling Behavior of Uniform and Variable-Density Lattice Columns Fabricated Using Additive Manufacturing. Materials 2019, 12, 3539. [Google Scholar] [CrossRef]
- Kołakowski, Z. A semi-analytical method of interactive buckling of thin-walled elastic structures in the second-order approximation. Int. J. Solids Struct. 1996, 33, 3779–3790. [Google Scholar] [CrossRef]
- Abaqus HTML Documentation. Dassault Systems. 2019. Available online: https://www.3ds.com/products-services/simulia/products/abaqus/ (accessed on 24 July 2020).
- Abbasia, M.; Khezria, M.; Rasmussena, K.J.R.; Schaferb, B.W. Elastic buckling analysis of cold-formed steel built-up sections with discrete fasteners using the compound strip method. Thin Walled Struct. 2018, 124, 58–71. [Google Scholar] [CrossRef]
- Szymczak, C.; Kujawa, M. On local buckling of cold-formed channel members. Thin Walled Struct. 2016, 106, 93–101. [Google Scholar] [CrossRef]
- Szymczak, C.; Kujawa, M. Buckling of thin-walled columns accounting for initial geometrical imperfections. Int. J. Non-Linear Mech. 2017, 95, 1–9. [Google Scholar] [CrossRef]
- Szymczak, C.; Kujawa, M. Flexural buckling and post-buckling of columns made of aluminium alloy. Eur. J. Mech. A Solids 2018, 73, 420–429. [Google Scholar] [CrossRef]


















| Length (mm) | SAM | FEM | ||||||
|---|---|---|---|---|---|---|---|---|
| Mode1 | Mode2 | Mode3 | Mode4 | Mode1 | Mode2 | Mode3 | Mode4 | |
| C-channel (Figure 1a) | ||||||||
| 300 | 74.1 (3) | 157 | 1168 | 5324 | 73.3 | 156 | 1155 | 5292 |
| 500 | 74.1 (5) | 338 | 1150 | 5977 | 73.5 | 337 | 1140 | 6018 |
| TH-channel (Figure 1b) | ||||||||
| 300 | 134.0 (5) | 265 | 986 | 6355 | 137.8 | 268 | 973 | 6280 |
| 500 | 133.5 (8) | 288 | 1234 | 5724 | 137.5 | 290 | 1223 | 5633 |
© 2020 by the authors. Licensee MDPI, Basel, Switzerland. This article is an open access article distributed under the terms and conditions of the Creative Commons Attribution (CC BY) license (http://creativecommons.org/licenses/by/4.0/).
Share and Cite
Teter, A.; Kolakowski, Z. Catastrophic Influence of Global Distortional Modes on the Post-Buckling Behavior of Opened Columns. Materials 2020, 13, 3314. https://doi.org/10.3390/ma13153314
Teter A, Kolakowski Z. Catastrophic Influence of Global Distortional Modes on the Post-Buckling Behavior of Opened Columns. Materials. 2020; 13(15):3314. https://doi.org/10.3390/ma13153314
Chicago/Turabian StyleTeter, Andrzej, and Zbigniew Kolakowski. 2020. "Catastrophic Influence of Global Distortional Modes on the Post-Buckling Behavior of Opened Columns" Materials 13, no. 15: 3314. https://doi.org/10.3390/ma13153314
APA StyleTeter, A., & Kolakowski, Z. (2020). Catastrophic Influence of Global Distortional Modes on the Post-Buckling Behavior of Opened Columns. Materials, 13(15), 3314. https://doi.org/10.3390/ma13153314

