Microstructural Modeling of Rheological Mechanical Response for Asphalt Mixture Using an Image-Based Finite Element Approach
Abstract
:1. Introduction
2. Finite Element Method Based on a CT Image
2.1. Microstructural FE Model Construction
2.1.1. Microstructure Acquisitions
2.1.2. Digital Samples Generation
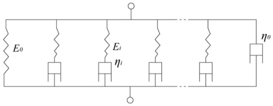
2.2. Asphalt Mortar Constitutive Model
2.2.1. Linear Viscoelastic Constitutive Model
2.2.2. Numerical Implementation for Asphalt Mortar
3. Experimental Scheme
3.1. Asphalt Mortar Parameters Determination
3.2. Triaxial Creep Experiment
4. Numerical Analysis and Model Validation
4.1. Analysis of Triaxial Creep Numerical Simulation Result
4.2. Triaxial Creep Experiment Result and Comparison
5. Conclusions
- (1)
- An algorithm based on the improved morphological multiscale method was proposed to effectively split the adhesion aggregate in X-ray CT images. The voxel-based three-dimensional microstructure numerical model of asphalt mixture was successfully established using the segmented CT images.
- (2)
- Following the simple algebraic relation between the bulk compliance with tensional creep compliance and torsion creep compliance, we obtained the creep parameters of a three-dimensional viscoelastic constitutive model for asphalt mortar by simple tensile and torsion creep experiments. This avoids complicated experiments that directly measure the Poisson’s ratio.
- (3)
- Triaxial creep numerical experiments under different loading conditions were conducted by using the established three-dimensional microstructural model. A comparison between the numerical and experimental results indicate that the experimental results could be better fitted with the numerical within the linear viscoelastic scope. However, a certain deviation was found between the numerical and simulation results when the load was out of the linear viscoelastic scope.
- (4)
- The three-dimensional microstructural model established by this study was able to effectively analyze the material mechanical response under triaxial load within the linear viscoelastic scope. This can provide an effective numerical method for the aided design of asphalt mixture.
Author Contributions
Funding
Acknowledgments
Conflicts of Interest
References
- Yu, H.; Zhu, Z.; Zhang, Z.; Yu, J.; Oeser, M.; Wang, D. Recycling waste packaging tape into bituminous mixtures towards enhanced mechanical properties and environmental benefits. J. Clean. Prod. 2019, 229, 22–31. [Google Scholar] [CrossRef]
- Yu, J.; Yu, X.; Gao, Z.; Guo, F.; Wang, D.; Yu, H. Fatigue Resistance Characterization of Warm Asphalt Rubber by Multiple Approaches. Appl. Sci. 2018, 8, 1495. [Google Scholar] [CrossRef]
- Yu, H.; Leng, Z.; Zhou, Z.; Shih, K.; Xiao, F.; Gao, Z. Optimization of preparation procedure of liquid warm mix additive modified asphalt rubber. J. Clean. Prod. 2017, 141, 336–345. [Google Scholar] [CrossRef]
- Zhang, J.; Pei, J.; Wang, B. Micromechanical-Rheology Model for Predicting the Complex Shear Modulus of Asphalt Mastic. AMR 2011, 168, 523–527. [Google Scholar] [CrossRef]
- Zhu, X.; Wang, X.; Yu, Y. Micromechanical creep models for asphalt-based multi-phase particle-reinforced composites with viscoelastic imperfect interface. Int. J. Eng. Sci. 2014, 76, 34–46. [Google Scholar] [CrossRef]
- Tanakizadeh, A.; Shafabakhsh, G. Viscoelastic characterization of aged asphalt mastics using typical performance grading tests and rheological-micromechanical models. Constr. Build. Mater. 2018, 188, 88–100. [Google Scholar] [CrossRef]
- Masad, E. X-ray computed tomography of aggregates and asphalt mixes. Mater. Eval. 2004, 62, 775–783. [Google Scholar]
- Wang, L.; Paul, H.; Harman, T. Characterization of aggregates and asphalt concrete using X-ray computerized tomography a state of the art report. J. Assoc. Asph. Paving Technol. 2004, 73, 467–500. [Google Scholar]
- Gopalakrishnan, K.; Ceylan, H.; Inanc, F. Using X-ray computed tomography to study paving materials. Proc. Inst. Civil Eng. 2007, 160, 15–23. [Google Scholar] [CrossRef]
- Coleri, E.; Harvey, J.; Yang, K.; Boone, J. A micromechanical approach to investigate asphalt concrete rutting mechanisms. Constr. Build. Mater. 2012, 30, 36–49. [Google Scholar] [CrossRef]
- Onifade, I.; Jelagin, D.; Guarin, A.; Birgisson, B.; Kringos, N. Asphalt Internal Structure Characterization with X-ray Computed Tomography and Digital Image Processing. In Multi-Scale Modeling and Characterization of Infrastructure Materials; Kringos, N., Birgisson, B., Frost, D., Wang, L., Eds.; Springer: Dordrecht, The Netherlands, 2013; pp. 139–158. [Google Scholar]
- Hu, J.; Liu, P.; Wang, D.; Oeser, M.; Tan, Y. Investigation on fatigue damage of asphalt mixture with different air-voids using microstructural analysis. Constr. Build. Mater. 2016, 125, 936–945. [Google Scholar] [CrossRef]
- Mahmud, M.; Hassan, N.; Hainin, M.; Ismail, C. Microstructural investigation on air void properties of porous asphalt using virtual cut section. Constr. Build. Mater. 2017, 155, 485–494. [Google Scholar] [CrossRef]
- Dai, Q. Two- and three-dimensional micromechanical viscoelastic finite element modeling of stone-based materials with X-ray computed tomography images. Constr. Build. Mater. 2011, 25, 1102–1114. [Google Scholar] [CrossRef]
- Ying, H.; Elseifi, M.; Mohammad, L.; Hassan, M. Heterogeneous Finite-Element Modeling of the Dynamic Complex Modulus Test of Asphalt Mixture Using X-ray Computed Tomography. J. Mater. Civil Eng. 2013, 26, 401–405. [Google Scholar] [CrossRef]
- You, T.; Al-Rub, R.; Masad, E.; Kassem, E.; Little, D. Three-Dimensional Microstructural Modeling Framework for Dense-Graded Asphalt Concrete Using a Coupled Viscoelastic, Viscoplastic, and Viscodamage Model. J. Mater. Civil Eng. 2013, 26, 607–615. [Google Scholar] [CrossRef]
- Schüler, T.; Jänicke, R.; Steeb, H. Nonlinear modeling and computational homogenization of asphalt concrete on the basis of XRCT scans. Constr. Build. Mater. 2016, 109, 96–108. [Google Scholar] [CrossRef]
- Ma, T.; Wang, H.; Zhang, D.; Zhang, Y. Heterogeneity effect of mechanical property on creep behavior of asphalt mixture based on micromechanical modeling and virtual creep test. Mech. Mater. 2017, 104, 49–59. [Google Scholar] [CrossRef]
- Li, L.; Li, W.; Wang, H.; Zhao, J.; Wang, Z.; Dong, M.; Han, D. Investigation of Prony series model related asphalt mixture properties under different confining pressures. Constr. Build. Mater. 2018, 166, 147–157. [Google Scholar] [CrossRef]
- Taesun, Y.; Al-Rub, R.; Darabi, M.; Masad, E.; Little, D. Three-dimensional microstructural modeling of asphalt concrete using a unified viscoelastic–viscoplastic–viscodamage model. Constr. Build. Mater. 2012, 28, 531–548. [Google Scholar]
- Rami, K.; Amelian, S.; Kim, Y.; Taesun, Y.; Little, D. Modeling the three-dimensional fracture-associated behavior of viscoelastic asphalt mixtures using 2D microstructures. Eng. Fract. Mech. 2017, 182, 86–99. [Google Scholar] [CrossRef]
- Salemi, M.; Wang, H. Image-aided random aggregate packing for computational modeling of asphalt concrete microstructure. Constr. Build. Mater. 2018, 177, 467–476. [Google Scholar] [CrossRef]
- Fu, J.; Liu, J.; Zhang, X.; Lei, L.; Ma, X.; Liu, Z. Mesoscale experimental procedure and finite element analysis for an indirect tensile test of asphalt concrete. Road Mater. Pavment. Des. 2017, 3, 1–22. [Google Scholar] [CrossRef]
- Coleri, E.; Harvey, J.; Yang, K.; Boone, J. Investigation of asphalt concrete rutting mechanisms by X-ray computed tomography imaging and micromechanical finite element modeling. Mater Struct. 2013, 46, 1027–1043. [Google Scholar] [CrossRef]
- Kutay, M.; Arambula, E.; Gibson, N.; Youtcheff, J. Three-dimensional image processing methods to identify and characterize aggregates in compacted asphalt mixtures. Int. J. Pavement Eng. 2010, 11, 511–528. [Google Scholar] [CrossRef]
- Huang, W.; Zhang, X.; Yin, Y.; Cai, S. A numerical implementation of the three-dimensional viscoelastic model for asphalt mastic. Int. J. Civ. Eng. 2018, 16, 543–551. [Google Scholar] [CrossRef]













| Sieve Size (mm) | 1.18–2.36 | 0.6–1.18 | 0.3–0.6 | 0.15–0.3 | 0.075–0.15 | <0.075 | Asphalt Binder |
| Percentage (%) | 30.3 | 15.5 | 15.0 | 7.6 | 2.6 | 15.8 | 13.2 |
| i | /s | /MPa | /MPa |
|---|---|---|---|
| 1 | 10−4 | 1.1876 | 0.0212 |
| 2 | 10−3 | 8.2732 | 0.2124 |
| 3 | 10−2 | 7.1921 | 0.8938 |
| 4 | 10−1 | 39.3043 | 10.3226 |
| 5 | 100 | 32.6392 | 20.2222 |
| 6 | 101 | 28.9523 | 2.6625 |
| 7 | 102 | 73.8451 | 29.5453 |
| 8 | 103 | 307.0718 | 91.7736 |
| = 2.8219 | = 0.0714 | ||
| Confining Pressure/kPa | 0 | 60 | ||||
| Axial Pressure/kPa | 80 | 120 | 160 | 80 | 120 | 160 |
© 2019 by the authors. Licensee MDPI, Basel, Switzerland. This article is an open access article distributed under the terms and conditions of the Creative Commons Attribution (CC BY) license (http://creativecommons.org/licenses/by/4.0/).
Share and Cite
Huang, W.; Wang, H.; Yin, Y.; Zhang, X.; Yuan, J. Microstructural Modeling of Rheological Mechanical Response for Asphalt Mixture Using an Image-Based Finite Element Approach. Materials 2019, 12, 2041. https://doi.org/10.3390/ma12132041
Huang W, Wang H, Yin Y, Zhang X, Yuan J. Microstructural Modeling of Rheological Mechanical Response for Asphalt Mixture Using an Image-Based Finite Element Approach. Materials. 2019; 12(13):2041. https://doi.org/10.3390/ma12132041
Chicago/Turabian StyleHuang, Wenke, Hao Wang, Yingmei Yin, Xiaoning Zhang, and Jie Yuan. 2019. "Microstructural Modeling of Rheological Mechanical Response for Asphalt Mixture Using an Image-Based Finite Element Approach" Materials 12, no. 13: 2041. https://doi.org/10.3390/ma12132041
APA StyleHuang, W., Wang, H., Yin, Y., Zhang, X., & Yuan, J. (2019). Microstructural Modeling of Rheological Mechanical Response for Asphalt Mixture Using an Image-Based Finite Element Approach. Materials, 12(13), 2041. https://doi.org/10.3390/ma12132041

