Abstract
The ambient temperature high pressure oxydesulphurisation technique was investigated to reduce the sulphur content. Prince of Wales coal was chosen for this study. The focus of the study was to investigate the reduction of both pyritic and organic sulphur while changing the KMnO4/Coal ratio, agitation speed, agitator configuration, and shear. The effect of different concentrations of acetone as a solvent and effect of particle size on the sulphur removal was also studied by a series of experimental runs at ambient temperature. Heating value recovery was found to be increased with the decreased KMnO4/Coal ratio and with decreased acetone concentration. It was found that sulphur removal was enhanced with the increase in shear using a turbine impeller. The effect of particle size was more significant on the pyritic sulphur removal as compared to the organic sulphur removal while heating value recovery was found to increase with decreased desulphurization tome for both, under atmospheric and high pressure.
1. Introduction
Concerning coal based power generation, sulphur present in coal has been considered as one of the major impurities in coal [1] that demands installation of different flue gas scrubbing systems in the power generation power plants [2,3,4,5]. Sulphur present in coal has different forms but is mainly categorized as pyritic and organic sulphur [6]. Pre-combustion cleaning has a number of advantages over during combustion or post combustion cleaning techniques [7,8]. Within the pre-combustion cleaning techniques, chemical coal cleaning has its dominance over other techniques because of its significant reduction of sulphur present in the coal matrix along with the reduction in trace elements [6,9,10].
Development of a chemical coal cleaning process having a high product yield operating at ambient temperature is detrimental to minimizing the energy requirements and degradation of the coal matrix during coal cleaning [11,12,13,14]. Oxydesulphurisation processes can effectively convert the sulphur into the form of soluble sulphates [15]. Up to now, oxydesulphurisation research has involved mainly high temperature reactions. Yaman and Kucukbayrak [16] studied the oxydesulphurisation behaviour of a Turkish lignite at 403K and 498K using dilute alkaline solutions. Different researchers have investigated the chemical desulphurization using different oxidizing agents [17,18,19] under different pH conditions [20].
The research conducted in the field of high temperature and pressure involves aqueous coal slurries, in which air or oxygen is passed through. The oxygen dissolved in water under pressure reacts with the pyritic and organic sulphur and also with the organic coal matrix. Several aqueous media under different conditions of temperature, pressure, agitation and time have been used.
The Ledgemont oxygen leaching process is one of the processes that employs oxygen at elevated pressures and temperatures. This process was first established at the Ledgemont laboratory of the Kennecott Copper Corporation and has been reported by a number of investigators [21,22]. Authors demonstrated the versatility of this process in removing mainly pyritic sulphur from coal of varying ranks. A similar desulphurisation process has been developed by the National Energy Technology Laboratory (NETL). The major difference between NETL and the Ledgemont process is that the NETL process employs acidic leaching solutions with relatively severe conditions of temperature and pressure varying from 150 °C to 200 °C and 34 to 68 bar, respectively. Warzinski, Friedman and others [23,24,25] reported that the increase in severity of conditions increased the rates of removal of both the pyritic and the organic sulphur. Using a promoted oxydesulphurisation process, experimental results of the various coals investigated have shown that 95% pyritic sulphur and up to 40% organic sulphur was removed [26,27]. Other major processes for coal desulphurization are on their way towards commercialization [28,29,30,31]. Joshi and Shah [32] investigated the kinetics of organic sulphur removal. The sample used for the experiments was Lower Freeport coal. Under alkaline conditions, the removal of organic sulphur was found to follow first order kinetics with respect to the removable concentration of organic sulphur. It was also observed that the increase in pressure increased the removal for a fixed temperature and time set of experiments. Akhtar and Chriswell [33] investigated the pretreatment of Illinois No. 6 coal using the Battelle hydrothermal process before applying the molten caustic leaching process. It was found that the pretreatment enhanced the overall sulphur removal from 47% to 84%; however, the heating value recovery was only approximately 60%. Warzinski and others [24,34] using the oxydesulphurisation process investigated the influence of various parameters such as mixing efficiency, reaction temperature, coal size, reaction time, air pressure and coal slurry concentration.
Limited studies have been carried out on high pressure oxydesulphurisation of coal at ambient temperature while investigating the effect of solvent, shear and agitation speed along with configuration of the agitator because few coal preparation operations can afford to do the processing needed especially at high pressure and contend with the by-products. This work aims to study the effect of these parameters under high pressure on the pyritic and organic sulphur removal.
The technique investigated was using oxidant potassium permanganate (KMnO4) at ambient temperature. The oxidizing abilities and the kinetics of pyritic sulphur removal with this oxidant have been investigated by Cliffe and Syed [35]. The comparison with the other ambient temperature oxidants has shown that it oxidizes sulphur more rapidly than the other oxidants [36]. Authors have shown the effect of different parameters on the high pressure oxydesulphurization of coal [37], while the effect of coal slurry concentration, pH and alkali can also be seen elsewhere [38].
2. Materials and Methods
2.1. Reaction Mechanism with Potassium Permanganate
Potassium permanganate being a very strong oxidant reacts by oxidizing the various sulphides present in coal to their sulphates, which, being soluble in water or aqueous acid solutions, are washed out during the washing stages of the process. The two major types of inorganic sulphur carrying impurities in coal are iron pyrite and marcasite along with some minor sulphides and sulphates like pyrrhotite, galena, sphalerite and jarosite, anhydrite, gypsum, etc., respectively [39]. These sulphides, when reacted upon by potassium permanganate, follow oxidation reduction reaction based upon the following two equations;
MnO−4 + 2H2O + 3e− → MnO2 ↓ + 4OH− (E = + 1.23 V)
K+ + 3Fe+3 + 2SO4−2 + 6OH− → KFe3(SO4)2(OH)6
According to Equations (1) and (2), potassium permanganate, while oxidising the sulphides (mainly pyrite), reduces to manganese dioxide and jarosite [39]. These two compounds form an impervious ash layer over the sulphur sites, hence inhibiting the oxidation reaction and resulting in an increase in the ash content of the oxidised coal. Researchers have found that this ash layer can be removed by making use of some organic and inorganic acids, and it was concluded that, out of all the different acids investigated, a 14% v/v hydrochloric acid (HCl) solution was recommended [39]. The same acid concentration was used to remove this ash layer in these investigations. This acid removed the manganese dioxide ash layer according to the following reaction, without effecting the coal matrix [14]. Coal used in this study was ground to a finer size (25 μm) to make access to the sulphur easier:
MnO2− + 4HCl → MnCl2 + Cl2↑ + 2H2O
2.2. Materials
The coal samples used were obtained from the Prince of Wales mine in Yorkshire (UK) and preparation was done following British Standard 1017 to get a particle size of 25 μm [21]. Analysis of the coal samples was done using the methods described in British Standard (B.S.) 1016 (parts 6 and 11) using standard procedures, and was reported in Table 1. Organic sulphur content was calculated by the difference between total sulphur and inorganic sulphur. All the sulphur results reported are on an ash free basis, whereas the carbon, hydrogen and oxygen contents reported are on an “as such” basis. All the presented results were triplicated and mean values were reported More details to calculate the percentage of desulphurization, heating value recovery and coal recovery can be found in the previously published paper [22].
Table 1.
Analysis of the untreated coal.
2.3. Method
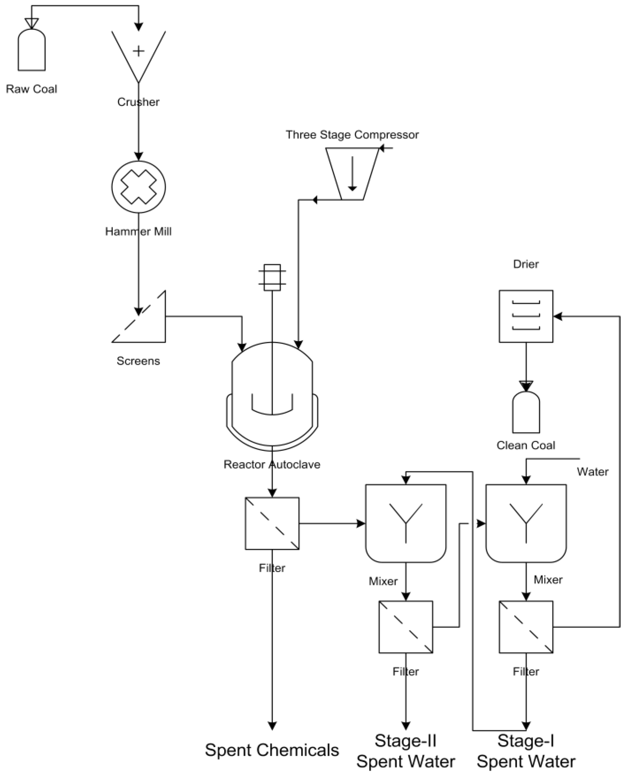
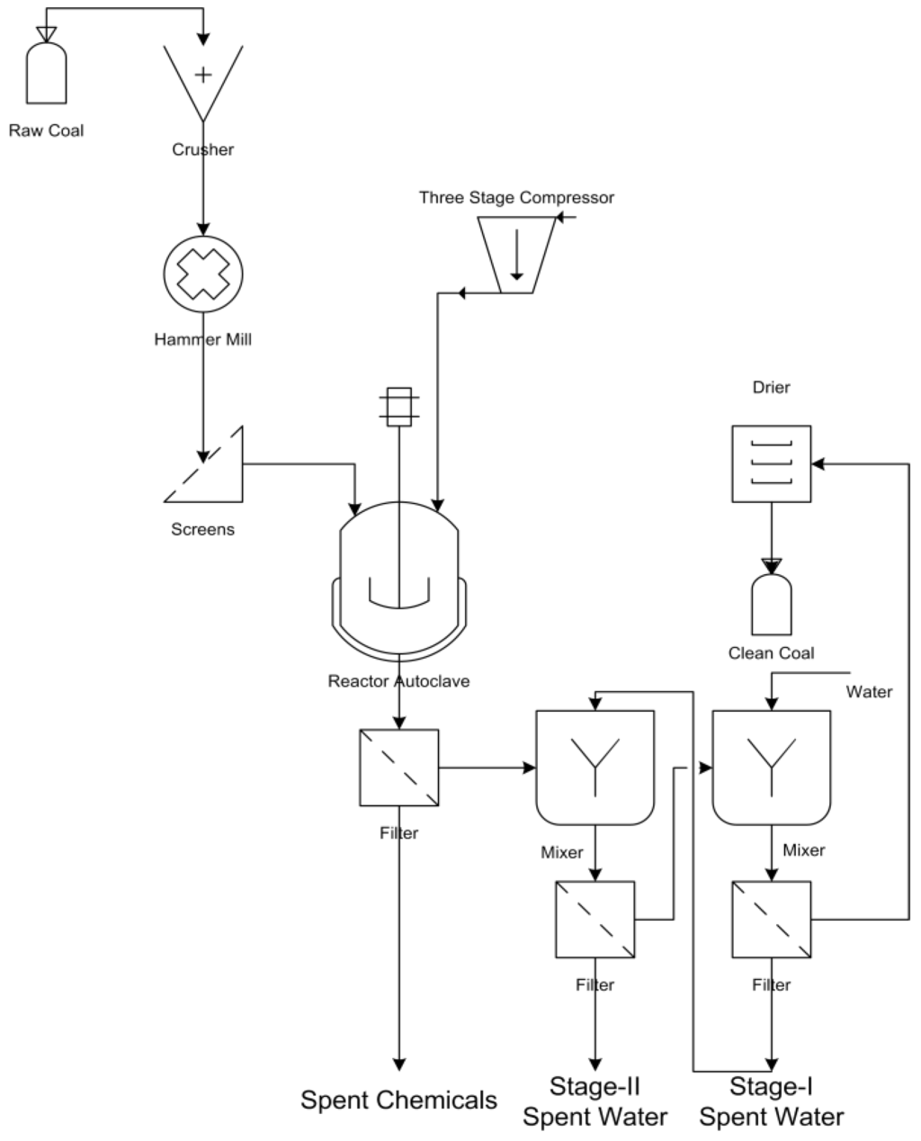
A coal sample of 50 g was slurried with 1 litre of potassium permanganate solution of known concentration, normally 10% to give a coal slurry concentration of 5%. The reason for selecting and limiting to a 10% potassium permanganate concentration was that, according to the solubility data [23], this concentration was close to the saturation concentration at 22 °C. The time for an experiment was one hour. The oxidised coal samples were then reslurried with the 14% hydrochloric acid solution to leach out the oxidised reaction products. More details about the experimental procedure can be seen elsewhere [22]. A process flowsheet diagram is shown in Figure 1.
Figure 1.
Process flow diagram.
3. Results and Discussions
3.1. Effect of Amount of KMnO4 vs. Amount of Coal on Sulphur Removal
A series of experimental runs was conducted, in order to study the effect of potassium permanganate amount versus the amount of coal. These investigations were carried out on Prince of Wales coal (B) at four different pressures varying from 50 to 300 bar and four different values of potassium permanganate to coal weight ratios varying from 1:3 to 2:1. The impeller used was a rushton turbine at the tip speed of 5 Hz, while the time for each of the experiments was one hour. Figure 2 and Figure 3 show the effect of amount of potassium permanganate versus the amount of coal on pyritic and organic sulphur removal, whereas Figure 4 shows the heating value recoveries for these investigations.
Figure 2.
Effect of KMnO4/Coal ratio on pyritic sulphur removal.
Figure 3.
Effect of KMnO4/Coal ratio on organic sulphur removal.
Figure 4.
Effect of KMnO4/Coal ratio on heating value recovery.
The results lead to the conclusion that the rates of sulphur removal are proportional to the increasing ratios of potassium permanganate to coal. On an overall basis, the amounts removed for pyritic and organic sulphur contents were increased from 73% to 92% and 24.1 to 44.7, respectively. The heating value recoveries, although decreasing by the increase in potassium permanganate to coal ratios, still remained above 95.8%. On an overall basis, the heating value recoveries varied from 98.3% to 95.8%. The effect of pressure on sulphur removal for a fixed potassium permanganate to coal ratio was as usual. The combined effect of pressure and the dominating amount of potassium permanganate reflected on the removal of organic sulphur. This increase explains the behaviour of organic sulphur towards oxydeslphurisation reactions. The possible reason that could be attributed to this increase in organic sulphur removal is that the organic sulphur requires high concentration of available oxygen present in the solution for a complete conversion into a water soluble form. Both of the pressure and potassium permanganate, when increased, resulted in a high percentage of oxygen in the solution resulting in high organic sulphur removal.
3.2. Effect of Agitation on Sulphur Removal
As it has been observed by the authors, the rate of sulphur removal slows down after a quick removal of around 60% of pyritic sulphur. This decrease in the removal is due to the formation of an ash layer mainly comprised of manganese dioxide, jarosite and the hematite, on the surface of the unreacted sulphur sites. In order to abrade this ash layer so that the fresh sulphur sites should be exposed to the oxidant for further reaction, two series of experiments were performed in order to study the effects of agitation on sulphur removal.
It has been shown in the past that, for the oxydesulphurisation reaction, the rates of sulphur removal were enhanced from 10% to 65% by increasing the impeller speed from 3.3 Hz to 35 Hz at a constant oxygen partial pressure of 4.1 bar [40].
3.2.1. Configuration of the Agitators
Two different types of agitators were used in these investigations, one of them was a “Three Blade Marine type” while the other was a six blade ''Rushton Turbine''. Both of the impellers generate different flow patterns. The marine blade impeller generates axial flow while the turbine agitator generates a radial flow [41]. The Marine blade impeller, since it generates an axial flow pattern, gives low shear, whereas turbine blade propellers are extremely suitable for the applications requiring high shear or turbulence. The diameter of the marine blade impeller was 5.2 cm, whereas the width and the diameter of the turbine blade used in the experiments was 1.2 cm and 5.2 cm, respectively.
3.2.2. Effect of Marine Blade vs. Turbine Blade Agitation on Sulphur Removal
A comparative study was made in order to differentiate between the effects of both the impellers on the abrasion of the ash layer formed on the surface of the unreacted sulphur sites. For this purpose, two agitators/shaft were used for agitation at the same time, two centimetres apart from each other. The reason for using two marine blade agitators was that they might enhance the agitation and a similar agitational system could be developed for a continuous tubular reactor in the future, while the use of two Rushton turbines/shafts was to compare the effect with that of the marine blade. In order to minimise vortex formation and increase agitation in the system, the sleeve was modified by putting four baffles 45° apart from one another. The thickness of the baffles was one-tenth of the tank diameter. It should be noted that the sleeve used in the previous investigations was not baffled. The speed of the impellers was fixed at 5 Hz. These investigations were made under pure oxygen. It was found in the previous work of high temperature and pressure that pure oxygen pressure had an overall negligible effect on sulphur removal. However, pure oxygen instead of air was used to evaluate an idea that, since the baffles were used to enhance the agitation, so it was supposed that the pure oxygen might diffuse well and increase its concentration in the solution more than in the case of air. The reaction time for an experiment was one hour and the temperature was kept at 25 °C. Coal slurry concentration was fixed at 5% and potassium permanganate concentration used was 10%. Figure 5 shows a comparison between the two agitators on the basis of pyritic sulphur removal from Prince of Wales coal.
Figure 5.
Comparison of Marine Blade vs. Turbine Blade agitation on the basis of pyritic sulphur removal.
The results indicate that there was a marked difference in the agitation of the two impellers. It was observed that pyritic sulphur removal was enhanced by switching over to the turbine blade agitation. Pyritic sulphur was enhanced from 85.2% to 91.3% for the 175 bar experiment. Akhtar et al. [33] also observed the similar effects of agitation on sulphur removal. Meyers [42] explained the recoveries during sulphur removal; during the attack of an oxidant, organic sulphur species can break into different products i.e., either a soluble or a volatile, the soluble form gets removed during the filtration stage, while the volatile form gets separated from the product coal during the stage of drying. Thus, any of the case recoveries also get effected.
3.3. Effect of Shear on Sulphur Removal
As explained earlier, the turbine blade impellers are extremely suitable for applications requiring high shear and it has been shown in the last section that the turbine blade impeller agitation enhanced sulphur removal. A series of experimental runs was carried out to investigate in detail the effect of high shear on sulphur removal. Potassium permanganate solution concentration was 10%. Air pressures varied from 50 bar to 300 bar. The reaction time was one hour. The impeller speed varied from 0 to 15 Hz. The reason for limiting the speed at this value was that the higher speeds started destroying the seal of the agitator shaft. Figure 6 and Figure 7 show the effect of agitation speed on pyritic and organic sulphur removal.
Figure 6.
Effect of Impeller Speed on pyritic sulphur removal.
Figure 7.
Effect of Impeller Speed on organic sulphur removal.
The mathematical equations used for the calculations of average and maximum shear rate of a turbine agitator were developed by Bowen [43] as
(dv/dz)avg = 4.2N(D/T)0.3/(W/D).
The maximum shear rate is 2.3 times the average shear rate given by Equation (5) as
where
(dv/dz)max = 9.7N(D/T)0.3/(W/D),
- T = Mixing vessel diameter = 0.082 m;
- D = Impeller diameter = 0.052 m;
- N = Agitator speed, Hz;
- W = Width of blade = 0.012 m
The effect of pressure was as usual i.e., removal was enhanced with the increase in the system pressure for any particular agitator speed. This effect of pressure was further supported by the abrasional effects due to shearing agitation in the system. On an overall basis, the pyritic sulphur removal was enhanced from 83.3% to 99.2% for the conditions varying from 0 Hz and 50 bar to 15 Hz and 300 bar. Attia [44], during his investigations of agitator speeds on sulphur removal, using potassium permanganate as oxidant, also observed the similar effects of agitation under ambient pressure. The effect of shear was quite striking on the organic sulphur removal which under 300 bar pressure experiment was enhanced from 36.4% to 48.0% by a change in impeller speed of 0 to 15 Hz. The reason for this higher removal of organic sulphur is probably due to the increase in turbulence causing an increase in the diffusion of the reactants and products in the liquid phase. This increase in turbulence is explained by the increase in the Reynold's number. This high organic sulphur removal resulted in a drop in the heating value recovery for the extreme conditions experiment to 92%, showing some loss in the carbon content of the treated coal. On the basis of the experimental and analytical results, it can be concluded that the oxydesulphurisation reactions under high pressure and shear using potassium permanganate as oxidant can remove not only a high percentage of pyritic sulphur but also a significant proportion of the organic sulphur with high calorific value recoveries.
3.4. Effect of Organic Solvent (Acetone) on Sulphur Removal
It was observed in the previous studies that some of the organic sulphur reaction products were insoluble in the aqueous media, thus limiting the organic sulphur removal. The idea behind the present investigation was that those products might go into an organic solvent if present in the reaction mixture. In addition, the diffusivity of an organic solvent into the coal matrix would be higher. Literature describes that many organic solvents are readily oxidised by potassium permanganate or do not dissolve the salt in appreciable amounts. Neutral acetone solutions of potassium permanganate, however, have a reasonable stability and are frequently satisfactory for effecting organic oxidations [27]. In order to investigate the effect of acetone on sulphur removal, a set of experiments was performed. Since a low flash point compound was involved, the reactions were carried out under atmospheric pressure. A 10% potassium permanganate solution was used, while the acetone concentration in the solution was varied from 0% to 40%. Time for each experiment was fixed at one hour. Coal slurry concentration used was 5%. Agitation was performed by Rushton turbine at the tip speed of 5 Hz. Figure 8 shows the effect of acetone concentration on pyritic and organic sulphur removal, while heating value recoveries are shown in Figure 9.
Figure 8.
Effect of acetone concentration on sulphur removal.
Figure 9.
Effect of acetone concentration on heating value recovery.
It was observed that not only organic sulphur but also pyritic sulphur removal was enhanced with the increase in acetone concentration. A striking effect observed was that the product after drying was powder like i.e., the reaction products after drying were obtained in the form of powder, whereas in the normal aqueous phase experiments, the dried products used to be in the form of a solid cake. The only reason that could explain this behaviour is that the presence of acetone leached out all the volatiles from the product during the first filtration stage. This observation was further supported by the loss in recoveries. Since the sulphur removal was not enhanced significantly and the solvent resulted in the loss of product recovery, the idea was dropped and no further investigations were performed.
3.5. Effect of Particle Size
A series of experiments was performed to study the effect of alkaline potassium permanganate on different coal particle sizes. The reason for these investigations was to evaluate and compare the applicability of alkaline potassium permanganate oxidation under pressure for larger particle sizes, so that the grinding costs could be cut down. For these investigations, four different particle sizes of Prince of Wales coal were selected. Particle sizes were determined by using the Malvern 2600/3600 laser particle size analyser (Malvern, UK). The four average volume mean diameter sizes prepared were 25 μm, 355μm, 600 μm and 1000 μm. The Prince of Wales coal sample and the larger particle size coal samples were prepared from one unique batch of Prince of Wales coal and the untreated samples had the same analysis as that of Prince of Wales coal. The potassium permanganate solution concentration used was 10% and the temperature throughout the reaction was kept at 25 °C. In order to study the effect of pressure on sulphur removal for each particle size, the pressure was varied from 50 bar to 300 bar. The agitation was performed using the Rushton turbine (Sheffield, UK) at the tip speed of 5 Hz and the time for each experiment was fixed at one hour. The alkaline conditions were obtained by using 4% potassium hydroxide and the coal slurry concentration used in each experiment was 5%. The reason for using 4% potassium hydroxide was that, beyond this concentration, a major loss in heating value recoveries was observed during the investigating effect of potassium hydroxide concentration. Figure 10 and Figure 11 show the behaviour of pyritic and organic sulphur removal with the increase in particle size, whereas the trends obtained for the heating value recoveries can be observed in Figure 12.
Figure 10.
Effect of particle size on pyritic sulphur removal.
Figure 11.
Effect of particle size on organic sulphur removal.
Figure 12.
Effect of particle size on heating value recovery.
The results show that the increase in pressure enhanced the removal. This effect of pressure on the removal of pyritic sulphur is similar at all particle sizes, whereas for organic sulphur, it is most marked at small particle sizes. Since the organic sulphur removal was decreased with the increase in particle size, this shows that only at particle sizes of less than 200 μm does pressure overcome the diffusional resistance and reach the site of the sulphur. However, an organic sulphur removal value such as 16.9% for 1000 μm proves the other fact that all the available sulphur sites got oxidised and removed.
3.6. Effect of Time
In order to study the kinetics of the oxydesulphurisation reactions, two sets of experiments were conducted, one under ambient pressure and the other under 300 bars. Alkaline potassium permanganate was used as the oxidising agent. Since it was observed in the previous investigations that the smallest particle size gave the maximum conversion, Prince of Wales coal sample (25 μm) was used in these investigations. The impeller used was the six blade Rushton turbine (Sheffield United Kingdom). Coal slurry concentration was 5%. The temperature for the experiments was 25 °C. The solution concentration was 10% potassium permanganate and 4% potassium hydroxide.
Effect of time on pyritic and organic sulphur under ambient and 300 bar can be seen in Figure 13 and Figure 14, while heating value recoveries can be observed in Figure 15. From the results, it can be concluded that the oxydesulphurisation reaction with alkaline potassium permanganate is very fast in the beginning. Most of the conversion is done sharply in the first 15 min. This conversion is further enhanced with the increase in time to 30 min and beyond that the rate of conversion almost dies out. It was observed that the conversions were very much enhanced with the increase in pressure. Under ambient pressure, 88% pyritic sulphur was removed, whereas this removal was enhanced to 91% under 300 bars of pressure. Pyritic sulphur removal was enhanced from 88% to 90.6% with the increase in reaction time from 15 to 180 min under ambient pressure, while the similar time range under 300 bar enhanced the removal from 91% to 99.21%.
Figure 13.
Effect of time on pyritic sulphur removal.
Figure 14.
Effect of time on organic sulphur removal.
Figure 15.
Effect of time on heating value recovery.
Similar trends were observed in the case of organic sulphur removal i.e., most of the possible conversions were attained in the first 15 min in both of the cases. For ambient pressure experiments, this removal was enhanced from 29.1% to 31.6% with time from 15 to 180 min, while for 300 bar experiments, the removal varied from 60.3% to 62.8%. It was also observed that the prolonged exposure to the oxidant reflected on the calorific value recoveries. This factor was more prominent in the case of high pressure experiments. On the basis of these results, it can be concluded that the dominant part of the reaction was completed in the first 15 min. The pyritic sulphur removal became very slow beyond 15 min time under ambient pressure. The pyritic sulphur was almost completely removed in 180 min time. The effect of pressure was more dominant for the organic sulphur removal than time. The pyritic sulphur removal rate almost dropped to zero beyond 15 min time under ambient pressure. However, for 300 bar experiments, pyritic sulphur was removed beyond 60 min. The reason for this could be that the remaining amount was present in the very finely disseminated form and the oxygen could only get access to these sulphur sites under high pressure. Pressure not only increased the pyritic sulphur but the organic sulphur; however, the organic sulphur removal rate minimised beyond 30 min. The reason could be that all the oxydesulphurisable forms of organic sulphur were removed while the unoxidisable forms were not removed. This demonstrates the reaction time for the organic sulphur removal.
The effect of pressure was found to act in two ways:
- (i)
- to prevent the build up of manganese dioxide on the outside of the coal;
- (ii)
- to increase the diffusion of oxygen into the coal particle increasing the rate of access to the pyritic sulphur. Once this has been converted to the sulphate, the porosity of the coal is increased which allows access to the organic sulphur.
4. Conclusions
From the high-pressure oxydesulphurisation experimental investigations carried out during the course of this project, the following conclusions were reached:
- A high shear turbine agitator gives a better sulphur removal than an axial flow propeller agitator for all systems investigated.
- Using pressure up to 50 bar in the case of potassium permanganate oxidation had a significant effect on the removal of organic sulphur from Prince of Wales coal from 24% to 40%.
- Increase in the potassium permanganate/coal ratio showed an increase in sulphur removal.
- A small increase in sulphur removal was attained using acetone instead of water for suspending the coal and potassium permanganate; however, the use of the solvent leached out all the volatiles from the product resulting in a loss in product recovery.
- The formation of potassium manganate does not normally occur below 70 °C, so mineral matter in the coal must catalyse the reaction.
- Decrease in sulphur removal was observed with the increase in particle size. The pressure helped to overcome the diffusional resistance for particle sizes of less than 355 μm.
- The pyritic sulphur removal rate almost dropped to zero beyond 15 min time under ambient pressure. However, for 300 bar experiments, pyritic sulphur was removed beyond 60 min.
Acknowledgments
The authors gratefully acknowledge the financial support from the Ministry of Science & Technology, Government of Pakistan and the University of Sheffield for equipment and technical support.
Author Contributions
Moinuddin Ghauri has designed and performed the experiments under the supversion of Keith R. Cliffe, Khurram Shahzad has arranged and analyzed all the data together with Abrar Inayat, Zulfiqar Ali and Waqar Ali Khan. Abrar Inayat, Zulfiqar Ali and Javaid Akhtar also make the article structure and improve the language of the manuscript.
Conflicts of Interest
The authors declare no conflict of interest.
References
- Hippo, E.J.; Crelling, J.C.; Palmer, S.E.; Kruge, M.A. Organic sulfur compounds in coals. In Proceedings of the 14th Annual Conference on Fuel, Palo Alto, CA, USA, 18–19 May 1989; Electric Power Research Institute: Palo Alto, CA, USA, 1990; pp. 6:1–6:28. [Google Scholar]
- Chen, W.; Xu, R. Clean coal technology development in china. Energy Policy 2010, 38, 2123–2130. [Google Scholar] [CrossRef]
- Olszewska, D. Application of modified montmorillonite for desulfurization during the combustion of hard coal. Fuel Process. Technol. 2011, 92, 2412–2419. [Google Scholar] [CrossRef]
- Olszewska, D. Application of XPS method in the research into Ni ion-modified montmorillonite as a SO2 sorbent. Fuel Process. Technol. 2012, 95, 90–95. [Google Scholar] [CrossRef]
- Marcewicz Kuba, A.; Olszewska, D. The activity of SO2 removal from combustion gases by the desonox type catalyst supported on montmorillonite and zeolite. Pol. J. Chem. 2008, 82, 43–47. [Google Scholar]
- Robinson, K. Reaction engineering of direct coal liquefaction. Energies 2009, 2, 976–1006. [Google Scholar] [CrossRef]
- Vejahati, F.; Xu, Z.; Gupta, R. Trace elements in coal: Associations with coal and minerals and their behavior during coal utilization—A review. Fuel 2010, 89, 904–911. [Google Scholar] [CrossRef]
- Laskowski, J.S. Chapter 3 coal surface properties. In Developments in Mineral Processing; Elsevier: Amsterdam, The Netherlands, 2001; Volume 14, pp. 31–94. [Google Scholar]
- Zhu, B. Advanced environmental/ energy technology: Desulfurisation and fuel cell cogeneration. Fuel Cells Bull. 1999, 2, 9–12. [Google Scholar] [CrossRef]
- Shui, H.; Cai, Z.; Xu, C. Recent advances in direct coal liquefaction. Energies 2010, 3, 155–170. [Google Scholar] [CrossRef]
- Wang, Z.; Li, Q.; Lin, Z.; Whiddon, R.; Qiu, K.; Kuang, M.; Cen, K. Transformation of nitrogen and sulphur impurities during hydrothermal upgrading of low quality coals. Fuel 2016, 164, 254–261. [Google Scholar] [CrossRef]
- Demirbas, A.; Balat, M. Coal desulfurization via different methods. Energy Sources 2004, 26, 541–550. [Google Scholar] [CrossRef]
- Chriswell, C.D.; Markuszewski, R.; Norton, G.A. Use of naoh alone vs. Naoh-koh mixtures for the removal of sulphur and ash from coal by the molten caustic leaching process. In Processing and Utilisation of High Sulphur Coals IV; Dugan, P.R., Quigley, D.R., Attia, Y.A., Eds.; Elsevier: New York, NY, USA, 1991; pp. 385–397. [Google Scholar]
- Norton, G.A.; Bluhm, D.D.; Markuszewski, R.; Chriswell, C.D. Application of microwave energy to caustic cleaning of coal. In Processing and Utilisation of High Sulphur Coals IV; Dugan, P.R., Quigley, D.R., Attia, Y.A., Eds.; Elsevier: New York, NY, USA, 1991; pp. 425–438. [Google Scholar]
- Steel, K.M.; Patrick, J.W. The production of ultra clean coal by chemical demineralisation. Fuel Energy Abstr. 2002, 43, 238. [Google Scholar] [CrossRef]
- Yaman, S.; Kücükbayrak, S. Effect of oxydesulphurization on the combustion characteristics of coal. Thermochim. Acta 1997, 293, 109–115. [Google Scholar] [CrossRef]
- Palmer, S.R.; Hippo, E.J.; Dorai, X.A. Chemical coal cleaning using selective oxidation. Fuel 1994, 73, 161–169. [Google Scholar] [CrossRef]
- Palmer, S.R.; Hippo, E.J.; Dorai, X.A. Selective oxidation pretreatments for the enhanced desulfurization of coal. Fuel 1995, 74, 193–200. [Google Scholar] [CrossRef]
- Palmer, S.R.; Hippo, E.J.; Kruge, M.A.; Crelling, J.C. Characterization and selective removal of organic sulfur from iiiinois basin coals. Coal Prep. 1992, 10, 93–106. [Google Scholar] [CrossRef]
- Demirbaş, A. Desulfurization of coal using biomass ash. Energy Sources 2002, 24, 1099–1105. [Google Scholar] [CrossRef]
- Agarwal, J.C. Chemical desulphurization of coal. Min. Congr. J. 1975, 61, 40–43. [Google Scholar]
- Mukherjee, S.; Mahiuddin, S.; Borthakur, P.C. Demineralization and desulfurization of subbituminous coal with hydrogen peroxide. Energy Fuels 2001, 15, 1418–1424. [Google Scholar] [CrossRef]
- Qin, Z.-H.; Zhang, H.-F.; Dai, D.-J.; Zhao, C.-C.; Zhang, L.-F. Study on occurrence of sulfur in different group components of xinyu clean coking coal. J. Fuel Chem. Technol. 2014, 42, 1286–1294. [Google Scholar] [CrossRef]
- Friedman, S.; Warzinski, R.P. Chemical cleaning of coal. Eng. Power 1977, 99, 361–364. [Google Scholar] [CrossRef]
- Norton, G.A.; Markuszewski, R.; Araghi, H.G. Chemical cleaning of coal. In Fossil Fuels Utilization; American Chemical Society: Washington, DC, USA, 1986; Volume 319, pp. 63–74. [Google Scholar]
- Pecina, E.T.; Camacho, L.F.; Herrera, C.A.; MartÃ-nez, D. Effect of complexing agents in the desulphurization of coal by H2SO4 and H2O2 leaching. Miner. Eng. 2012, 29, 121–123. [Google Scholar] [CrossRef]
- Mukherjee, S. Demineralization and desulfurization of high-sulfur assam coal with alkali treatment. Energy Fuels 2003, 17, 559–564. [Google Scholar] [CrossRef]
- Kusnierova, M.; Prascakova, M.; Fecko, P.; Janakova, I. Chemical and biological desulphurization of boiler coal. J. Biotechnol. 2010, 150, 252. [Google Scholar] [CrossRef]
- Shen, Y.; Sun, T.; Jia, J. A novel desulphurization process of coal water slurry via sodium metaborate electroreduction in the alkaline system. Fuel 2012, 96, 250–256. [Google Scholar] [CrossRef]
- Chuang, K.C.; Chen, M.C.; Greer, R.T.; Markuszewski, R.; Sun, Y.; Wheelock, T.D. Pyrite desulfurization by wet oxidation in alkaline solutions. Chem. Eng. Commun. 1980, 7, 79–94. [Google Scholar] [CrossRef]
- Markuszewski, R.; Chuang, K.C.; Wheelock, T.D. Coal desulfurization by leaching with alkaline solutions containing oxygen. In Proceedings of the Symposium on Coal Cleaning to Achieve Energy and Environmental Goals, Hollywood, FL, USA, 11–15 September 1978; p. 1039.
- Joshi, J.B.; Shah, Y.T. Kinetics of organic sulphur removal from coal by oxydesulphurization. Fuel 1981, 60, 612–614. [Google Scholar] [CrossRef]
- Akhtar, S.S.; Chriswell, C.D. Hydrothermal pretreatment of coal before molten caustic leaching. In Proceedings of the 5th International Coal Conference, Seoul, Korea, 18–22 October 1993; Ames Laboratory: New York, NY, USA.
- Mukherjee, S.; Borthakur, P.C. Effect of leaching high sulphur subbituminous coal by potassium hydroxide and acid on removal of mineral matter and sulphur. Fuel 2003, 82, 783–788. [Google Scholar] [CrossRef]
- Syed, M.M.; Cliffe, K.R. Desulphurisation of Coal by Chemical Oxidation Using Potassium Permanganate; Institution of Chemical Engineers Research Event, University of Manchester: Manchester, UK, 1992. [Google Scholar]
- Syed, M.M.; Cliffe, K.R. Low temperature oxidation of sulphur. In Proceedings of the 5th International Conference on Processing and Utilisation of High Sulphur Coals, Lexington, KY, USA, 25–28 October 1993.
- Ghauri, M.; Inayat, A.; Bashir, M.; Ali, S.; Cliffe, K. High pressure oxydesulphurisation of coal—A parametric study. Energies 2013, 6, 1930–1943. [Google Scholar] [CrossRef]
- Ghauri, M.; Shahzad, K.; Inayat, A.; Ali, Z.; Cliffe, K. High pressure oxydesulphurisation of coal using KMnO4—Effect of coal slurry concentration, pH and alkali. Energies 2016, 9, 289. [Google Scholar] [CrossRef]
- Raask, E. Mineral Impurities in Coal Combustion; Hemisphere Publishing: Washington, WA, USA, 1985; p. 37. [Google Scholar]
- Wheelock, T.D. Oxydesulphurization of coal in alkaline solutions. Chem. Eng. Commun. 1981, 12, 137–159. [Google Scholar] [CrossRef]
- Holland, F.A.; Chapman, F.S. Liquid Mixing and Processing in Stirred Tanks; Reinhold Publishing Cooperation: New York, NY, USA, 1966; pp. 892–933. [Google Scholar]
- Meyers, R.A. Coal Desulphurisation; Marcel Dekker Inc.: New York, NY, USA, 1977; pp. 44–45. [Google Scholar]
- Bowen, R. Unraveling the mysteries of shear-sensitive mixing systems. Chem. Eng. 1986, 9, 55–63. [Google Scholar]
- Attia, Y.A.; Fung, A. Chemical desulphurisation of canadian high sulphur coal with potassium permanganate. Process. Util. High Sulphur Coals V 1993, 263–282. [Google Scholar]
© 2016 by the authors; licensee MDPI, Basel, Switzerland. This article is an open access article distributed under the terms and conditions of the Creative Commons Attribution (CC-BY) license (http://creativecommons.org/licenses/by/4.0/).














