Asymmetrical Fault Correction for the Sensitive Loads Using a Current Regulated Voltage Source Inverter
Abstract
:1. Introduction
2. Causes, Effects and Existing Solutions of Asymmetrical Faults
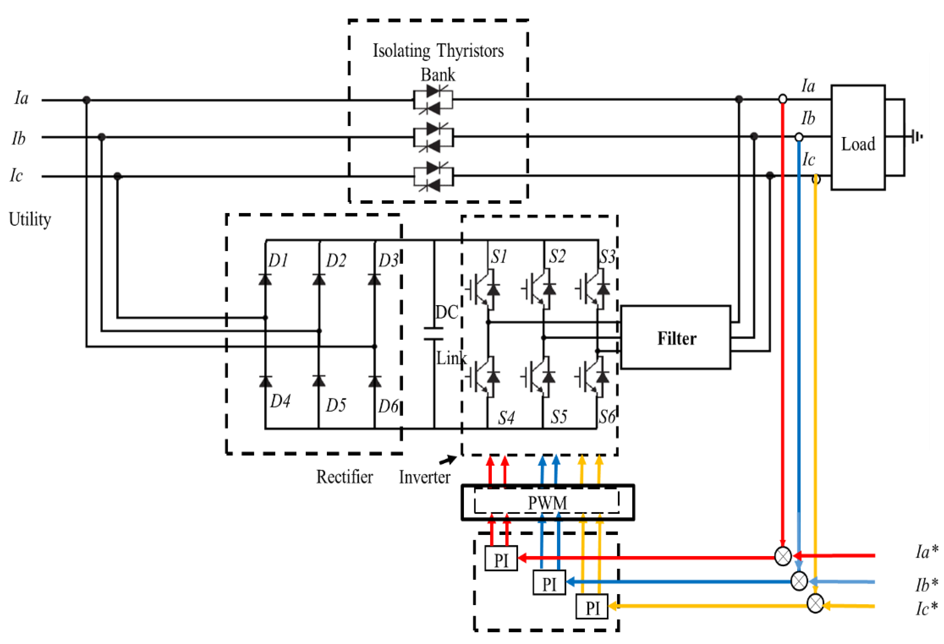
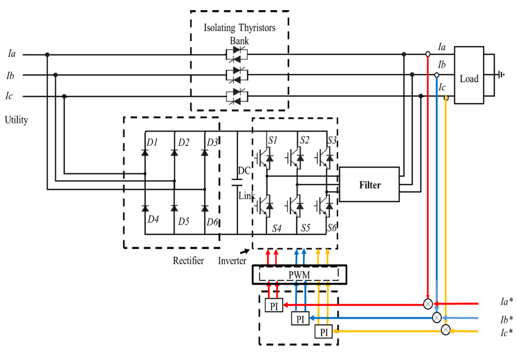
3. Proposed Asymmetrical Fault Correction Technique
- It should provide protection to sensitive loads during all types of asymmetrical faults occurring, whether near or far from the fault point/location.
- The control scheme should be based on a current regulation algorithm to avoid performance issues while dealing with a large number of nonlinear loads for industrial use.
- The proposed topology should be economical, with an instant response to ensure high power regulating and conditioning capabilities and to make it feasible for all sensitive load applications.
3.1. Operating Principle
3.2. Current Regulating Algorithm
3.3. Advantages of the Proposed Technique over Existing Solutions
4. Experimental Results
5. Conclusions
Acknowledgments
Author Contributions
Conflicts of Interest
References
- Beiza, J.; Hosseinian, S.H.; Vahidi, B. Fault type estimation in power systems. Iran. J. Electr. Electron. Eng. 2009, 5, 185–195. [Google Scholar]
- Weischedel, H.R.; Westerman, G.R. A symmetry correcting pulse width modulator for power conditioning applications. IEEE Trans. Ind. Appl. 1973, IA-9, 318–322. [Google Scholar] [CrossRef]
- Lin, W.M.; Ou, T.C. Unbalanced distribution network fault analysis with hybrid compensation. IET Gener. Transm. Distrib. 2011, 5, 92–100. [Google Scholar] [CrossRef]
- Ou, T.C. A novel unsymmetrical faults analysis for microgrid distribution systems. Int. J. Electr. Power Energy Syst. 2012, 43, 1017–1024. [Google Scholar] [CrossRef]
- Reed, G.F.; Croasdaile, T.R.; Paserba, J.J.; Williams, R.M.; Takeda, M.; Jochi, S.; Morishima, N.; Aritsuka, T.; Hamasaki, Y.; Yonehata, Y.; et al. Applications of voltage source inverter (VSI) based technology for FACTS and custom power installations. In Proceedings of the International Conference on Power System Technology, Perth, Australia, 4–7 December 2000; Volume 1, pp. 381–386.
- Ou, T.C. Ground fault current analysis with a direct building algorithm for microgrid distribution. Int. J. Electr. Power Energy Syst. 2013, 53, 867–875. [Google Scholar] [CrossRef]
- Lin, W.M.; Lu, K.H.; Ou, T.C. Design of a novel intelligent damping controller for unified power flow controller in power system connected offshore power applications. IET Gener. Transm. Distrib. 2015, 9, 1708–1717. [Google Scholar] [CrossRef]
- Ou, T.C.; Hong, C.M. Dynamic operation and control of microgrid hybrid power systems. Energy 2014, 66, 314–323. [Google Scholar] [CrossRef]
- Mirzai, M.A.; Afzalian, A.A. A novel fault-locator system; algorithm, principle and practical implementation. IEEE Trans. Power Deliv. 2010, 25, 35–46. [Google Scholar]
- Stump, M.D.; Keane, G.J.; Leong, F.K.S. The role of custom power products in enhancing power quality at industrial facilities. In Proceedings of the International Conference on EMPD, Singapore, 3–5 March 1998; Volume 2, pp. 507–517.
- Bukhari, S.S.H.; Atiq, S.; Kwon, B. An inrush current elimination technique for a voltage sag compensator while powering transformer-coupled loads. In Proceedings of the 2015 IEEE Energy Conversion Congress and Exposition (ECCE), Montreal, QC, Canada, 20–24 September 2015; pp. 2710–2714.
- Veltman, A.; Pulle, D.W.J.; DeDoncker, R. Advanced Electrical Drives; Springer Verlag: Heidelberg, Germany, 2011. [Google Scholar]
- Bukhari, S.S.H.; Kwon, B.-I.; Lipo, T.A. Unsymmetrical fault correction for sensitive loads utilizing a current regulated inverter. In Proceedings of the 29th Annual IEEE Applied Power Electronics Conference and Exposition (APEC), Fort worth, TX, USA, 16–20 March 2014; pp. 366–370.
- McGranaghan, M.F.; Mueller, D.R.; Samotyj, M.J. Voltage sags in industrial systems. IEEE Trans. Ind. Appl. 1993, 29, 397–403. [Google Scholar] [CrossRef]
- Sabin, D. An Assessment of Distribution System Power Quality; EPRI Final Report TR-106249-V2; Electric Power Research Institute: Palo Alto, CA, USA, 1996; Volume 2. [Google Scholar]
- Cheng, P.T.; Chen, W.-T.; Chen, Y.-H.; Ni, C.-L.; Lin, J. A transformer inrush mitigation method for series voltage sag compensators. IEEE Trans. Power Electron. 2007, 22, 1890–1899. [Google Scholar] [CrossRef]
- Yeh, C.-C.; Manjrekar, M.D. A reconfigurable uninterruptible power supply system for multiple power quality applications. IEEE Trans. Power Electron. 2007, 22, 1361–1372. [Google Scholar] [CrossRef]
- Bukhari, S.S.H.; Atiq, S.; Lipo, T.A.; Kwon, B.-I. Line-interactive UPS system that eliminates inrush current phenomenon. Electr. Power Compon. Syst. 2016, in press. [Google Scholar]
- Kong, W.Y.; Holmes, D.G.; McGrath, B.P. Improved stationary frame AC current regulation using feedforward compensation of the load EMF. In Proceedings of the Twenty-Fourth Annual IEEE Applied Power Electronics Conference and Exposition (APEC), Washington, DC, USA, 15–19 February 2009; pp. 145–151.
- Bukhari, S.S.H.; Atiq, S.; Kwon, B.-I. Elimination of the inrush current phenomenon associated with single-phase offline UPS systems. Energies 2016, 9, 96. [Google Scholar] [CrossRef]
- Franklin, G.F.; Powell, J.D.; Workman, M.L. Digital Control of Dynamic Systems, 3rd ed.; Addison-Wesley: Menlo Park, CA, USA, 1998. [Google Scholar]
- Bukhari, S.S.H.; Atiq, S.; Lipo, T.A.; Kwon, B.-I. A cost-effective, single-phase line-interactive UPS system that eliminates inrush current phenomenon for transformer-coupled loads. J. Electr. Eng. Technol. JEET 2016, 11. [Google Scholar] [CrossRef]
- Brumsickle, W.E.; Schneider, R.S.; Luckjiff, G.A.; Divan, D.M.; Mcgranaghan, M.F. Dynamic sag correctors: Cost-effective industrial power line conditioning. IEEE Trans. Ind. Appl. 2001, 37, 212–217. [Google Scholar] [CrossRef]
- Kim, H.S.; Ji, J.-K.; Kim, J.-H.; Sul, S.-K.; Kim, K.-H. Novel topology of a line interactive UPS using PQR instantaneous power theory. In Proceedings of the 39th IEEE IAS Annual Meeting in Industry Applications Conference, Washington, DC, USA, 3–7 October 2004; pp. 2232–2238.
- Ou, T.C.; Chuang, S.J.; Hong, C.M.; Wu, R.C.; Tsao, T.P.; Chen, C.Y. Self-regulation ground faults model for microgrid distribution. ICIC Express Lett. Part B Appl. 2015, 6, 3225–3230. [Google Scholar]
- Lee, W.-C. Cost-effective APF/UPS system with seamless mode transfer. J. Electr. Eng. Technol. JEET 2015, 10, 195–204. [Google Scholar] [CrossRef]











| Type of Event | Spike Suppressor | Voltage Regulator | Transformerless Dynamic Series Compensator (DySC) | UPS Systems | Proposed System |
|---|---|---|---|---|---|
| Spikes and Surges | Solves | Solves | Solves | Solves | Solves |
| Sag to 80% | No | Solves | Solves | Solves | Solves |
| Sag from 50%–80% | No | No | Solves | Solves | Solves |
| Interruption 0–0.15 s | No | No | Solves | Solves | Solves |
| Interruption 0.15–500 s | No | No | No | Solves | No |
| Outage > 500 s | No | No | No | No | No |
| Attributes | On-Line UPS System | Proposed System |
|---|---|---|
| Primary Powering Path | Inverter | Grid |
| Efficiency | Lower | High |
| Power Regulating and Compensation Capabilities | Yes | Yes |
| Cost, Size and Weight | Higher | Lower |
| System Starting Time | Zero | Negligible |
| Parameter | Value |
|---|---|
| Utility/Grid | 220 V, 50 Hz |
| DC Bus Voltage | 365 V |
| Switching Frequency (fs) | 10 kHz |
| Load Resistance | 160 Ω |
| Load Inductance | 21.5 mH |
| Filter Inductance (Lf) | 0.265 mH |
© 2016 by the authors; licensee MDPI, Basel, Switzerland. This article is an open access article distributed under the terms and conditions of the Creative Commons by Attribution (CC-BY) license (http://creativecommons.org/licenses/by/4.0/).
Share and Cite
Bukhari, S.S.H.; Atiq, S.; Lipo, T.A.; Kwon, B.-i. Asymmetrical Fault Correction for the Sensitive Loads Using a Current Regulated Voltage Source Inverter. Energies 2016, 9, 196. https://doi.org/10.3390/en9030196
Bukhari SSH, Atiq S, Lipo TA, Kwon B-i. Asymmetrical Fault Correction for the Sensitive Loads Using a Current Regulated Voltage Source Inverter. Energies. 2016; 9(3):196. https://doi.org/10.3390/en9030196
Chicago/Turabian StyleBukhari, Syed Sabir Hussain, Shahid Atiq, Thomas A. Lipo, and Byung-il Kwon. 2016. "Asymmetrical Fault Correction for the Sensitive Loads Using a Current Regulated Voltage Source Inverter" Energies 9, no. 3: 196. https://doi.org/10.3390/en9030196
APA StyleBukhari, S. S. H., Atiq, S., Lipo, T. A., & Kwon, B.-i. (2016). Asymmetrical Fault Correction for the Sensitive Loads Using a Current Regulated Voltage Source Inverter. Energies, 9(3), 196. https://doi.org/10.3390/en9030196

