A Novel Method to Balance and Reconfigure Series-Connected Battery Strings
Abstract
:1. Introduction
2. Structure Analysis of the Proposed Reconfigurable Balancing Method
2.1. Existing Reconfigurable Methods
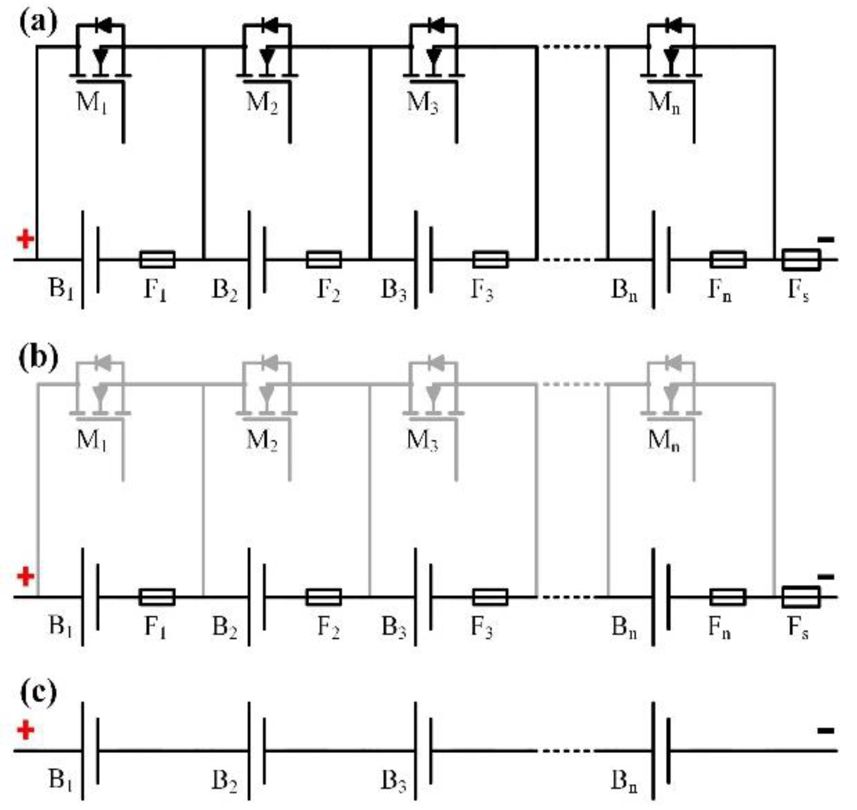
2.2. The Proposed Reconfigurable Balancing Method
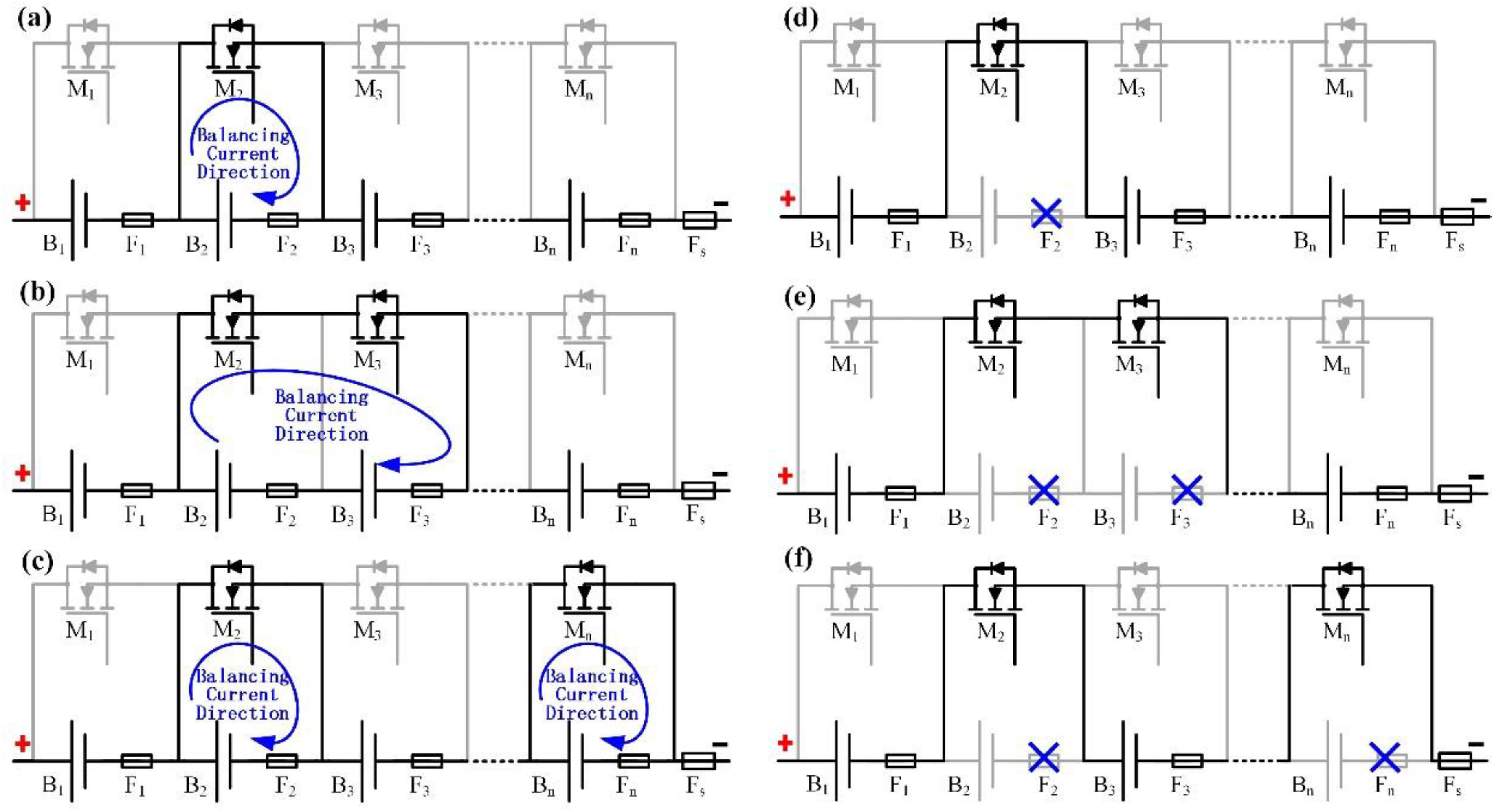
3. Control Strategy Development for the Reconfigurable Balancing Topology
4. Experimental Validation
4.1. Establishment of the Experimental Test Workbench
4.2. Reconfigurable Balancing Circuits Fabrication and Fundamental Function Validation
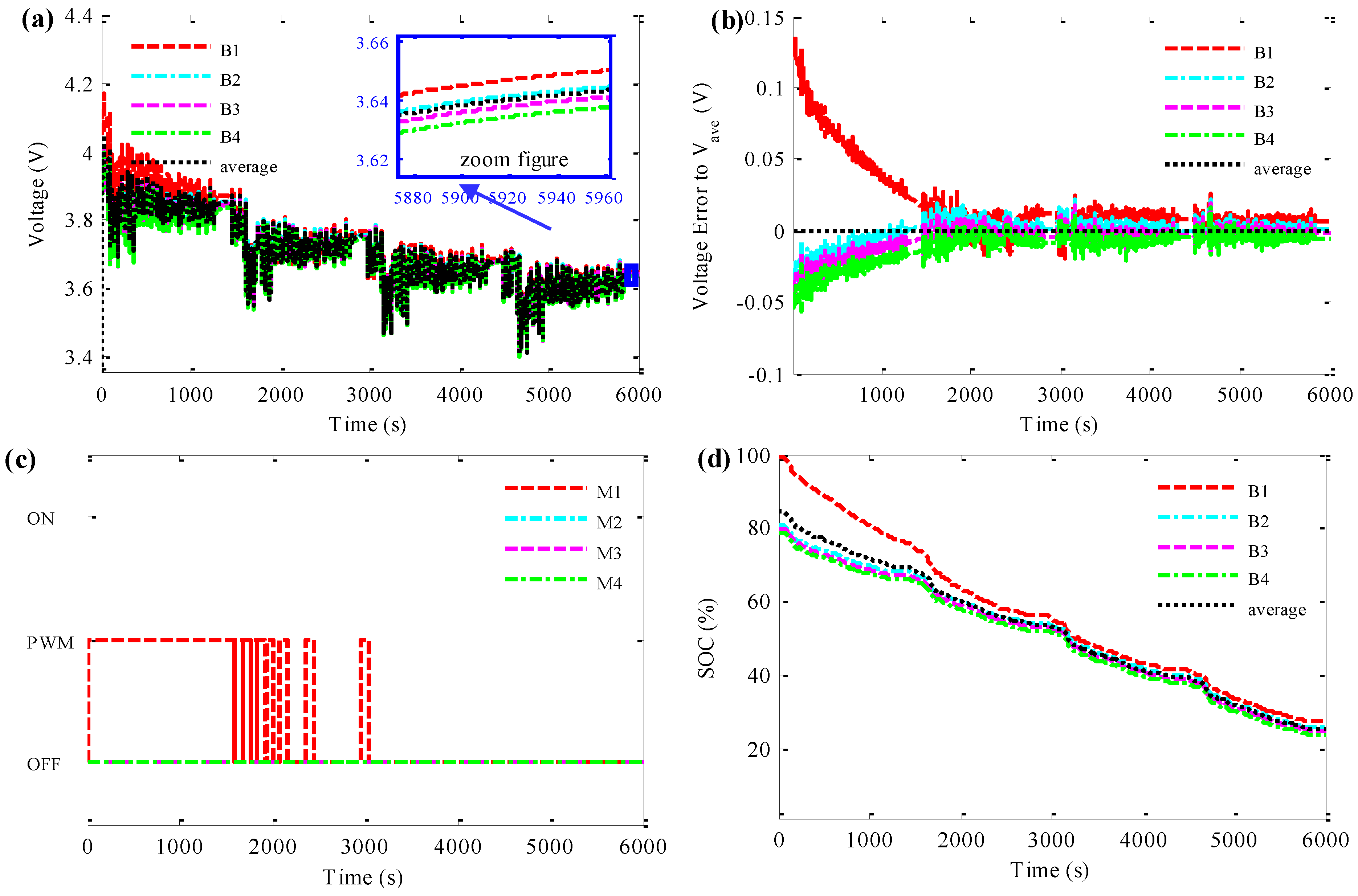
4.3. Balancing Only Validation
4.4. Simultaneously Balancing and Reconfiguring Validation
5. Conclusions
Acknowledgments
Author Contributions
Conflicts of Interest
References
- Xiong, R.; He, H.; Sun, F.; Liu, X.; Liu, Z. Model-based state of charge and peak power capability joint estimation of lithium-ion battery in plug-in hybrid electric vehicles. J. Power Sources 2013, 229, 159–169. [Google Scholar] [CrossRef]
- Chen, Z.; Mi, C.C.; Xia, B.; You, C. Energy management of power-split plug-in hybrid electric vehicles based on simulated annealing and pontryagin's minimum principle. J. Power Sources 2014, 272, 160–168. [Google Scholar] [CrossRef]
- Wang, B.; Xu, J.; Cao, B.; Zhou, X. A novel multimode hybrid energy storage system and its energy management strategy for electric vehicles. J. Power Sources 2015, 281, 432–443. [Google Scholar] [CrossRef]
- Xu, J.; Mi, C.C.; Cao, B.; Cao, J. A new method to estimate the state of charge of lithium-ion batteries based on the battery impedance model. J. Power Sources 2013, 233, 277–284. [Google Scholar] [CrossRef]
- Wang, B.; Xu, J.; Cao, B. Design of a novel hybrid power for EV. In Proceedings of the 2014 IEEE Conference and Expo Transportation Electrification Asia-Pacific (ITEC Asia-Pacific), Beijing, China, 31 August–3 September 2014.
- Wang, Y.; Zhang, C.; Chen, Z.; Xie, J.; Zhang, X. A novel active equalization method for lithium-ion batteries in electric vehicles. Appl. Energy 2015, 145, 36–42. [Google Scholar] [CrossRef]
- Gallardo-Lozano, J.; Romero-Cadaval, E.; Milanes-Montero, M.I.; Guerrero-Martinez, M.A. A novel active battery equalization control with on-line unhealthy cell detection and cell change decision. J. Power Sources 2015, 299, 356–370. [Google Scholar] [CrossRef]
- Gallardo-Lozano, J.; Romero-Cadaval, E.; Milanes-Montero, M.I.; Guerrero-Martinez, M.A. Battery equalization active methods. J. Power Sources 2014, 246, 934–949. [Google Scholar] [CrossRef]
- Einhorn, M.; Guertlschmid, W.; Blochberger, T.; Kumpusch, R.; Permann, R.; Conte, F.; Kral, C.; Fleig, J. A current equalization method for serially connected battery cells using a single power converter for each cell. IEEE Trans. Veh. Technol. 2011, 60, 4227–4237. [Google Scholar] [CrossRef]
- Xu, J.; Li, S.; Mi, C.; Chen, Z.; Cao, B. SOC based battery cell balancing with a novel topology and reduced component count. Energies 2013, 6, 2726–2740. [Google Scholar] [CrossRef]
- Hahnsang, K.; Shin, K.G. On dynamic reconfiguration of a large-scale battery system. In Proceedings of the 15th IEEE Real-Time and Embedded Technology and Applications Symposium (RTAS), San Francisco, CA, USA, 13–16 April 2009.
- Kim, Y.; Park, S.; Wang, Y.; Xie, Q.; Chang, N.; Poncino, M.; Pedram, M. Balanced reconfiguration of storage banks in a hybrid electrical energy storage system. In Proceedings of the International Conference on Computer-Aided Design (ICCAD’11), San Jose, CA, USA, 7–10 November 2011; pp. 624–631.
- Taesic, K.; Wei, Q.; Liyan, Q. Series-connected self-reconfigurable multicell battery. In Proceedings of the 2011 Twenty-Sixth Annual IEEE Applied Power Electronics Conference and Exposition (APEC), Fort Worth, TX, USA, 6–11 March 2011.
- Taesic, K.; Wei, Q.; Liyan, Q. A series-connected self-reconfigurable multicell battery capable of safe and effective charging/discharging and balancing operations. In Proceedings of the 2012 Twenty-Seventh Annual IEEE Applied Power Electronics Conference and Exposition (APEC), Orlando, FL, USA, 5–9 February 2012.
- Song, C.; Jiucai, Z.; Sharif, H.; Alahmad, M. Dynamic reconfigurable multi-cell battery: A novel approach to improve battery performance. In Proceedings of the 2012 Twenty-Seventh Annual IEEE Applied Power Electronics Conference and Exposition (APEC), Orlando, FL, USA, 5–9 February 2012.
- Alahmad, M.; Hess, H.; Mojarradi, M.; West, W.; Whitacre, J. Battery switch array system with application for JPL’s rechargeable micro-scale batteries. J. Power Sources 2008, 177, 566–578. [Google Scholar] [CrossRef]
- Sukumar, V.; Alahmad, M.; Buck, K.; Hess, H.; Li, H.; Cox, D.; Zghoul, F.N.; Jackson, J.; Terry, S.; Blalock, B.; et al. Switch array system for thin film lithium microbatteries. J. Power Sources 2004, 136, 401–407. [Google Scholar] [CrossRef]
- Liu, Z.; Tan, C.; Leng, F. A reliability-based design concept for lithium-ion battery pack in electric vehicles. Reliab. Eng. Syst. Saf. 2015, 134, 169–177. [Google Scholar] [CrossRef]
- Zheng, Y.; Ouyang, M.; Lu, L.; Li, J.; Han, X.; Xu, L. On-line equalization for lithium-ion battery packs based on charging cell voltages: Part 1. Equalization based on remaining charging capacity estimation. J. Power Sources 2013, 247, 676–686. [Google Scholar] [CrossRef]
- Quinn, D.D.; Hartley, T.T. Design of novel charge balancing networks in battery packs. J. Power Sources 2013, 240, 26–32. [Google Scholar] [CrossRef]
- Baronti, F.; Roncella, R.; Saletti, R. Performance comparison of active balancing techniques for lithium-ion batteries. J. Power Sources 2014, 267, 603–609. [Google Scholar] [CrossRef]
- Zou, Z.; Xu, J.; Mi, C.; Cao, B.; Chen, Z. Evaluation of model based state of charge estimation methods for lithium-ion batteries. Energies 2014, 7, 5065–5082. [Google Scholar] [CrossRef]
- Xu, J.; Cao, B.; Chen, Z.; Zou, Z. An online state of charge estimation method with reduced prior battery testing information. Int. J. Electr. Power Energy Syst. 2014, 63, 178–184. [Google Scholar] [CrossRef]
- Xu, J.; Mi, C.; Cao, B.; Deng, J.; Chen, Z.; Li, S. The state of charge estimation of lithium-ion batteries based on a proportional integral observer. IEEE Trans. Veh. Technol. 2014, 63, 1614–1621. [Google Scholar]
- Chen, Z.; Mi, C.C.; Fu, Y.; Xu, J.; Gong, X. Online battery state of health estimation based on genetic algorithm for electric and hybrid vehicle applications. J. Power Sources 2013, 240, 184–192. [Google Scholar] [CrossRef]
- Remmlinger, J.; Buchholz, M.; Meiler, M.; Bernreuter, P.; Dietmayer, K. State-of-health monitoring of lithium-ion batteries in electric vehicles by on-board internal resistance estimation. J. Power Sources 2011, 196, 5357–5363. [Google Scholar] [CrossRef]








| Items | T1 | T2 | T3 | T4 | Tp |
|---|---|---|---|---|---|
| Switches | 3(n − 1) | 5n − 3 | 4n − 3 | 2n | n |
| Fuses | 0 | 0 | 0 | 0 | n |
| System Complexity | Complex | Complex | Complex | Fair | Simple |
© 2016 by the authors; licensee MDPI, Basel, Switzerland. This article is an open access article distributed under the terms and conditions of the Creative Commons Attribution (CC-BY) license (http://creativecommons.org/licenses/by/4.0/).
Share and Cite
Xu, J.; Cao, B.; Wang, J. A Novel Method to Balance and Reconfigure Series-Connected Battery Strings. Energies 2016, 9, 766. https://doi.org/10.3390/en9100766
Xu J, Cao B, Wang J. A Novel Method to Balance and Reconfigure Series-Connected Battery Strings. Energies. 2016; 9(10):766. https://doi.org/10.3390/en9100766
Chicago/Turabian StyleXu, Jun, Binggang Cao, and Junping Wang. 2016. "A Novel Method to Balance and Reconfigure Series-Connected Battery Strings" Energies 9, no. 10: 766. https://doi.org/10.3390/en9100766
APA StyleXu, J., Cao, B., & Wang, J. (2016). A Novel Method to Balance and Reconfigure Series-Connected Battery Strings. Energies, 9(10), 766. https://doi.org/10.3390/en9100766

